8DT 355 301-231BĘBEN HAM. 305 BOX BODY / ESTATE (581S), 305 II (581M), 305 II BREAK (5

MPN: 8DT 355 301-231
Indeks: 8DT 355 301-231
Producent: HELLA
Opis: bęben hamulcowy


Zapytaj o produktZapytaj o produkt

Dostępność





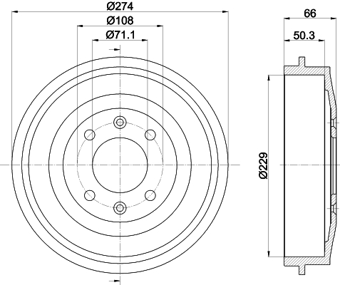
Parametry

Strona zabudowy Oś tylna
Średnica zewnętrzna bębna hamulca [mm] 274
Całkowita wysokość bębna hamulca [mm] 66
Średnica wewnętrzna bębna hamulca [mm] 229
Wewnętrzna wysokość bębna hamulca [mm] 50
maks. wielkość poślizgu bębna [mm] 230
Liczba otworów 4
Ø rozmieszczenia otworów [mm] 108
Średnica otworu centrującego [mm] 71,1
Średnica otworu szpilki koła [mm] 13
Artykuł uzupełniający / informacja uzupełniająca 2 bez piasty koła
Artykuł uzupełniający / informacja uzupełniająca 2 bez łożyska koła
Artykuł uzupełniający / informacja uzupełniająca 2 bez sworznia mocującego koła
Ciężar [kg] 6
Montaż/demontaż koniecznie do wykonania przez fachowców!

Kody EAN

Kody użytkowe

Numery OEM

CITROEN: 424724, 91509908
PEUGEOT: 4247.24, 91509908

Odpowiedniki

A.B.S.: 5255S
ABE: C6C005ABE
AKRON-MALO: 1120056
APEC: BDR9005, DRM9504, DRM9521
ASHIKA: 56000600
ATE: 24022280171, 480071
AUGROS: 5972661P, 5972670P
BENDIX: 329150B
BENDIX BRAKING: BDM1014
BORG & BECK: BBR7088
BOSCH: 0 986 477 060, DB135
BRECO: BT3283, BT5595
BREMBO: 14328310, 14559510
BREMSI: CR5146
DELPHI: BF169, BF265
DENCKERMANN: B140016
EBC BRAKES: DM013
EUROBRAKE: 5825253708
FEBI BILSTEIN: 10535
FERODO: FDR329150
FREMAX: BD4724
FTE: 9190045, BT139, BT203
HELLA: 355 301-231, 8DT 355 301-231
HELLA PAGID: 355 301-231, 8DT355301231
JAPANPARTS: TA0600, TA0600C
JAPKO: 560600, 560600C
JP GROUP: 3163500100
JURATEK: JDR003
JURID: 329117J, 329150J, 8282005255
KAVO PARTS: BD10001
MAPCO: 35303
METZGER AUTOTEILE: BT645, BT 817
MEYLE: 11155230003
MGA: T7407
MINTEX: MBD030
MOTAQUIP: VBD631
NK: 253708
OBTEC A/S: 825278440
OPTIMAL: BT0320
PAGID: 60604, 62505
QUINTON HAZELL: BDR139, BDR203
REMSA: 703200, 710900
RIDEX: 123B0034
ROADHOUSE: 703200, 710900
SBS: 1825253708
SEBRO: 5255
STARLINE: PB6290
TEXTAR: 94010300, 94014400, 98100010301, 98100014401
TRISCAN: 812028203
TRW: DB4077, DB4096
VALEO: 237000
WOKING: B703200, B710900
ZIMMERMANN: 14328310, 14559510, 440183000, 440183020

Samochody osobowe

CITROEN: BERLINGO / BERLINGO FIRST Furgon/minivan (M_) (1996-07 » 2011-12), BERLINGO / BERLINGO FIRST nadwozie wielkoprzestrzenne (MPV) (1996-07 » ), C15 Furgon/minivan (VD_) (1984-10 » 2006-10), C15 Kombi (1987-04 » 2000-08), C15 Platforma / podwozie (VDPD) (1992-11 » 2002-10), XSARA (N1) (1997-04 » 2005-12), XSARA Break (N2) (1997-10 » 2010-03), XSARA Furgon/hatchback (N3_) (1998-05 » 2005-03), XSARA PICASSO (N68) (1999-09 » 2012-06), ZX Break (N2) (1993-10 » 1999-07)
PEUGEOT: 305 Furgon/kombi (581S) (1982-11 » 1988-12), 305 II (581M) (1982-10 » 1990-07), 305 II Break (581E) (1982-10 » 1990-07), 306 (7B, N3, N5) (1993-04 » 2003-10), 306 Break (7E, N3, N5) (1994-06 » 2002-12), 306 Furgon/hatchback (1993-04 » 2001-08), 306 Furgon/kombi (N_, 7_) (1993-07 » 2002-08), 306 kabriolet (7D, N3, N5) (1994-01 » 2002-04), 306 liftback (7A, 7C, N3, N5) (1993-01 » 2003-10), 405 I (15B) (1987-01 » 1993-12), 405 I Break (15E) (1987-06 » 1992-08), 405 I Furgon/kombi (15_) (1989-09 » 1992-07), 405 II (4B) (1992-01 » 1999-12), 405 II Break (4E) (1992-08 » 1998-10), 405 II Furgon/kombi (4E_) (1992-08 » 1995-12), 406 (8B) (1995-08 » 2005-01), 406 Break (8E/F) (1996-10 » 2004-10), 406 coupe (8C) (1997-03 » 2005-02), HOGGAR (2010-05 » ), PARTNER Furgon/minivan (2008-04 » ), PARTNER Furgon/minivan (5_, G_) (1996-06 » ), PARTNER nadwozie wielkoprzestrzenne (MPV) (5_, G_) (1996-05 » ), PARTNER ORIGIN Furgon/minivan (G_) (2008-07 » 2015-12), PARTNER ORIGIN nadwozie wielkoprzestrzenne (MPV) (G_) (2008-07 » 2013-12), PARTNER Platforma / podwozie (5_, G_) (1997-03 » 2008-07), PARTNER TEPEE (2008-04 » )
tecdoc &API SEO | Wdrożenie: TOMJOHN  Projekt: NIKO ©2019 dataWeb ver. 1.0.85 |
Dodano do koszyka