8DD 355 103-001TARCZA HAM. PRZ. CI

MPN: 8DD 355 103-001
Indeks: 8DD 355 103-001
Producent: HELLA
Opis: tarcza hamulcowa


Zapytaj o produktZapytaj o produkt

Dostępność





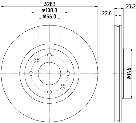
Parametry

Typ tarczy hamulcowej wentylowany zewnętrznie
średnica zewnętrzna [mm] 283
Grubość tarczy hamulcowej [mm] 22
Wysokość [mm] 27,2
Minimalna grubość [mm] 20
Średnica wewnętrzna [mm] 133,5
Ø rozmieszczenia otworów [mm] 108
Średnica otworu centrującego [mm] 66
Wzór otworów/liczba otworów 04/06
Średnica otworu szpilki koła [mm] 13,2
Artykuł uzupełniający / informacja uzupełniająca 2 bez piasty koła
Artykuł uzupełniający / informacja uzupełniająca 2 bez sworznia mocującego koła
Ciężar [kg] 6
Montaż/demontaż koniecznie do wykonania przez fachowców!

Kody EAN

Kody użytkowe

Odpowiedniki

A.B.S.: 09503614, 09573010, 15932OE, 16186, 16186OE
ABE: C3C018ABE
AKEBONO: BN0995, BN0995E
AKRON-MALO: 1110861
APEC: DSK642
ASHIKA: 60000626
ATE: 24012201421, 24032201421, 422142
AUGROS: 5294625P
BENDIX: 521929, 561705B
BENDIX BRAKING: BDI487, BDS1430
BLUE PRINT: ADP154335
BORG & BECK: BBD4976
BOSCH: 0 986 478 834, BD734, F 026 A01 113
BRADI: 1092224
BRAKE ENGINEERING: DI955248
BRAXIS: AE0334
BRECO: BS8097, BS8528
BREMBO: 09503614, 09573010, 09573011, 09573014, 09961310
BREMSI: CD6489V
CAR: 142135, HPD135
CIFAM: 800336
COMLINE: ADC1520V, AND6666
DELPHI: BG2690
DON: PCD15432
DYNAMATRIX: DBD489
E.T.F.: 197810
EBC BRAKES: D612, GD612, USR612
EUROBRAKE: 5815201919, 5815311919
EUROREPAR: 1618860180, 1686342380, E169011
FEBI BILSTEIN: 43991
FERODO: DDF489, DDF4891
FOMAR FRICTION: FO2148
FREMAX: BD7810
FTE: 9072445, 9082314, BS3920, BS3920B
GIRLING: 6011231
HELLA: 355 103-001, 530033035, 8DD 355 103-001
HELLA PAGID: 355 103-001, 8DD355103001
ICER: 78BD78102
JAPANPARTS: DI0626, DI0626C
JURATEK: CIT122
JURID: 561705J, 561705J1, 561705JC
KAWE: 630610
LPR: C1261V, C1261VR
METELLI: 230336
MEYLE: 11155210013
MGA: D1136
MINTEX: MDC814
MOTAQUIP: LVBD582
NK: 201919, 311919
OBTEC A/S: 815272734V
OPTIMAL: BS3060, BS3060C
PAGID: 50622
QUINTON HAZELL: BDC3920
R BRAKE: 78RBD27810
REMSA: 630610
RIDEX: 82B0556
ROADHOUSE: 630610
SBS: 1815201919, 1815311919
STELLOX: 60201919VKSX
STOP: 561705S
TEXTAR: 92059600, 92059603, 98200059601
TRUSTING: DF493
TRW: DF1123, DF1123S
VAICO: V2280005
VALEO: 186296
WOKING: D630610
ZIMMERMANN: 180300300, 180300320, 180300370, 180300372, 180300375

Samochody osobowe

CITROEN: XANTIA (X1_, X2_) (1993-03 » 2003-04), XANTIA Break (X1_, X2_) (1995-06 » 2003-04), XANTIA Furgon/kombi (X2_) (1997-12 » 2003-04), XSARA (N1) (1997-04 » 2005-12), XSARA Break (N2) (1997-10 » 2010-03), XSARA coupe (N0) (1998-01 » 2005-04), XSARA Furgon/hatchback (N3_) (1998-05 » 2005-03), ZX (N2) (1991-03 » 1999-07)
tecdoc &API SEO | Wdrożenie: TOMJOHN  Projekt: NIKO ©2019 dataWeb ver. 1.0.85 |
Dodano do koszyka