8DD 355 107-291TARCZA HAM. PRZ. DA SU TO

MPN: 8DD 355 107-291
Indeks: 8DD 355 107-291
Producent: HELLA
Opis: tarcza hamulcowa


Zapytaj o produktZapytaj o produkt

Dostępność





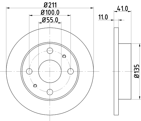
Parametry

Strona zabudowy Oś przednia
Typ tarczy hamulcowej pełny
średnica zewnętrzna [mm] 211
Grubość tarczy hamulcowej [mm] 11
Wysokość [mm] 41
Minimalna grubość [mm] 10
Ø rozmieszczenia otworów [mm] 100
Średnica otworu centrującego [mm] 55
Liczba otworów 4
Artykuł uzupełniający / informacja uzupełniająca 2 bez piasty koła
Artykuł uzupełniający / informacja uzupełniająca 2 bez sworznia mocującego koła
Ciężar [kg] 2,6
Montaż/demontaż koniecznie do wykonania przez fachowców!

Kody EAN

Kody użytkowe

Odpowiedniki

A.B.S.: 08913810, 08913811, 17075, 17075OE
ABE: C36017ABE
AKEBONO: BN0722, BN0722E
ALANKO: 10303804, 10305169
APEC: DSK2047
ASHIKA: 6006613
ASHUKI BY PALIDIUM: 09905206
ATE: 24011101591, 411159
AUGROS: 5972558P
BENDIX: 522029, 562531BC
BENDIX BRAKING: BDI1038
BLUE PRINT: ADD64320, ADD64320C
BORG & BECK: BBD4360
BOSCH: 0 986 479 119, 0 986 AB5 122, 0986AB5450, 0 986 AB9 625, 0 986 AB9 888
BRAKE ENGINEERING: DI955932
BRAXIS: AE0436
BRECO: BS7642
BREMBO: 08913810, 08913811, 08913814
BREMSI: CD7302S
CAR: 1421408
CIFAM: 800791
COMLINE: ADC0615, AND6863
DELPHI: BG3561
DON: PCD14362
DYNAMATRIX: DBD1302
E.T.F.: 197710
EBC BRAKES: D1052
EUROBRAKE: 5815205109
FEBI BILSTEIN: 28322
FERODO: DDF1302, DDF13021
FREMAX: BD7710
FTE: 9072226, BS5205
GIRLING: 6040703
HELLA: 355 107-291, 8DD 355 107-291
HELLA PAGID: 355 107-291, 8DD355107291
HERTH+BUSS JAKOPARTS: J3306025
HI-Q: SD4636
JAPANPARTS: DI613, DI613C
JP GROUP: 5263100500
JURATEK: DAI103
JURID: 562531JC, 562531JC1
KAVO PARTS: BR1716C
KAWE: 683000
LPR: T2899P
MAPCO: 25505C
METELLI: 230791
METZGER AUTOTEILE: 6830.00
MINTEX: MDC1471
MOTAQUIP: LVBD1012Z
NIPPARTS: J3306025
NISSHINBO: ND1098, ND1098K
NK: 205109, 315109
OBTEC A/S: 815331261
OPTIMAL: BS8112, BS8112C
PAGID: 50302
REMSA: 683000
RIDEX: 82B0453
ROADHOUSE: 683000
SBS: 1815205109
TEXTAR: 92103700, 92110100, 98200103701
TRUSTING: DF709
TRW: DF4070, DF4070S, DF7943
VAICO: V5540001
VALEO: 197108
WOKING: D683000

Samochody osobowe

DAIHATSU: CUORE V (L7_) (1998-10 » 2003-05), CUORE VI (L251, L250_, L260_) (2003-03 » ), CUORE VII (L275_, L285_, L276_) (2006-12 » ), MIRA COCOA (L675S, L685S) (2009-08 » 2018-03), MIRA GINO I (1998-08 » 2003-09), NAKED (1999-11 » 2005-02), OPTI I (L300, L310) (1992-05 » 1998-10), OPTI II sedan (1998-11 » 2003-02), TREVIS (2006-06 » ), ZEBRA Autobus (1998-09 » 2007-10), ZEBRA Furgon (1998-06 » 2005-10), ZEBRA Platforma / podwozie (1998-06 » 2005-10)
PERODUA: KELISA (2002-02 » ), KENARI (2000-10 » 2009-12), RUSA Autobus (1996-07 » 2008-12), RUSA Furgon (2003-07 » 2008-12), VIVA (2007-07 » 2014-06)
SUBARU: PLEO (L275, L285) (2010-04 » ), PLEO PLUS (2012-01 » ), PLEO VAN (2010-04 » )
TOYOTA: PIXIS EPOCH (LA3_) (2012-05 » 2017-06), PIXIS SPACE (L58_A, L57_A) (2011-10 » )
tecdoc &API SEO | Wdrożenie: TOMJOHN  Projekt: NIKO ©2019 dataWeb ver. 1.0.85 |
Dodano do koszyka