8DD 355 118-171TARCZA HAM. MALOW. TYŁ OP

MPN: 8DD 355 118-171
Indeks: 8DD 355 118-171
Producent: HELLA
Opis: tarcza hamulcowa


Zapytaj o produktZapytaj o produkt

Dostępność





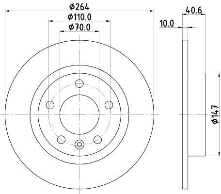
Parametry

Typ tarczy hamulcowej pełny
średnica zewnętrzna [mm] 264
Grubość tarczy hamulcowej [mm] 10
Wysokość [mm] 40,6
Minimalna grubość [mm] 8
Powierzchnia pokryty
Ø rozmieszczenia otworów [mm] 110
Średnica otworu centrującego [mm] 70
Wzór otworów/liczba otworów 05/06
Artykuł uzupełniający / informacja uzupełniająca 2 bez piasty koła
Artykuł uzupełniający / informacja uzupełniająca 2 bez sworznia mocującego koła
Ciężar [kg] 3,6
Montaż/demontaż koniecznie do wykonania przez fachowców!

Kody EAN

Kody użytkowe

Numery OEM

OPEL: 569418, 93190227
VAUXHALL: 569418, 93190227

Odpowiedniki

A.B.S.: 08946030, 08946031, 17967, 17967OE
AKEBONO: BN0374, BN0374E
AKRON-MALO: 1110284
APEC: DSK2620, SDK6563
ASHIKA: 61000400
ATE: 24-0110-0347-1, 410347
BENDIX: 562580BC
BENDIX BRAKING: BDI1737, BDS1847
BLUE PRINT: ADW194321
BORG & BECK: BBD4729
BOSCH: 0 986 479 715, 0 986 479 S88
BRAKE ENGINEERING: DI956696
BRECO: BS7723, BV7723
BREMBO: 08946030, 08946031, 08946034, 0894603X
BREMSI: CD7651S
CAR: 1421342, HPD1342
CIFAM: 800890C
COMLINE: ADC1148, AND6192
DBA AUSTRALIA: DBA3567E
DELPHI: BG3945, BG4675
DENCKERMANN: B130767
DON: PCD14402
DYNAMATRIX: DBD1651
E.T.F.: 192453
EBC BRAKES: BSD1659, D1499, D1659, GD1659, USR1659
EUROBRAKE: 5815203672, 5815313672
EUROREPAR: 1618886480
FEBI BILSTEIN: 44044
FERODO: DDF1651, DDF16511, DDF1651C, DDF1651X
FREMAX: BD0923
FTE: 9072561, 9082192, BS7218, BS7218B
GALFER: B1G21003471
GIRLING: 6063394
HELLA: 355 118-171, 8DD 355 118-171
HELLA PAGID: 355 116-021, 355118171, 54864PRO, 8DD355116021, 8DD355118171
JAPANPARTS: DP0400, DP0400C
JP GROUP: 1263201300
JURATEK: VAU160
JURID: 562580JC, 562580JC1
KAWE: 6146900
LPR: O1043P
METELLI: 230890C
METZGER AUTOTEILE: 14933
MEYLE: 6155230007
MINTEX: MDC2230
MOTAQUIP: LVBD1627
NAPA: PBD8039
NK: 203672, 313672
OPTIMAL: BS9772C
PAGID: 54864, 54864PRO
QUINTON HAZELL: BDC5763
REMSA: 6146900
RIDEX: 82B0889, 82B2834
ROADHOUSE: 6146900
SBS: 1815203672, 1815313672
TEXTAR: 92186400, 92186403, 98200186401
TRUSTING: DF1503
TRW: DF6339
VALEO: 197574
WOKING: D6146900
ZIMMERMANN: 430261120

Samochody osobowe

OPEL: ADAM (M13) (2012-10 » 2019-05), CORSA D (S07) (2006-07 » 2015-04), CORSA D Furgon/hatchback (S07) (2006-07 » 2014-08), CORSA E (X15) (2014-09 » )
VAUXHALL: ADAM (M13) (2012-10 » 2019-04), CORSAVAN Mk IV (E) Furgon/hatchback (X15) (2014-10 » )
tecdoc &API SEO | Wdrożenie: TOMJOHN  Projekt: NIKO ©2019 dataWeb ver. 1.0.85 |
Dodano do koszyka