8DD 355 120-581TARCZA HAM. MALOW. TYŁ PE

MPN: 8DD 355 120-581
Indeks: 8DD 355 120-581
Producent: HELLA
Opis: tarcza hamulcowa


Zapytaj o produktZapytaj o produkt

Dostępność





Parametry

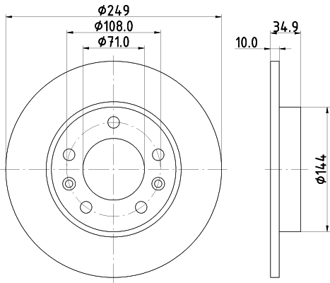
Typ tarczy hamulcowej pełny
średnica zewnętrzna [mm] 249
Grubość tarczy hamulcowej [mm] 10
Wysokość [mm] 34,9
Minimalna grubość [mm] 8
Powierzchnia pokryty
Średnica wewnętrzna [mm] 132,9
Ø rozmieszczenia otworów [mm] 108
Średnica otworu centrującego [mm] 71
Wzór otworów/liczba otworów 05/07
Średnica otworu szpilki koła [mm] 13,3
Artykuł uzupełniający / informacja uzupełniająca 2 bez piasty koła
Artykuł uzupełniający / informacja uzupełniająca 2 bez łożyska koła
Artykuł uzupełniający / informacja uzupełniająca 2 bez sworznia mocującego koła
Ciężar [kg] 3,2
Montaż/demontaż koniecznie do wykonania przez fachowców!

Kody EAN

Kody użytkowe

Numery OEM

Odpowiedniki

A.B.S.: 08C65911, 18443
ABE: C4P016ABE, C4P016ABEP
AKEBONO: BN0673, BN0673E
AKRON-MALO: 1110586
APEC: DSK3259, SDK6856
ASHIKA: 61000620
ASHUKI BY PALIDIUM: P331124
ATE: 24011003971
BENDIX BRAKING: BDS1313
BLUE PRINT: ADP154362
BORG & BECK: BBD5358
BOSCH: 0986479C23
BRAKE ENGINEERING: DI957069
BRECK: BR081SA100
BRECO: BS6092, BV6092
BREMBO: 08C65910, 08C65911
BREMSI: CD8406S
CIFAM: 8001509C
COMLINE: ADC2728, AND6833
DBA AUSTRALIA: DBA3039E
DELPHI: BG4670C
DON: PCD19782
EBC BRAKES: D1982
EUROBRAKE: 5815203748, 5815313748
EUROREPAR: 1642776280
FEBI BILSTEIN: 107710
FERODO: DDF2406C
FTE: 9072137, 9082308, BS7566, BS7566B
HELLA: 355 120-581, 8DD 355 120-581
HELLA PAGID: 355120581, 55691PRO, 8DD355120581
JAPANPARTS: DP0620, DP0620C
JP GROUP: 4163202600
JURATEK: PEU126
JURID: 562996JC, 562996JC1
KAWE: 6158500
LPR: P1021P, P1021PR
METELLI: 231509C
METZGER AUTOTEILE: 6110820
MEYLE: 11155230016, 11155230016PD
MINTEX: MDC2617
MOTAQUIP: LVBD1697
NAPA: PBD8696
NK: 203748, 313748
PAGID: 55691
REMSA: 6158500
RIDEX: 82B1388
ROADHOUSE: 6158500
SBS: 1815203748, 1815313748
SWAG: 62107710
TEXTAR: 92269103, 98200269101
TRISCAN: 812028141
TRUSTING: DF1680
TRW: DF6910
VAICO: V4240018
VALEO: 197648
WOKING: D6158500
ZIMMERMANN: 440313120

Samochody osobowe

PEUGEOT: 308 Furgon/hatchback (LB_) (2015-03 » ), 308 II (LB_, LP_, LW_, LH_, L3_) (2013-09 » 2021-06), 308 SW II (LC_, LJ_, LR_, LX_, L4_) (2014-03 » 2021-06), 308 SW II Furgon/kombi (LC_) (2014-04 » )
tecdoc &API SEO | Wdrożenie: TOMJOHN  Projekt: NIKO ©2019 dataWeb ver. 1.0.85 |
Dodano do koszyka