8DD 355 126-591TARCZA HAM. MALOW. +ABS RING TYŁ FO

MPN: 8DD 355 126-591
Indeks: 8DD 355 126-591
Producent: HELLA
Opis: tarcza hamulcowa


Zapytaj o produktZapytaj o produkt

Dostępność





Parametry

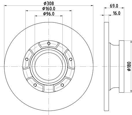
Typ tarczy hamulcowej pełny
średnica zewnętrzna [mm] 308
Grubość tarczy hamulcowej [mm] 16
Wysokość [mm] 69
Minimalna grubość [mm] 13
Powierzchnia pokryty
Średnica wewnętrzna [mm] 176
Ø rozmieszczenia otworów [mm] 160
Średnica otworu centrującego [mm] 96
Wzór otworów/liczba otworów 05/05
Średnica otworu szpilki koła [mm] 10
Artykuł uzupełniający / informacja uzupełniająca 2 bez piasty koła
Artykuł uzupełniający / informacja uzupełniająca 2 bez łożyska koła
Artykuł uzupełniający / informacja uzupełniająca 2 bez sworznia mocującego koła
Artykuł uzupełniający / informacja uzupełniająca 2 z pierścieniem nadajnika impulsów ABS
Ciężar [kg] 9,2
Montaż/demontaż koniecznie do wykonania przez fachowców!

Kody EAN

Kody użytkowe

Numery OEM

Odpowiedniki

A.B.S.: 08E02620
ABE: C4G020ABEP
APEC: SDK6737
BENDIX BRAKING: BDS1561
BRAKE ENGINEERING: DI957169
BRECO: BS6225
BREMBO: 08E02620
BREMSI: CD8471S
COMLINE: ADC3038, AND8573
DBA AUSTRALIA: DBA3565E
DELPHI: BG9198C
EUROBRAKE: 58153125121
GIRLING: 6069635
HELLA: 355 126-591, 8DD 355 126-591
HELLA PAGID: 355126591, 8DD355126591
JAPANPARTS: DP0324C
JURATEK: FOR204
MAGNETI MARELLI: 360406174400, 3.60406E+11
MINTEX: MDC2810C
NK: 3125121
PAGID: 55926
SWAG: 33100909
TEXTAR: 92292603, 98200292601
TRW: DF6963S
VAICO: V2540217
VALEO: 672873
ZIMMERMANN: 250570120

Samochody osobowe

FORD: TOURNEO CUSTOM V362 Autobus (F3) (2012-09 » ), TRANSIT CUSTOM V362 Autobus (F3) (2012-04 » ), TRANSIT CUSTOM V362 Furgon (FY, FZ) (2012-09 » ), TRANSIT V363 Autobus (FAD, FBD) (2013-08 » ), TRANSIT V363 Furgon (FCD, FDD) (2013-08 » ), TRANSIT V363 Platforma / podwozie (FED, FFD) (2013-08 » )
FORD (JMC): TOURNEO (2016-05 » )
FORD AUSTRALIA: TRANSIT Furgon (VO) (2014-09 » )
tecdoc &API SEO | Wdrożenie: TOMJOHN  Projekt: NIKO ©2019 dataWeb ver. 1.0.85 |
Dodano do koszyka