8DD 355 132-261TARCZA HAM. MALOW. HC PRZ. AU

MPN: 8DD 355 132-261
Indeks: 8DD 355 132-261
Producent: HELLA
Opis: tarcza hamulcowa


Zapytaj o produktZapytaj o produkt

Dostępność





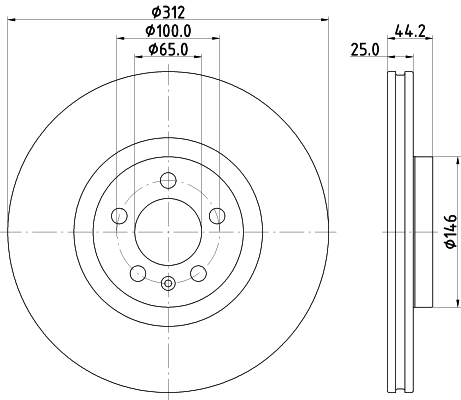
Parametry

Typ tarczy hamulcowej z wentylacją wewnętrzną
średnica zewnętrzna [mm] 312
Grubość tarczy hamulcowej [mm] 25
Wysokość [mm] 44,2
Minimalna grubość [mm] 22,4
Przetwarzanie wysoko nawęglany
Powierzchnia pokryty
Średnica wewnętrzna [mm] 135
Ø rozmieszczenia otworów [mm] 100
Średnica otworu centrującego [mm] 65
Wzór otworów/liczba otworów 05/06
Średnica otworu szpilki koła [mm] 15,2
Artykuł uzupełniający / informacja uzupełniająca 2 bez piasty koła
Artykuł uzupełniający / informacja uzupełniająca 2 bez łożyska koła
Artykuł uzupełniający / informacja uzupełniająca 2 bez sworznia mocującego koła
Ciężar [kg] 8,3
Montaż/demontaż koniecznie do wykonania przez fachowców!

Kody EAN

Kody użytkowe

Numery OEM

Odpowiedniki

A.B.S.: 09D97411, 18793
APEC: DSK3547
ATE: 24012502221
BENDIX BRAKING: BDS1600HC
BLUE PRINT: ADBP430070
BORG & BECK: BBD5587
BOSCH: 0986479H30
BRECO: BV9453
BREMBO: 09D97411
CAR: 1422169
COMLINE: ADC5229V, AND7175, AND7514
DBA AUSTRALIA: DBA3216E
DELPHI: BG5044C
DON: PCD19292
EBC BRAKES: D2188
EUROBRAKE: 58153147197
FEBI BILSTEIN: 174449
HELLA: 355 132-261, 8DD 355 132-261
HELLA PAGID: 355132261, 56064PROHC, 8DD355132261
JAPANPARTS: DI0962C
JAPKO: 600962C
KAWE: 6255210
MEYLE: 1155210072PD
MINTEX: MDC2889C
NATIONAL: NBD2215
PAGID: 56064HC
REMSA: 6255210
ROADHOUSE: 6255210
SWAG: 33105069
TEXTAR: 92306405, 98200306401
WOKING: D6255210
ZIMMERMANN: 100339420

Samochody osobowe

AUDI: A1 Allstreet (GBH) (2022-07 » ), A1 City Carver (GBH) (2019-07 » 2022-06), A1 Sportback (GBA) (2018-07 » )
tecdoc &API SEO | Wdrożenie: TOMJOHN  Projekt: NIKO ©2019 dataWeb ver. 1.0.85 |
Dodano do koszyka