8DD 355 134-251TARCZA HAM. MALOW. PRZÓD CHEVROLET: DAEWOO: PONTIAC

MPN: 8DD 355 134-251
Indeks: 8DD 355 134-251
Producent: HELLA
Opis: tarcza hamulcowa


Zapytaj o produktZapytaj o produkt

Dostępność





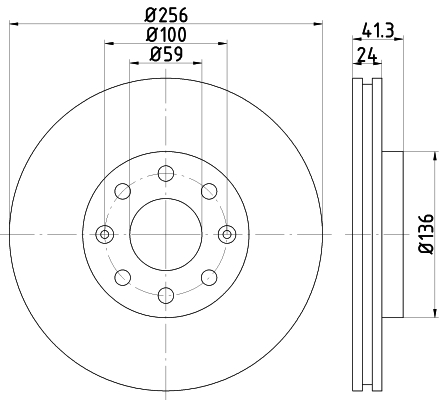
Parametry

Typ tarczy hamulcowej wentylowany zewnętrznie
średnica zewnętrzna [mm] 256
Grubość tarczy hamulcowej [mm] 24
Wysokość [mm] 41
Minimalna grubość [mm] 22
Powierzchnia pokryty
Średnica wewnętrzna [mm] 123
Ø rozmieszczenia otworów [mm] 100
Średnica otworu centrującego [mm] 59
Wzór otworów/liczba otworów 06/08
Średnica otworu szpilki koła [mm] 12,7
Artykuł uzupełniający / informacja uzupełniająca 2 bez piasty koła
Artykuł uzupełniający / informacja uzupełniająca 2 bez łożyska koła
Artykuł uzupełniający / informacja uzupełniająca 2 bez sworznia mocującego koła
Ciężar [kg] 5,5
Montaż/demontaż koniecznie do wykonania przez fachowców!

Kody EAN

Kody użytkowe

Numery OEM

CHEVROLET: 96471275, 96534660

Odpowiedniki

A.B.S.: 18878
APEC: DSK2998
BENDIX BRAKING: BDS1629
BLUE PRINT: ADBP430011
BREMBO: 09C18210, 09C18211
BREMSI: CD9054V
CIFAM: 8001703C
COMLINE: ADC5318V
DELPHI: BG5066C
DON: PCD22022
E.T.F.: 195551
FEBI BILSTEIN: 171424
FREMAX: BD4908
HELLA: 355 134-251, 8DD 355 134-251
HELLA PAGID: 355129891, 8DD355129891
HERTH+BUSS JAKOPARTS: J3300903
HI-Q: SD3056
JAPANPARTS: DIW27C
JAPKO: 60W27C
JURID: 563698JC
KAVO PARTS: BR1223C
KAWE: 6209010
LPR: D4003V
METELLI: 231703C
MINTEX: MDC3007C
PAGID: 55633
REMSA: 6209010
ROADHOUSE: 6209010
SWAG: 33105607
TEXTAR: 92263303, 98200263301, TXD0038
TRUSTING: DF1552
WOKING: D6209010

Samochody osobowe

CHEVROLET: AVEO / KALOS liftback (T200) (2003-02 » 2008-12), AVEO / KALOS liftback (T250, T255) (2006-06 » ), AVEO / KALOS sedan (T200) (2003-01 » 2008-12), AVEO / KALOS sedan (T250, T255) (2005-03 » ), AVEO liftback (T300) (2011-03 » ), AVEO sedan (T300) (2011-03 » )
CHEVROLET (SGM): SAIL liftback (CS3, SH1) (2010-06 » )
DAEWOO: GENTRA X liftback (2005-05 » )
PONTIAC: G3 (2005-03 » 2010-12), G3 liftback (2008-06 » 2009-12)
tecdoc &API SEO | Wdrożenie: TOMJOHN  Projekt: NIKO ©2019 dataWeb ver. 1.0.85 |
Dodano do koszyka