MFL 36PRZEKAZNIK KIERUNKOWSKAZOW

MPN: MFL 36
Indeks: MFL36
Producent: MAHLE
Opis: przekaźnik kierunkowskazów


Zapytaj o produktZapytaj o produkt

Dostępność





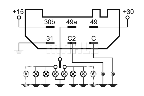
Parametry

Sposób montażu przykręcany
Funkcja przekaźnika Kierunkowskaz
Tryb pracy elektroniczny
Napięcie znamionowe [V] 24
Moc elektryczna przyłączeniowa [W] (2+1)X21W+5W
Liczba zestyków 6
Artykuł uzupełniający / informacja uzupełniająca z łącznikiem
Wysokość opakowania [cm] 3,60
Szerokość opakowania [cm] 7,20
Ciężar netto [g] 71
Długość opakowania [cm] 9,6

Kody EAN

Kody użytkowe

Numery OEM

Odpowiedniki

Samochody osobowe

ALPINA: B3 coupe (E92) (2007-09 » 2014-02)
AUDI: 100 C3 Avant (445, 446) (1982-08 » 1990-11)
CHEVROLET: CRUZE (J300) (2009-05 » )
CITROEN: XSARA (N1) (1997-04 » 2005-12)
FIAT: 131 Familiare/Panorama (131_) (1975-03 » 1984-12), ARGENTA (132_) (1977-05 » 1987-03), SCUDO Furgon (220_) (1996-02 » 2006-12), TEMPRA (159_) (1990-03 » 1998-12), TEMPRA S.W. (159_) (1990-03 » 1997-10)
FORD: TRANSIT Platforma / podwozie (E_ _) (1991-04 » 1994-08), TRANSIT Platforma / podwozie (E_ _) (1994-08 » 2000-07)
HONDA: ACCORD IV (CB) (1989-11 » 1993-12), ACCORD IV Aerodeck (CB) (1989-09 » 1994-02), ACCORD V Aerodeck (CE) (1993-04 » 1998-02), CIVIC III Shuttle (AN, AR) (1983-08 » 1987-12), CIVIC IV Shuttle (EE, EF) (1988-01 » 1995-02), CIVIC V Hatchback (EG, EH) (1991-10 » 1995-11), CIVIC V sedan (EG, EH) (1991-10 » 1996-12), CIVIC VI Fastback (MA, MB) (1994-09 » 2001-02), PRELUDE IV (BB_) (1991-12 » 1997-02)
MAZDA: 323 II Hatchback (BD) (1980-06 » 1989-10), 323 II sedan (BD) (1980-10 » 1989-10), 323 III Hatchback (BF) (1985-08 » 2004-07), 323 III sedan (BF) (1985-08 » 2004-07)
MERCEDES-BENZ: MB Furgon (W631) (1988-02 » 1996-09), SPRINTER 3-t Autobus (B903) (1995-01 » 2012-05)
MITSUBISHI: CORDIA (A21_A, AB, AC) (1982-10 » 1989-07), L 300 / DELICA II Autobus (L03_P/G, L0_2P) (1980-05 » 1987-02), L 300 III Autobus (P0_W, P1_W, P2_W, P3_W) (1986-08 » ), LANCER VIII (CY_A, CZ_A) (2007-03 » ), LANCER VIII Sportback (CX_A) (2007-10 » ), PAJERO I (L04_G, L14_G) (1982-04 » 1991-12), PAJERO I Canvas Top (L04_G) (1982-12 » 1990-11), PAJERO II (V3_W, V2_W, V4_W, V5_W) (1990-12 » 2001-05), PAJERO II Canvas Top (V2_C, V4_C) (1990-12 » 2000-04), PAJERO SPORT VAN I (K90) (1999-12 » 2008-01), SPACE STAR nadwozie wielkoprzestrzenne (MPV) (DG_A) (1998-06 » 2004-12), SPACE WAGON (D0_V/W) (1984-01 » 1992-01), STARION (A18_A) (1982-05 » 1990-06)
NISSAN: 100NX (B13) (1990-03 » 1996-01), 300ZX (Z31) (1984-01 » 1990-10), 300ZX (Z32) (1989-09 » 2000-12), LAUREL (JC31) (1980-11 » 1985-12), LAUREL (JC32) (1984-11 » 1990-06), PATROL III/1 Hardtop (K160) (1979-11 » 1989-02), PATROL III/1 Station Wagon (W160) (1979-11 » 1989-02), PRIMERA (P10) (1990-06 » 1996-06), PRIMERA Hatchback (P10) (1990-06 » 1996-06), PRIMERA Traveller (W10) (1990-07 » 1998-03), SILVIA (S12) (1983-06 » 1988-12), TERRANO I (WD21) (1986-07 » 1996-02), TERRANO II (R20) (1992-10 » 2007-09), URVAN Autobus (E24) (1986-06 » 1997-05)
OPEL: ASTRA G Furgon/kombi (F70) (1998-09 » 2005-04)
RENAULT: TRAFIC II Autobus (JL) (2001-03 » )
SUZUKI: SWIFT II liftback (EA, MA) (1989-03 » 2005-12)
TOYOTA: CAMRY (_V1_) (1990-07 » 2001-10), CAMRY Kombi (_V1_) (1991-06 » 1997-08), CAMRY Kombi (_V2_) (1986-11 » 1993-02), CARINA V (_T17_) (1987-12 » 1992-06), CARINA V Kombi (_T17_) (1987-12 » 1992-04), CARINA V sedan (_T17_) (1987-12 » 1992-06), CELICA (_A4_) (1977-08 » 1981-07), CELICA coupe (_A4_) (1977-08 » 1981-07), COROLLA (_E8_) (1983-06 » 1989-06), COROLLA Compact (_E9_) (1987-05 » 1995-10), COROLLA Liftback (_E11_) (1997-04 » 2002-01), COROLLA Liftback (_E8_) (1982-05 » 1989-05), COROLLA Liftback (_E9_) (1987-05 » 1997-04), CRESSIDA sedan (_X3_) (1976-12 » 1982-07), CROWN (_S1_) (1979-09 » 1987-07)
VAUXHALL: CAVALIER Mk III liftback (J89) (1988-09 » 1995-11)
VOLVO: S70 (874) (1996-11 » 2000-11)
VW: TRANSPORTER T4 Furgon (70A, 70H, 7DA, 7DH, 70J) (1990-07 » 2003-04), TRANSPORTER T4 Platforma / podwozie (70E, 70L, 70M, 7DE, 7DL (1990-07 » 2003-04)
tecdoc &API SEO | Wdrożenie: TOMJOHN  Projekt: NIKO ©2019 dataWeb ver. 1.0.85 |
Dodano do koszyka