0
02200| Kod towaru | 17362 ABS |
| Producent | A.B.S. |
| Opis | tarcza hamulcowa |
| średnica zewnętrzna [mm] | 240 |
| Grubość tarczy hamulcowej [mm] | 19,8 |
| Minimalna grubość [mm] | 17 |
| Wysokość [mm] | 41,2 |
| Felga, liczba otworów | 4 |
| Typ tarczy hamulcowej | wentylowany |
| Średnica otworu centrującego [mm] | 60 |
| Ø rozmieszczenia otworów [mm] | 100 |
| Powierzchnia | pokryty |
| średnica piasty [mm] | 136 |
0
0
00000| Kod towaru | 800-569C CIF |
| Producent | CIFAM |
| Opis | tarcza hamulcowa(240x20mm) OPEL CORSA C (F08, F68) 09/00- (+ABS) |
| Oznaczenie kontrolne | ECE-R90 |
| Wysokość [mm] | 41,1 |
| Typ tarczy hamulcowej | wentylowany |
| Grubość tarczy hamulcowej [mm] | 20,0 |
| średnica zewnętrzna [mm] | 240,0 |
| Liczba otworów | 7 |
| Średnica otworu centrującego [mm] | 60,0 |
| Powierzchnia | lakierowany |
000
0000
00000| Kod towaru | BG3568 |
| Producent | DELPHI |
| Opis | tarcza hamulcowaFRONTERA 91-95 |
| Typ tarczy hamulcowej | wentylowany |
| Liczba otworów | 4 |
| Oznaczenie kontrolne | E1 90R-02C0957/2559 |
| Powierzchnia | naoliwione |
| średnica zewnętrzna [mm] | 240 |
| Grubość tarczy hamulcowej [mm] | 20 |
| Minimalna grubość [mm] | 18 |
| Średnica otworu centrującego [mm] | 60 |
| Wysokość [mm] | 41,2 |
00
000
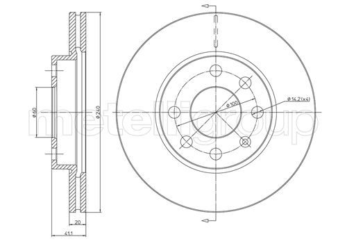
00000| Kod towaru | 23-0569C MET |
| Producent | METELLI |
| Opis | tarcza hamulcowa |
| Oznaczenie kontrolne | ECE-R90 |
| Wysokość [mm] | 41,1 |
| Typ tarczy hamulcowej | wentylowany |
| Grubość tarczy hamulcowej [mm] | 20,0 |
| średnica zewnętrzna [mm] | 240,0 |
| Liczba otworów | 7 |
| Średnica otworu centrującego [mm] | 60,0 |
| Powierzchnia | lakierowany |
