000
00000| Oś przednia | |
| Kod towaru | 1155211002 MEY |
| Producent | MEYLE |
| Opis | tarcza hamulcowaTARCZA HAM. VW P. GOLF GTI 1,8 83-91/1,6 77-82 |
| Strona zabudowy | Oś przednia |
| średnica zewnętrzna [mm] | 239 |
| Wysokość [mm] | 39 |
| Grubość tarczy hamulcowej [mm] | 20 |
| Minimalna grubość [mm] | 18 |
| Średnica otworu centrującego [mm] | 65 |
| Ø rozmieszczenia otworów [mm] | 100 |
| Średnica otworu szpilki koła [mm] | 13,6 |
| Liczba otworów | 4 |
| Typ tarczy hamulcowej | wentylowany |
| wymagana liczba | 2 |
00
00000
04000| Kod towaru | DF1517 |
| Producent | TRW |
| Opis | tarcza hamulcowa |
| Typ tarczy hamulcowej | wentylowany |
| średnica zewnętrzna [mm] | 239 |
| Grubość tarczy hamulcowej [mm] | 20 |
| Minimalna grubość [mm] | 18 |
| Średnica otworu centrującego [mm] | 65 |
| Wysokość [mm] | 38,7 |
| Liczba otworów | 4 |
| Wymiar gwintu | 13,6 |
| Ø rozmieszczenia otworów [mm] | 100 |
| Kolor | czarny |
| Powierzchnia | lakierowany |
| Oznaczenie kontrolne | E190R-02 C0176/0617 |
0
00000| Kod towaru | 15704 ABS |
| Producent | A.B.S. |
| Opis | tarcza hamulcowa |
| średnica zewnętrzna [mm] | 239 |
| Grubość tarczy hamulcowej [mm] | 19,9 |
| Minimalna grubość [mm] | 18 |
| Wysokość [mm] | 38,5 |
| Felga, liczba otworów | 4 |
| Typ tarczy hamulcowej | wentylowany |
| Średnica otworu centrującego [mm] | 65 |
| Ø rozmieszczenia otworów [mm] | 100 |
| średnica piasty [mm] | 134 |

00000| Kod towaru | AD672178 AD |
| Producent | AD BREND |
| Opis |
0
00
00000| Oś przednia, Oś przednia, z lewej, Oś przednia, z prawej | |
| Kod towaru | GH-409953 |
| Producent | GH |
| Opis | tarcza hamulcowaVW GOLF II GTI, GOLF III GTI, IBIZA II [239*38.5*20-4V] |
| Strona zabudowy | Oś przednia |
| Strona zabudowy | Oś przednia, z prawej |
| Strona zabudowy | Oś przednia, z lewej |
| Grubość tarczy hamulcowej [mm] | 20 |
| Liczba otworów | 4 |
| Ø rozmieszczenia otworów [mm] | 100 |
| Średnica otworu centrującego [mm] | 65 |
| średnica zewnętrzna [mm] | 239 |
| Typ tarczy hamulcowej | wentylowany |
| Wymiar gwintu | 13,6 |
| Wysokość [mm] | 38,7 |

0
000
00000| Kod towaru | 98200-0121 PRO TXT |
| Producent | TEXTAR |
| Opis | Tarcza hamulcowa P VW Passat 73-88 Golf I,II,III 76-93 Vento 91-98 Jetta 79-91 AUDI 80 72-78 SEAT Cordoba, Ibiza 96-02 |
0
00000| Oś przednia, z lewej, Oś przednia, z prawej | |
| Kod towaru | 53612 AIC |
| Producent | AIC |
| Opis | tarcza hamulcowa |
| Strona zabudowy | Oś przednia, z lewej |
| Strona zabudowy | Oś przednia, z prawej |
| Liczba otworów | 4 |
| Ø rozmieszczenia otworów [mm] | 100 |
| Typ tarczy hamulcowej | z wentylacją wewnętrzną |
| średnica zewnętrzna [mm] | 239 |
| Grubość tarczy hamulcowej [mm] | 20 |
| Zamiana tylko w parach | |
| Rodzaj rejestracji | Z aprobatą ECE |
00
000
00000| Oś przednia | |
| Kod towaru | 60-00-0939C ASH |
| Producent | ASHIKA |
| Opis | tarcza hamulcowa |
| średnica zewnętrzna [mm] | 239 |
| Wysokość [mm] | 38,7 |
| Typ tarczy hamulcowej | wentylowany |
| Grubość tarczy hamulcowej [mm] | 20 |
| Minimalna grubość [mm] | 18 |
| Liczba otworów | 4 |
| Powierzchnia | lakierowany |
| Strona zabudowy | Oś przednia |
| Moment dokręcenia [Nm] | 120 |
| dla numeru OE | 321615301C |
00
0000
00000| Oś przednia | |
| Kod towaru | ADV184350 BLP |
| Producent | BLUE PRINT |
| Opis | tarcza hamulcowa |
| Grubość tarczy hamulcowej [mm] | 20 |
| Felga, liczba otworów | 4 |
| Liczba otworów do mocowania | 1 |
| Grubość [mm] | 39 |
| średnica zewnętrzna [mm] | 239 |
| Ø rozmieszczenia otworów [mm] | 100 |
| Powierzchnia | pokryty |
| Typ tarczy hamulcowej | z wentylacją wewnętrzną |
| Strona zabudowy | Oś przednia |
| Minimalna grubość [mm] | 18 |
| Średnica otworu centrującego [mm] | 65 |
| Ciężar [kg] | 3,63 |
| uwzględnić informację serwisową | |
00
0000
00000| Oś przednia | |
| Kod towaru | ADV184352 BLP |
| Producent | BLUE PRINT |
| Opis | tarcza hamulcowa |
| Grubość tarczy hamulcowej [mm] | 12 |
| Felga, liczba otworów | 4 |
| Liczba otworów do mocowania | 1 |
| Grubość [mm] | 35 |
| średnica zewnętrzna [mm] | 239 |
| Ø rozmieszczenia otworów [mm] | 100 |
| Powierzchnia | pokryty |
| Typ tarczy hamulcowej | pełny |
| Strona zabudowy | Oś przednia |
| Minimalna grubość [mm] | 10 |
| Średnica otworu centrującego [mm] | 65 |
| Ciężar [kg] | 3,36 |
| uwzględnić informację serwisową | |
000
000
00000| Kod towaru | 09.4765.14 |
| Producent | BREMBO |
| Opis | tarcza hamulcowa |
| Typ tarczy hamulcowej | z wentylacją wewnętrzną |
| Grubość tarczy hamulcowej [mm] | 20 |
| Liczba otworów | 4 |
| Informacja uzupełniająca | ze śrubami |
| Wysokość [mm] | 39 |
| Średnica otworu centrującego [mm] | 65 |
| średnica zewnętrzna [mm] | 239 |
| Minimalna grubość [mm] | 18 |
| Moment dokręcenia [Nm] | 120 |
000
000
00000| Kod towaru | 09.4765.75 |
| Producent | BREMBO |
| Opis | tarcza hamulcowa |
| Typ tarczy hamulcowej | z wentylacją wewnętrzną |
| Typ tarczy hamulcowej | szczelinowy |
| Grubość tarczy hamulcowej [mm] | 20 |
| Liczba otworów | 4 |
| Informacja uzupełniająca | ze śrubami |
| Wysokość [mm] | 39 |
| Średnica otworu centrującego [mm] | 65 |
| średnica zewnętrzna [mm] | 239 |
| Powierzchnia | pokryty |
| Minimalna grubość [mm] | 18 |
| Moment dokręcenia [Nm] | 120 |
0
0
00000| Kod towaru | 800-170 CIF |
| Producent | CIFAM |
| Opis | tarcza hamulcowa |
| Oznaczenie kontrolne | ECE-R90 |
| Wysokość [mm] | 39,0 |
| Typ tarczy hamulcowej | wentylowany |
| Grubość tarczy hamulcowej [mm] | 20,0 |
| średnica zewnętrzna [mm] | 239,0 |
| Liczba otworów | 4 |
| Średnica otworu centrującego [mm] | 65,0 |
000
0000
00000| Kod towaru | BG2109 |
| Producent | DELPHI |
| Opis | tarcza hamulcowaGOLF IV 35490 1,8T |
| Typ tarczy hamulcowej | wentylowany |
| Liczba otworów | 4 |
| Oznaczenie kontrolne | E1 90R-02C0957/2559 |
| Powierzchnia | naoliwione |
| średnica zewnętrzna [mm] | 239 |
| Grubość tarczy hamulcowej [mm] | 20 |
| Minimalna grubość [mm] | 18 |
| Średnica otworu centrującego [mm] | 65 |
| Wysokość [mm] | 39 |
00
00000| Kod towaru | B130021 |
| Producent | DENCKERMANN |
| Opis | tarcza hamulcowa |
| Minimalna grubość [mm] | 18,0 |
| Typ tarczy hamulcowej | wentylowany |
| Średnica otworu [mm] | 13,6 |
| Grubość tarczy hamulcowej [mm] | 20 |
| Ø rozmieszczenia otworów [mm] | 100 |
| Liczba otworów | 4 |
| Średnica wewnętrzna [mm] | 123,8 |
| Wysokość [mm] | 39 |
| Średnica otworu centrującego [mm] | 65 |
| średnica zewnętrzna [mm] | 239 |
00
00000
00000| Oś przednia | |
| Kod towaru | 02121 FEB |
| Producent | FEBI BILSTEIN |
| Opis | tarcza hamulcowa |
| Grubość tarczy hamulcowej [mm] | 12 |
| Felga, liczba otworów | 4 |
| Liczba otworów do mocowania | 1 |
| Grubość [mm] | 35,1 |
| średnica zewnętrzna [mm] | 239 |
| Ø rozmieszczenia otworów [mm] | 100 |
| Powierzchnia | pokryty |
| Typ tarczy hamulcowej | pełny |
| Strona zabudowy | Oś przednia |
| Minimalna grubość [mm] | 10 |
| Średnica otworu centrującego [mm] | 65 |
| Ciężar [kg] | 3,39 |
| uwzględnić informację serwisową | |
00
00000
00000| Oś przednia | |
| Kod towaru | 08557 FEB |
| Producent | FEBI BILSTEIN |
| Opis | tarcza hamulcowa |
| Grubość tarczy hamulcowej [mm] | 20 |
| Felga, liczba otworów | 4 |
| Liczba otworów do mocowania | 1 |
| Grubość [mm] | 38,6 |
| średnica zewnętrzna [mm] | 239 |
| Ø rozmieszczenia otworów [mm] | 100 |
| Powierzchnia | pokryty |
| Typ tarczy hamulcowej | z wentylacją wewnętrzną |
| Strona zabudowy | Oś przednia |
| Minimalna grubość [mm] | 18 |
| Średnica otworu centrującego [mm] | 65 |
| Ciężar [kg] | 3,4 |
| uwzględnić informację serwisową | |
00
00000
00000| Oś przednia | |
| Kod towaru | 23574 FEB |
| Producent | FEBI BILSTEIN |
| Opis | tarcza hamulcowa |
| Grubość tarczy hamulcowej [mm] | 20 |
| Felga, liczba otworów | 4 |
| Grubość [mm] | 39 |
| średnica zewnętrzna [mm] | 239 |
| Ø rozmieszczenia otworów [mm] | 100 |
| Powierzchnia | pokryty |
| Typ tarczy hamulcowej | wentylowany |
| Strona zabudowy | Oś przednia |
| Minimalna grubość [mm] | 19 |
| Ciężar [kg] | 3,820 |
| uwzględnić informację serwisową | |
00000| Kod towaru | DDF175 FER |
| Producent | FERODO |
| Opis | tarcza hamulcowa |
| Typ tarczy hamulcowej | wentylowany |
| średnica zewnętrzna [mm] | 239 |
| Grubość tarczy hamulcowej [mm] | 20 |
| Informacja uzupełniająca | ze śrubami |
| Wysokość [mm] | 38,7 |
| Ø rozmieszczenia otworów [mm] | 100 |
| Średnica otworu centrującego [mm] | 65 |
| Liczba otworów | 4 |
| Jednostka ilości | Zestaw |
| Powierzchnia | naoliwione |
| Oznaczenie kontrolne | R90 homologated |
| Ciężar [kg] | 7,68 |
| Średnica otworu [mm] | 65 |
| Minimalna grubość [mm] | 18 |
| Moment dokręcenia [Nm] | 120 |
| Rodzaj połączenia | Pudełko |
| Długość opakowania [cm] | 24 |
| Szerokość opakowania [cm] | 24 |
| Wysokość opakowania [cm] | 9 |
00000| Kod towaru | DDF175C FER |
| Producent | FERODO |
| Opis | tarcza hamulcowa |
| Typ tarczy hamulcowej | wentylowany |
| średnica zewnętrzna [mm] | 239 |
| Grubość tarczy hamulcowej [mm] | 20 |
| Informacja uzupełniająca | ze śrubami |
| Wysokość [mm] | 38,7 |
| Średnica otworu centrującego [mm] | 65 |
| Liczba otworów | 4 |
| Jednostka ilości | Sztuka |
| Powierzchnia | pokryty |
| Ciężar [kg] | 3,84 |
| Minimalna grubość [mm] | 18 |
| Moment dokręcenia [Nm] | 120 |
| Długość opakowania [cm] | 24,5 |
| Szerokość opakowania [cm] | 24,5 |
| Wysokość opakowania [cm] | 10 |
00
000
00000| Kod towaru | 8DD 355 100-191 |
| Producent | HELLA |
| Opis | tarcza hamulcowa |
| Typ tarczy hamulcowej | z wentylacją wewnętrzną |
| średnica zewnętrzna [mm] | 239 |
| Grubość tarczy hamulcowej [mm] | 20 |
| Wysokość [mm] | 38,7 |
| Minimalna grubość [mm] | 18 |
| Powierzchnia | pokryty |
| Średnica wewnętrzna [mm] | 124,4 |
| Ø rozmieszczenia otworów [mm] | 100 |
| Średnica otworu centrującego [mm] | 65 |
| Wzór otworów/liczba otworów | 04/05 |
| Średnica otworu szpilki koła [mm] | 13,5 |
| Informacja uzupełniająca | bez piasty koła |
| Informacja uzupełniająca | bez łożyska koła |
| Informacja uzupełniająca | bez sworznia mocującego koła |
| Ciężar [kg] | 3,8 |
| Montaż/demontaż koniecznie do wykonania przez fachowców! |
00
000
00000| Oś przednia | |
| Kod towaru | 103350 |
| Producent | KAMOKA |
| Opis | tarcza hamulcowa |
| Strona zabudowy | Oś przednia |
| Typ tarczy hamulcowej | z wentylacją wewnętrzną |
| Grubość tarczy hamulcowej [mm] | 20 |
| Liczba otworów | 4 |
| Informacja uzupełniająca | ze śrubami |
| średnica piasty koła [mm] | 65 |
| średnica zewnętrzna [mm] | 239 |
00
000
00000| Kod towaru | 23-0170 MET |
| Producent | METELLI |
| Opis | tarcza hamulcowa |
| Oznaczenie kontrolne | ECE-R90 |
| Wysokość [mm] | 39,0 |
| Typ tarczy hamulcowej | wentylowany |
| Grubość tarczy hamulcowej [mm] | 20,0 |
| średnica zewnętrzna [mm] | 239,0 |
| Liczba otworów | 4 |
| Średnica otworu centrującego [mm] | 65,0 |
0000
00000| Oś przednia | |
| Kod towaru | BS-0840C OPT |
| Producent | OPTIMAL |
| Opis | tarcza hamulcowa |
| Strona zabudowy | Oś przednia |
| Typ tarczy hamulcowej | z wentylacją wewnętrzną |
| Grubość tarczy hamulcowej [mm] | 20 |
| średnica zewnętrzna [mm] | 239 |
| Wysokość [mm] | 38,6 |
| Średnica otworu centrującego [mm] | 65 |
| Powierzchnia | pokryty |
| Informacja uzupełniająca | ze śrubami |
| Minimalna grubość [mm] | 18 |
| Wzór otworów/liczba otworów | 4/5 |
0
00000| Kod towaru | BDC3309 QH |
| Producent | QUINTON HAZELL |
| Opis | tarcza hamulcowa- |
| Typ tarczy hamulcowej | wentylowany |
| średnica zewnętrzna [mm] | 239 |
| Grubość tarczy hamulcowej [mm] | 20 |
| Minimalna grubość [mm] | 18 |
| Wysokość [mm] | 38,7 |
| Średnica otworu centrującego [mm] | 65 |
| Ø rozmieszczenia otworów [mm] | 100 |
| Liczba otworów | 4 |
00
00000
00000| Oś przednia | |
| Kod towaru | 9004219J SAS |
| Producent | SASIC |
| Opis | tarcza hamulcowa |
| Strona zabudowy | Oś przednia |
| Typ tarczy hamulcowej | wentylowany |
| średnica zewnętrzna [mm] | 239 |
| Grubość tarczy hamulcowej [mm] | 19,9 |
| Wysokość [mm] | 38,6 |
| Ø rozmieszczenia otworów [mm] | 65 |
| Liczba otworów | 4 |
| dla numeru OE | 321615301C |
00000| Kod towaru | VKBD 80489 V2 |
| Producent | SKF |
| Opis | tarcza hamulcowa |
| Typ tarczy hamulcowej | z wentylacją wewnętrzną |
| średnica zewnętrzna [mm] | 239 |
| Grubość tarczy hamulcowej [mm] | 20 |
| Wysokość [mm] | 38,6 |
| Ø rozmieszczenia otworów [mm] | 100 |
| Średnica otworu centrującego [mm] | 65 |
| Liczba otworów | 4 |
| Powierzchnia | pokryty |
| Minimalna grubość [mm] | 18 |
| Liczba otworów | 1 |
00
0000
00000| Oś przednia | |
| Kod towaru | 32 90 2121 |
| Producent | SWAG |
| Opis | tarcza hamulcowa |
| Grubość tarczy hamulcowej [mm] | 12 |
| Felga, liczba otworów | 4 |
| Liczba otworów do mocowania | 1 |
| Grubość [mm] | 35,1 |
| średnica zewnętrzna [mm] | 239 |
| Ø rozmieszczenia otworów [mm] | 100 |
| Powierzchnia | pokryty |
| Typ tarczy hamulcowej | pełny |
| Strona zabudowy | Oś przednia |
| Minimalna grubość [mm] | 10 |
| Średnica otworu centrującego [mm] | 65 |
| Ciężar [kg] | 3,39 |
00
0000
00000| Oś przednia | |
| Kod towaru | 32 90 8557 |
| Producent | SWAG |
| Opis | tarcza hamulcowa |
| Grubość tarczy hamulcowej [mm] | 20 |
| Felga, liczba otworów | 4 |
| Liczba otworów do mocowania | 1 |
| Grubość [mm] | 38,6 |
| średnica zewnętrzna [mm] | 239 |
| Ø rozmieszczenia otworów [mm] | 100 |
| Powierzchnia | pokryty |
| Typ tarczy hamulcowej | z wentylacją wewnętrzną |
| Strona zabudowy | Oś przednia |
| Minimalna grubość [mm] | 18 |
| Średnica otworu centrującego [mm] | 65 |
| Ciężar [kg] | 3,4 |
0
000
00000| Oś przednia | |
| Kod towaru | 10-80052 VAI |
| Producent | VAICO |
| Opis | tarcza hamulcowa |
| Strona zabudowy | Oś przednia |
| Felga, liczba otworów | 4 |
| Wysokość [mm] | 39 |
| Typ tarczy hamulcowej | wentylowany |
| Grubość tarczy hamulcowej [mm] | 20 |
| Minimalna grubość [mm] | 18 |
| średnica zewnętrzna [mm] | 239 |
| Średnica otworu centrującego [mm] | 65 |
| Ø rozmieszczenia otworów [mm] | 100 |
| Wysokość piasty tarczy hamulcowej [mm] | 19 |
0
0000
00000| Kod towaru | 92012100 TXT |
| Producent | TEXTAR |
| Opis | tarcza hamulcowa |
| Typ tarczy hamulcowej | z wentylacją wewnętrzną |
| średnica zewnętrzna [mm] | 239 |
| Grubość tarczy hamulcowej [mm] | 20 |
| Wysokość [mm] | 38,7 |
| Minimalna grubość [mm] | 18 |
| Średnica wewnętrzna [mm] | 124,4 |
| Ø rozmieszczenia otworów [mm] | 100 |
| Średnica otworu centrującego [mm] | 65 |
| Wzór otworów/liczba otworów | 04/05 |
| Średnica otworu szpilki koła [mm] | 13,5 |
| Informacja uzupełniająca | bez piasty koła |
| Informacja uzupełniająca | bez łożyska koła |
| Informacja uzupełniająca | bez sworznia mocującego koła |
| Długość opakowania [cm] | 24,8 |
| Szerokość opakowania [cm] | 24,8 |
| Wysokość opakowania [cm] | 10,5 |
| Ciężar [kg] | 3,8 |
0
0000
00000| Kod towaru | 92012103 TXT |
| Producent | TEXTAR |
| Opis | tarcza hamulcowa |
| Typ tarczy hamulcowej | z wentylacją wewnętrzną |
| średnica zewnętrzna [mm] | 239 |
| Grubość tarczy hamulcowej [mm] | 20 |
| Wysokość [mm] | 38,7 |
| Minimalna grubość [mm] | 18 |
| Powierzchnia | pokryty |
| Średnica wewnętrzna [mm] | 124,4 |
| Ø rozmieszczenia otworów [mm] | 100 |
| Średnica otworu centrującego [mm] | 65 |
| Wzór otworów/liczba otworów | 04/05 |
| Średnica otworu szpilki koła [mm] | 13,5 |
| Informacja uzupełniająca | bez piasty koła |
| Informacja uzupełniająca | bez łożyska koła |
| Informacja uzupełniająca | bez sworznia mocującego koła |
| Długość opakowania [cm] | 24,8 |
| Szerokość opakowania [cm] | 24,8 |
| Wysokość opakowania [cm] | 10,5 |
| Ciężar [kg] | 3,8 |
0
000
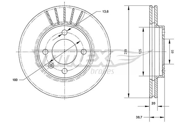
00000| Oś przednia | |
| Kod towaru | TX 70-46 |
| Producent | TOMEX BRAKES |
| Opis | tarcza hamulcowa321615301C |
| Strona zabudowy | Oś przednia |
| Typ tarczy hamulcowej | wentylowany |
| Grubość tarczy hamulcowej [mm] | 20 |
| średnica zewnętrzna [mm] | 239 |
| Wysokość [mm] | 38,7 |
| Liczba otworów | 4 |
| Średnica otworu centrującego [mm] | 65 |
| Ø rozmieszczenia otworów [mm] | 100 |
| Powierzchnia | lakierowany |
| Ciężar [kg] | 6,95 |
| Minimalna grubość [mm] | 18 |
00
00000| Oś przednia | |
| Kod towaru | 103407 HP |
| Producent | TOPRAN |
| Opis | tarcza hamulcowa |
| Strona zabudowy | Oś przednia |
| Typ tarczy hamulcowej | wentylowany |
| średnica zewnętrzna [mm] | 238 |
| średnica piasty [mm] | 134,5 |
| Średnica otworu centrującego [mm] | 65 |
| Grubość tarczy hamulcowej [mm] | 20 |
| Wysokość [mm] | 40 |
| Felga, liczba otworów | 4 |
| Ø rozmieszczenia otworów [mm] | 100 |
| Zamiana tylko w parach | |
0
0000
00000| Oś przednia | |
| Kod towaru | 6N0615301G VIKA |
| Producent | VIKA |
| Opis | tarcza hamulcowa |
| Strona zabudowy | Oś przednia |
| Typ tarczy hamulcowej | wentylowany |
| Grubość tarczy hamulcowej [mm] | 20 |
| Grubość [mm] | 39 |
| Minimalna grubość [mm] | 19 |
| Ø rozmieszczenia otworów [mm] | 100 |
| Ciężar [kg] | 3,820 |
| Felga, liczba otworów | 4 |
| średnica zewnętrzna [mm] | 239 |
