0
00000| Kod towaru | 16063 ABS |
| Producent | A.B.S. |
| Opis | tarcza hamulcowa |
| Średnica zewnętrzna [mm] | 257 |
| Grubość tarczy hamulcowej [mm] | 22 |
| Minimalna grubość [mm] | 20 |
| Wysokość [mm] | 49 |
| Felga, liczba otworów | 4 |
| Typ tarczy hamulcowej | wentylowany |
| Średnica otworu centrującego [mm] | 68 |
| Ø rozmieszczenia otworów [mm] | 114,3 |
| Powierzchnia | pokryty |
| Średnica piasty [mm] | 155 |
0
00000| Kod towaru | N2641V SAM |
| Producent | SAMKO |
| Opis | tarcza hamulcowaWENTYLOWANA PRZÓD |
| Typ tarczy hamulcowej | z wentylacją wewnętrzną |
| Średnica otworu centrującego [mm] | 68 |
| system hamulcowy | NISSAN |
| Liczba otworów | 4 |
| Grubość tarczy hamulcowej [mm] | 22 |
| Wysokość [mm] | 49 |
| Minimalna grubość [mm] | 20 |
| Średnica zewnętrzna [mm] | 257 |
00
000
00000| Oś przednia | |
| Kod towaru | 60-00-015C ASH |
| Producent | ASHIKA |
| Opis | tarcza hamulcowa |
| Strona zabudowy | Oś przednia |
| Ø rozmieszczenia otworów [mm] | 68 |
| Wysokość [mm] | 49,5 |
| Średnica zewnętrzna [mm] | 256,9 |
| Grubość tarczy hamulcowej [mm] | 22 |
| Minimalna grubość [mm] | 20 |
| Liczba otworów | 4 |
| Typ tarczy hamulcowej | wentylowany |
| Oznaczenie kontrolne | ECE R90 APPROVED |
| Powierzchnia | lakierowany |
| Moment dokręcenia [Nm] | 100 |
| dla numeru OE | 4020693J01 |
00
00000
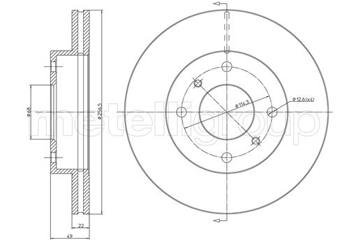
00000| Kod towaru | 24.0122-0146.1 |
| Producent | ATE |
| Opis | tarcza hamulcowa |
| Średnica zewnętrzna [mm] | 257,0 |
| Grubość tarczy hamulcowej [mm] | 22,0 |
| Minimalna grubość [mm] | 20,0 |
| Typ tarczy hamulcowej | wentylowany |
| Powierzchnia | pokryty |
| Liczba otworów | 4 |
| Dostępne MAPP-Code | |
| Ø rozmieszczenia otworów [mm] | 114,3 |
| Wysokość [mm] | 49,2 |
| Średnica otworu centrującego [mm] | 68,0 |
| Średnica wewnętrzna [mm] | 144,0 |
| Średnica otworu [mm] | 12,6 |
| Oznaczenie kontrolne | E1 90R-02C0115/0451 |
00
0000
00000| Oś przednia | |
| Kod towaru | ADN14341 BLP |
| Producent | BLUE PRINT |
| Opis | tarcza hamulcowa |
| Grubość tarczy hamulcowej [mm] | 22 |
| Felga, liczba otworów | 4 |
| Liczba otworów do mocowania | 2 |
| Grubość [mm] | 49 |
| Średnica zewnętrzna [mm] | 256 |
| Ø rozmieszczenia otworów [mm] | 114 |
| Powierzchnia | pokryty |
| Typ tarczy hamulcowej | z wentylacją wewnętrzną |
| Strona zabudowy | Oś przednia |
| Minimalna grubość [mm] | 20 |
| Średnica otworu centrującego [mm] | 68 |
| uwzględnić informację serwisową | |
000
00000
00000| Kod towaru | 0986478567 |
| Producent | BOSCH |
| Opis | tarcza hamulcowa |
| Średnica zewnętrzna [mm] | 257 |
| Grubość tarczy hamulcowej [mm] | 22 |
| Minimalna grubość [mm] | 20 |
| Wysokość [mm] | 49 |
| Ø rozmieszczenia otworów [mm] | 114,3 |
| Typ tarczy hamulcowej | wentylowany |
| Średnica otworu centrującego [mm] | 68,02 |
| Liczba otworów | 4 |
| Powierzchnia | naoliwione |
| spełnia wymagania Normy ECE | ECE-R90 |
| Średnica otworu do [mm] | 12,6 |
| Typ tarczy hamulcowej | z wentylacją wewnętrzną |
000
0000
00000| Kod towaru | BG2567 |
| Producent | DELPHI |
| Opis | tarcza hamulcowaPRIMERA 90-99 TYŁ |
| Typ tarczy hamulcowej | wentylowany |
| Liczba otworów | 4 |
| Oznaczenie kontrolne | E1 90R-02C0074/1561 |
| Powierzchnia | naoliwione |
| Średnica zewnętrzna [mm] | 257 |
| Grubość tarczy hamulcowej [mm] | 22 |
| Minimalna grubość [mm] | 20 |
| Średnica otworu centrującego [mm] | 68 |
| Wysokość [mm] | 49,3 |
00
00000| Kod towaru | B130104 |
| Producent | DENCKERMANN |
| Opis | tarcza hamulcowa |
| Minimalna grubość [mm] | 20 |
| Typ tarczy hamulcowej | wentylowany |
| Średnica otworu [mm] | 12,6 |
| Grubość tarczy hamulcowej [mm] | 22 |
| Ø rozmieszczenia otworów [mm] | 114,3 |
| Liczba otworów | 4 |
| Średnica wewnętrzna [mm] | 144 |
| Wysokość [mm] | 49,2 |
| Średnica otworu centrującego [mm] | 68 |
| Średnica zewnętrzna [mm] | 257 |
| Rozporządzenie UE w sprawie bezpieczeństwa produktów (GPSR) | IEC 60417-6183 wymagana specjalistyczna wiedza mechaniczna |
00
00000
00000| Oś przednia | |
| Kod towaru | 10628 FEB |
| Producent | FEBI BILSTEIN |
| Opis | tarcza hamulcowa |
| Grubość tarczy hamulcowej [mm] | 22 |
| Felga, liczba otworów | 4 |
| Liczba otworów do mocowania | 2 |
| Grubość [mm] | 49 |
| Średnica zewnętrzna [mm] | 256 |
| Ø rozmieszczenia otworów [mm] | 114,3 |
| Powierzchnia | pokryty |
| Typ tarczy hamulcowej | z wentylacją wewnętrzną |
| Strona zabudowy | Oś przednia |
| Minimalna grubość [mm] | 20 |
| Średnica otworu centrującego [mm] | 68 |
| uwzględnić informację serwisową | |
00
000
00000| Kod towaru | 8DD 355 102-651 |
| Producent | HELLA |
| Opis | tarcza hamulcowa |
| Typ tarczy hamulcowej | z wentylacją wewnętrzną |
| Średnica zewnętrzna [mm] | 257 |
| Grubość tarczy hamulcowej [mm] | 22 |
| Wysokość [mm] | 49 |
| Minimalna grubość [mm] | 20 |
| Ø rozmieszczenia otworów [mm] | 114,3 |
| Średnica otworu centrującego [mm] | 68 |
| Wzór otworów/liczba otworów | 04/06 |
| Informacja uzupełniająca | bez piasty koła |
| Informacja uzupełniająca | bez sworznia mocującego koła |
| Ciężar [kg] | 5,5 |
| Montaż/demontaż koniecznie do wykonania przez fachowców! |
0
0
00000| Oś przednia | |
| Kod towaru | 30H1030-JPN |
| Producent | JPN |
| Opis | tarcza hamulcowa |
| Strona zabudowy | Oś przednia |
| Typ tarczy hamulcowej | z wentylacją wewnętrzną |
| Grubość tarczy hamulcowej [mm] | 22 |
| Średnica zewnętrzna [mm] | 256 |
| Liczba otworów | 4 |
| Liczba otworów do mocowania | 2 |
00000| Kod towaru | N2641V LPR |
| Producent | LPR |
| Opis | tarcza hamulcowa |
| Liczba otworów | 4 |
| Minimalna grubość [mm] | 20 |
| Średnica zewnętrzna [mm] | 257 |
| Grubość tarczy hamulcowej [mm] | 22 |
| Średnica otworu centrującego [mm] | 68 |
| Typ tarczy hamulcowej | z wentylacją wewnętrzną |
| Wysokość [mm] | 49 |
| system hamulcowy | NISSAN |

00
00000
00000| Kod towaru | MBD0336 |
| Producent | MAGNETI MARELLI |
| Opis | tarcza hamulcowa |
| Typ tarczy hamulcowej | z wentylacją wewnętrzną |
| Średnica [mm] | 257 |
| Wysokość [mm] | 49,2 |
| Minimalna grubość [mm] | 20 |
| Liczba otworów | 4 |
| Ø rozmieszczenia otworów [mm] | 68 |
| Grubość tarczy hamulcowej [mm] | 22 |
| Średnica zewnętrzna [mm] | 257 |
00
000
00000| Kod towaru | 23-0249C MET |
| Producent | METELLI |
| Opis | tarcza hamulcowa |
| Oznaczenie kontrolne | ECE-R90 |
| Wysokość [mm] | 49,0 |
| Typ tarczy hamulcowej | wentylowany |
| Grubość tarczy hamulcowej [mm] | 22,0 |
| Średnica zewnętrzna [mm] | 257,0 |
| Liczba otworów | 4 |
| Średnica otworu centrującego [mm] | 68,0 |
| Powierzchnia | lakierowany |
0000
00000| Oś przednia | |
| Kod towaru | BS-1790 OPT |
| Producent | OPTIMAL |
| Opis | tarcza hamulcowa |
| Strona zabudowy | Oś przednia |
| Typ tarczy hamulcowej | wentylowany |
| Grubość tarczy hamulcowej [mm] | 22 |
| Średnica zewnętrzna [mm] | 257 |
| Wysokość [mm] | 49 |
| Średnica otworu centrującego [mm] | 68 |
| Minimalna grubość [mm] | 20 |
| Wzór otworów/liczba otworów | 4/6 |
0000
00000| Oś przednia | |
| Kod towaru | BS-1790C OPT |
| Producent | OPTIMAL |
| Opis | tarcza hamulcowa |
| Strona zabudowy | Oś przednia |
| Typ tarczy hamulcowej | wentylowany |
| Grubość tarczy hamulcowej [mm] | 22 |
| Średnica zewnętrzna [mm] | 257 |
| Wysokość [mm] | 49 |
| Średnica otworu centrującego [mm] | 68 |
| Powierzchnia | pokryty |
| Minimalna grubość [mm] | 20 |
| Wzór otworów/liczba otworów | 4/6 |
00
00000
00000| Oś przednia | |
| Kod towaru | 9004569J SAS |
| Producent | SASIC |
| Opis | tarcza hamulcowa |
| Strona zabudowy | Oś przednia |
| Typ tarczy hamulcowej | wentylowany |
| Średnica zewnętrzna [mm] | 257 |
| Grubość tarczy hamulcowej [mm] | 22 |
| Wysokość [mm] | 49 |
| Ø rozmieszczenia otworów [mm] | 68 |
| Liczba otworów | 4 |
| dla numeru OE | 4020693J01 |
00
0000
00000| Oś przednia | |
| Kod towaru | 82 91 0628 |
| Producent | SWAG |
| Opis | tarcza hamulcowa |
| Grubość tarczy hamulcowej [mm] | 22 |
| Felga, liczba otworów | 4 |
| Liczba otworów do mocowania | 2 |
| Grubość [mm] | 49 |
| Średnica zewnętrzna [mm] | 256 |
| Ø rozmieszczenia otworów [mm] | 114,3 |
| Powierzchnia | pokryty |
| Typ tarczy hamulcowej | z wentylacją wewnętrzną |
| Strona zabudowy | Oś przednia |
| Minimalna grubość [mm] | 20 |
| Średnica otworu centrującego [mm] | 68 |
0
0000
00000| Kod towaru | 92056300 TXT |
| Producent | TEXTAR |
| Opis | tarcza hamulcowa |
| Typ tarczy hamulcowej | z wentylacją wewnętrzną |
| Średnica zewnętrzna [mm] | 257 |
| Grubość tarczy hamulcowej [mm] | 22 |
| Wysokość [mm] | 49 |
| Minimalna grubość [mm] | 20 |
| Średnica wewnętrzna [mm] | 144 |
| Ø rozmieszczenia otworów [mm] | 114,3 |
| Średnica otworu centrującego [mm] | 68 |
| Wzór otworów/liczba otworów | 04/06 |
| Średnica otworu szpilki koła [mm] | 12,6 |
| Informacja uzupełniająca | bez piasty koła |
| Informacja uzupełniająca | bez łożyska koła |
| Informacja uzupełniająca | bez sworznia mocującego koła |
| Długość opakowania [cm] | 27,8 |
| Szerokość opakowania [cm] | 27,8 |
| Wysokość opakowania [cm] | 12,2 |
| Ciężar [kg] | 5,5 |
00
00000
00000| Kod towaru | DF2591 |
| Producent | TRW |
| Opis | tarcza hamulcowa |
| Typ tarczy hamulcowej | wentylowany |
| Średnica zewnętrzna [mm] | 257 |
| Grubość tarczy hamulcowej [mm] | 22 |
| Średnica otworu centrującego [mm] | 68 |
| Wysokość [mm] | 49 |
| Liczba otworów | 4 |
