0
02000| Kod towaru | F1571V SAM |
| Producent | SAMKO |
| Opis | tarcza hamulcowaWENTYLOWANA PRZÓD GALAXY |
| Liczba otworów | 5 |
| średnica zewnętrzna [mm] | 288 |
| Wysokość [mm] | 53 |
| Minimalna grubość [mm] | 21 |
| Średnica otworu centrującego [mm] | 68 |
| Grubość tarczy hamulcowej [mm] | 25 |
| Typ tarczy hamulcowej | z wentylacją wewnętrzną |
0
02000| Kod towaru | 16297 ABS |
| Producent | A.B.S. |
| Opis | tarcza hamulcowa |
| średnica zewnętrzna [mm] | 288 |
| Grubość tarczy hamulcowej [mm] | 25 |
| Minimalna grubość [mm] | 21 |
| Wysokość [mm] | 55 |
| Felga, liczba otworów | 5 |
| Typ tarczy hamulcowej | wentylowany |
| Średnica otworu centrującego [mm] | 68 |
| Ø rozmieszczenia otworów [mm] | 112 |
| średnica piasty [mm] | 155 |

00000| Kod towaru | AD673043 AD |
| Producent | AD BREND |
| Opis |
00
00000
00000| Kod towaru | DF2776 |
| Producent | TRW |
| Opis | tarcza hamulcowa |
| Typ tarczy hamulcowej | wentylowany |
| średnica zewnętrzna [mm] | 288 |
| Grubość tarczy hamulcowej [mm] | 25 |
| Minimalna grubość [mm] | 21 |
| Średnica otworu centrującego [mm] | 68,2 |
| Wysokość [mm] | 55,4 |
| Liczba otworów | 5 |
| Wymiar gwintu | 16,4 |
| Ø rozmieszczenia otworów [mm] | 112 |
| Przetwarzanie | wysoko nawęglany |
| Kolor | czarny |
| Powierzchnia | lakierowany |
| Oznaczenie kontrolne | E190R-02C0176/0490 |
00
0000
00000| Kod towaru | 231-03-034 ABA |
| Producent | ABAKUS |
| Opis | tarcza hamulcowa |
| Typ tarczy hamulcowej | wentylowany |
| średnica zewnętrzna [mm] | 288 |
| Grubość tarczy hamulcowej [mm] | 25,1 |
| wymagana liczba | 2 |
| Zamiana tylko w parach | |
| Wysokość [mm] | 55,4 |
| Ø rozmieszczenia otworów [mm] | 112 |
| Średnica otworu centrującego [mm] | 68,2 |
| Liczba otworów | 5 |
| Oznaczenie kontrolne | ECE R90 |
| Montaż/demontaż koniecznie do wykonania przez fachowców! |
00
0000
00000| Kod towaru | 231-03-034-2 ABA |
| Producent | ABAKUS |
| Opis | tarcza hamulcowa |
| Typ tarczy hamulcowej | wentylowany |
| średnica zewnętrzna [mm] | 288 |
| Grubość tarczy hamulcowej [mm] | 25,1 |
| wymagana liczba | 2 |
| Zamiana tylko w parach | |
| Wysokość [mm] | 55,4 |
| Ø rozmieszczenia otworów [mm] | 112 |
| Średnica otworu centrującego [mm] | 68,2 |
| Liczba otworów | 5 |
| Oznaczenie kontrolne | ECE R90 |
| Montaż/demontaż koniecznie do wykonania przez fachowców! |
0
00000| Oś przednia, z lewej, Oś przednia, z prawej | |
| Kod towaru | 52742 AIC |
| Producent | AIC |
| Opis | tarcza hamulcowa |
| Strona zabudowy | Oś przednia, z lewej |
| Strona zabudowy | Oś przednia, z prawej |
| Typ tarczy hamulcowej | z wentylacją wewnętrzną |
| średnica zewnętrzna [mm] | 288 |
| Grubość tarczy hamulcowej [mm] | 25 |
| Liczba otworów | 5 |
| Ø rozmieszczenia otworów [mm] | 112 |
| Średnica otworu centrującego [mm] | 68,2 |
| Zamiana tylko w parach | |
00
00000
00000| Kod towaru | 24.0125-0114.1 |
| Producent | ATE |
| Opis | tarcza hamulcowa |
| średnica zewnętrzna [mm] | 288,0 |
| Grubość tarczy hamulcowej [mm] | 25,1 |
| Minimalna grubość [mm] | 21,0 |
| Typ tarczy hamulcowej | wentylowany |
| Przetwarzanie | wysoko nawęglany |
| Powierzchnia | pokryty |
| Liczba otworów | 5 |
| Ø rozmieszczenia otworów [mm] | 112,0 |
| Wysokość [mm] | 55,4 |
| Średnica otworu centrującego [mm] | 68,2 |
| Średnica wewnętrzna [mm] | 144,2 |
| Średnica otworu [mm] | 16,5 |
| Informacja uzupełniająca | ze śrubami |
| Dostępne MAPP-Code | |
| Oznaczenie kontrolne | E1 90R-02C0115/0053 |
00
00000
00000| Kod towaru | 24.0325-0114.1 |
| Producent | ATE |
| Opis | tarcza hamulcowa |
| średnica zewnętrzna [mm] | 288,0 |
| Grubość tarczy hamulcowej [mm] | 25,1 |
| Minimalna grubość [mm] | 21,0 |
| Typ tarczy hamulcowej | wentylowany |
| Przetwarzanie | wysoko nawęglany |
| Powierzchnia | pokryty |
| Liczba otworów | 5 |
| Ø rozmieszczenia otworów [mm] | 112,0 |
| Wysokość [mm] | 55,4 |
| Średnica otworu centrującego [mm] | 68,2 |
| Średnica wewnętrzna [mm] | 144,2 |
| Średnica otworu [mm] | 16,5 |
| Informacja uzupełniająca | ze śrubami |
| Oznaczenie kontrolne | E1 90R-02C0858/1211 |
| Dostępne MAPP-Code |
000
00000
00000| Kod towaru | 0986478893 |
| Producent | BOSCH |
| Opis | tarcza hamulcowaFORD GALAXY [VX], SEAT ALHAMBRA, VW SHARAN |
| średnica zewnętrzna [mm] | 288 |
| Grubość tarczy hamulcowej [mm] | 25 |
| Minimalna grubość [mm] | 21 |
| Wysokość [mm] | 55,4 |
| Ø rozmieszczenia otworów [mm] | 112 |
| Typ tarczy hamulcowej | wentylowany |
| Średnica otworu centrującego [mm] | 68,15 |
| Liczba otworów | 5 |
| Powierzchnia | naoliwione |
| spełnia wymagania Normy ECE | ECE-R90 |
| Średnica otworu do [mm] | 16,6 |
000
00000
00000| Kod towaru | 0986479B57 |
| Producent | BOSCH |
| Opis | tarcza hamulcowa |
| średnica zewnętrzna [mm] | 288 |
| Grubość tarczy hamulcowej [mm] | 25 |
| Minimalna grubość [mm] | 21 |
| Wysokość [mm] | 55,4 |
| Ø rozmieszczenia otworów [mm] | 112 |
| Typ tarczy hamulcowej | wentylowany |
| Średnica otworu centrującego [mm] | 68,15 |
| Liczba otworów | 5 |
| Powierzchnia | pokryty |
| spełnia wymagania Normy ECE | ECE-R90 |
| Średnica otworu do [mm] | 16,6 |
00
000
00000| Oś przednia | |
| Kod towaru | 1031691 |
| Producent | KAMOKA |
| Opis | tarcza hamulcowa |
| Strona zabudowy | Oś przednia |
| Typ tarczy hamulcowej | wentylowany |
| Grubość tarczy hamulcowej [mm] | 25 |
| Ø rozmieszczenia otworów [mm] | 112 |
| Liczba otworów | 5 |
| Wysokość [mm] | 55 |
| Średnica otworu centrującego [mm] | 68 |
| Powierzchnia | pokryty |
| średnica zewnętrzna [mm] | 288 |
00
00000
00000| Oś przednia | |
| Kod towaru | 14160 FEB |
| Producent | FEBI BILSTEIN |
| Opis | tarcza hamulcowa |
| Grubość tarczy hamulcowej [mm] | 25 |
| Felga, liczba otworów | 5 |
| Liczba otworów do mocowania | 1 |
| Grubość [mm] | 55,4 |
| średnica zewnętrzna [mm] | 288 |
| Ø rozmieszczenia otworów [mm] | 112 |
| Powierzchnia | pokryty |
| Typ tarczy hamulcowej | z wentylacją wewnętrzną |
| Strona zabudowy | Oś przednia |
| Minimalna grubość [mm] | 21 |
| Średnica otworu centrującego [mm] | 68 |
| Ciężar [kg] | 7,3 |
| uwzględnić informację serwisową | |
00
000
00000| Kod towaru | 8DD 355 104-481 |
| Producent | HELLA |
| Opis | tarcza hamulcowa |
| Typ tarczy hamulcowej | z wentylacją wewnętrzną |
| średnica zewnętrzna [mm] | 288 |
| Grubość tarczy hamulcowej [mm] | 25 |
| Wysokość [mm] | 55,2 |
| Minimalna grubość [mm] | 21 |
| Powierzchnia | pokryty |
| Ø rozmieszczenia otworów [mm] | 112 |
| Średnica otworu centrującego [mm] | 68,1 |
| Wzór otworów/liczba otworów | 05/06 |
| Informacja uzupełniająca | bez piasty koła |
| Informacja uzupełniająca | bez sworznia mocującego koła |
| Ciężar [kg] | 7,5 |
| Montaż/demontaż koniecznie do wykonania przez fachowców! |
00
000
00000| Kod towaru | 8DD 355 127-221 |
| Producent | HELLA |
| Opis | tarcza hamulcowa |
| Typ tarczy hamulcowej | z wentylacją wewnętrzną |
| średnica zewnętrzna [mm] | 288 |
| Grubość tarczy hamulcowej [mm] | 25 |
| Wysokość [mm] | 55,2 |
| Minimalna grubość [mm] | 21 |
| Przetwarzanie | wysoko nawęglany |
| Powierzchnia | pokryty |
| Ø rozmieszczenia otworów [mm] | 112 |
| Średnica otworu centrującego [mm] | 68,1 |
| Wzór otworów/liczba otworów | 05/06 |
| Informacja uzupełniająca | bez piasty koła |
| Informacja uzupełniająca | bez sworznia mocującego koła |
| Ciężar [kg] | 7,5 |
| Montaż/demontaż koniecznie do wykonania przez fachowców! |
00
0000
00000| Oś przednia | |
| Kod towaru | ADF124343 BLP |
| Producent | BLUE PRINT |
| Opis | tarcza hamulcowa |
| Grubość tarczy hamulcowej [mm] | 25 |
| Felga, liczba otworów | 5 |
| Liczba otworów do mocowania | 1 |
| Grubość [mm] | 55 |
| średnica zewnętrzna [mm] | 288 |
| Ø rozmieszczenia otworów [mm] | 112 |
| Powierzchnia | pokryty |
| Typ tarczy hamulcowej | z wentylacją wewnętrzną |
| Strona zabudowy | Oś przednia |
| Minimalna grubość [mm] | 21 |
| Średnica otworu centrującego [mm] | 68 |
| Ciężar [kg] | 7,3 |
| uwzględnić informację serwisową | |
00
00000| Kod towaru | B130074 |
| Producent | DENCKERMANN |
| Opis | tarcza hamulcowa |
| Minimalna grubość [mm] | 21,0 |
| Typ tarczy hamulcowej | wentylowany |
| Średnica otworu [mm] | 16,5 |
| Grubość tarczy hamulcowej [mm] | 25,1 |
| Ø rozmieszczenia otworów [mm] | 112 |
| Liczba otworów | 5 |
| Średnica wewnętrzna [mm] | 144,2 |
| Wysokość [mm] | 55,4 |
| Średnica otworu centrującego [mm] | 68,2 |
| średnica zewnętrzna [mm] | 288 |
000
0000
00000| Kod towaru | BG3025 |
| Producent | DELPHI |
| Opis | tarcza hamulcowaSHARAN 95-10 TYŁ |
| Typ tarczy hamulcowej | wentylowany |
| Liczba otworów | 5 |
| Oznaczenie kontrolne | E1 90R-02C0074/1597 |
| Powierzchnia | naoliwione |
| średnica zewnętrzna [mm] | 288 |
| Grubość tarczy hamulcowej [mm] | 25 |
| Minimalna grubość [mm] | 21 |
| Średnica otworu centrującego [mm] | 68,2 |
| Wysokość [mm] | 55,2 |
0
00
00000| Oś przednia, Oś przednia, z lewej, Oś przednia, z prawej | |
| Kod towaru | GH-402506 |
| Producent | GH |
| Opis | tarcza hamulcowaFORD GALAXY 1995-2006, SEAT ALHAMBRA 1996-> ,VW SHARAN 1995-> [288*55,3*25-5V] |
| Strona zabudowy | Oś przednia |
| Strona zabudowy | Oś przednia, z prawej |
| Strona zabudowy | Oś przednia, z lewej |
| Grubość tarczy hamulcowej [mm] | 25 |
| Liczba otworów | 5 |
| Ø rozmieszczenia otworów [mm] | 112 |
| Średnica otworu centrującego [mm] | 68,2 |
| średnica zewnętrzna [mm] | 288 |
| Typ tarczy hamulcowej | wentylowany |
| Wymiar gwintu | 16,4 |
| Wysokość [mm] | 55,4 |
0
000
00000| Oś przednia | |
| Kod towaru | 10-80067 VAI |
| Producent | VAICO |
| Opis | tarcza hamulcowa |
| Strona zabudowy | Oś przednia |
| Felga, liczba otworów | 5 |
| Wysokość [mm] | 55,4 |
| Typ tarczy hamulcowej | wentylowany |
| Grubość tarczy hamulcowej [mm] | 25,1 |
| Minimalna grubość [mm] | 21 |
| średnica zewnętrzna [mm] | 288 |
| Średnica otworu centrującego [mm] | 68,2 |
| Ø rozmieszczenia otworów [mm] | 112 |
| Wysokość piasty tarczy hamulcowej [mm] | 30 |
00
000
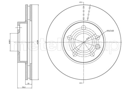
00000| Kod towaru | 23-0403C MET |
| Producent | METELLI |
| Opis | tarcza hamulcowa |
| Oznaczenie kontrolne | ECE-R90 |
| Wysokość [mm] | 55,3 |
| Typ tarczy hamulcowej | wentylowany |
| Grubość tarczy hamulcowej [mm] | 25,0 |
| średnica zewnętrzna [mm] | 288,0 |
| Liczba otworów | 5 |
| Średnica otworu centrującego [mm] | 68,1 |
| Powierzchnia | lakierowany |
00
0000
00000| Oś przednia | |
| Kod towaru | 32 91 4160 |
| Producent | SWAG |
| Opis | tarcza hamulcowa |
| Grubość tarczy hamulcowej [mm] | 25 |
| Felga, liczba otworów | 5 |
| Liczba otworów do mocowania | 1 |
| Grubość [mm] | 55,4 |
| średnica zewnętrzna [mm] | 287,7 |
| Ø rozmieszczenia otworów [mm] | 112 |
| Powierzchnia | pokryty |
| Typ tarczy hamulcowej | z wentylacją wewnętrzną |
| Strona zabudowy | Oś przednia |
| Minimalna grubość [mm] | 21 |
| Średnica otworu centrującego [mm] | 68 |
| Ciężar [kg] | 7,3 |
00
00000
00000| Oś przednia | |
| Kod towaru | 9004881J SAS |
| Producent | SASIC |
| Opis | tarcza hamulcowa |
| Strona zabudowy | Oś przednia |
| Typ tarczy hamulcowej | wentylowany |
| średnica zewnętrzna [mm] | 288 |
| Grubość tarczy hamulcowej [mm] | 25 |
| Wysokość [mm] | 55,4 |
| Ø rozmieszczenia otworów [mm] | 68,1 |
| Liczba otworów | 5 |
| dla numeru OE | 7M0615301G |
0
0000
00000| Kod towaru | 92074203 TXT |
| Producent | TEXTAR |
| Opis | tarcza hamulcowa |
| Typ tarczy hamulcowej | z wentylacją wewnętrzną |
| średnica zewnętrzna [mm] | 288 |
| Grubość tarczy hamulcowej [mm] | 25 |
| Wysokość [mm] | 55,2 |
| Minimalna grubość [mm] | 21 |
| Powierzchnia | pokryty |
| Średnica wewnętrzna [mm] | 145,5 |
| Ø rozmieszczenia otworów [mm] | 112 |
| Średnica otworu centrującego [mm] | 68,1 |
| Wzór otworów/liczba otworów | 05/06 |
| Średnica otworu szpilki koła [mm] | 16,7 |
| Informacja uzupełniająca | bez piasty koła |
| Informacja uzupełniająca | bez łożyska koła |
| Informacja uzupełniająca | bez sworznia mocującego koła |
| Długość opakowania [cm] | 31,3 |
| Szerokość opakowania [cm] | 31,3 |
| Wysokość opakowania [cm] | 14 |
| Ciężar [kg] | 7,5 |
00000| Kod towaru | F1571V LPR |
| Producent | LPR |
| Opis | tarcza hamulcowa |
| Liczba otworów | 5 |
| Wysokość [mm] | 53 |
| Grubość tarczy hamulcowej [mm] | 25 |
| Minimalna grubość [mm] | 21 |
| Średnica otworu centrującego [mm] | 68 |
| średnica zewnętrzna [mm] | 288 |
| Typ tarczy hamulcowej | z wentylacją wewnętrzną |
0
000
00000| Oś przednia | |
| Kod towaru | TX 70-54 |
| Producent | TOMEX BRAKES |
| Opis | tarcza hamulcowa7M0615301G |
| Strona zabudowy | Oś przednia |
| Typ tarczy hamulcowej | wentylowany |
| Grubość tarczy hamulcowej [mm] | 25 |
| średnica zewnętrzna [mm] | 288 |
| Wysokość [mm] | 55,4 |
| Liczba otworów | 5 |
| Średnica otworu centrującego [mm] | 68,2 |
| Ø rozmieszczenia otworów [mm] | 112 |
| Powierzchnia | lakierowany |
| Ciężar [kg] | 15,3 |
| Minimalna grubość [mm] | 21 |
00000| Kod towaru | VKBD 80838 V1 |
| Producent | SKF |
| Opis | tarcza hamulcowa |
| Typ tarczy hamulcowej | z wentylacją wewnętrzną |
| średnica zewnętrzna [mm] | 288 |
| Grubość tarczy hamulcowej [mm] | 25 |
| Wysokość [mm] | 55,2 |
| Ø rozmieszczenia otworów [mm] | 112 |
| Średnica otworu centrującego [mm] | 68,1 |
| Liczba otworów | 5 |
| Powierzchnia | pokryty |
| Minimalna grubość [mm] | 21 |
| Liczba otworów | 1 |
