0
02000| Kod towaru | 16486 ABS |
| Producent | A.B.S. |
| Opis | tarcza hamulcowa |
| średnica zewnętrzna [mm] | 288 |
| Grubość tarczy hamulcowej [mm] | 25 |
| Minimalna grubość [mm] | 21 |
| Wysokość [mm] | 42,5 |
| Felga, liczba otworów | 5 |
| Typ tarczy hamulcowej | wentylowany |
| Średnica otworu centrującego [mm] | 70 |
| Ø rozmieszczenia otworów [mm] | 110 |
| średnica piasty [mm] | 150 |
0
00
00000| Oś przednia, Oś przednia, z lewej, Oś przednia, z prawej | |
| Kod towaru | GH-403600 |
| Producent | GH |
| Opis | tarcza hamulcowaOPEL VECTRA B, CALIBRA, SAAB 9-3 [288*42*25-5V] |
| Strona zabudowy | Oś przednia |
| Strona zabudowy | Oś przednia, z prawej |
| Strona zabudowy | Oś przednia, z lewej |
| Grubość tarczy hamulcowej [mm] | 25 |
| Liczba otworów | 7 |
| Ø rozmieszczenia otworów [mm] | 110 |
| Średnica otworu centrującego [mm] | 70 |
| średnica zewnętrzna [mm] | 288 |
| Typ tarczy hamulcowej | wentylowany |
| Wymiar gwintu | 11,3 |
| Wysokość [mm] | 41 |
0
00000| Kod towaru | O1321V SAM |
| Producent | SAMKO |
| Opis | tarcza hamulcowaWENTYLOWANA PRZÓD |
| Wysokość [mm] | 42,2 |
| Średnica otworu centrującego [mm] | 70 |
| Typ tarczy hamulcowej | z wentylacją wewnętrzną |
| Grubość tarczy hamulcowej [mm] | 25 |
| Minimalna grubość [mm] | 21 |
| średnica zewnętrzna [mm] | 288 |
| Liczba otworów | 7 |
0
00000| Oś przednia, z lewej, Oś przednia, z prawej | |
| Kod towaru | 53657 AIC |
| Producent | AIC |
| Opis | tarcza hamulcowa |
| Strona zabudowy | Oś przednia, z lewej |
| Strona zabudowy | Oś przednia, z prawej |
| Liczba otworów | 5 |
| Ø rozmieszczenia otworów [mm] | 110 |
| Typ tarczy hamulcowej | z wentylacją wewnętrzną |
| średnica zewnętrzna [mm] | 288 |
| Grubość tarczy hamulcowej [mm] | 25 |
| Zamiana tylko w parach | |
| Rodzaj rejestracji | Z aprobatą ECE |
00
00000
00000| Kod towaru | 24.0125-0119.1 |
| Producent | ATE |
| Opis | tarcza hamulcowa |
| średnica zewnętrzna [mm] | 288,0 |
| Grubość tarczy hamulcowej [mm] | 25,0 |
| Minimalna grubość [mm] | 22,0 |
| Typ tarczy hamulcowej | wentylowany |
| Przetwarzanie | stopowy / wysoko nawęglany |
| Powierzchnia | pokryty |
| Liczba otworów | 5 |
| Informacja uzupełniająca | ze śrubami |
| Dostępne MAPP-Code | |
| Liczba otworów 2 | 7 |
| Ø rozmieszczenia otworów [mm] | 110,0 |
| Wysokość [mm] | 42,0 |
| Średnica otworu centrującego [mm] | 70,0 |
| Średnica wewnętrzna [mm] | 139,0 |
| Średnica otworu [mm] | 14,0 |
| Oznaczenie kontrolne | E1 90R-02C0115/0009 |
00
00000
00000| Kod towaru | 24.0325-0119.1 |
| Producent | ATE |
| Opis | tarcza hamulcowa |
| średnica zewnętrzna [mm] | 288,0 |
| Grubość tarczy hamulcowej [mm] | 25,0 |
| Minimalna grubość [mm] | 22,0 |
| Typ tarczy hamulcowej | wentylowany |
| Przetwarzanie | stopowy / wysoko nawęglany |
| Powierzchnia | pokryty |
| Liczba otworów | 5 |
| Liczba otworów 2 | 7 |
| Ø rozmieszczenia otworów [mm] | 110,0 |
| Wysokość [mm] | 42,0 |
| Średnica otworu centrującego [mm] | 70,0 |
| Średnica wewnętrzna [mm] | 139,0 |
| Średnica otworu [mm] | 14,0 |
| Informacja uzupełniająca | ze śrubami |
| Oznaczenie kontrolne | E1 90R-02C0858/1210 |
| Dostępne MAPP-Code |
00
0000
00000| Oś przednia | |
| Kod towaru | ADW194329 BLP |
| Producent | BLUE PRINT |
| Opis | tarcza hamulcowa |
| Grubość tarczy hamulcowej [mm] | 25 |
| Felga, liczba otworów | 5 |
| Liczba otworów do mocowania | 3 |
| Grubość [mm] | 42 |
| średnica zewnętrzna [mm] | 288 |
| Ø rozmieszczenia otworów [mm] | 110 |
| Powierzchnia | pokryty |
| Typ tarczy hamulcowej | z wentylacją wewnętrzną |
| Strona zabudowy | Oś przednia |
| Minimalna grubość [mm] | 22 |
| Średnica otworu centrującego [mm] | 70 |
| Ciężar [kg] | 7,32 |
| uwzględnić informację serwisową | |
000
00000
00000| Kod towaru | 0986478588 |
| Producent | BOSCH |
| Opis | tarcza hamulcowaOPEL CALIBRA |
| średnica zewnętrzna [mm] | 288 |
| Grubość tarczy hamulcowej [mm] | 25 |
| Minimalna grubość [mm] | 22 |
| Wysokość [mm] | 42 |
| Ø rozmieszczenia otworów [mm] | 110 |
| Typ tarczy hamulcowej | wentylowany |
| Średnica otworu centrującego [mm] | 70 |
| Liczba otworów | 5 |
| Powierzchnia | naoliwione |
| Przetwarzanie | stopowy / wysoko nawęglany |
| spełnia wymagania Normy ECE | ECE-R90 |
| Średnica otworu do [mm] | 14 |
000
0000
00000| Kod towaru | BG3142 |
| Producent | DELPHI |
| Opis | tarcza hamulcowaEXIGE / OPEL CALIBRA, SPEEDSTER, VECTRA / SAAB |
| Typ tarczy hamulcowej | wentylowany |
| Liczba otworów | 5 |
| Oznaczenie kontrolne | E1 90R-02C0074/1597 |
| Powierzchnia | naoliwione |
| średnica zewnętrzna [mm] | 288 |
| Grubość tarczy hamulcowej [mm] | 25 |
| Minimalna grubość [mm] | 22 |
| Średnica otworu centrującego [mm] | 70 |
| Wysokość [mm] | 42 |
000
0000
00000| Kod towaru | BG3142C |
| Producent | DELPHI |
| Opis | tarcza hamulcowaMALOWANA VECTRA B (36_) |
| Typ tarczy hamulcowej | wentylowany |
| Liczba otworów | 5 |
| średnica zewnętrzna [mm] | 288 |
| Grubość tarczy hamulcowej [mm] | 25 |
| Minimalna grubość [mm] | 22 |
| Średnica otworu centrującego [mm] | 70 |
| Wysokość [mm] | 42 |
00
00000| Kod towaru | B130075 |
| Producent | DENCKERMANN |
| Opis | tarcza hamulcowa |
| Minimalna grubość [mm] | 22,0 |
| Typ tarczy hamulcowej | wentylowany |
| Średnica otworu [mm] | 14,0 |
| Grubość tarczy hamulcowej [mm] | 25 |
| Ø rozmieszczenia otworów [mm] | 110 |
| Liczba otworów 2 | 7 |
| Liczba otworów | 5 |
| Średnica wewnętrzna [mm] | 139,0 |
| Wysokość [mm] | 42 |
| Średnica otworu centrującego [mm] | 70 |
| średnica zewnętrzna [mm] | 288 |
00
00000
00000| Oś przednia | |
| Kod towaru | 10748 FEB |
| Producent | FEBI BILSTEIN |
| Opis | tarcza hamulcowa |
| Grubość tarczy hamulcowej [mm] | 25 |
| Felga, liczba otworów | 5 |
| Liczba otworów do mocowania | 3 |
| Grubość [mm] | 42,2 |
| średnica zewnętrzna [mm] | 288 |
| Ø rozmieszczenia otworów [mm] | 110 |
| Powierzchnia | pokryty |
| Typ tarczy hamulcowej | z wentylacją wewnętrzną |
| Strona zabudowy | Oś przednia |
| Minimalna grubość [mm] | 22 |
| Średnica otworu centrującego [mm] | 70 |
| Ciężar [kg] | 7,32 |
| uwzględnić informację serwisową | |
00
000
00000| Kod towaru | 8DD 355 104-681 |
| Producent | HELLA |
| Opis | tarcza hamulcowa |
| Typ tarczy hamulcowej | z wentylacją wewnętrzną |
| średnica zewnętrzna [mm] | 288 |
| Grubość tarczy hamulcowej [mm] | 25 |
| Wysokość [mm] | 42,2 |
| Minimalna grubość [mm] | 22 |
| Powierzchnia | pokryty |
| Ø rozmieszczenia otworów [mm] | 110 |
| Średnica otworu centrującego [mm] | 70 |
| Wzór otworów/liczba otworów | 05/08 |
| Informacja uzupełniająca | bez piasty koła |
| Informacja uzupełniająca | bez sworznia mocującego koła |
| Ciężar [kg] | 7,3 |
| Montaż/demontaż koniecznie do wykonania przez fachowców! |
00000| Kod towaru | O1321V LPR |
| Producent | LPR |
| Opis | tarcza hamulcowa |
| Liczba otworów | 7 |
| średnica zewnętrzna [mm] | 288 |
| Minimalna grubość [mm] | 21 |
| Grubość tarczy hamulcowej [mm] | 25 |
| Średnica otworu centrującego [mm] | 70 |
| Wysokość [mm] | 42,2 |
| Typ tarczy hamulcowej | z wentylacją wewnętrzną |
00
000
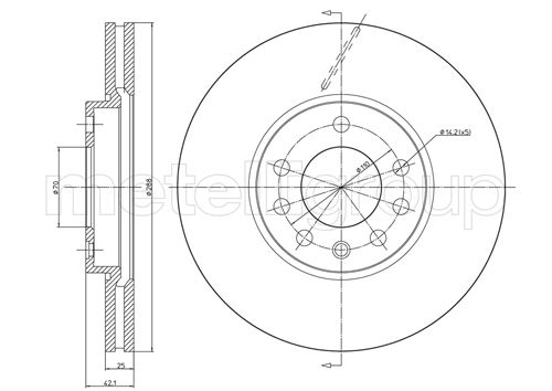
00000| Kod towaru | 23-0605C MET |
| Producent | METELLI |
| Opis | tarcza hamulcowa |
| Oznaczenie kontrolne | ECE-R90 |
| Wysokość [mm] | 42,0 |
| Typ tarczy hamulcowej | wentylowany |
| Grubość tarczy hamulcowej [mm] | 25,0 |
| średnica zewnętrzna [mm] | 288,0 |
| Liczba otworów | 5 |
| Średnica otworu centrującego [mm] | 70,0 |
| Powierzchnia | lakierowany |
0000
00000| Kod towaru | BS-4940 OPT |
| Producent | OPTIMAL |
| Opis | tarcza hamulcowa |
| Typ tarczy hamulcowej | wentylowany |
| Grubość tarczy hamulcowej [mm] | 25 |
| średnica zewnętrzna [mm] | 288 |
| Wysokość [mm] | 42 |
| Średnica otworu centrującego [mm] | 70 |
| Wzór otworów/liczba otworów | 5/8 |
0000
00000| Kod towaru | BS-4940C OPT |
| Producent | OPTIMAL |
| Opis | tarcza hamulcowa |
| Typ tarczy hamulcowej | wentylowany |
| Grubość tarczy hamulcowej [mm] | 25 |
| średnica zewnętrzna [mm] | 288 |
| Wysokość [mm] | 42 |
| Średnica otworu centrującego [mm] | 70 |
| Powierzchnia | pokryty |
| Informacja uzupełniająca | ze śrubami |
| Wzór otworów/liczba otworów | 5/8 |
00
00000
00000| Oś przednia | |
| Kod towaru | 9004811J SAS |
| Producent | SASIC |
| Opis | tarcza hamulcowa |
| Strona zabudowy | Oś przednia |
| Typ tarczy hamulcowej | wentylowany |
| średnica zewnętrzna [mm] | 288 |
| Grubość tarczy hamulcowej [mm] | 25 |
| Wysokość [mm] | 42,3 |
| Ø rozmieszczenia otworów [mm] | 70 |
| Liczba otworów | 7 |
| dla numeru OE | 32025723 |
| Informacja uzupełniająca | bez łożyska koła |
| Zamiana tylko w parach | |
00000| Kod towaru | VKBD 80549 V1 |
| Producent | SKF |
| Opis | tarcza hamulcowa |
| Typ tarczy hamulcowej | z wentylacją wewnętrzną |
| średnica zewnętrzna [mm] | 288 |
| Grubość tarczy hamulcowej [mm] | 25 |
| Wysokość [mm] | 42,2 |
| Ø rozmieszczenia otworów [mm] | 110 |
| Średnica otworu centrującego [mm] | 70 |
| Liczba otworów | 5 |
| Powierzchnia | pokryty |
| Minimalna grubość [mm] | 26,5 |
00
0000
00000| Oś przednia | |
| Kod towaru | 40 91 0748 |
| Producent | SWAG |
| Opis | tarcza hamulcowa |
| Grubość tarczy hamulcowej [mm] | 25 |
| Felga, liczba otworów | 5 |
| Liczba otworów do mocowania | 3 |
| Grubość [mm] | 42,2 |
| średnica zewnętrzna [mm] | 288 |
| Ø rozmieszczenia otworów [mm] | 110 |
| Powierzchnia | pokryty |
| Typ tarczy hamulcowej | z wentylacją wewnętrzną |
| Strona zabudowy | Oś przednia |
| Minimalna grubość [mm] | 22 |
| Średnica otworu centrującego [mm] | 70 |
| Ciężar [kg] | 7,32 |
0
0000
00000| Kod towaru | 92075603 TXT |
| Producent | TEXTAR |
| Opis | tarcza hamulcowa |
| Typ tarczy hamulcowej | z wentylacją wewnętrzną |
| średnica zewnętrzna [mm] | 288 |
| Grubość tarczy hamulcowej [mm] | 25 |
| Wysokość [mm] | 42,2 |
| Minimalna grubość [mm] | 22 |
| Powierzchnia | pokryty |
| Średnica wewnętrzna [mm] | 139 |
| Ø rozmieszczenia otworów [mm] | 110 |
| Średnica otworu centrującego [mm] | 70 |
| Wzór otworów/liczba otworów | 05/08 |
| Średnica otworu szpilki koła [mm] | 14,2 |
| Informacja uzupełniająca | bez piasty koła |
| Informacja uzupełniająca | bez łożyska koła |
| Informacja uzupełniająca | bez sworznia mocującego koła |
| Długość opakowania [cm] | 31,3 |
| Szerokość opakowania [cm] | 31,3 |
| Wysokość opakowania [cm] | 10 |
| Ciężar [kg] | 7,3 |
0
000
00000| Kod towaru | TX 70-55 |
| Producent | TOMEX BRAKES |
| Opis | tarcza hamulcowa0569056 |
| Typ tarczy hamulcowej | wentylowany |
| Grubość tarczy hamulcowej [mm] | 25 |
| średnica zewnętrzna [mm] | 288 |
| Wysokość [mm] | 41 |
| Liczba otworów | 7 |
| Średnica otworu centrującego [mm] | 70 |
| Ø rozmieszczenia otworów [mm] | 110 |
| Powierzchnia | lakierowany |
| Ciężar [kg] | 15,2 |
| Minimalna grubość [mm] | 22 |
00
00000| Oś przednia | |
| Kod towaru | 205521 HP |
| Producent | TOPRAN |
| Opis | tarcza hamulcowa |
| Strona zabudowy | Oś przednia |
| Typ tarczy hamulcowej | wentylowany |
| średnica zewnętrzna [mm] | 288 |
| średnica piasty [mm] | 150 |
| Średnica otworu centrującego [mm] | 70 |
| Grubość tarczy hamulcowej [mm] | 25 |
| Wysokość [mm] | 42 |
| Felga, liczba otworów | 5 |
| Ø rozmieszczenia otworów [mm] | 110 |
| Zamiana tylko w parach | |
00
00000
00000| Kod towaru | DF2778S |
| Producent | TRW |
| Opis | tarcza hamulcowa |
| Wymiar gwintu | 11,3 |
| średnica zewnętrzna [mm] | 288 |
| Grubość tarczy hamulcowej [mm] | 25 |
| Minimalna grubość [mm] | 22 |
| Typ tarczy hamulcowej | wentylowany |
| Liczba otworów | 7 |
| Ø rozmieszczenia otworów [mm] | 110 |
| Średnica otworu centrującego [mm] | 70 |
| Wysokość [mm] | 41 |
| Kolor | czarny |
| Powierzchnia | lakierowany |
| Oznaczenie kontrolne | E1 90R-02 C0176/0490 |
0
000
00000| Oś przednia | |
| Kod towaru | 40-80017 VAI |
| Producent | VAICO |
| Opis | tarcza hamulcowa |
| Wysokość piasty tarczy hamulcowej [mm] | 42,2 |
| Felga, liczba otworów | 5 |
| Wysokość [mm] | 42 |
| Typ tarczy hamulcowej | wentylowany |
| Grubość tarczy hamulcowej [mm] | 25 |
| Minimalna grubość [mm] | 22 |
| średnica zewnętrzna [mm] | 288 |
| Średnica otworu centrującego [mm] | 70 |
| Ø rozmieszczenia otworów [mm] | 110 |
| Strona zabudowy | Oś przednia |
00
000
00000| Kod towaru | 430.1473.52 ZIM |
| Producent | ZIMMERMANN |
| Opis | tarcza hamulcowa |
| Typ tarczy hamulcowej | z wentylacją wewnętrzną |
| Typ tarczy hamulcowej | perforowany |
| Przetwarzanie | wysoko nawęglany |
| Powierzchnia | pokryty |
| średnica zewnętrzna [mm] | 288 |
| Grubość tarczy hamulcowej [mm] | 25 |
| Wysokość [mm] | 42 |
| Felga, liczba otworów | 5 |
| Ø rozmieszczenia otworów [mm] | 110 |
| Średnica otworu centrującego [mm] | 70 |
| Oznaczenie kontrolne | KBA 60872 |
| Minimalna grubość [mm] | 22 |
| Ciężar [kg] | 7,4 |
| Wzór otworów/liczba otworów | 8/5 |
