000
00000| Oś tylna | |
| Kod towaru | 6155236033 MEY |
| Producent | MEYLE |
| Opis | tarcza hamulcowaTARCZA HAM. OPEL T. FRONTERA A 2,2-2,8 B/D |
| Strona zabudowy | Oś tylna |
| średnica zewnętrzna [mm] | 313 |
| Wysokość [mm] | 80,2 |
| Grubość tarczy hamulcowej [mm] | 18 |
| Minimalna grubość [mm] | 16,6 |
| Średnica otworu centrującego [mm] | 101 |
| Ø rozmieszczenia otworów [mm] | 139,6 |
| Średnica otworu szpilki koła [mm] | 12,6 |
| Liczba otworów | 6 |
| Typ tarczy hamulcowej | wentylowany |
| wymagana liczba | 2 |
0
00000| Kod towaru | BDC3958 QH |
| Producent | QUINTON HAZELL |
| Opis | tarcza hamulcowa- |
| Typ tarczy hamulcowej | wentylowany |
| średnica zewnętrzna [mm] | 313 |
| Grubość tarczy hamulcowej [mm] | 18 |
| Minimalna grubość [mm] | 16,6 |
| Wysokość [mm] | 72 |
| Średnica otworu centrującego [mm] | 101 |
| Ø rozmieszczenia otworów [mm] | 140 |
| Liczba otworów | 6 |
00
000
00000| Oś tylna | |
| Kod towaru | 61-09-997C ASH |
| Producent | ASHIKA |
| Opis | tarcza hamulcowa |
| Strona zabudowy | Oś tylna |
| Ø rozmieszczenia otworów [mm] | 101 |
| Wysokość [mm] | 80,3 |
| średnica zewnętrzna [mm] | 312,8 |
| Grubość tarczy hamulcowej [mm] | 18 |
| Minimalna grubość [mm] | 16,6 |
| Liczba otworów | 6 |
| Typ tarczy hamulcowej | wentylowany |
| Powierzchnia | lakierowany |
| Moment dokręcenia [Nm] | 118 |
| dla numeru OE | 8972077020 |
00
0000
00000| Oś tylna | |
| Kod towaru | ADZ94313 BLP |
| Producent | BLUE PRINT |
| Opis | tarcza hamulcowa |
| Grubość tarczy hamulcowej [mm] | 18 |
| Felga, liczba otworów | 6 |
| Liczba otworów do mocowania | 1 |
| Grubość [mm] | 82 |
| średnica zewnętrzna [mm] | 313 |
| Ø rozmieszczenia otworów [mm] | 140 |
| Powierzchnia | pokryty |
| Typ tarczy hamulcowej | z wentylacją wewnętrzną |
| Strona zabudowy | Oś tylna |
| Minimalna grubość [mm] | 16,6 |
| Średnica otworu centrującego [mm] | 101 |
| uwzględnić informację serwisową | |
000
00000
00000| Kod towaru | 0986478496 |
| Producent | BOSCH |
| Opis | tarcza hamulcowa |
| średnica zewnętrzna [mm] | 313 |
| Grubość tarczy hamulcowej [mm] | 18 |
| Minimalna grubość [mm] | 16,6 |
| Wysokość [mm] | 80 |
| Ø rozmieszczenia otworów [mm] | 139,7 |
| Typ tarczy hamulcowej | wentylowany |
| Średnica otworu centrującego [mm] | 101 |
| Liczba otworów | 6 |
| Powierzchnia | naoliwione |
| spełnia wymagania Normy ECE | ECE-R90 |
| Średnica otworu do [mm] | 12,6 |
| Typ tarczy hamulcowej | z wentylacją wewnętrzną |
000
000
00000| Kod towaru | 09.7377.10 |
| Producent | BREMBO |
| Opis | tarcza hamulcowa |
| Typ tarczy hamulcowej | z wentylacją wewnętrzną |
| Grubość tarczy hamulcowej [mm] | 18 |
| Liczba otworów | 6 |
| Wysokość [mm] | 80 |
| Średnica otworu centrującego [mm] | 101 |
| średnica zewnętrzna [mm] | 313 |
| Minimalna grubość [mm] | 16,6 |
| Moment dokręcenia [Nm] | 118 |
0
0
00000| Kod towaru | 800-511 CIF |
| Producent | CIFAM |
| Opis | tarcza hamulcowa |
| Oznaczenie kontrolne | ECE-R90 |
| Wysokość [mm] | 80,2 |
| Typ tarczy hamulcowej | wentylowany |
| Grubość tarczy hamulcowej [mm] | 18,0 |
| średnica zewnętrzna [mm] | 313,0 |
| Liczba otworów | 6 |
| Średnica otworu centrującego [mm] | 101,0 |
000
0000
00000| Kod towaru | BG3353 |
| Producent | DELPHI |
| Opis | tarcza hamulcowaMERIVA 03-10 TYŁ |
| Typ tarczy hamulcowej | wentylowany |
| Liczba otworów | 6 |
| Oznaczenie kontrolne | E1 90R-02C0438/1624 |
| Powierzchnia | naoliwione |
| średnica zewnętrzna [mm] | 313 |
| Grubość tarczy hamulcowej [mm] | 18 |
| Minimalna grubość [mm] | 16,6 |
| Średnica otworu centrującego [mm] | 101 |
| Wysokość [mm] | 80,2 |
00
00000
00000| Oś tylna | |
| Kod towaru | 23561 FEB |
| Producent | FEBI BILSTEIN |
| Opis | tarcza hamulcowa |
| Grubość tarczy hamulcowej [mm] | 18 |
| Felga, liczba otworów | 6 |
| Liczba otworów do mocowania | 1 |
| Grubość [mm] | 82 |
| średnica zewnętrzna [mm] | 313 |
| Ø rozmieszczenia otworów [mm] | 140 |
| Powierzchnia | pokryty |
| Typ tarczy hamulcowej | z wentylacją wewnętrzną |
| Strona zabudowy | Oś tylna |
| Minimalna grubość [mm] | 16,6 |
| Średnica otworu centrującego [mm] | 101 |
| uwzględnić informację serwisową | |
00000| Kod towaru | DDF695 FER |
| Producent | FERODO |
| Opis | tarcza hamulcowa |
| Typ tarczy hamulcowej | wentylowany |
| średnica zewnętrzna [mm] | 313 |
| Grubość tarczy hamulcowej [mm] | 18 |
| Informacja uzupełniająca | ze śrubami |
| Wysokość [mm] | 80,2 |
| Ø rozmieszczenia otworów [mm] | 139,7 |
| Średnica otworu centrującego [mm] | 101 |
| Liczba otworów | 6 |
| Jednostka ilości | Zestaw |
| Powierzchnia | naoliwione |
| Oznaczenie kontrolne | R90 Homologated |
| Ciężar [kg] | 13,82 |
| Minimalna grubość [mm] | 16,6 |
| Moment dokręcenia [Nm] | 118 |
| Rodzaj połączenia | Pudełko |
| Długość opakowania [cm] | 32 |
| Szerokość opakowania [cm] | 32 |
| Wysokość opakowania [cm] | 18 |
00
000
00000| Kod towaru | 8DD 355 106-021 |
| Producent | HELLA |
| Opis | tarcza hamulcowa |
| Typ tarczy hamulcowej | z wentylacją wewnętrzną |
| średnica zewnętrzna [mm] | 313 |
| Grubość tarczy hamulcowej [mm] | 18 |
| Wysokość [mm] | 80 |
| Minimalna grubość [mm] | 16,6 |
| Ø rozmieszczenia otworów [mm] | 139,7 |
| Średnica otworu centrującego [mm] | 101 |
| Wzór otworów/liczba otworów | 06/07 |
| Informacja uzupełniająca | bez piasty koła |
| Informacja uzupełniająca | bez sworznia mocującego koła |
| Ciężar [kg] | 7 |
| Montaż/demontaż koniecznie do wykonania przez fachowców! |
0
0
00000| Kod towaru | 30H9042-JPN |
| Producent | JPN |
| Opis | tarcza hamulcowa(276x22mm) MERCEDES SPRINTER 94-06 VW LT II |
| Typ tarczy hamulcowej | z wentylacją wewnętrzną |
| Wysokość [mm] | 77 |
| Grubość tarczy hamulcowej [mm] | 22 |
| średnica zewnętrzna [mm] | 276 |
| Liczba otworów | 5 |
| Średnica otworu centrującego [mm] | 85 |
0
0
00000| Kod towaru | 30H9046-JPN |
| Producent | JPN |
| Opis | tarcza hamulcowa(305x28mm) RENAULT TRAFIC II , OPEL VIVARO II, NISSAN PRIMASTAR |
| Typ tarczy hamulcowej | z wentylacją wewnętrzną |
| Wysokość [mm] | 49,4 |
| Grubość tarczy hamulcowej [mm] | 28 |
| średnica zewnętrzna [mm] | 305 |
| Liczba otworów | 5 |
| Średnica otworu centrującego [mm] | 72 |
00
00000
00000| Kod towaru | DF0088 |
| Producent | MAGNETI MARELLI |
| Opis | tarcza hamulcowa |
| Przetwarzanie | wysoko nawęglany |
| Typ tarczy hamulcowej | z wentylacją wewnętrzną |
| Średnica [mm] | 305 |
| Wysokość [mm] | 49,4 |
| Minimalna grubość [mm] | 24 |
| Liczba otworów | 5 |
| Ø rozmieszczenia otworów [mm] | 72 |
| Informacja uzupełniająca | ze śrubami |
| Grubość tarczy hamulcowej [mm] | 28 |
| średnica zewnętrzna [mm] | 305 |
00
00000
00000| Kod towaru | DF0985 |
| Producent | MAGNETI MARELLI |
| Opis | tarcza hamulcowa |
| Przetwarzanie | wysoko nawęglany |
| Typ tarczy hamulcowej | wew. wentylowany – wentylowanie skrzydełkami w formie kropli |
| Średnica [mm] | 276 |
| Wysokość [mm] | 77 |
| Minimalna grubość [mm] | 19 |
| Liczba otworów | 5 |
| Ø rozmieszczenia otworów [mm] | 85 |
| Moment dokręcenia [Nm] | 175 |
| Grubość tarczy hamulcowej [mm] | 22 |
| średnica zewnętrzna [mm] | 276 |
00
000
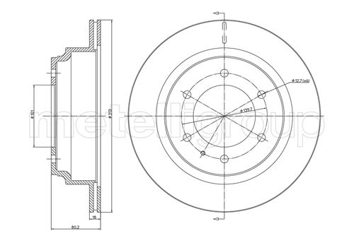
00000| Kod towaru | 23-0511 MET |
| Producent | METELLI |
| Opis | tarcza hamulcowa |
| Oznaczenie kontrolne | ECE-R90 |
| Wysokość [mm] | 80,2 |
| Typ tarczy hamulcowej | wentylowany |
| Grubość tarczy hamulcowej [mm] | 18,0 |
| średnica zewnętrzna [mm] | 313,0 |
| Liczba otworów | 6 |
| Średnica otworu centrującego [mm] | 101,0 |
00
000
00000| Oś tylna | |
| Kod towaru | KLT-DW-020P NTY |
| Producent | NTY |
| Opis | zestaw łożysk kołaOPEL CORSA A/B -00 |
| Strona zabudowy | Oś tylna |
00000| Kod towaru | VKBD 90850 V2 |
| Producent | SKF |
| Opis | tarcza hamulcowa |
| Typ tarczy hamulcowej | z wentylacją wewnętrzną |
| średnica zewnętrzna [mm] | 313 |
| Grubość tarczy hamulcowej [mm] | 18 |
| Wysokość [mm] | 80 |
| Ø rozmieszczenia otworów [mm] | 139,7 |
| Średnica otworu centrującego [mm] | 101 |
| Liczba otworów | 6 |
| Powierzchnia | pokryty |
| Minimalna grubość [mm] | 16 |
00
0000
00000| Oś tylna | |
| Kod towaru | 40 92 3561 |
| Producent | SWAG |
| Opis | tarcza hamulcowa |
| Grubość tarczy hamulcowej [mm] | 18 |
| Felga, liczba otworów | 6 |
| Liczba otworów do mocowania | 1 |
| Grubość [mm] | 82 |
| średnica zewnętrzna [mm] | 313 |
| Ø rozmieszczenia otworów [mm] | 139,7 |
| Powierzchnia | pokryty |
| Typ tarczy hamulcowej | z wentylacją wewnętrzną |
| Strona zabudowy | Oś tylna |
| Minimalna grubość [mm] | 16,6 |
| Średnica otworu centrującego [mm] | 101 |
0
0000
00000| Kod towaru | 92091600 TXT |
| Producent | TEXTAR |
| Opis | tarcza hamulcowa |
| Typ tarczy hamulcowej | z wentylacją wewnętrzną |
| średnica zewnętrzna [mm] | 313 |
| Grubość tarczy hamulcowej [mm] | 18 |
| Wysokość [mm] | 80 |
| Minimalna grubość [mm] | 16,6 |
| Średnica wewnętrzna [mm] | 210 |
| Ø rozmieszczenia otworów [mm] | 139,7 |
| Średnica otworu centrującego [mm] | 101 |
| Wzór otworów/liczba otworów | 06/07 |
| Średnica otworu szpilki koła [mm] | 12,5 |
| Informacja uzupełniająca | bez piasty koła |
| Informacja uzupełniająca | bez łożyska koła |
| Informacja uzupełniająca | bez sworznia mocującego koła |
| Długość opakowania [cm] | 32,8 |
| Szerokość opakowania [cm] | 32,8 |
| Wysokość opakowania [cm] | 17,9 |
| Ciężar [kg] | 7 |
0
000
00000| Oś tylna | |
| Kod towaru | 40-80039 VAI |
| Producent | VAICO |
| Opis | tarcza hamulcowa |
| Strona zabudowy | Oś tylna |
| Felga, liczba otworów | 6 |
| Wysokość [mm] | 80,2 |
| Typ tarczy hamulcowej | wentylowany |
| Grubość tarczy hamulcowej [mm] | 18 |
| Minimalna grubość [mm] | 16,6 |
| średnica zewnętrzna [mm] | 313 |
| Średnica otworu centrującego [mm] | 101 |
| Ø rozmieszczenia otworów [mm] | 139,6 |
| Wysokość piasty tarczy hamulcowej [mm] | 63 |
