0
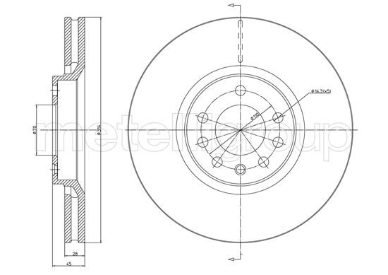
00000| Kod towaru | BDC5496 QH |
| Producent | QUINTON HAZELL |
| Opis | tarcza hamulcowa- |
| Typ tarczy hamulcowej | wentylowany |
| średnica zewnętrzna [mm] | 314 |
| Grubość tarczy hamulcowej [mm] | 28 |
| Minimalna grubość [mm] | 25 |
| Wysokość [mm] | 45 |
| Średnica otworu centrującego [mm] | 70 |
| Ø rozmieszczenia otworów [mm] | 110 |
| Liczba otworów | 5 |
00
000
00000| Kod towaru | 60-00-0417 ASH |
| Producent | ASHIKA |
| Opis | tarcza hamulcowa |
00
000
00000| Kod towaru | 60-00-0417C ASH |
| Producent | ASHIKA |
| Opis | tarcza hamulcowa |
| średnica zewnętrzna [mm] | 314 |
| Wysokość [mm] | 45,2 |
| Typ tarczy hamulcowej | wentylowany |
| Grubość tarczy hamulcowej [mm] | 28 |
| Minimalna grubość [mm] | 25 |
| Liczba otworów | 5 |
| Powierzchnia | lakierowany |
| Moment dokręcenia [Nm] | 110 |
| dla numeru OE | 95526643 |
00
00000
00000| Kod towaru | 24.0128-0164.1 |
| Producent | ATE |
| Opis | tarcza hamulcowa |
| średnica zewnętrzna [mm] | 314,0 |
| Grubość tarczy hamulcowej [mm] | 28,0 |
| Minimalna grubość [mm] | 25,0 |
| Typ tarczy hamulcowej | wentylowany |
| Przetwarzanie | wysoko nawęglany |
| Powierzchnia | pokryty |
| Liczba otworów | 5 |
| Informacja uzupełniająca | ze śrubami |
| Dostępne MAPP-Code | |
| Liczba otworów 2 | 7 |
| Ø rozmieszczenia otworów [mm] | 110,0 |
| Wysokość [mm] | 44,9 |
| Średnica otworu centrującego [mm] | 70,0 |
| Średnica wewnętrzna [mm] | 139,0 |
| Średnica otworu [mm] | 14,0 |
| Oznaczenie kontrolne | E1 90R-02C0118/1023 |
00
0000
00000| Oś przednia | |
| Kod towaru | ADA104334 BLP |
| Producent | BLUE PRINT |
| Opis | tarcza hamulcowa |
| Grubość tarczy hamulcowej [mm] | 28 |
| Felga, liczba otworów | 5 |
| Liczba otworów do mocowania | 1 |
| Grubość [mm] | 45 |
| średnica zewnętrzna [mm] | 314 |
| Ø rozmieszczenia otworów [mm] | 110 |
| Powierzchnia | pokryty |
| Typ tarczy hamulcowej | z wentylacją wewnętrzną |
| Strona zabudowy | Oś przednia |
| Minimalna grubość [mm] | 25 |
| Średnica otworu centrującego [mm] | 70 |
| uwzględnić informację serwisową | |
000
00000
00000| Kod towaru | 0986479143 |
| Producent | BOSCH |
| Opis | tarcza hamulcowa |
| średnica zewnętrzna [mm] | 314 |
| Grubość tarczy hamulcowej [mm] | 28 |
| Minimalna grubość [mm] | 25 |
| Wysokość [mm] | 45,2 |
| Ø rozmieszczenia otworów [mm] | 110 |
| Typ tarczy hamulcowej | wentylowany |
| Średnica otworu centrującego [mm] | 70 |
| Liczba otworów | 7 |
| Powierzchnia | pokryty |
| Przetwarzanie | wysoko nawęglany |
| spełnia wymagania Normy ECE | ECE-R90 |
| Średnica otworu do [mm] | 14,3 |
000
000
00000| Kod towaru | 09.9177.10 |
| Producent | BREMBO |
| Opis | tarcza hamulcowa |
| Typ tarczy hamulcowej | z wentylacją wewnętrzną |
| Grubość tarczy hamulcowej [mm] | 28 |
| Liczba otworów | 5 |
| Wysokość [mm] | 45 |
| Średnica otworu centrującego [mm] | 70 |
| średnica zewnętrzna [mm] | 314 |
| Przetwarzanie | wysoko nawęglany |
| Minimalna grubość [mm] | 25 |
| Moment dokręcenia [Nm] | 110 |
000
000
00000| Kod towaru | 09.9177.11 |
| Producent | BREMBO |
| Opis | tarcza hamulcowa |
| Typ tarczy hamulcowej | z wentylacją wewnętrzną |
| Grubość tarczy hamulcowej [mm] | 28 |
| Liczba otworów | 5 |
| Wysokość [mm] | 45 |
| Średnica otworu centrującego [mm] | 70 |
| średnica zewnętrzna [mm] | 314 |
| Przetwarzanie | wysoko nawęglany |
| Powierzchnia | pokryty |
| Minimalna grubość [mm] | 25 |
| Moment dokręcenia [Nm] | 110 |
00
000
00000| Oś przednia | |
| Kod towaru | 1031125 |
| Producent | KAMOKA |
| Opis | tarcza hamulcowa |
| Strona zabudowy | Oś przednia |
| Typ tarczy hamulcowej | wentylowany |
| Grubość tarczy hamulcowej [mm] | 28 |
| Ø rozmieszczenia otworów [mm] | 110 |
| Liczba otworów | 7 |
| Wysokość [mm] | 44 |
| Średnica otworu centrującego [mm] | 70 |
| Powierzchnia | pokryty |
| średnica zewnętrzna [mm] | 314 |
00
00000
00000| Oś przednia | |
| Kod towaru | 44130 FEB |
| Producent | FEBI BILSTEIN |
| Opis | tarcza hamulcowa |
| Grubość tarczy hamulcowej [mm] | 28 |
| Felga, liczba otworów | 5 |
| Liczba otworów do mocowania | 1 |
| Grubość [mm] | 45 |
| średnica zewnętrzna [mm] | 314 |
| Ø rozmieszczenia otworów [mm] | 110 |
| Powierzchnia | pokryty |
| Typ tarczy hamulcowej | z wentylacją wewnętrzną |
| Strona zabudowy | Oś przednia |
| Minimalna grubość [mm] | 25 |
| Średnica otworu centrującego [mm] | 70 |
| uwzględnić informację serwisową | |
0
0
00000| Kod towaru | 800-1353C CIF |
| Producent | CIFAM |
| Opis | tarcza hamulcowa |
| Oznaczenie kontrolne | ECE-R90 |
| Wysokość [mm] | 45,2 |
| Typ tarczy hamulcowej | wentylowany |
| Grubość tarczy hamulcowej [mm] | 28,0 |
| średnica zewnętrzna [mm] | 314,0 |
| Liczba otworów | 5 |
| Średnica otworu centrującego [mm] | 70,0 |
| Powierzchnia | lakierowany |
00
000
00000| Kod towaru | 8DD 355 127-851 |
| Producent | HELLA |
| Opis | tarcza hamulcowa |
| Typ tarczy hamulcowej | wentylowany zewnętrznie |
| średnica zewnętrzna [mm] | 314 |
| Grubość tarczy hamulcowej [mm] | 28 |
| Wysokość [mm] | 45 |
| Minimalna grubość [mm] | 25 |
| Przetwarzanie | wysoko nawęglany |
| Powierzchnia | pokryty |
| Ø rozmieszczenia otworów [mm] | 110 |
| Średnica otworu centrującego [mm] | 70 |
| Wzór otworów/liczba otworów | 05/08 |
| Informacja uzupełniająca | bez piasty koła |
| Informacja uzupełniająca | bez sworznia mocującego koła |
| Ciężar [kg] | 9,3 |
| Montaż/demontaż koniecznie do wykonania przez fachowców! |
00
00000| Kod towaru | B130451 |
| Producent | DENCKERMANN |
| Opis | tarcza hamulcowa |
| Minimalna grubość [mm] | 25,0 |
| Typ tarczy hamulcowej | wentylowany |
| Średnica otworu [mm] | 14,0 |
| Grubość tarczy hamulcowej [mm] | 28 |
| Ø rozmieszczenia otworów [mm] | 110 |
| Liczba otworów 2 | 7 |
| Liczba otworów | 5 |
| Średnica wewnętrzna [mm] | 139,0 |
| Wysokość [mm] | 44,9 |
| Średnica otworu centrującego [mm] | 70 |
| średnica zewnętrzna [mm] | 314 |
000
0000
00000| Kod towaru | BG3973 |
| Producent | DELPHI |
| Opis | tarcza hamulcowaVECTRA C 42774 1,6-2,2DTI |
| Typ tarczy hamulcowej | wentylowany |
| Liczba otworów | 5 |
| Oznaczenie kontrolne | E1 90R-02C0289/1854 |
| Powierzchnia | naoliwione |
| średnica zewnętrzna [mm] | 314 |
| Grubość tarczy hamulcowej [mm] | 28 |
| Minimalna grubość [mm] | 25 |
| Średnica otworu centrującego [mm] | 70 |
| Wysokość [mm] | 44,8 |
00000| Kod towaru | DDF1237C-1 FER |
| Producent | FERODO |
| Opis | tarcza hamulcowa |
| Typ tarczy hamulcowej | wentylowany |
| średnica zewnętrzna [mm] | 314 |
| Grubość tarczy hamulcowej [mm] | 28 |
| Informacja uzupełniająca | bez śrub |
| Wysokość [mm] | 45,2 |
| Średnica otworu centrującego [mm] | 70 |
| Liczba otworów | 5 |
| Jednostka ilości | Sztuka |
| Powierzchnia | pokryty |
| Ciężar [kg] | 19,17 |
| Minimalna grubość [mm] | 25 |
| Moment dokręcenia [Nm] | 110 |
| Długość opakowania [cm] | 30 |
| Szerokość opakowania [cm] | 30 |
| Wysokość opakowania [cm] | 11 |
00
00000
00000| Kod towaru | DF0084 |
| Producent | MAGNETI MARELLI |
| Opis | tarcza hamulcowa |
| Przetwarzanie | wysoko nawęglany |
| Typ tarczy hamulcowej | z wentylacją wewnętrzną |
| Średnica [mm] | 280 |
| Wysokość [mm] | 42 |
| Minimalna grubość [mm] | 22 |
| Liczba otworów | 4 |
| Ø rozmieszczenia otworów [mm] | 60 |
| Moment dokręcenia [Nm] | 110 |
| Informacja uzupełniająca | ze śrubami |
| Grubość tarczy hamulcowej [mm] | 25 |
| średnica zewnętrzna [mm] | 280 |

00
00000
00000| Kod towaru | DF0401 |
| Producent | MAGNETI MARELLI |
| Opis | tarcza hamulcowa |
| Typ tarczy hamulcowej | z wentylacją wewnętrzną |
| Średnica [mm] | 292 |
| Wysokość [mm] | 41,5 |
| Minimalna grubość [mm] | 18 |
| Liczba otworów | 5 |
| Ø rozmieszczenia otworów [mm] | 65,5 |
| Moment dokręcenia [Nm] | 120 |
| dla rozmiaru opon | 16-17 |
| Informacja uzupełniająca | ze śrubami |
| Grubość tarczy hamulcowej [mm] | 20 |
| średnica zewnętrzna [mm] | 292 |
00
00000
00000| Kod towaru | DF0740 |
| Producent | MAGNETI MARELLI |
| Opis | tarcza hamulcowa |
| Typ tarczy hamulcowej | z wentylacją wewnętrzną |
| Średnica [mm] | 253 |
| Wysokość [mm] | 49,2 |
| Minimalna grubość [mm] | 15 |
| Liczba otworów | 4 |
| Ø rozmieszczenia otworów [mm] | 60 |
| Moment dokręcenia [Nm] | 85 |
| Informacja uzupełniająca | ze śrubami |
| Grubość tarczy hamulcowej [mm] | 17 |
| średnica zewnętrzna [mm] | 253 |
00
00000
00000| Kod towaru | DFV0401 |
| Producent | MAGNETI MARELLI |
| Opis | tarcza hamulcowa |
| Powierzchnia | pokryty lakierem UV |
| Typ tarczy hamulcowej | z wentylacją wewnętrzną |
| Średnica [mm] | 292 |
| Wysokość [mm] | 41,5 |
| Minimalna grubość [mm] | 18 |
| Liczba otworów | 5 |
| Ø rozmieszczenia otworów [mm] | 65,5 |
| Moment dokręcenia [Nm] | 120 |
| dla rozmiaru opon | 16-17 |
| Informacja uzupełniająca | ze śrubami |
| Grubość tarczy hamulcowej [mm] | 20 |
| średnica zewnętrzna [mm] | 292 |
00
000
00000| Kod towaru | 23-1353C MET |
| Producent | METELLI |
| Opis | tarcza hamulcowa |
| Oznaczenie kontrolne | ECE-R90 |
| Wysokość [mm] | 45,2 |
| Typ tarczy hamulcowej | wentylowany |
| Grubość tarczy hamulcowej [mm] | 28,0 |
| średnica zewnętrzna [mm] | 314,0 |
| Liczba otworów | 5 |
| Średnica otworu centrującego [mm] | 70,0 |
| Powierzchnia | lakierowany |
00
0000
00000| Oś przednia | |
| Kod towaru | 40 94 4130 |
| Producent | SWAG |
| Opis | tarcza hamulcowa |
| Grubość tarczy hamulcowej [mm] | 28 |
| Felga, liczba otworów | 5 |
| Liczba otworów do mocowania | 1 |
| Grubość [mm] | 45,2 |
| średnica zewnętrzna [mm] | 314 |
| Ø rozmieszczenia otworów [mm] | 110 |
| Powierzchnia | pokryty |
| Typ tarczy hamulcowej | z wentylacją wewnętrzną |
| Strona zabudowy | Oś przednia |
| Minimalna grubość [mm] | 25 |
| Średnica otworu centrującego [mm] | 70 |
0
00000| Oś przednia | |
| Kod towaru | 6155210008/PD MEY |
| Producent | MEYLE |
| Opis | tarcza hamulcowa |
| Strona zabudowy | Oś przednia |
| średnica zewnętrzna [mm] | 314 |
| Wysokość [mm] | 44,9 |
| Grubość tarczy hamulcowej [mm] | 28 |
| Minimalna grubość [mm] | 25 |
| Średnica otworu centrującego [mm] | 70 |
| Ø rozmieszczenia otworów [mm] | 110 |
| Średnica otworu szpilki koła [mm] | 14 |
| Liczba otworów | 5 |
| Typ tarczy hamulcowej | wentylowany |
| Powierzchnia | Płytki pokryte cynkiem |
| Informacja uzupełniająca | ze śrubami |
| Jakość | PREMIUM |
| wymagana liczba | 2 |
0
0000
00000| Kod towaru | 92118803 TXT |
| Producent | TEXTAR |
| Opis | tarcza hamulcowaTarcza hamulcowa przód L/P OPEL SIGNUM, VECTRA C, VECTRA C GTS; SAAB 9-3 1.8-3.2 08.02- |
| Typ tarczy hamulcowej | wentylowany zewnętrznie |
| średnica zewnętrzna [mm] | 314 |
| Grubość tarczy hamulcowej [mm] | 28 |
| Wysokość [mm] | 45 |
| Minimalna grubość [mm] | 25 |
| Powierzchnia | pokryty |
| Średnica wewnętrzna [mm] | 139 |
| Ø rozmieszczenia otworów [mm] | 110 |
| Średnica otworu centrującego [mm] | 70 |
| Wzór otworów/liczba otworów | 05/08 |
| Średnica otworu szpilki koła [mm] | 14 |
| Informacja uzupełniająca | bez piasty koła |
| Informacja uzupełniająca | bez łożyska koła |
| Informacja uzupełniająca | bez sworznia mocującego koła |
| Długość opakowania [cm] | 32,8 |
| Szerokość opakowania [cm] | 32,8 |
| Wysokość opakowania [cm] | 12,5 |
| Ciężar [kg] | 9,3 |
00000| Kod towaru | VKBD 80492 V1 |
| Producent | SKF |
| Opis | tarcza hamulcowa |
| Typ tarczy hamulcowej | z wentylacją wewnętrzną |
| średnica zewnętrzna [mm] | 314 |
| Grubość tarczy hamulcowej [mm] | 28 |
| Wysokość [mm] | 45,2 |
| Ø rozmieszczenia otworów [mm] | 110 |
| Średnica otworu centrującego [mm] | 70 |
| Liczba otworów | 5 |
| Powierzchnia | pokryty |
| Minimalna grubość [mm] | 25 |
| Liczba otworów | 3 |
