0
00222| Kod towaru | O1004P SAM |
| Producent | SAMKO |
| Opis | tarcza hamulcowaLITA TYŁ |
| Liczba otworów | 4 |
| Wysokość [mm] | 42,2 |
| Średnica otworu centrującego [mm] | 57 |
| Średnica zewnętrzna [mm] | 264 |
| Minimalna grubość [mm] | 8 |
| Typ tarczy hamulcowej | pełny |
| Grubość tarczy hamulcowej [mm] | 10 |
00
00000| Oś tylna | |
| Kod towaru | 6155236043 MEY |
| Producent | MEYLE |
| Opis | tarcza hamulcowaTARCZA HAM. OPEL T. MERIVA /COMBO 01- 264X10 |
| Strona zabudowy | Oś tylna |
| Średnica zewnętrzna [mm] | 264 |
| Wysokość [mm] | 42 |
| Grubość tarczy hamulcowej [mm] | 10 |
| Minimalna grubość [mm] | 8 |
| Średnica otworu centrującego [mm] | 57 |
| Ø rozmieszczenia otworów [mm] | 100 |
| Średnica otworu szpilki koła [mm] | 14 |
| Liczba otworów | 4 |
| Typ tarczy hamulcowej | pełny |
| wymagana liczba | 2 |
0
00000| Kod towaru | BDC5456 QH |
| Producent | QUINTON HAZELL |
| Opis | tarcza hamulcowa- |
| Typ tarczy hamulcowej | pełny |
| Średnica zewnętrzna [mm] | 264 |
| Grubość tarczy hamulcowej [mm] | 10 |
| Minimalna grubość [mm] | 8 |
| Wysokość [mm] | 42 |
| Średnica otworu centrującego [mm] | 57 |
| Ø rozmieszczenia otworów [mm] | 100 |
| Liczba otworów | 4 |
00
02022| Kod towaru | B130593 |
| Producent | DENCKERMANN |
| Opis | tarcza hamulcowa |
| Minimalna grubość [mm] | 8 |
| Typ tarczy hamulcowej | pełny |
| Średnica otworu [mm] | 14 |
| Grubość tarczy hamulcowej [mm] | 10 |
| Ø rozmieszczenia otworów [mm] | 100 |
| Liczba otworów | 4 |
| Średnica wewnętrzna [mm] | 145 |
| Wysokość [mm] | 42 |
| Średnica otworu centrującego [mm] | 57 |
| Średnica zewnętrzna [mm] | 264 |
| Rozporządzenie UE w sprawie bezpieczeństwa produktów (GPSR) | IEC 60417-6183 wymagana specjalistyczna wiedza mechaniczna |
00
00000
00000| Oś tylna | |
| Kod towaru | 28152 FEB |
| Producent | FEBI BILSTEIN |
| Opis | tarcza hamulcowa |
| Grubość tarczy hamulcowej [mm] | 10 |
| Felga, liczba otworów | 4 |
| Liczba otworów do mocowania | 1 |
| Grubość [mm] | 42,1 |
| Średnica zewnętrzna [mm] | 264 |
| Ø rozmieszczenia otworów [mm] | 100 |
| Powierzchnia | pokryty |
| Typ tarczy hamulcowej | pełny |
| Strona zabudowy | Oś tylna |
| Minimalna grubość [mm] | 8 |
| Średnica otworu centrującego [mm] | 57 |
| uwzględnić informację serwisową | |
00000| Kod towaru | DDF1313 FER |
| Producent | FERODO |
| Opis | tarcza hamulcowa |
| Typ tarczy hamulcowej | pełny |
| Średnica zewnętrzna [mm] | 264 |
| Grubość tarczy hamulcowej [mm] | 10 |
| Informacja uzupełniająca | ze śrubami |
| Wysokość [mm] | 42 |
| Ø rozmieszczenia otworów [mm] | 100 |
| Średnica otworu centrującego [mm] | 57 |
| Liczba otworów | 4 |
| Jednostka ilości | Zestaw |
| Powierzchnia | naoliwione |
| Oznaczenie kontrolne | R90 Homologated |
| Ciężar [kg] | 7,62 |
| Minimalna grubość [mm] | 8 |
| Moment dokręcenia [Nm] | 110 |
| Rodzaj połączenia | Pudełko |
| Długość opakowania [cm] | 25,5 |
| Szerokość opakowania [cm] | 25,5 |
| Wysokość opakowania [cm] | 8,5 |
00000| Kod towaru | DDF1313C FER |
| Producent | FERODO |
| Opis | tarcza hamulcowa |
| Typ tarczy hamulcowej | pełny |
| Średnica zewnętrzna [mm] | 264 |
| Grubość tarczy hamulcowej [mm] | 10 |
| Informacja uzupełniająca | ze śrubami |
| Wysokość [mm] | 42 |
| Średnica otworu centrującego [mm] | 57 |
| Liczba otworów | 4 |
| Jednostka ilości | Sztuka |
| Powierzchnia | pokryty |
| Oznaczenie kontrolne | R90 Homologated |
| Ciężar [kg] | 3,81 |
| Minimalna grubość [mm] | 8 |
| Moment dokręcenia [Nm] | 110 |
| Długość opakowania [cm] | 28 |
| Szerokość opakowania [cm] | 28 |
| Wysokość opakowania [cm] | 10,5 |
00
000
00000| Kod towaru | 8DD 355 110-271 |
| Producent | HELLA |
| Opis | tarcza hamulcowa |
| Typ tarczy hamulcowej | pełny |
| Średnica zewnętrzna [mm] | 264 |
| Grubość tarczy hamulcowej [mm] | 10 |
| Wysokość [mm] | 42,1 |
| Minimalna grubość [mm] | 8 |
| Powierzchnia | pokryty |
| Średnica wewnętrzna [mm] | 144,9 |
| Ø rozmieszczenia otworów [mm] | 100 |
| Średnica otworu centrującego [mm] | 57 |
| Wzór otworów/liczba otworów | 04/05 |
| Średnica otworu szpilki koła [mm] | 14,2 |
| Informacja uzupełniająca | bez piasty koła |
| Informacja uzupełniająca | bez łożyska koła |
| Informacja uzupełniająca | bez sworznia mocującego koła |
| Ciężar [kg] | 3,8 |
| Montaż/demontaż koniecznie do wykonania przez fachowców! |
0
0
00000| Oś tylna | |
| Kod towaru | 40H9041-JPN |
| Producent | JPN |
| Opis | tarcza hamulcowa(264x10mm) OPEL MERIVA 03-10 |
| Strona zabudowy | Oś tylna |
| Typ tarczy hamulcowej | pełny |
| Wysokość [mm] | 42 |
| Grubość tarczy hamulcowej [mm] | 10 |
| Średnica zewnętrzna [mm] | 264 |
| Średnica otworu centrującego [mm] | 57 |
| Ø rozmieszczenia otworów [mm] | 100 |
00000| Kod towaru | O1004P LPR |
| Producent | LPR |
| Opis | tarcza hamulcowa |
| Średnica zewnętrzna [mm] | 264 |
| Liczba otworów | 4 |
| Średnica otworu centrującego [mm] | 57 |
| Typ tarczy hamulcowej | pełny |
| Grubość tarczy hamulcowej [mm] | 10 |
| Minimalna grubość [mm] | 8 |
| Wysokość [mm] | 42,2 |
00
00000
00000| Kod towaru | DF0740 |
| Producent | MAGNETI MARELLI |
| Opis | tarcza hamulcowa |
| Typ tarczy hamulcowej | z wentylacją wewnętrzną |
| Średnica [mm] | 253 |
| Wysokość [mm] | 49,2 |
| Minimalna grubość [mm] | 15 |
| Liczba otworów | 4 |
| Ø rozmieszczenia otworów [mm] | 60 |
| Moment dokręcenia [Nm] | 85 |
| Informacja uzupełniająca | ze śrubami |
| Grubość tarczy hamulcowej [mm] | 17 |
| Średnica zewnętrzna [mm] | 253 |
00
000
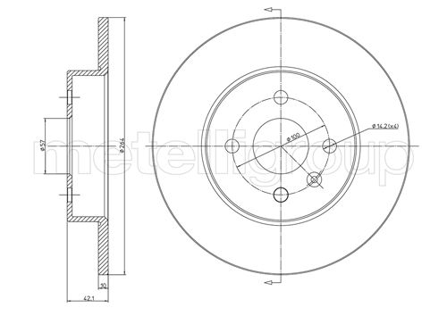
00000| Kod towaru | 23-0799C MET |
| Producent | METELLI |
| Opis | tarcza hamulcowa |
| Oznaczenie kontrolne | ECE-R90 |
| Wysokość [mm] | 42,0 |
| Typ tarczy hamulcowej | pełny |
| Grubość tarczy hamulcowej [mm] | 10,0 |
| Średnica zewnętrzna [mm] | 264,0 |
| Liczba otworów | 4 |
| Średnica otworu centrującego [mm] | 57,0 |
| Powierzchnia | lakierowany |
00
00000| Oś tylna | |
| Kod towaru | 206860 HP |
| Producent | TOPRAN |
| Opis | tarcza hamulcowa |
| Strona zabudowy | Oś tylna |
| Typ tarczy hamulcowej | pełny |
| Średnica zewnętrzna [mm] | 264 |
| Średnica otworu centrującego [mm] | 57 |
| Grubość tarczy hamulcowej [mm] | 10 |
| Wysokość [mm] | 42 |
| Ø rozmieszczenia otworów [mm] | 100 |
| Zamiana tylko w parach | |
00
0000
00000| Oś tylna | |
| Kod towaru | 40 92 8152 |
| Producent | SWAG |
| Opis | tarcza hamulcowa |
| Grubość tarczy hamulcowej [mm] | 10 |
| Felga, liczba otworów | 4 |
| Liczba otworów do mocowania | 1 |
| Grubość [mm] | 42,1 |
| Średnica zewnętrzna [mm] | 264 |
| Ø rozmieszczenia otworów [mm] | 100 |
| Powierzchnia | pokryty |
| Typ tarczy hamulcowej | pełny |
| Strona zabudowy | Oś tylna |
| Minimalna grubość [mm] | 8 |
| Średnica otworu centrującego [mm] | 57 |
0
000
00000| Oś tylna | |
| Kod towaru | 40-40033 VAI |
| Producent | VAICO |
| Opis | tarcza hamulcowa |
| Strona zabudowy | Oś tylna |
| Felga, liczba otworów | 4 |
| Wysokość [mm] | 42 |
| Typ tarczy hamulcowej | pełny |
| Grubość tarczy hamulcowej [mm] | 10 |
| Minimalna grubość [mm] | 8 |
| Średnica zewnętrzna [mm] | 264 |
| Średnica otworu centrującego [mm] | 57 |
| Ø rozmieszczenia otworów [mm] | 100 |
| Wysokość piasty tarczy hamulcowej [mm] | 32 |
00
00000
00000| Oś tylna | |
| Kod towaru | 6106018 SAS |
| Producent | SASIC |
| Opis | tarcza hamulcowa |
| Strona zabudowy | Oś tylna |
| Typ tarczy hamulcowej | pełny |
| Średnica zewnętrzna [mm] | 264 |
| Grubość tarczy hamulcowej [mm] | 10 |
| Wysokość [mm] | 42 |
| Ø rozmieszczenia otworów [mm] | 57 |
| Liczba otworów | 4 |
| dla numeru OE | 95526641 |
0
0000
00000| Kod towaru | 92124703 TXT |
| Producent | TEXTAR |
| Opis | tarcza hamulcowa |
| Typ tarczy hamulcowej | pełny |
| Średnica zewnętrzna [mm] | 264 |
| Grubość tarczy hamulcowej [mm] | 10 |
| Wysokość [mm] | 42,1 |
| Minimalna grubość [mm] | 8 |
| Powierzchnia | pokryty |
| Średnica wewnętrzna [mm] | 144,9 |
| Ø rozmieszczenia otworów [mm] | 100 |
| Średnica otworu centrującego [mm] | 57 |
| Wzór otworów/liczba otworów | 04/05 |
| Średnica otworu szpilki koła [mm] | 14,2 |
| Informacja uzupełniająca | bez piasty koła |
| Informacja uzupełniająca | bez łożyska koła |
| Informacja uzupełniająca | bez sworznia mocującego koła |
| Długość opakowania [cm] | 27,8 |
| Szerokość opakowania [cm] | 27,8 |
| Wysokość opakowania [cm] | 10,5 |
| Ciężar [kg] | 3,8 |
00000| Kod towaru | VKBD 90575 S2 |
| Producent | SKF |
| Opis | tarcza hamulcowa |
| Typ tarczy hamulcowej | pełny |
| Średnica zewnętrzna [mm] | 264 |
| Grubość tarczy hamulcowej [mm] | 10 |
| Wysokość [mm] | 42,1 |
| Ø rozmieszczenia otworów [mm] | 100 |
| Średnica otworu centrującego [mm] | 57 |
| Liczba otworów | 4 |
| Powierzchnia | pokryty |
| Minimalna grubość [mm] | 8 |
| Liczba otworów | 1 |
0
00000| Oś tylna | |
| Kod towaru | 128038FCAL ALT |
| Producent | ALTE AUTOMOTIVE |
| Opis | tarcza hamulcowa |
| Strona zabudowy | Oś tylna |
| Typ tarczy hamulcowej | pełny |
| Grubość tarczy hamulcowej [mm] | 10 |
| Średnica zewnętrzna [mm] | 264 |
| Ciężar [kg] | 3,7755 |
| Wysokość [mm] | 42 |
| Liczba otworów | 4 |
| Ø rozmieszczenia otworów [mm] | 100 |
| Średnica otworu centrującego [mm] | 57 |
| Powierzchnia | pokryty |
| Minimalna grubość [mm] | 8 |
| Średnica otworu do [mm] | 14,2 |
00
000
00000| Oś tylna | |
| Kod towaru | 61-00-0407C ASH |
| Producent | ASHIKA |
| Opis | tarcza hamulcowa |
| Strona zabudowy | Oś tylna |
| Powierzchnia | lakierowany |
| Typ tarczy hamulcowej | pełny |
| Grubość tarczy hamulcowej [mm] | 10 |
| Minimalna grubość [mm] | 8 |
| Liczba otworów | 4 |
| Średnica otworu centrującego [mm] | 57 |
| Ø rozmieszczenia otworów [mm] | 100 |
| Średnica zewnętrzna [mm] | 264 |
| Moment dokręcenia [Nm] | 110 |
| dla numeru OE | 95526641 |
00
0000
00000| Oś tylna | |
| Kod towaru | ADW194319 BLP |
| Producent | BLUE PRINT |
| Opis | tarcza hamulcowa |
| Grubość tarczy hamulcowej [mm] | 10 |
| Felga, liczba otworów | 4 |
| Liczba otworów do mocowania | 1 |
| Grubość [mm] | 42 |
| Średnica zewnętrzna [mm] | 264 |
| Ø rozmieszczenia otworów [mm] | 100 |
| Powierzchnia | pokryty |
| Typ tarczy hamulcowej | pełny |
| Strona zabudowy | Oś tylna |
| Minimalna grubość [mm] | 8 |
| Średnica otworu centrującego [mm] | 57 |
| uwzględnić informację serwisową | |
000
00000
00000| Kod towaru | 0986479191 |
| Producent | BOSCH |
| Opis | tarcza hamulcowa |
| Średnica zewnętrzna [mm] | 264 |
| Grubość tarczy hamulcowej [mm] | 10 |
| Minimalna grubość [mm] | 8 |
| Wysokość [mm] | 42,1 |
| Ø rozmieszczenia otworów [mm] | 100 |
| Typ tarczy hamulcowej | pełny |
| Średnica otworu centrującego [mm] | 57 |
| Liczba otworów | 4 |
| Powierzchnia | naoliwione |
| Informacja uzupełniająca | ze śrubami |
| spełnia wymagania Normy ECE | ECE-R90 |
| Średnica otworu do [mm] | 14,2 |
000
00000
00000| Kod towaru | 0986479B85 |
| Producent | BOSCH |
| Opis | tarcza hamulcowa |
| Średnica zewnętrzna [mm] | 264 |
| Grubość tarczy hamulcowej [mm] | 10 |
| Minimalna grubość [mm] | 8 |
| Wysokość [mm] | 42,1 |
| Ø rozmieszczenia otworów [mm] | 100 |
| Typ tarczy hamulcowej | pełny |
| Średnica otworu centrującego [mm] | 57 |
| Liczba otworów | 4 |
| Powierzchnia | pokryty |
| spełnia wymagania Normy ECE | ECE-R90 |
| Średnica otworu do [mm] | 14,2 |
000
000
00000| Kod towaru | 08.9826.10 |
| Producent | BREMBO |
| Opis | tarcza hamulcowa |
| Typ tarczy hamulcowej | pełny |
| Grubość tarczy hamulcowej [mm] | 10 |
| Liczba otworów | 4 |
| Informacja uzupełniająca | ze śrubami |
| Wysokość [mm] | 42 |
| Średnica otworu centrującego [mm] | 57 |
| Średnica zewnętrzna [mm] | 264 |
| Minimalna grubość [mm] | 8 |
| Moment dokręcenia [Nm] | 110 |
000
000
00000| Kod towaru | 08.9826.11 |
| Producent | BREMBO |
| Opis | tarcza hamulcowa |
| Typ tarczy hamulcowej | pełny |
| Grubość tarczy hamulcowej [mm] | 10 |
| Liczba otworów | 4 |
| Informacja uzupełniająca | ze śrubami |
| Wysokość [mm] | 42 |
| Średnica otworu centrującego [mm] | 57 |
| Średnica zewnętrzna [mm] | 264 |
| Powierzchnia | pokryty |
| Minimalna grubość [mm] | 8 |
| Moment dokręcenia [Nm] | 110 |
000
0000
00000| Kod towaru | BG3885 |
| Producent | DELPHI |
| Opis | tarcza hamulcowaOMEGA B 34394 |
| Typ tarczy hamulcowej | pełny |
| Liczba otworów | 4 |
| Oznaczenie kontrolne | E1 90R-02C0100/1551 |
| Powierzchnia | naoliwione |
| Średnica zewnętrzna [mm] | 264 |
| Grubość tarczy hamulcowej [mm] | 10 |
| Minimalna grubość [mm] | 8 |
| Średnica otworu centrującego [mm] | 57 |
| Wysokość [mm] | 42 |
000
0000
00000| Kod towaru | BG3885C |
| Producent | DELPHI |
| Opis | tarcza hamulcowaMALOWANA G HATCHBACK (F48_, F08_) |
| Typ tarczy hamulcowej | pełny |
| Liczba otworów | 4 |
| Oznaczenie kontrolne | E1 90R-02C0100/1551 |
| Powierzchnia | pokryty |
| Średnica zewnętrzna [mm] | 264 |
| Grubość tarczy hamulcowej [mm] | 10 |
| Minimalna grubość [mm] | 8 |
| Średnica otworu centrującego [mm] | 57 |
| Wysokość [mm] | 42 |
