0
00000| Kod towaru | A1040V SAM |
| Producent | SAMKO |
| Opis | tarcza hamulcowaWENTYLOWANA |
| średnica zewnętrzna [mm] | 330 |
| Średnica otworu centrującego [mm] | 68 |
| Liczba otworów | 5 |
| Grubość tarczy hamulcowej [mm] | 22 |
| Typ tarczy hamulcowej | z wentylacją wewnętrzną |
| Wysokość [mm] | 36,4 |
| Minimalna grubość [mm] | 20 |
00
000
00000| Kod towaru | 61-00-0910 ASH |
| Producent | ASHIKA |
| Opis | tarcza hamulcowa |
00
000
00000| Oś tylna | |
| Kod towaru | 61-00-0910C ASH |
| Producent | ASHIKA |
| Opis | tarcza hamulcowa |
| średnica zewnętrzna [mm] | 330 |
| Wysokość [mm] | 36,4 |
| Typ tarczy hamulcowej | wentylowany |
| Grubość tarczy hamulcowej [mm] | 22 |
| Minimalna grubość [mm] | 20 |
| Liczba otworów | 5 |
| Powierzchnia | lakierowany |
| Strona zabudowy | Oś tylna |
| Moment dokręcenia [Nm] | 120 |
| dla numeru OE | 8K0615601C |
00
00000
00000| Kod towaru | 24.0122-0272.1 |
| Producent | ATE |
| Opis | tarcza hamulcowa |
| średnica zewnętrzna [mm] | 330,0 |
| Grubość tarczy hamulcowej [mm] | 21,9 |
| Minimalna grubość [mm] | 20,0 |
| Typ tarczy hamulcowej | wentylowany |
| Liczba otworów | 5 |
| Przetwarzanie | wysoko nawęglany |
| Powierzchnia | pokryty |
| Informacja uzupełniająca | ze śrubami |
| Dostępne MAPP-Code | |
| Ø rozmieszczenia otworów [mm] | 112,0 |
| Wysokość [mm] | 36,0 |
| Średnica otworu centrującego [mm] | 68,0 |
| Średnica wewnętrzna [mm] | 147,7 |
| Średnica otworu [mm] | 15,3 |
| Oznaczenie kontrolne | E1 90R-02C0115/0603 |
00
0000
00000| Oś tylna | |
| Kod towaru | ADV184304 BLP |
| Producent | BLUE PRINT |
| Opis | tarcza hamulcowa |
| Grubość tarczy hamulcowej [mm] | 22 |
| Felga, liczba otworów | 5 |
| Liczba otworów do mocowania | 1 |
| Grubość [mm] | 36 |
| średnica zewnętrzna [mm] | 330 |
| Ø rozmieszczenia otworów [mm] | 112 |
| Powierzchnia | pokryty |
| Typ tarczy hamulcowej | z wentylacją wewnętrzną |
| Strona zabudowy | Oś tylna |
| Minimalna grubość [mm] | 20 |
| Średnica otworu centrującego [mm] | 68 |
| Ciężar [kg] | 8,0 |
| uwzględnić informację serwisową | |
00
0000
00000| Oś tylna | |
| Kod towaru | ADV184344 BLP |
| Producent | BLUE PRINT |
| Opis | tarcza hamulcowa |
| nowa wersja wykonania | |
| Grubość tarczy hamulcowej [mm] | 22 |
| Felga, liczba otworów | 5 |
| Liczba otworów do mocowania | 1 |
| Grubość [mm] | 36 |
| średnica zewnętrzna [mm] | 330 |
| Ø rozmieszczenia otworów [mm] | 112 |
| Powierzchnia | pokryty |
| Typ tarczy hamulcowej | z wentylacją wewnętrzną |
| Strona zabudowy | Oś tylna |
| Minimalna grubość [mm] | 20 |
| Średnica otworu centrującego [mm] | 68 |
| Ciężar [kg] | 7,82 |
| alternatywny zestaw naprawczy | 36454 |
| uwzględnić informację serwisową | |
000
00000
00000| Kod towaru | 0986479750 |
| Producent | BOSCH |
| Opis | tarcza hamulcowa |
| średnica zewnętrzna [mm] | 330 |
| Grubość tarczy hamulcowej [mm] | 22 |
| Minimalna grubość [mm] | 20 |
| Wysokość [mm] | 36,2 |
| Ø rozmieszczenia otworów [mm] | 112 |
| Typ tarczy hamulcowej | wentylowany |
| Średnica otworu centrującego [mm] | 68 |
| Liczba otworów | 5 |
| Powierzchnia | pokryty |
| Przetwarzanie | wysoko nawęglany |
| spełnia wymagania Normy ECE | ECE-R90 |
| Średnica otworu do [mm] | 15,1 |
000
00000
00000| Kod towaru | 0986479C86 |
| Producent | BOSCH |
| Opis | tarcza hamulcowa |
| średnica zewnętrzna [mm] | 329,9 |
| Grubość tarczy hamulcowej [mm] | 22 |
| Minimalna grubość [mm] | 20 |
| Wysokość [mm] | 36,2 |
| Ø rozmieszczenia otworów [mm] | 112 |
| Typ tarczy hamulcowej | wentylowany |
| Średnica otworu centrującego [mm] | 68 |
| Liczba otworów | 5 |
| Powierzchnia | pokryty |
| Przetwarzanie | wysoko nawęglany |
| Informacja uzupełniająca | ze śrubami |
| Średnica otworu do [mm] | 15,3 |
000
000
00000| Kod towaru | 09.B040.10 |
| Producent | BREMBO |
| Opis | tarcza hamulcowa |
| Typ tarczy hamulcowej | z wentylacją wewnętrzną |
| Grubość tarczy hamulcowej [mm] | 22 |
| Liczba otworów | 5 |
| Informacja uzupełniająca | ze śrubami |
| Wysokość [mm] | 36 |
| Średnica otworu centrującego [mm] | 68 |
| średnica zewnętrzna [mm] | 330 |
| Przetwarzanie | wysoko nawęglany |
| Minimalna grubość [mm] | 20 |
| Moment dokręcenia [Nm] | 120 |
000
000
00000| Kod towaru | 09.B040.11 |
| Producent | BREMBO |
| Opis | tarcza hamulcowa |
| Typ tarczy hamulcowej | z wentylacją wewnętrzną |
| Grubość tarczy hamulcowej [mm] | 22 |
| Liczba otworów | 5 |
| Informacja uzupełniająca | ze śrubami |
| Wysokość [mm] | 36 |
| Średnica otworu centrującego [mm] | 68 |
| średnica zewnętrzna [mm] | 330 |
| Przetwarzanie | wysoko nawęglany |
| Powierzchnia | pokryty |
| Minimalna grubość [mm] | 20 |
| Moment dokręcenia [Nm] | 120 |
00
000
00000| Oś tylna | |
| Kod towaru | 103235 |
| Producent | KAMOKA |
| Opis | tarcza hamulcowa |
| Strona zabudowy | Oś tylna |
| Typ tarczy hamulcowej | wentylowany |
| Grubość tarczy hamulcowej [mm] | 22 |
| Ø rozmieszczenia otworów [mm] | 112 |
| Liczba otworów | 5 |
| Wysokość [mm] | 36 |
| Średnica otworu centrującego [mm] | 68 |
| Powierzchnia | pokryty |
| średnica zewnętrzna [mm] | 330 |
00
000
00000| Oś tylna | |
| Kod towaru | 103238 |
| Producent | KAMOKA |
| Opis | tarcza hamulcowa |
| Strona zabudowy | Oś tylna |
| Typ tarczy hamulcowej | wentylowany |
| Grubość tarczy hamulcowej [mm] | 22 |
| Ø rozmieszczenia otworów [mm] | 112 |
| Liczba otworów | 5 |
| Wysokość [mm] | 36 |
| Średnica otworu centrującego [mm] | 68 |
| Powierzchnia | pokryty |
| średnica zewnętrzna [mm] | 330 |
00
000
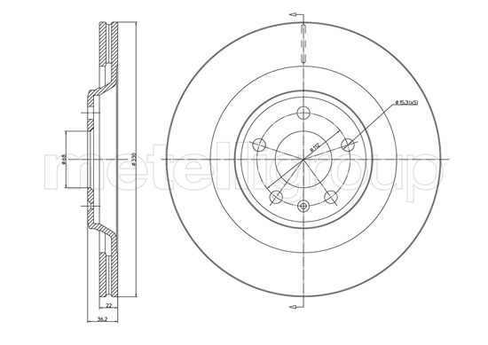
00000| Kod towaru | 23-1339C MET |
| Producent | METELLI |
| Opis | tarcza hamulcowa |
| Oznaczenie kontrolne | ECE-R90 |
| Wysokość [mm] | 36,2 |
| Typ tarczy hamulcowej | wentylowany |
| Grubość tarczy hamulcowej [mm] | 22,0 |
| średnica zewnętrzna [mm] | 330,0 |
| Liczba otworów | 5 |
| Średnica otworu centrującego [mm] | 68,0 |
| Powierzchnia | lakierowany |
00
00000
00000| Oś tylna | |
| Kod towaru | 36454 FEB |
| Producent | FEBI BILSTEIN |
| Opis | tarcza hamulcowa |
| stara wersja wykonania | |
| Grubość tarczy hamulcowej [mm] | 22 |
| Felga, liczba otworów | 5 |
| Liczba otworów do mocowania | 1 |
| średnica zewnętrzna [mm] | 330 |
| Ø rozmieszczenia otworów [mm] | 112 |
| Powierzchnia | pokryty |
| Typ tarczy hamulcowej | z wentylacją wewnętrzną |
| Strona zabudowy | Oś tylna |
| Minimalna grubość [mm] | 20 |
| Średnica otworu centrującego [mm] | 68 |
| Ciężar [kg] | 7,955 |
| dla numeru OE | 8K0 615 601 C |
| uwzględnić informację serwisową | |
00
00000
00000| Oś tylna | |
| Kod towaru | 43985 FEB |
| Producent | FEBI BILSTEIN |
| Opis | tarcza hamulcowa |
| nowa wersja wykonania | |
| Grubość tarczy hamulcowej [mm] | 22 |
| Felga, liczba otworów | 5 |
| Liczba otworów do mocowania | 1 |
| Grubość [mm] | 36,2 |
| średnica zewnętrzna [mm] | 330 |
| Ø rozmieszczenia otworów [mm] | 112 |
| Powierzchnia | pokryty |
| Typ tarczy hamulcowej | z wentylacją wewnętrzną |
| Strona zabudowy | Oś tylna |
| Minimalna grubość [mm] | 20 |
| Średnica otworu centrującego [mm] | 68 |
| Ciężar [kg] | 7,52 |
| dla numeru OE | 4H0 615 601 H |
| alternatywny zestaw naprawczy | 36454 |
| uwzględnić informację serwisową | |
0
0
00000| Kod towaru | 800-1339C CIF |
| Producent | CIFAM |
| Opis | tarcza hamulcowa |
| Oznaczenie kontrolne | ECE-R90 |
| Wysokość [mm] | 36,2 |
| Typ tarczy hamulcowej | wentylowany |
| Grubość tarczy hamulcowej [mm] | 22,0 |
| średnica zewnętrzna [mm] | 330,0 |
| Liczba otworów | 5 |
| Średnica otworu centrującego [mm] | 68,0 |
| Powierzchnia | lakierowany |
00
000
00000| Kod towaru | 8DD 355 128-741 |
| Producent | HELLA |
| Opis | tarcza hamulcowa |
| Typ tarczy hamulcowej | wentylowany zewnętrznie |
| średnica zewnętrzna [mm] | 330 |
| Grubość tarczy hamulcowej [mm] | 22 |
| Wysokość [mm] | 36,2 |
| Minimalna grubość [mm] | 20 |
| Przetwarzanie | wysoko nawęglany |
| Powierzchnia | pokryty |
| Ø rozmieszczenia otworów [mm] | 112 |
| Średnica otworu centrującego [mm] | 68 |
| Wzór otworów/liczba otworów | 05/06 |
| Informacja uzupełniająca | bez piasty koła |
| Informacja uzupełniająca | bez sworznia mocującego koła |
| Ciężar [kg] | 7,9 |
| Montaż/demontaż koniecznie do wykonania przez fachowców! |
00000| Kod towaru | A1040V LPR |
| Producent | LPR |
| Opis | tarcza hamulcowa |
| średnica zewnętrzna [mm] | 330 |
| Typ tarczy hamulcowej | z wentylacją wewnętrzną |
| Liczba otworów | 5 |
| Średnica otworu centrującego [mm] | 68 |
| Minimalna grubość [mm] | 20 |
| Wysokość [mm] | 36,4 |
| Grubość tarczy hamulcowej [mm] | 22 |
00
00000| Kod towaru | B130791 |
| Producent | DENCKERMANN |
| Opis | tarcza hamulcowa |
| Minimalna grubość [mm] | 20,0 |
| Typ tarczy hamulcowej | wentylowany |
| Średnica otworu [mm] | 15,3 |
| Grubość tarczy hamulcowej [mm] | 21,9 |
| Ø rozmieszczenia otworów [mm] | 112 |
| Liczba otworów | 5 |
| Średnica wewnętrzna [mm] | 147,7 |
| Wysokość [mm] | 36 |
| Średnica otworu centrującego [mm] | 68 |
| średnica zewnętrzna [mm] | 330 |
000
0000
00000| Kod towaru | BG4078 |
| Producent | DELPHI |
| Opis | tarcza hamulcowaS5 |
| Typ tarczy hamulcowej | wentylowany |
| Liczba otworów | 5 |
| Oznaczenie kontrolne | E1 90R-02C0289/2057 |
| Powierzchnia | naoliwione |
| średnica zewnętrzna [mm] | 330 |
| Grubość tarczy hamulcowej [mm] | 22 |
| Minimalna grubość [mm] | 20 |
| Średnica otworu centrującego [mm] | 68 |
| Wysokość [mm] | 36,4 |
00000| Kod towaru | DDF1667 FER |
| Producent | FERODO |
| Opis | tarcza hamulcowa |
| Typ tarczy hamulcowej | wentylowany |
| średnica zewnętrzna [mm] | 330 |
| Grubość tarczy hamulcowej [mm] | 22 |
| Informacja uzupełniająca | ze śrubami |
| Wysokość [mm] | 36,4 |
| Ø rozmieszczenia otworów [mm] | 112 |
| Średnica otworu centrującego [mm] | 68 |
| Liczba otworów | 5 |
| Jednostka ilości | Zestaw |
| Powierzchnia | naoliwione |
| Ciężar [kg] | 15,78 |
| Minimalna grubość [mm] | 20 |
| Moment dokręcenia [Nm] | 120 |
| Rodzaj połączenia | Pudełko |
| Długość opakowania [cm] | 35 |
| Szerokość opakowania [cm] | 35 |
| Wysokość opakowania [cm] | 5 |
00000| Kod towaru | DDF1667C FER |
| Producent | FERODO |
| Opis | tarcza hamulcowa |
| Typ tarczy hamulcowej | wentylowany |
| średnica zewnętrzna [mm] | 330 |
| Grubość tarczy hamulcowej [mm] | 22 |
| Informacja uzupełniająca | ze śrubami |
| Wysokość [mm] | 36,4 |
| Średnica otworu centrującego [mm] | 68 |
| Liczba otworów | 5 |
| Jednostka ilości | Zestaw |
| Powierzchnia | pokryty |
| Ciężar [kg] | 7,89 |
| Minimalna grubość [mm] | 20 |
| Moment dokręcenia [Nm] | 120 |
| Długość opakowania [cm] | 35,7 |
| Szerokość opakowania [cm] | 35,7 |
| Wysokość opakowania [cm] | 5 |
00
00000
00000| Kod towaru | DFM0131 |
| Producent | MAGNETI MARELLI |
| Opis | tarcza hamulcowa |
| Przetwarzanie | wysoko nawęglany |
| Typ tarczy hamulcowej | z wentylacją wewnętrzną |
| Średnica [mm] | 312 |
| Wysokość [mm] | 34,2 |
| Minimalna grubość [mm] | 23 |
| Liczba otworów | 5 |
| Ø rozmieszczenia otworów [mm] | 65 |
| Moment dokręcenia [Nm] | 120 |
| Informacja uzupełniająca | ze śrubami |
| Grubość tarczy hamulcowej [mm] | 25 |
| średnica zewnętrzna [mm] | 312 |
00
00000
00000| Kod towaru | DFV0131 |
| Producent | MAGNETI MARELLI |
| Opis | tarcza hamulcowa |
| Przetwarzanie | wysoko nawęglany |
| Powierzchnia | pokryty lakierem UV |
| Typ tarczy hamulcowej | z wentylacją wewnętrzną |
| Średnica [mm] | 312 |
| Wysokość [mm] | 34,2 |
| Minimalna grubość [mm] | 23 |
| Liczba otworów | 5 |
| Ø rozmieszczenia otworów [mm] | 65 |
| Moment dokręcenia [Nm] | 120 |
| Informacja uzupełniająca | ze śrubami |
| Grubość tarczy hamulcowej [mm] | 25 |
| średnica zewnętrzna [mm] | 312 |
00
00000
00000| Kod towaru | DFX0131 |
| Producent | MAGNETI MARELLI |
| Opis | tarcza hamulcowa |
| Przetwarzanie | wysoko nawęglany |
| Typ tarczy hamulcowej | perforowany / wentylowany wewnętrznie |
| Średnica [mm] | 312 |
| Wysokość [mm] | 34,2 |
| Minimalna grubość [mm] | 23,5 |
| Liczba otworów | 5 |
| Ø rozmieszczenia otworów [mm] | 65 |
| Moment dokręcenia [Nm] | 120 |
| Informacja uzupełniająca | ze śrubami |
| Grubość tarczy hamulcowej [mm] | 25 |
| średnica zewnętrzna [mm] | 312 |
00
00000| Oś tylna | |
| Kod towaru | 113012 HP |
| Producent | TOPRAN |
| Opis | tarcza hamulcowa |
| Strona zabudowy | Oś tylna |
| Typ tarczy hamulcowej | wentylowany |
| średnica zewnętrzna [mm] | 330 |
| średnica piasty [mm] | 166 |
| Powierzchnia | pokryty |
| Średnica otworu centrującego [mm] | 68 |
| Grubość tarczy hamulcowej [mm] | 22 |
| Wysokość [mm] | 36,4 |
| Felga, liczba otworów | 5 |
| Ø rozmieszczenia otworów [mm] | 112 |
| Zamiana tylko w parach | |
00
00000| Oś tylna | |
| Kod towaru | 1155230009/PD MEY |
| Producent | MEYLE |
| Opis | tarcza hamulcowa |
| Strona zabudowy | Oś tylna |
| średnica zewnętrzna [mm] | 330 |
| Wysokość [mm] | 36,4 |
| Grubość tarczy hamulcowej [mm] | 22 |
| Minimalna grubość [mm] | 20 |
| Średnica otworu centrującego [mm] | 68 |
| Ø rozmieszczenia otworów [mm] | 112 |
| Średnica otworu szpilki koła [mm] | 15,3 |
| Liczba otworów | 5 |
| Typ tarczy hamulcowej | wentylowany |
| Powierzchnia | Płytki pokryte cynkiem |
| Informacja uzupełniająca | ze śrubami |
| Jakość | PREMIUM |
| wymagana liczba | 2 |
0
0000
00000| Oś tylna | |
| Kod towaru | 30 93 6454 |
| Producent | SWAG |
| Opis | tarcza hamulcowa |
| stara wersja wykonania | |
| Grubość tarczy hamulcowej [mm] | 22 |
| Felga, liczba otworów | 5 |
| Liczba otworów do mocowania | 1 |
| średnica zewnętrzna [mm] | 330 |
| Ø rozmieszczenia otworów [mm] | 112 |
| Powierzchnia | pokryty |
| Typ tarczy hamulcowej | z wentylacją wewnętrzną |
| Strona zabudowy | Oś tylna |
| Minimalna grubość [mm] | 20 |
| Średnica otworu centrującego [mm] | 68 |
| Ciężar [kg] | 7,955 |
| dla numeru OE | 8K0 615 601 C |
0
0000
00000| Oś tylna | |
| Kod towaru | 30 94 3985 |
| Producent | SWAG |
| Opis | tarcza hamulcowa |
| nowa wersja wykonania | |
| Grubość tarczy hamulcowej [mm] | 22 |
| Felga, liczba otworów | 5 |
| Liczba otworów do mocowania | 1 |
| Grubość [mm] | 36,2 |
| średnica zewnętrzna [mm] | 330 |
| Ø rozmieszczenia otworów [mm] | 112 |
| Powierzchnia | pokryty |
| Typ tarczy hamulcowej | z wentylacją wewnętrzną |
| Strona zabudowy | Oś tylna |
| Minimalna grubość [mm] | 20 |
| Średnica otworu centrującego [mm] | 68 |
| Ciężar [kg] | 7,52 |
| dla numeru OE | 4H0 615 601 H |
| alternatywny zestaw naprawczy | 36454 |
00
00000
00000| Oś tylna | |
| Kod towaru | 6106182 SAS |
| Producent | SASIC |
| Opis | tarcza hamulcowa |
| Strona zabudowy | Oś tylna |
| Typ tarczy hamulcowej | wentylowany |
| średnica zewnętrzna [mm] | 330 |
| Grubość tarczy hamulcowej [mm] | 22 |
| Wysokość [mm] | 36,2 |
| Ø rozmieszczenia otworów [mm] | 68 |
| Liczba otworów | 5 |
| dla numeru OE | 8K0615601C |
| Informacja uzupełniająca | bez łożyska koła |
| Zamiana tylko w parach | |
0
0000
00000| Kod towaru | 92160303 TXT |
| Producent | TEXTAR |
| Opis | tarcza hamulcowa |
| Typ tarczy hamulcowej | wentylowany zewnętrznie |
| średnica zewnętrzna [mm] | 330 |
| Grubość tarczy hamulcowej [mm] | 22 |
| Wysokość [mm] | 36,2 |
| Minimalna grubość [mm] | 20 |
| Powierzchnia | pokryty |
| Średnica wewnętrzna [mm] | 154,2 |
| Ø rozmieszczenia otworów [mm] | 112 |
| Średnica otworu centrującego [mm] | 68 |
| Wzór otworów/liczba otworów | 05/06 |
| Średnica otworu szpilki koła [mm] | 15,3 |
| Informacja uzupełniająca | bez piasty koła |
| Informacja uzupełniająca | bez łożyska koła |
| Informacja uzupełniająca | bez sworznia mocującego koła |
| Długość opakowania [cm] | 35,8 |
| Szerokość opakowania [cm] | 35,8 |
| Wysokość opakowania [cm] | 10,5 |
| Ciężar [kg] | 7,9 |
00
00000
00000| Kod towaru | DF4860S |
| Producent | TRW |
| Opis | tarcza hamulcowa |
| Powierzchnia | lakierowany |
| Grubość tarczy hamulcowej [mm] | 22 |
| Minimalna grubość [mm] | 20 |
| Wysokość [mm] | 36,4 |
| Liczba otworów | 5 |
| Średnica otworu centrującego [mm] | 68 |
| Ø rozmieszczenia otworów [mm] | 112 |
| Typ tarczy hamulcowej | wentylowany |
| średnica zewnętrzna [mm] | 330 |
| Wymiar gwintu | 15,3 |
| Przetwarzanie | wysoko nawęglany |
| Kolor | czarny |
