000
00000| Oś przednia | |
| Kod towaru | 1155210030 MEY |
| Producent | MEYLE |
| Opis | tarcza hamulcowaTARCZA HAM. VW P. GOLF/PASSAT/VENTO 91-99 280X22 |
| Strona zabudowy | Oś przednia |
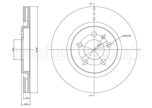
| średnica zewnętrzna [mm] | 280 |
| Wysokość [mm] | 28,2 |
| Grubość tarczy hamulcowej [mm] | 22 |
| Minimalna grubość [mm] | 20 |
| Średnica otworu centrującego [mm] | 65 |
| Ø rozmieszczenia otworów [mm] | 100 |
| Średnica otworu szpilki koła [mm] | 15,6 |
| Liczba otworów | 5 |
| Typ tarczy hamulcowej | wentylowany |
| wymagana liczba | 2 |
000
00000| Oś przednia | |
| Kod towaru | 1155211007/PD MEY |
| Producent | MEYLE |
| Opis | tarcza hamulcowaTARCZA HAM. VW P. GOLF GTI 2,8/VR6 92- 280X22 |
| Strona zabudowy | Oś przednia |
| średnica zewnętrzna [mm] | 280 |
| Wysokość [mm] | 28,5 |
| Grubość tarczy hamulcowej [mm] | 22 |
| Minimalna grubość [mm] | 20 |
| Średnica otworu centrującego [mm] | 65 |
| Ø rozmieszczenia otworów [mm] | 100 |
| Średnica otworu szpilki koła [mm] | 15,6 |
| Liczba otworów | 5 |
| Typ tarczy hamulcowej | wentylowany |
| Powierzchnia | Płytki pokryte cynkiem |
| Informacja uzupełniająca | ze śrubami |
| Jakość | PREMIUM |
| wymagana liczba | 2 |
0
00000| Kod towaru | BDC3911 QH |
| Producent | QUINTON HAZELL |
| Opis | tarcza hamulcowa- |
| Typ tarczy hamulcowej | wentylowany |
| średnica zewnętrzna [mm] | 280 |
| Grubość tarczy hamulcowej [mm] | 22 |
| Minimalna grubość [mm] | 20 |
| Wysokość [mm] | 28,2 |
| Średnica otworu centrującego [mm] | 65 |
| Ø rozmieszczenia otworów [mm] | 100 |
| Liczba otworów | 5 |
0
00000| Kod towaru | V2251V SAM |
| Producent | SAMKO |
| Opis | tarcza hamulcowaWENTYLOWANA PRZÓD |
| Typ tarczy hamulcowej | z wentylacją wewnętrzną |
| Grubość tarczy hamulcowej [mm] | 22 |
| Minimalna grubość [mm] | 20 |
| średnica zewnętrzna [mm] | 280 |
| Liczba otworów | 5 |
| Średnica otworu centrującego [mm] | 65 |
| Wysokość [mm] | 28 |
00000| Kod towaru | V2251V LPR |
| Producent | LPR |
| Opis | tarcza hamulcowa |
| Średnica otworu centrującego [mm] | 65 |
| Wysokość [mm] | 28 |
| Liczba otworów | 5 |
| średnica zewnętrzna [mm] | 280 |
| Minimalna grubość [mm] | 20 |
| Grubość tarczy hamulcowej [mm] | 22 |
| Typ tarczy hamulcowej | z wentylacją wewnętrzną |
00
00000
00000| Kod towaru | DF0486 |
| Producent | MAGNETI MARELLI |
| Opis | tarcza hamulcowa |
| Typ tarczy hamulcowej | z wentylacją wewnętrzną |
| Średnica [mm] | 280 |
| Wysokość [mm] | 28,2 |
| Minimalna grubość [mm] | 20 |
| Liczba otworów | 5 |
| Ø rozmieszczenia otworów [mm] | 65 |
| Moment dokręcenia [Nm] | 120 |
| Informacja uzupełniająca | ze śrubami |
| Grubość tarczy hamulcowej [mm] | 22 |
| średnica zewnętrzna [mm] | 280 |
00
00000
00000| Kod towaru | DFM0486 |
| Producent | MAGNETI MARELLI |
| Opis | tarcza hamulcowa |
| Typ tarczy hamulcowej | szczelinowy |
| Średnica [mm] | 280 |
| Wysokość [mm] | 28,2 |
| Minimalna grubość [mm] | 20 |
| Liczba otworów | 5 |
| Ø rozmieszczenia otworów [mm] | 65 |
| Moment dokręcenia [Nm] | 120 |
| Informacja uzupełniająca | ze śrubami |
| Grubość tarczy hamulcowej [mm] | 22 |
| średnica zewnętrzna [mm] | 280 |

00
00000
00000| Kod towaru | DF0497 |
| Producent | MAGNETI MARELLI |
| Opis | tarcza hamulcowa |
| Typ tarczy hamulcowej | pełny |
| Średnica [mm] | 230 |
| Wysokość [mm] | 40,3 |
| Minimalna grubość [mm] | 7 |
| Liczba otworów | 5 |
| Ø rozmieszczenia otworów [mm] | 65 |
| Moment dokręcenia [Nm] | 120 |
| Informacja uzupełniająca | ze śrubami |
| Grubość tarczy hamulcowej [mm] | 9 |
| średnica zewnętrzna [mm] | 230 |
00
00000
00000| Kod towaru | DFV0497 |
| Producent | MAGNETI MARELLI |
| Opis | tarcza hamulcowa |
| Powierzchnia | pokryty lakierem UV |
| Typ tarczy hamulcowej | pełny |
| Średnica [mm] | 230 |
| Wysokość [mm] | 40,3 |
| Minimalna grubość [mm] | 7 |
| Liczba otworów | 5 |
| Ø rozmieszczenia otworów [mm] | 65 |
| Moment dokręcenia [Nm] | 120 |
| Informacja uzupełniająca | ze śrubami |
| Grubość tarczy hamulcowej [mm] | 9 |
| średnica zewnętrzna [mm] | 230 |
00
00000
00000| Kod towaru | DFX0497 |
| Producent | MAGNETI MARELLI |
| Opis | tarcza hamulcowa |
| Typ tarczy hamulcowej | perforowany |
| Średnica [mm] | 230 |
| Wysokość [mm] | 40,3 |
| Minimalna grubość [mm] | 7,5 |
| Liczba otworów | 5 |
| Ø rozmieszczenia otworów [mm] | 65 |
| Moment dokręcenia [Nm] | 120 |
| Informacja uzupełniająca | ze śrubami |
| Grubość tarczy hamulcowej [mm] | 9 |
| średnica zewnętrzna [mm] | 230 |
00
00000
00000| Kod towaru | DFM0497 |
| Producent | MAGNETI MARELLI |
| Opis | tarcza hamulcowa |
| Typ tarczy hamulcowej | pełny |
| Średnica [mm] | 230 |
| Wysokość [mm] | 40,3 |
| Minimalna grubość [mm] | 7 |
| Liczba otworów | 5 |
| Ø rozmieszczenia otworów [mm] | 65 |
| Moment dokręcenia [Nm] | 120 |
| Informacja uzupełniająca | ze śrubami |
| Grubość tarczy hamulcowej [mm] | 9 |
| średnica zewnętrzna [mm] | 230 |
00
00000
00000| Oś przednia | |
| Kod towaru | 9004580J SAS |
| Producent | SASIC |
| Opis | tarcza hamulcowa |
| Strona zabudowy | Oś przednia |
| Typ tarczy hamulcowej | wentylowany |
| średnica zewnętrzna [mm] | 280 |
| Grubość tarczy hamulcowej [mm] | 22 |
| Wysokość [mm] | 28,2 |
| Ø rozmieszczenia otworów [mm] | 65 |
| Liczba otworów | 5 |
| dla numeru OE | 1H0615301A |
| Informacja uzupełniająca | bez łożyska koła |
| Zamiana tylko w parach | |
00
0000
00000| Oś przednia | |
| Kod towaru | 32 90 6548 |
| Producent | SWAG |
| Opis | tarcza hamulcowa |
| Grubość tarczy hamulcowej [mm] | 22 |
| Felga, liczba otworów | 5 |
| Liczba otworów do mocowania | 1 |
| Grubość [mm] | 28 |
| średnica zewnętrzna [mm] | 280 |
| Ø rozmieszczenia otworów [mm] | 100 |
| Powierzchnia | pokryty |
| Typ tarczy hamulcowej | z wentylacją wewnętrzną |
| Strona zabudowy | Oś przednia |
| Minimalna grubość [mm] | 20 |
| Średnica otworu centrującego [mm] | 65 |
00
00000| Oś przednia | |
| Kod towaru | 103071 HP |
| Producent | TOPRAN |
| Opis | tarcza hamulcowa |
| Strona zabudowy | Oś przednia |
| Typ tarczy hamulcowej | wentylowany |
| średnica zewnętrzna [mm] | 280 |
| Średnica otworu centrującego [mm] | 65 |
| Grubość tarczy hamulcowej [mm] | 22 |
| Wysokość [mm] | 30 |
| Felga, liczba otworów | 5 |
| Ø rozmieszczenia otworów [mm] | 100 |
| Zamiana tylko w parach | |
0
0000
00000| Kod towaru | 92057100 TXT |
| Producent | TEXTAR |
| Opis | tarcza hamulcowa |
| Typ tarczy hamulcowej | wentylowany zewnętrznie |
| średnica zewnętrzna [mm] | 280 |
| Grubość tarczy hamulcowej [mm] | 22 |
| Wysokość [mm] | 28,2 |
| Minimalna grubość [mm] | 20 |
| Średnica wewnętrzna [mm] | 141 |
| Ø rozmieszczenia otworów [mm] | 100 |
| Średnica otworu centrującego [mm] | 65 |
| Wzór otworów/liczba otworów | 05/06 |
| Średnica otworu szpilki koła [mm] | 15,7 |
| Informacja uzupełniająca | bez piasty koła |
| Informacja uzupełniająca | bez łożyska koła |
| Informacja uzupełniająca | bez sworznia mocującego koła |
| Długość opakowania [cm] | 30,3 |
| Szerokość opakowania [cm] | 30,3 |
| Wysokość opakowania [cm] | 8,6 |
| Ciężar [kg] | 5,7 |
00
00000
00000| Kod towaru | DF2619 |
| Producent | TRW |
| Opis | tarcza hamulcowa |
| Typ tarczy hamulcowej | wentylowany |
| średnica zewnętrzna [mm] | 280 |
| Grubość tarczy hamulcowej [mm] | 22 |
| Minimalna grubość [mm] | 20 |
| Średnica otworu centrującego [mm] | 65 |
| Wysokość [mm] | 28,4 |
| Liczba otworów | 5 |
| Wymiar gwintu | 15,7 |
| Ø rozmieszczenia otworów [mm] | 100 |
| Kolor | czarny |
| Powierzchnia | lakierowany |
| Informacja uzupełniająca | ze śrubami |
| Oznaczenie kontrolne | E1 90R-02 C0185/0697 |
0
00000| Oś przednia, z lewej, Oś przednia, z prawej | |
| Kod towaru | 53659 AIC |
| Producent | AIC |
| Opis | tarcza hamulcowa |
| Strona zabudowy | Oś przednia, z lewej |
| Strona zabudowy | Oś przednia, z prawej |
| Liczba otworów | 5 |
| Ø rozmieszczenia otworów [mm] | 100 |
| Typ tarczy hamulcowej | z wentylacją wewnętrzną |
| średnica zewnętrzna [mm] | 279,5 |
| Grubość tarczy hamulcowej [mm] | 22 |
| Zamiana tylko w parach | |
00
000
00000| Kod towaru | 60-00-0944 ASH |
| Producent | ASHIKA |
| Opis | tarcza hamulcowa |
00
000
00000| Kod towaru | 60-00-0944C ASH |
| Producent | ASHIKA |
| Opis | tarcza hamulcowa |
| średnica zewnętrzna [mm] | 280 |
| Wysokość [mm] | 28,2 |
| Typ tarczy hamulcowej | wentylowany |
| Grubość tarczy hamulcowej [mm] | 22 |
| Minimalna grubość [mm] | 20 |
| Liczba otworów | 5 |
| Powierzchnia | lakierowany |
| Moment dokręcenia [Nm] | 120 |
| dla numeru OE | 357615301A |
00
0000
00000| Oś przednia | |
| Kod towaru | ADBP430005 BLP |
| Producent | BLUE PRINT |
| Opis | tarcza hamulcowa |
| Grubość tarczy hamulcowej [mm] | 22 |
| Felga, liczba otworów | 5 |
| Liczba otworów do mocowania | 1 |
| Grubość [mm] | 28 |
| średnica zewnętrzna [mm] | 280 |
| Ø rozmieszczenia otworów [mm] | 100 |
| Powierzchnia | pokryty |
| Typ tarczy hamulcowej | z wentylacją wewnętrzną |
| Strona zabudowy | Oś przednia |
| Minimalna grubość [mm] | 20 |
| Średnica otworu centrującego [mm] | 65 |
| uwzględnić informację serwisową | |
000
000
00000| Kod towaru | 09.5570.10 |
| Producent | BREMBO |
| Opis | tarcza hamulcowa |
| Typ tarczy hamulcowej | z wentylacją wewnętrzną |
| Grubość tarczy hamulcowej [mm] | 22 |
| Liczba otworów | 5 |
| Informacja uzupełniająca | ze śrubami |
| Wysokość [mm] | 28 |
| Średnica otworu centrującego [mm] | 65 |
| średnica zewnętrzna [mm] | 280 |
| Minimalna grubość [mm] | 20 |
| Moment dokręcenia [Nm] | 120 |
000
000
00000| Kod towaru | 09.5570.75 |
| Producent | BREMBO |
| Opis | tarcza hamulcowa |
| Typ tarczy hamulcowej | z wentylacją wewnętrzną |
| Typ tarczy hamulcowej | szczelinowy |
| Grubość tarczy hamulcowej [mm] | 22 |
| Liczba otworów | 5 |
| Informacja uzupełniająca | ze śrubami |
| Wysokość [mm] | 28 |
| Średnica otworu centrującego [mm] | 65 |
| średnica zewnętrzna [mm] | 280 |
| Powierzchnia | pokryty |
| Minimalna grubość [mm] | 20 |
| Moment dokręcenia [Nm] | 120 |
000
0000
00000| Kod towaru | BG2713 |
| Producent | DELPHI |
| Opis | tarcza hamulcowaPASSAT 88-93 1,8 G60 |
| Typ tarczy hamulcowej | wentylowany |
| Liczba otworów | 5 |
| Oznaczenie kontrolne | E1 90R-02C0289/1616 |
| Powierzchnia | naoliwione |
| średnica zewnętrzna [mm] | 280 |
| Grubość tarczy hamulcowej [mm] | 22 |
| Minimalna grubość [mm] | 20 |
| Średnica otworu centrującego [mm] | 65 |
| Wysokość [mm] | 28,5 |
00
00000
00000| Oś przednia | |
| Kod towaru | 06548 FEB |
| Producent | FEBI BILSTEIN |
| Opis | tarcza hamulcowa |
| Grubość tarczy hamulcowej [mm] | 22 |
| Felga, liczba otworów | 5 |
| Liczba otworów do mocowania | 1 |
| Grubość [mm] | 28 |
| średnica zewnętrzna [mm] | 280 |
| Ø rozmieszczenia otworów [mm] | 100 |
| Powierzchnia | pokryty |
| Typ tarczy hamulcowej | z wentylacją wewnętrzną |
| Strona zabudowy | Oś przednia |
| Minimalna grubość [mm] | 20 |
| Średnica otworu centrującego [mm] | 65 |
| uwzględnić informację serwisową | |
00000| Kod towaru | DDF332 FER |
| Producent | FERODO |
| Opis | tarcza hamulcowa |
| Typ tarczy hamulcowej | wentylowany |
| średnica zewnętrzna [mm] | 280 |
| Grubość tarczy hamulcowej [mm] | 22 |
| Informacja uzupełniająca | ze śrubami |
| Wysokość [mm] | 28,2 |
| Ø rozmieszczenia otworów [mm] | 100 |
| Średnica otworu centrującego [mm] | 65 |
| Liczba otworów | 5 |
| Jednostka ilości | Zestaw |
| Powierzchnia | naoliwione |
| Oznaczenie kontrolne | R90 homologated |
| Ciężar [kg] | 11,57 |
| Minimalna grubość [mm] | 20 |
| Moment dokręcenia [Nm] | 120 |
| Rodzaj połączenia | Pudełko |
| Długość opakowania [cm] | 27 |
| Szerokość opakowania [cm] | 27 |
| Wysokość opakowania [cm] | 6,9 |
00
000
00000| Kod towaru | 8DD 355 102-741 |
| Producent | HELLA |
| Opis | tarcza hamulcowa |
| Typ tarczy hamulcowej | wentylowany zewnętrznie |
| średnica zewnętrzna [mm] | 280 |
| Grubość tarczy hamulcowej [mm] | 22 |
| Wysokość [mm] | 28,2 |
| Minimalna grubość [mm] | 20 |
| Ø rozmieszczenia otworów [mm] | 100 |
| Średnica otworu centrującego [mm] | 65 |
| Wzór otworów/liczba otworów | 05/06 |
| Informacja uzupełniająca | bez piasty koła |
| Informacja uzupełniająca | bez sworznia mocującego koła |
| Ciężar [kg] | 5,8 |
| Montaż/demontaż koniecznie do wykonania przez fachowców! |
0
0
00000| Oś tylna | |
| Kod towaru | 40H9010-JPN |
| Producent | JPN |
| Opis | tarcza hamulcowa(232x9mm) VW GOLF IV (1J1) 08/97-06/05 GOLF IV Variant (1J5) 05/99- - AUDI A3 (8L1) 09/96- - SKODA OCTAVIA Combi (1U5) 07/98- OCTAVIA (1U2) 09/96- |
| Strona zabudowy | Oś tylna |
| Typ tarczy hamulcowej | pełny |
| Wysokość [mm] | 40,3 |
| Grubość tarczy hamulcowej [mm] | 9 |
| średnica zewnętrzna [mm] | 230 |
| Liczba otworów | 5 |
| Średnica otworu centrującego [mm] | 65 |
