0
00000| Kod towaru | 17020 ABS |
| Producent | A.B.S. |
| Opis | tarcza hamulcowa |
| średnica zewnętrzna [mm] | 294 |
| Grubość tarczy hamulcowej [mm] | 24 |
| Minimalna grubość [mm] | 22 |
| Wysokość [mm] | 56,7 |
| Felga, liczba otworów | 5 |
| Typ tarczy hamulcowej | wentylowany |
| Średnica otworu centrującego [mm] | 58 |
| Ø rozmieszczenia otworów [mm] | 100 |
| Powierzchnia | pokryty |
| średnica piasty [mm] | 139 |
00
00000
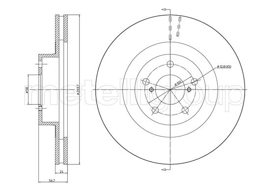
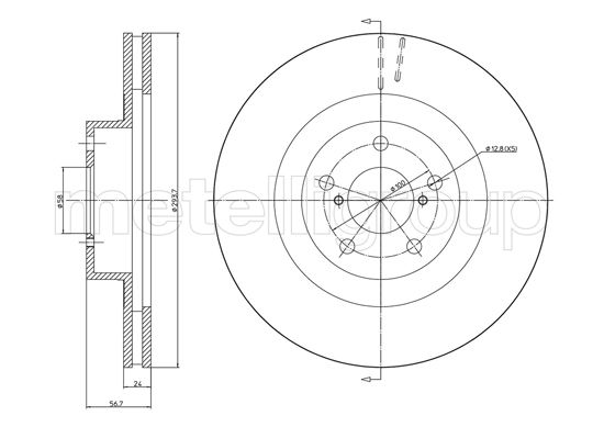
00000| Kod towaru | 24.0124-0196.1 |
| Producent | ATE |
| Opis | tarcza hamulcowa |
| średnica zewnętrzna [mm] | 293,5 |
| Grubość tarczy hamulcowej [mm] | 24,0 |
| Minimalna grubość [mm] | 22,0 |
| Typ tarczy hamulcowej | wentylowany |
| Powierzchnia | pokryty |
| Liczba otworów | 5 |
| Dostępne MAPP-Code | |
| Ø rozmieszczenia otworów [mm] | 100,0 |
| Wysokość [mm] | 56,7 |
| Średnica otworu centrującego [mm] | 58,0 |
| Średnica wewnętrzna [mm] | 129,0 |
| Średnica otworu [mm] | 13,0 |
| Oznaczenie kontrolne | E1 90R-02C0115/0007 |
00
0000
00000| Oś przednia | |
| Kod towaru | ADS74318 BLP |
| Producent | BLUE PRINT |
| Opis | tarcza hamulcowa |
| Grubość tarczy hamulcowej [mm] | 24 |
| Felga, liczba otworów | 5 |
| Liczba otworów do mocowania | 2 |
| Grubość [mm] | 57 |
| średnica zewnętrzna [mm] | 294 |
| Ø rozmieszczenia otworów [mm] | 100 |
| Powierzchnia | pokryty |
| Typ tarczy hamulcowej | z wentylacją wewnętrzną |
| Strona zabudowy | Oś przednia |
| Minimalna grubość [mm] | 22 |
| Średnica otworu centrującego [mm] | 58 |
| Ciężar [kg] | 6,6 |
| uwzględnić informację serwisową | |

000
00000| Kod towaru | 34-155210007/PD MEY |
| Producent | MEYLE |
| Opis | TARCZA HAM. SUBARU P. OUTBACK 03-/IMPREZA 00- |
000
00000| Oś przednia | |
| Kod towaru | 34-155210014 MEY |
| Producent | MEYLE |
| Opis | tarcza hamulcowaTARCZA HAM. SUBARU P. OUTBACK 03- |
| Strona zabudowy | Oś przednia |
| średnica zewnętrzna [mm] | 293 |
| Wysokość [mm] | 56,7 |
| Grubość tarczy hamulcowej [mm] | 24 |
| Minimalna grubość [mm] | 22 |
| Średnica otworu centrującego [mm] | 58 |
| Ø rozmieszczenia otworów [mm] | 100 |
| Średnica otworu szpilki koła [mm] | 13 |
| Liczba otworów | 5 |
| Typ tarczy hamulcowej | wentylowany |
| wymagana liczba | 2 |
000
00000| Oś przednia | |
| Kod towaru | 34-155210014/PD MEY |
| Producent | MEYLE |
| Opis | tarcza hamulcowaTARCZA HAM. SUBARU P. OUTBACK/IMPREZA/FORESTER 00- 293X24 |
| Strona zabudowy | Oś przednia |
| średnica zewnętrzna [mm] | 293 |
| Wysokość [mm] | 57 |
| Grubość tarczy hamulcowej [mm] | 24 |
| Minimalna grubość [mm] | 22 |
| Średnica otworu centrującego [mm] | 58 |
| Ø rozmieszczenia otworów [mm] | 100 |
| Średnica otworu szpilki koła [mm] | 13 |
| Liczba otworów | 5 |
| Typ tarczy hamulcowej | wentylowany |
| Powierzchnia | Płytki pokryte cynkiem |
| Jakość | PREMIUM |
| wymagana liczba | 2 |
0
00000| Kod towaru | BDC5165 QH |
| Producent | QUINTON HAZELL |
| Opis | tarcza hamulcowa- |
| Typ tarczy hamulcowej | wentylowany |
| średnica zewnętrzna [mm] | 294 |
| Grubość tarczy hamulcowej [mm] | 24 |
| Minimalna grubość [mm] | 22 |
| Wysokość [mm] | 56,7 |
| Średnica otworu centrującego [mm] | 58 |
| Ø rozmieszczenia otworów [mm] | 100 |
| Liczba otworów | 5 |
00
00000
00000| Kod towaru | DF4104 |
| Producent | TRW |
| Opis | tarcza hamulcowa |
| Typ tarczy hamulcowej | wentylowany |
| średnica zewnętrzna [mm] | 294 |
| Grubość tarczy hamulcowej [mm] | 24 |
| Minimalna grubość [mm] | 22 |
| Średnica otworu centrującego [mm] | 58 |
| Wysokość [mm] | 56,7 |
| Liczba otworów | 5 |
| Wymiar gwintu | 12,8 |
| Ø rozmieszczenia otworów [mm] | 100 |
| Kolor | czarny |
| Powierzchnia | lakierowany |
| Oznaczenie kontrolne | E190R-02C0176/0490 |
00
00000
00000| Kod towaru | DFV0455 |
| Producent | MAGNETI MARELLI |
| Opis | tarcza hamulcowa |
| Typ tarczy hamulcowej | z wentylacją wewnętrzną |
| Średnica [mm] | 293 |
| Wysokość [mm] | 56,7 |
| Minimalna grubość [mm] | 22 |
| Liczba otworów | 5 |
| Ø rozmieszczenia otworów [mm] | 58 |
| Moment dokręcenia [Nm] | 100 |
| Grubość tarczy hamulcowej [mm] | 24 |
| średnica zewnętrzna [mm] | 293 |
00
00000
00000| Kod towaru | DFV0992 |
| Producent | MAGNETI MARELLI |
| Opis | tarcza hamulcowa |
| Typ tarczy hamulcowej | z wentylacją wewnętrzną |
| Średnica [mm] | 293 |
| Wysokość [mm] | 56,7 |
| Minimalna grubość [mm] | 22 |
| Liczba otworów | 5 |
| Ø rozmieszczenia otworów [mm] | 58 |
| Moment dokręcenia [Nm] | 100 |
| Grubość tarczy hamulcowej [mm] | 24 |
| średnica zewnętrzna [mm] | 293 |
00
00000
00000| Kod towaru | DFX0455 |
| Producent | MAGNETI MARELLI |
| Opis | tarcza hamulcowa |
| Typ tarczy hamulcowej | perforowany / wentylowany wewnętrznie |
| Średnica [mm] | 293 |
| Wysokość [mm] | 56,7 |
| Minimalna grubość [mm] | 22,5 |
| Liczba otworów | 5 |
| Ø rozmieszczenia otworów [mm] | 58 |
| Moment dokręcenia [Nm] | 100 |
| Grubość tarczy hamulcowej [mm] | 24 |
| średnica zewnętrzna [mm] | 293 |
0
00000| Kod towaru | QD8609 |
| Producent | QUARO |
| Opis | tarcza hamulcowa |
| średnica zewnętrzna [mm] | 294 |
| Grubość tarczy hamulcowej [mm] | 24 |
| Typ tarczy hamulcowej | z wentylacją wewnętrzną |
| Minimalna grubość [mm] | 22 |
| Wysokość [mm] | 56,7 |
| Ø rozmieszczenia otworów [mm] | 100 |
| Średnica otworu centrującego [mm] | 58 |
| Informacja uzupełniająca | bez piasty koła |
| Informacja uzupełniająca | bez sworznia mocującego koła |
| Liczba otworów | 5 |
00000| Kod towaru | S4228V LPR |
| Producent | LPR |
| Opis | tarcza hamulcowa |
| Minimalna grubość [mm] | 22 |
| średnica zewnętrzna [mm] | 294 |
| Wysokość [mm] | 57 |
| Liczba otworów | 5 |
| Średnica otworu centrującego [mm] | 58 |
| Typ tarczy hamulcowej | z wentylacją wewnętrzną |
| Grubość tarczy hamulcowej [mm] | 24 |
0
00000| Kod towaru | S4228V SAM |
| Producent | SAMKO |
| Opis | tarcza hamulcowa |
| średnica zewnętrzna [mm] | 294 |
| Wysokość [mm] | 57 |
| Liczba otworów | 5 |
| Średnica otworu centrującego [mm] | 58 |
| Typ tarczy hamulcowej | z wentylacją wewnętrzną |
| Grubość tarczy hamulcowej [mm] | 24 |
| Minimalna grubość [mm] | 22 |
0
000
00000| Oś przednia | |
| Kod towaru | TX 72-74 |
| Producent | TOMEX BRAKES |
| Opis | tarcza hamulcowa(294x24mm) SUBARU OUTBACK (BE, BH) 10/00- FORESTER (SG) 09/02- |
| Strona zabudowy | Oś przednia |
| Typ tarczy hamulcowej | wentylowany |
| Grubość tarczy hamulcowej [mm] | 24 |
| średnica zewnętrzna [mm] | 293 |
| Wysokość [mm] | 56,7 |
| Liczba otworów | 5 |
| Średnica otworu centrującego [mm] | 58 |
| Ø rozmieszczenia otworów [mm] | 100 |
| Powierzchnia | lakierowany |
| Ciężar [kg] | 15,8 |
| Minimalna grubość [mm] | 22 |
000
00000
00000| Kod towaru | VKBD 80153 V2 |
| Producent | SKF |
| Opis | tarcza hamulcowa |
| Typ tarczy hamulcowej | z wentylacją wewnętrzną |
| średnica zewnętrzna [mm] | 294 |
| Grubość tarczy hamulcowej [mm] | 24 |
| Wysokość [mm] | 56,7 |
| Ø rozmieszczenia otworów [mm] | 100 |
| Średnica otworu centrującego [mm] | 58 |
| Liczba otworów | 5 |
| Powierzchnia | pokryty |
| Minimalna grubość [mm] | 22 |
| Liczba otworów | 2 |
00
0000
00000| Kod towaru | 231-03-121 ABA |
| Producent | ABAKUS |
| Opis | tarcza hamulcowa |
| Typ tarczy hamulcowej | wentylowany |
| średnica zewnętrzna [mm] | 294 |
| Grubość tarczy hamulcowej [mm] | 24 |
| wymagana liczba | 2 |
| Zamiana tylko w parach | |
| Wysokość [mm] | 56,7 |
| Ø rozmieszczenia otworów [mm] | 100 |
| Średnica otworu centrującego [mm] | 58 |
| Liczba otworów | 5 |
| Oznaczenie kontrolne | ECE R90 |
| Montaż/demontaż koniecznie do wykonania przez fachowców! |
00
000
00000| Oś przednia | |
| Kod towaru | 60-07-725C ASH |
| Producent | ASHIKA |
| Opis | tarcza hamulcowa |
| Strona zabudowy | Oś przednia |
| Ø rozmieszczenia otworów [mm] | 58 |
| Wysokość [mm] | 57 |
| średnica zewnętrzna [mm] | 293 |
| Grubość tarczy hamulcowej [mm] | 24 |
| Minimalna grubość [mm] | 22 |
| Liczba otworów | 5 |
| Typ tarczy hamulcowej | wentylowany |
| Oznaczenie kontrolne | ECE R90 APPROVED |
| Powierzchnia | lakierowany |
| Moment dokręcenia [Nm] | 100 |
| dla numeru OE | 26300AE061 |
00
0000
00000| Oś przednia | |
| Kod towaru | ADT343311 BLP |
| Producent | BLUE PRINT |
| Opis | tarcza hamulcowa |
| Grubość tarczy hamulcowej [mm] | 24 |
| Felga, liczba otworów | 5 |
| Liczba otworów do mocowania | 2 |
| Grubość [mm] | 57 |
| średnica zewnętrzna [mm] | 294 |
| Ø rozmieszczenia otworów [mm] | 100 |
| Powierzchnia | pokryty |
| Typ tarczy hamulcowej | z wentylacją wewnętrzną |
| Strona zabudowy | Oś przednia |
| Minimalna grubość [mm] | 22 |
| Średnica otworu centrującego [mm] | 58 |
| Ciężar [kg] | 7,56 |
| uwzględnić informację serwisową | |
000
00000
00000| Kod towaru | 0986478977 |
| Producent | BOSCH |
| Opis | tarcza hamulcowaSUBARU FORESTER |
| średnica zewnętrzna [mm] | 293,5 |
| Grubość tarczy hamulcowej [mm] | 24 |
| Minimalna grubość [mm] | 22 |
| Wysokość [mm] | 56,7 |
| Ø rozmieszczenia otworów [mm] | 100 |
| Typ tarczy hamulcowej | wentylowany |
| Średnica otworu centrującego [mm] | 58 |
| Liczba otworów | 5 |
| Powierzchnia | naoliwione |
| spełnia wymagania Normy ECE | ECE-R90 |
| Średnica otworu do [mm] | 13 |
| Typ tarczy hamulcowej | z wentylacją wewnętrzną |
000
000
00000| Kod towaru | 09.9077.11 |
| Producent | BREMBO |
| Opis | tarcza hamulcowa |
| Typ tarczy hamulcowej | z wentylacją wewnętrzną |
| Grubość tarczy hamulcowej [mm] | 24 |
| Liczba otworów | 5 |
| Wysokość [mm] | 57 |
| Średnica otworu centrującego [mm] | 58 |
| średnica zewnętrzna [mm] | 293 |
| Powierzchnia | pokryty |
| Minimalna grubość [mm] | 22 |
| Moment dokręcenia [Nm] | 100 |
000
000
00000| Kod towaru | 09.9077.1X |
| Producent | BREMBO |
| Opis | tarcza hamulcowa |
| Typ tarczy hamulcowej | perforowany / wentylowany wewnętrznie |
| Grubość tarczy hamulcowej [mm] | 24 |
| Liczba otworów | 5 |
| Wysokość [mm] | 57 |
| Średnica otworu centrującego [mm] | 58 |
| średnica zewnętrzna [mm] | 293 |
| Powierzchnia | pokryty |
| Minimalna grubość [mm] | 22,5 |
| Moment dokręcenia [Nm] | 100 |
000
000
00000| Kod towaru | 09.A921.11 |
| Producent | BREMBO |
| Opis | tarcza hamulcowa |
| Typ tarczy hamulcowej | z wentylacją wewnętrzną |
| Grubość tarczy hamulcowej [mm] | 24 |
| Liczba otworów | 5 |
| Wysokość [mm] | 57 |
| Średnica otworu centrującego [mm] | 58 |
| średnica zewnętrzna [mm] | 293 |
| Powierzchnia | pokryty |
| Minimalna grubość [mm] | 22 |
| Moment dokręcenia [Nm] | 100 |
000
000
00000| Kod towaru | 09.A921.14 |
| Producent | BREMBO |
| Opis | tarcza hamulcowa |
| Typ tarczy hamulcowej | z wentylacją wewnętrzną |
| Grubość tarczy hamulcowej [mm] | 24 |
| Liczba otworów | 5 |
| Wysokość [mm] | 57 |
| Średnica otworu centrującego [mm] | 58 |
| średnica zewnętrzna [mm] | 293 |
| Minimalna grubość [mm] | 22 |
| Moment dokręcenia [Nm] | 100 |
00
00000
00000| Oś przednia | |
| Kod towaru | 108400 FEB |
| Producent | FEBI BILSTEIN |
| Opis | tarcza hamulcowa26300SA000 |
| Grubość tarczy hamulcowej [mm] | 24 |
| Felga, liczba otworów | 5 |
| Liczba otworów do mocowania | 2 |
| Grubość [mm] | 57 |
| średnica zewnętrzna [mm] | 294 |
| Ø rozmieszczenia otworów [mm] | 100 |
| Powierzchnia | pokryty |
| Typ tarczy hamulcowej | z wentylacją wewnętrzną |
| Strona zabudowy | Oś przednia |
| Minimalna grubość [mm] | 22 |
| Średnica otworu centrującego [mm] | 58 |
| Ciężar [kg] | 6,6 |
| uwzględnić informację serwisową | |
0
0
00000| Oś przednia | |
| Kod towaru | 30H7013-JPN |
| Producent | JPN |
| Opis | tarcza hamulcowa |
| Strona zabudowy | Oś przednia |
| Typ tarczy hamulcowej | wentylowany |
| Wysokość [mm] | 56,7 |
| Grubość tarczy hamulcowej [mm] | 24 |
| Wymiar gwintu | 12,8 |
| średnica zewnętrzna [mm] | 294 |
| Liczba otworów | 5 |
| Średnica otworu centrującego [mm] | 58 |
| Ø rozmieszczenia otworów [mm] | 100 |
0
0
00000| Kod towaru | 800-1132C CIF |
| Producent | CIFAM |
| Opis | tarcza hamulcowa |
| Oznaczenie kontrolne | ECE-R90 |
| Wysokość [mm] | 56,7 |
| Typ tarczy hamulcowej | wentylowany |
| Grubość tarczy hamulcowej [mm] | 24,0 |
| średnica zewnętrzna [mm] | 293,5 |
| Liczba otworów | 5 |
| Średnica otworu centrującego [mm] | 58,0 |
| Powierzchnia | lakierowany |
00
000
00000| Kod towaru | 8DD 355 112-051 |
| Producent | HELLA |
| Opis | tarcza hamulcowa |
| Typ tarczy hamulcowej | z wentylacją wewnętrzną |
| średnica zewnętrzna [mm] | 294 |
| Grubość tarczy hamulcowej [mm] | 24 |
| Wysokość [mm] | 56,7 |
| Minimalna grubość [mm] | 22 |
| Średnica wewnętrzna [mm] | 129 |
| Ø rozmieszczenia otworów [mm] | 100 |
| Średnica otworu centrującego [mm] | 58 |
| Wzór otworów/liczba otworów | 05/07 |
| Średnica otworu szpilki koła [mm] | 13 |
| Informacja uzupełniająca | bez piasty koła |
| Informacja uzupełniająca | bez łożyska koła |
| Informacja uzupełniająca | bez sworznia mocującego koła |
| Ciężar [kg] | 6,5 |
| Montaż/demontaż koniecznie do wykonania przez fachowców! |
00
00000| Kod towaru | B130461 |
| Producent | DENCKERMANN |
| Opis | tarcza hamulcowa |
| Minimalna grubość [mm] | 22,0 |
| Typ tarczy hamulcowej | wentylowany |
| Średnica otworu [mm] | 13,0 |
| Grubość tarczy hamulcowej [mm] | 24 |
| Ø rozmieszczenia otworów [mm] | 100 |
| Liczba otworów | 5 |
| Średnica wewnętrzna [mm] | 129,0 |
| Wysokość [mm] | 56,7 |
| Średnica otworu centrującego [mm] | 58 |
| średnica zewnętrzna [mm] | 294 |
000
0000
00000| Kod towaru | BG3413 |
| Producent | DELPHI |
| Opis | tarcza hamulcowaSWIFT 89-01 |
| Typ tarczy hamulcowej | wentylowany |
| Liczba otworów | 5 |
| Oznaczenie kontrolne | E1 90R-02C0074/1828 |
| Powierzchnia | naoliwione |
| średnica zewnętrzna [mm] | 295 |
| Grubość tarczy hamulcowej [mm] | 24 |
| Minimalna grubość [mm] | 22 |
| Średnica otworu centrującego [mm] | 58 |
| Wysokość [mm] | 57 |
00000| Kod towaru | DDF1175C FER |
| Producent | FERODO |
| Opis | tarcza hamulcowa |
| Typ tarczy hamulcowej | wentylowany |
| średnica zewnętrzna [mm] | 293 |
| Grubość tarczy hamulcowej [mm] | 24 |
| Informacja uzupełniająca | bez śrub |
| Wysokość [mm] | 56,7 |
| Średnica otworu centrującego [mm] | 58 |
| Liczba otworów | 5 |
| Jednostka ilości | Zestaw |
| Powierzchnia | pokryty |
| Ciężar [kg] | 13,42 |
| Minimalna grubość [mm] | 22 |
| Moment dokręcenia [Nm] | 100 |
| Długość opakowania [cm] | 30 |
| Szerokość opakowania [cm] | 30 |
| Wysokość opakowania [cm] | 11 |
00
000
00000| Oś przednia | |
| Kod towaru | 1032350 |
| Producent | KAMOKA |
| Opis | tarcza hamulcowa |
| Strona zabudowy | Oś przednia |
| Typ tarczy hamulcowej | wentylowany |
| Grubość tarczy hamulcowej [mm] | 24 |
| Ø rozmieszczenia otworów [mm] | 100 |
| Liczba otworów | 5 |
| Wysokość [mm] | 57 |
| Średnica otworu centrującego [mm] | 58 |
| Powierzchnia | pokryty |
| średnica zewnętrzna [mm] | 293 |
00
000
00000| Kod towaru | 23-1132C MET |
| Producent | METELLI |
| Opis | tarcza hamulcowa |
| Oznaczenie kontrolne | ECE-R90 |
| Wysokość [mm] | 56,7 |
| Typ tarczy hamulcowej | wentylowany |
| Grubość tarczy hamulcowej [mm] | 24,0 |
| średnica zewnętrzna [mm] | 293,5 |
| Liczba otworów | 5 |
| Średnica otworu centrującego [mm] | 58,0 |
| Powierzchnia | lakierowany |
0
0000
00000| Oś przednia | |
| Kod towaru | 33 10 7133 |
| Producent | SWAG |
| Opis | tarcza hamulcowa |
| Grubość tarczy hamulcowej [mm] | 24 |
| Felga, liczba otworów | 5 |
| Liczba otworów do mocowania | 2 |
| Grubość [mm] | 57 |
| średnica zewnętrzna [mm] | 294 |
| Ø rozmieszczenia otworów [mm] | 100 |
| Powierzchnia | pokryty |
| Typ tarczy hamulcowej | z wentylacją wewnętrzną |
| Strona zabudowy | Oś przednia |
| Minimalna grubość [mm] | 22 |
| Średnica otworu centrującego [mm] | 58 |
| Ciężar [kg] | 6,6 |
00
000
00000| Kod towaru | 530.2458.20 ZIM |
| Producent | ZIMMERMANN |
| Opis | tarcza hamulcowa |
| Typ tarczy hamulcowej | z wentylacją wewnętrzną |
| Powierzchnia | pokryty |
| średnica zewnętrzna [mm] | 293 |
| Grubość tarczy hamulcowej [mm] | 24 |
| Wysokość [mm] | 56 |
| Felga, liczba otworów | 5 |
| Ø rozmieszczenia otworów [mm] | 100 |
| Średnica otworu centrującego [mm] | 58 |
| Oznaczenie kontrolne | ECE R90 APPROVED |
| Minimalna grubość [mm] | 22 |
| Ciężar [kg] | 7,7 |
| Wzór otworów/liczba otworów | 7/5 |
00
000
00000| Kod towaru | 530.2458.52 ZIM |
| Producent | ZIMMERMANN |
| Opis | tarcza hamulcowa |
| Typ tarczy hamulcowej | z wentylacją wewnętrzną |
| Typ tarczy hamulcowej | perforowany |
| Powierzchnia | pokryty |
| średnica zewnętrzna [mm] | 293 |
| Grubość tarczy hamulcowej [mm] | 24 |
| Wysokość [mm] | 56 |
| Felga, liczba otworów | 5 |
| Ø rozmieszczenia otworów [mm] | 100 |
| Średnica otworu centrującego [mm] | 58 |
| Oznaczenie kontrolne | ECE R90 APPROVED |
| Minimalna grubość [mm] | 22 |
| Ciężar [kg] | 7,6 |
| Wzór otworów/liczba otworów | 7/5 |
00
000
00000| Kod towaru | 530.2458.53 ZIM |
| Producent | ZIMMERMANN |
| Opis | tarcza hamulcowa |
| Typ tarczy hamulcowej | z wentylacją wewnętrzną |
| Typ tarczy hamulcowej | szczelinowy |
| Powierzchnia | pokryty |
| średnica zewnętrzna [mm] | 293 |
| Grubość tarczy hamulcowej [mm] | 24 |
| Wysokość [mm] | 56 |
| Felga, liczba otworów | 5 |
| Ø rozmieszczenia otworów [mm] | 100 |
| Średnica otworu centrującego [mm] | 58 |
| kierunkowa | |
| Oznaczenie kontrolne | ECE R90 APPROVED |
| Minimalna grubość [mm] | 22 |
| Ciężar [kg] | 7,7 |
| Wzór otworów/liczba otworów | 7/5 |
0
0000
00000| Kod towaru | 92139500 TXT |
| Producent | TEXTAR |
| Opis | tarcza hamulcowa |
| Typ tarczy hamulcowej | z wentylacją wewnętrzną |
| średnica zewnętrzna [mm] | 294 |
| Grubość tarczy hamulcowej [mm] | 24 |
| Wysokość [mm] | 56,7 |
| Minimalna grubość [mm] | 22 |
| Średnica wewnętrzna [mm] | 129 |
| Ø rozmieszczenia otworów [mm] | 100 |
| Średnica otworu centrującego [mm] | 58 |
| Wzór otworów/liczba otworów | 05/07 |
| Średnica otworu szpilki koła [mm] | 13 |
| Informacja uzupełniająca | bez piasty koła |
| Informacja uzupełniająca | bez łożyska koła |
| Informacja uzupełniająca | bez sworznia mocującego koła |
| Długość opakowania [cm] | 31,3 |
| Szerokość opakowania [cm] | 31,3 |
| Wysokość opakowania [cm] | 14 |
| Ciężar [kg] | 6,5 |
0000
00000| Oś przednia | |
| Kod towaru | BS-7974 OPT |
| Producent | OPTIMAL |
| Opis | tarcza hamulcowa |
| Strona zabudowy | Oś przednia |
| Typ tarczy hamulcowej | wentylowany |
| Grubość tarczy hamulcowej [mm] | 24 |
| średnica zewnętrzna [mm] | 294 |
| Wysokość [mm] | 56,7 |
| Średnica otworu centrującego [mm] | 58 |
| Minimalna grubość [mm] | 22 |
| Wzór otworów/liczba otworów | 5/7 |
