0
00000| Kod towaru | 16623 ABS | 
| Producent | A.B.S. | 
| Opis | tarcza hamulcowa | 
| średnica zewnętrzna [mm] | 310 | 
| Grubość tarczy hamulcowej [mm] | 22 | 
| Minimalna grubość [mm] | 20 | 
| Wysokość [mm] | 46 | 
| Felga, liczba otworów | 5 | 
| Typ tarczy hamulcowej | wentylowany | 
| Średnica otworu centrującego [mm] | 107 | 
| Ø rozmieszczenia otworów [mm] | 139,7 | 
| Powierzchnia | pokryty | 
| średnica piasty [mm] | 195 | 
00
0000
00000| Oś przednia | |
| Kod towaru | ADK84311 BLP | 
| Producent | BLUE PRINT | 
| Opis | tarcza hamulcowa | 
| Grubość tarczy hamulcowej [mm] | 22,3 | 
| Felga, liczba otworów | 5 | 
| Liczba otworów do mocowania | 2 | 
| Grubość [mm] | 46 | 
| średnica zewnętrzna [mm] | 310 | 
| Ø rozmieszczenia otworów [mm] | 140 | 
| Powierzchnia | pokryty | 
| Typ tarczy hamulcowej | z wentylacją wewnętrzną | 
| Strona zabudowy | Oś przednia | 
| Minimalna grubość [mm] | 20 | 
| Średnica otworu centrującego [mm] | 107 | 
| Ciężar [kg] | 6,670 | 
| uwzględnić informację serwisową | |
00
000
00000| Oś przednia | |
| Kod towaru | 60-08-816C ASH | 
| Producent | ASHIKA | 
| Opis | tarcza hamulcowa | 
| Strona zabudowy | Oś przednia | 
| Ø rozmieszczenia otworów [mm] | 107 | 
| Wysokość [mm] | 46,2 | 
| średnica zewnętrzna [mm] | 309,8 | 
| Grubość tarczy hamulcowej [mm] | 22 | 
| Minimalna grubość [mm] | 20 | 
| Liczba otworów | 5 | 
| Typ tarczy hamulcowej | wentylowany | 
| Powierzchnia | lakierowany | 
| dla numeru OE | 5521177E01 | 
000
0000
00000| Kod towaru | BG3587 | 
| Producent | DELPHI | 
| Opis | tarcza hamulcowaVITARA 94-98 | 
| Typ tarczy hamulcowej | wentylowany | 
| Liczba otworów | 5 | 
| Oznaczenie kontrolne | E1 90R-02C0074/1613 | 
| Powierzchnia | naoliwione | 
| średnica zewnętrzna [mm] | 311 | 
| Grubość tarczy hamulcowej [mm] | 22 | 
| Minimalna grubość [mm] | 20 | 
| Średnica otworu centrującego [mm] | 107 | 
| Wysokość [mm] | 46,5 | 
00000| Kod towaru | DDF979 FER | 
| Producent | FERODO | 
| Opis | tarcza hamulcowa | 
| Typ tarczy hamulcowej | wentylowany | 
| średnica zewnętrzna [mm] | 310 | 
| Grubość tarczy hamulcowej [mm] | 22 | 
| Informacja uzupełniająca | bez śrub | 
| Wysokość [mm] | 46,5 | 
| Ø rozmieszczenia otworów [mm] | 139,7 | 
| Średnica otworu centrującego [mm] | 107 | 
| Liczba otworów | 5 | 
| Jednostka ilości | Zestaw | 
| Powierzchnia | naoliwione | 
| Ciężar [kg] | 13,66 | 
| Średnica otworu [mm] | 107 | 
| Minimalna grubość [mm] | 20 | 
| Rodzaj połączenia | Pudełko | 
| Długość opakowania [cm] | 32 | 
| Szerokość opakowania [cm] | 32 | 
| Wysokość opakowania [cm] | 12 | 
00
000
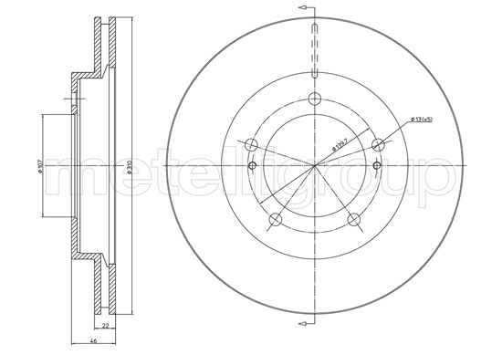
00000| Kod towaru | 23-1573 MET | 
| Producent | METELLI | 
| Opis | tarcza hamulcowa | 
| Oznaczenie kontrolne | ECE-R90 | 
| Wysokość [mm] | 46,2 | 
| Typ tarczy hamulcowej | wentylowany | 
| Grubość tarczy hamulcowej [mm] | 22,0 | 
| średnica zewnętrzna [mm] | 310,0 | 
| Liczba otworów | 5 | 
| Średnica otworu centrującego [mm] | 107,0 | 
0
0000
00000| Kod towaru | 92149000 TXT | 
| Producent | TEXTAR | 
| Opis | tarcza hamulcowa | 
| Typ tarczy hamulcowej | z wentylacją wewnętrzną | 
| średnica zewnętrzna [mm] | 310 | 
| Grubość tarczy hamulcowej [mm] | 22 | 
| Wysokość [mm] | 46 | 
| Minimalna grubość [mm] | 20 | 
| Średnica wewnętrzna [mm] | 182,6 | 
| Ø rozmieszczenia otworów [mm] | 139,7 | 
| Średnica otworu centrującego [mm] | 107 | 
| Wzór otworów/liczba otworów | 05/07 | 
| Średnica otworu szpilki koła [mm] | 12,8 | 
| Informacja uzupełniająca | bez piasty koła | 
| Informacja uzupełniająca | bez łożyska koła | 
| Informacja uzupełniająca | bez sworznia mocującego koła | 
| Długość opakowania [cm] | 32,8 | 
| Szerokość opakowania [cm] | 32,8 | 
| Wysokość opakowania [cm] | 12,5 | 
| Ciężar [kg] | 6,5 | 
00
00000
00000| Kod towaru | DF4912 | 
| Producent | TRW | 
| Opis | tarcza hamulcowa | 
| Powierzchnia | lakierowany | 
| Typ tarczy hamulcowej | wentylowany | 
| średnica zewnętrzna [mm] | 310 | 
| Grubość tarczy hamulcowej [mm] | 22 | 
| Minimalna grubość [mm] | 20 | 
| Liczba otworów | 5 | 
| Wysokość [mm] | 46 | 
| Średnica otworu centrującego [mm] | 107 | 
| Ø rozmieszczenia otworów [mm] | 139,7 | 
| Wymiar gwintu | 12,7 | 
| Kolor | czarny | 
| Oznaczenie kontrolne | E1 90R-02 C0176/0615 | 

