0
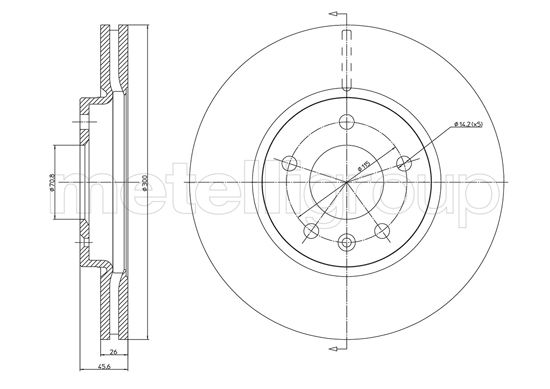
00000| Kod towaru | 18032 ABS |
| Producent | A.B.S. |
| Opis | tarcza hamulcowa |
| średnica zewnętrzna [mm] | 300 |
| Grubość tarczy hamulcowej [mm] | 26 |
| Minimalna grubość [mm] | 23 |
| Wysokość [mm] | 45,5 |
| Felga, liczba otworów | 5 |
| Typ tarczy hamulcowej | wentylowany |
| Średnica otworu centrującego [mm] | 70,5 |
| Ø rozmieszczenia otworów [mm] | 115 |
| Powierzchnia | pokryty |
| średnica piasty [mm] | 161 |
00
0000
00000| Oś przednia | |
| Kod towaru | ADG043166 BLP |
| Producent | BLUE PRINT |
| Opis | tarcza hamulcowa |
| Grubość tarczy hamulcowej [mm] | 26 |
| Felga, liczba otworów | 5 |
| Liczba otworów do mocowania | 1 |
| Grubość [mm] | 46 |
| średnica zewnętrzna [mm] | 300 |
| Ø rozmieszczenia otworów [mm] | 115 |
| Powierzchnia | pokryty |
| Typ tarczy hamulcowej | z wentylacją wewnętrzną |
| Strona zabudowy | Oś przednia |
| Minimalna grubość [mm] | 23 |
| Średnica otworu centrującego [mm] | 70,7 |
| Ciężar [kg] | 8,52 |
| uwzględnić informację serwisową | |
000
00000| Oś przednia | |
| Kod towaru | 6155210006/PD MEY |
| Producent | MEYLE |
| Opis | tarcza hamulcowaTARCZA HAM. OPEL P. ASTRA 09- KOŁA 16 CAL |
| Strona zabudowy | Oś przednia |
| średnica zewnętrzna [mm] | 300 |
| Wysokość [mm] | 45,6 |
| Grubość tarczy hamulcowej [mm] | 26 |
| Minimalna grubość [mm] | 23 |
| Średnica otworu centrującego [mm] | 70,5 |
| Ø rozmieszczenia otworów [mm] | 115 |
| Średnica otworu szpilki koła [mm] | 14,2 |
| Liczba otworów | 5 |
| Typ tarczy hamulcowej | wentylowany |
| Powierzchnia | Płytki pokryte cynkiem |
| Jakość | PREMIUM |
| wymagana liczba | 2 |
00
00000
00020| Kod towaru | DF7923 |
| Producent | TRW |
| Opis | tarcza hamulcowa |
| Typ tarczy hamulcowej | wentylowany |
| średnica zewnętrzna [mm] | 300 |
| Grubość tarczy hamulcowej [mm] | 26 |
| Minimalna grubość [mm] | 23 |
| Liczba otworów | 5 |
| Średnica otworu centrującego [mm] | 71 |
| Wysokość [mm] | 45,5 |
| Wymiar gwintu | 14,2 |
| Ø rozmieszczenia otworów [mm] | 115 |
| Kolor | czarny |
| Powierzchnia | lakierowany |
| Oznaczenie kontrolne | E190R-02C0176/0492 |
00
00000
00000| Kod towaru | DFV1087 |
| Producent | MAGNETI MARELLI |
| Opis | tarcza hamulcowa |
| Przetwarzanie | wysoko nawęglany |
| Powierzchnia | pokryty lakierem UV |
| Typ tarczy hamulcowej | z wentylacją wewnętrzną |
| Średnica [mm] | 300 |
| Wysokość [mm] | 45,5 |
| Minimalna grubość [mm] | 23 |
| Liczba otworów | 5 |
| Ø rozmieszczenia otworów [mm] | 70,8 |
| Moment dokręcenia [Nm] | 110 |
| Grubość tarczy hamulcowej [mm] | 26 |
| średnica zewnętrzna [mm] | 300 |
00
00000
00000| Kod towaru | DFX1087 |
| Producent | MAGNETI MARELLI |
| Opis | tarcza hamulcowa |
| Przetwarzanie | wysoko nawęglany |
| Typ tarczy hamulcowej | perforowany / wentylowany wewnętrznie |
| Średnica [mm] | 300 |
| Wysokość [mm] | 45,5 |
| Minimalna grubość [mm] | 23,8 |
| Liczba otworów | 5 |
| Ø rozmieszczenia otworów [mm] | 70,8 |
| Moment dokręcenia [Nm] | 110 |
| Grubość tarczy hamulcowej [mm] | 26 |
| średnica zewnętrzna [mm] | 300 |
0
000
00000| Oś przednia | |
| Kod towaru | TX 72-53 |
| Producent | TOMEX BRAKES |
| Opis | tarcza hamulcowa(300x26mm) koła 16 |
| Strona zabudowy | Oś przednia |
| Typ tarczy hamulcowej | wentylowany |
| Grubość tarczy hamulcowej [mm] | 26 |
| średnica zewnętrzna [mm] | 300 |
| Wysokość [mm] | 45,5 |
| Liczba otworów | 5 |
| Średnica otworu centrującego [mm] | 71 |
| Ø rozmieszczenia otworów [mm] | 115 |
| Powierzchnia | lakierowany |
| Ciężar [kg] | 17,95 |
| Minimalna grubość [mm] | 23 |
000
00000
00000| Kod towaru | VKBD 80194 V2 |
| Producent | SKF |
| Opis | tarcza hamulcowa |
| Typ tarczy hamulcowej | z wentylacją wewnętrzną |
| średnica zewnętrzna [mm] | 300 |
| Grubość tarczy hamulcowej [mm] | 26 |
| Wysokość [mm] | 45,5 |
| Ø rozmieszczenia otworów [mm] | 115 |
| Średnica otworu centrującego [mm] | 70,7 |
| Liczba otworów | 5 |
| Powierzchnia | pokryty |
| Minimalna grubość [mm] | 23 |
| Liczba otworów | 1 |
0
00000| Oś przednia | |
| Kod towaru | 128028FCAL ALT |
| Producent | ALTE AUTOMOTIVE |
| Opis | tarcza hamulcowa |
| Strona zabudowy | Oś przednia |
| Typ tarczy hamulcowej | wentylowany |
| Grubość tarczy hamulcowej [mm] | 26 |
| średnica zewnętrzna [mm] | 300 |
| Ciężar [kg] | 8,42075 |
| Wysokość [mm] | 45,5 |
| Liczba otworów | 5 |
| Ø rozmieszczenia otworów [mm] | 115 |
| Średnica otworu centrującego [mm] | 70,8 |
| Powierzchnia | pokryty |
| Minimalna grubość [mm] | 23 |
| Średnica otworu do [mm] | 14,3 |
00
000
00000| Oś przednia | |
| Kod towaru | 60-0W-W16C ASH |
| Producent | ASHIKA |
| Opis | tarcza hamulcowa |
| Strona zabudowy | Oś przednia |
| Ø rozmieszczenia otworów [mm] | 71 |
| Wysokość [mm] | 46 |
| średnica zewnętrzna [mm] | 300 |
| Grubość tarczy hamulcowej [mm] | 26 |
| Minimalna grubość [mm] | 24 |
| Liczba otworów | 5 |
| Typ tarczy hamulcowej | wentylowany |
| Rozmiar felgi [cal] | 16 |
| Oznaczenie kontrolne | ECE R90 APPROVED |
| Powierzchnia | lakierowany |
| dla numeru OE | 95527031 |
000
00000
00000| Kod towaru | 0986479644 |
| Producent | BOSCH |
| Opis | tarcza hamulcowa |
| średnica zewnętrzna [mm] | 300 |
| Grubość tarczy hamulcowej [mm] | 26 |
| Minimalna grubość [mm] | 23 |
| Wysokość [mm] | 45,5 |
| Ø rozmieszczenia otworów [mm] | 115 |
| Typ tarczy hamulcowej | wentylowany |
| Średnica otworu centrującego [mm] | 70,7 |
| Liczba otworów | 5 |
| Powierzchnia | naoliwione |
| Przetwarzanie | wysoko nawęglany |
| spełnia wymagania Normy ECE | ECE-R90 |
| Średnica otworu do [mm] | 14,2 |
000
00000
00000| Kod towaru | 0986479C56 |
| Producent | BOSCH |
| Opis | tarcza hamulcowa |
| średnica zewnętrzna [mm] | 300 |
| Grubość tarczy hamulcowej [mm] | 26 |
| Minimalna grubość [mm] | 23 |
| Wysokość [mm] | 45,5 |
| Ø rozmieszczenia otworów [mm] | 115 |
| Typ tarczy hamulcowej | wentylowany |
| Średnica otworu centrującego [mm] | 70,7 |
| Liczba otworów | 5 |
| Powierzchnia | pokryty |
| Przetwarzanie | wysoko nawęglany |
| spełnia wymagania Normy ECE | ECE-R90 |
| Średnica otworu do [mm] | 14,2 |
| Typ tarczy hamulcowej | z wentylacją wewnętrzną |
000
000
00000| Kod towaru | 09.B356.10 |
| Producent | BREMBO |
| Opis | tarcza hamulcowa |
| Typ tarczy hamulcowej | z wentylacją wewnętrzną |
| Grubość tarczy hamulcowej [mm] | 26 |
| Liczba otworów | 5 |
| Wysokość [mm] | 46 |
| Średnica otworu centrującego [mm] | 71 |
| średnica zewnętrzna [mm] | 300 |
| Przetwarzanie | wysoko nawęglany |
| Minimalna grubość [mm] | 23 |
| Moment dokręcenia [Nm] | 110 |
000
000
00000| Kod towaru | 09.B356.11 |
| Producent | BREMBO |
| Opis | tarcza hamulcowa |
| Typ tarczy hamulcowej | z wentylacją wewnętrzną |
| Grubość tarczy hamulcowej [mm] | 26 |
| Liczba otworów | 5 |
| Wysokość [mm] | 46 |
| Średnica otworu centrującego [mm] | 71 |
| średnica zewnętrzna [mm] | 300 |
| Przetwarzanie | wysoko nawęglany |
| Powierzchnia | pokryty |
| Minimalna grubość [mm] | 23 |
| Moment dokręcenia [Nm] | 110 |
000
000
00000| Kod towaru | 09.B356.31 |
| Producent | BREMBO |
| Opis | tarcza hamulcowa(300x26mm) koła 16 calowe |
| Typ tarczy hamulcowej | z wentylacją wewnętrzną |
| Grubość tarczy hamulcowej [mm] | 26 |
| Liczba otworów | 5 |
| Wysokość [mm] | 46 |
| Średnica otworu centrującego [mm] | 71 |
| średnica zewnętrzna [mm] | 300 |
| Przetwarzanie | wysoko nawęglany |
| Powierzchnia | pokryty |
| Minimalna grubość [mm] | 23 |
000
0
00000| Kod towaru | 09.B356.75 |
| Producent | BREMBO |
| Opis | tarcza hamulcowa |
| Typ tarczy hamulcowej | z wentylacją wewnętrzną |
| Typ tarczy hamulcowej | szczelinowy |
| Grubość tarczy hamulcowej [mm] | 26 |
| Liczba otworów | 5 |
| Wysokość [mm] | 46 |
| Średnica otworu centrującego [mm] | 71 |
| średnica zewnętrzna [mm] | 300 |
| Przetwarzanie | wysoko nawęglany |
| Powierzchnia | pokryty |
| Minimalna grubość [mm] | 23 |
| Moment dokręcenia [Nm] | 110 |
00
00000
00000| Oś przednia | |
| Kod towaru | 39190 FEB |
| Producent | FEBI BILSTEIN |
| Opis | tarcza hamulcowa |
| Grubość tarczy hamulcowej [mm] | 26 |
| Felga, liczba otworów | 5 |
| Liczba otworów do mocowania | 1 |
| Grubość [mm] | 45,5 |
| średnica zewnętrzna [mm] | 300 |
| Ø rozmieszczenia otworów [mm] | 115 |
| Powierzchnia | pokryty |
| Typ tarczy hamulcowej | z wentylacją wewnętrzną |
| Strona zabudowy | Oś przednia |
| Minimalna grubość [mm] | 23 |
| Średnica otworu centrującego [mm] | 70,7 |
| Ciężar [kg] | 8,52 |
| uwzględnić informację serwisową | |
0
0
00000| Kod towaru | 800-1003C CIF |
| Producent | CIFAM |
| Opis | tarcza hamulcowa |
| Oznaczenie kontrolne | ECE-R90 |
| Wysokość [mm] | 45,5 |
| Typ tarczy hamulcowej | wentylowany |
| Grubość tarczy hamulcowej [mm] | 26,0 |
| średnica zewnętrzna [mm] | 300,0 |
| Liczba otworów | 5 |
| Średnica otworu centrującego [mm] | 71,0 |
| Powierzchnia | lakierowany |
00
000
00000| Kod towaru | 8DD 355 116-591 |
| Producent | HELLA |
| Opis | tarcza hamulcowa |
| Typ tarczy hamulcowej | z wentylacją wewnętrzną |
| średnica zewnętrzna [mm] | 300 |
| Grubość tarczy hamulcowej [mm] | 26 |
| Wysokość [mm] | 45,5 |
| Minimalna grubość [mm] | 23 |
| Powierzchnia | pokryty |
| Średnica wewnętrzna [mm] | 149 |
| Ø rozmieszczenia otworów [mm] | 115 |
| Średnica otworu centrującego [mm] | 70,7 |
| Wzór otworów/liczba otworów | 05/06 |
| Średnica otworu szpilki koła [mm] | 14,2 |
| Informacja uzupełniająca | bez piasty koła |
| Informacja uzupełniająca | bez łożyska koła |
| Informacja uzupełniająca | bez sworznia mocującego koła |
| Ciężar [kg] | 8,5 |
| Montaż/demontaż koniecznie do wykonania przez fachowców! |
00
000
00000| Kod towaru | 8DD 355 129-171 |
| Producent | HELLA |
| Opis | tarcza hamulcowa |
| Typ tarczy hamulcowej | z wentylacją wewnętrzną |
| średnica zewnętrzna [mm] | 300 |
| Grubość tarczy hamulcowej [mm] | 26 |
| Wysokość [mm] | 45,5 |
| Minimalna grubość [mm] | 23 |
| Przetwarzanie | wysoko nawęglany |
| Powierzchnia | pokryty |
| Średnica wewnętrzna [mm] | 149 |
| Ø rozmieszczenia otworów [mm] | 115 |
| Średnica otworu centrującego [mm] | 70,7 |
| Wzór otworów/liczba otworów | 05/06 |
| Średnica otworu szpilki koła [mm] | 14,2 |
| Informacja uzupełniająca | bez piasty koła |
| Informacja uzupełniająca | bez łożyska koła |
| Informacja uzupełniająca | bez sworznia mocującego koła |
| Ciężar [kg] | 8,5 |
| Montaż/demontaż koniecznie do wykonania przez fachowców! |
00
00000| Kod towaru | B130500 |
| Producent | DENCKERMANN |
| Opis | tarcza hamulcowa |
| Minimalna grubość [mm] | 23,0 |
| Typ tarczy hamulcowej | wentylowany |
| Średnica otworu [mm] | 14,2 |
| Grubość tarczy hamulcowej [mm] | 26 |
| Ø rozmieszczenia otworów [mm] | 115 |
| Liczba otworów | 5 |
| Średnica wewnętrzna [mm] | 149,0 |
| Wysokość [mm] | 45,5 |
| Średnica otworu centrującego [mm] | 70,7 |
| średnica zewnętrzna [mm] | 300 |
00000| Kod towaru | DDF1870 FER |
| Producent | FERODO |
| Opis | tarcza hamulcowa |
| Typ tarczy hamulcowej | wentylowany |
| średnica zewnętrzna [mm] | 300 |
| Grubość tarczy hamulcowej [mm] | 26 |
| Informacja uzupełniająca | ze śrubami |
| Wysokość [mm] | 45,5 |
| Ø rozmieszczenia otworów [mm] | 115 |
| Średnica otworu centrującego [mm] | 70,7 |
| Liczba otworów | 5 |
| Jednostka ilości | Zestaw |
| Powierzchnia | naoliwione |
| Oznaczenie kontrolne | R90 homologated |
| Ciężar [kg] | 17,85 |
| Minimalna grubość [mm] | 23 |
| Moment dokręcenia [Nm] | 110 |
| Rodzaj połączenia | Pudełko |
| Długość opakowania [cm] | 30,1 |
| Szerokość opakowania [cm] | 30,1 |
| Wysokość opakowania [cm] | 5,8 |
00000| Kod towaru | DDF1870C FER |
| Producent | FERODO |
| Opis | tarcza hamulcowa |
| Typ tarczy hamulcowej | wentylowany |
| średnica zewnętrzna [mm] | 300 |
| Grubość tarczy hamulcowej [mm] | 26 |
| Informacja uzupełniająca | bez śrub |
| Wysokość [mm] | 45,5 |
| Średnica otworu centrującego [mm] | 70,7 |
| Liczba otworów | 5 |
| Jednostka ilości | Sztuka |
| Powierzchnia | pokryty |
| Ciężar [kg] | 17,85 |
| Minimalna grubość [mm] | 23 |
| Moment dokręcenia [Nm] | 110 |
| Długość opakowania [cm] | 33 |
| Szerokość opakowania [cm] | 33 |
| Wysokość opakowania [cm] | 11,5 |
00
00000| Oś przednia | |
| Kod towaru | 207982 HP |
| Producent | TOPRAN |
| Opis | tarcza hamulcowa |
| Strona zabudowy | Oś przednia |
| Typ tarczy hamulcowej | wentylowany |
| średnica zewnętrzna [mm] | 300 |
| średnica piasty [mm] | 161 |
| Średnica otworu centrującego [mm] | 70,7 |
| Powierzchnia | pokryty |
| Grubość tarczy hamulcowej [mm] | 26 |
| Wysokość [mm] | 45,5 |
| Felga, liczba otworów | 5 |
| Ø rozmieszczenia otworów [mm] | 115 |
| Zamiana tylko w parach | |
00
000
00000| Kod towaru | 23-1003C MET |
| Producent | METELLI |
| Opis | tarcza hamulcowa |
| Oznaczenie kontrolne | ECE-R90 |
| Wysokość [mm] | 45,5 |
| Typ tarczy hamulcowej | wentylowany |
| Grubość tarczy hamulcowej [mm] | 26,0 |
| średnica zewnętrzna [mm] | 300,0 |
| Liczba otworów | 5 |
| Średnica otworu centrującego [mm] | 71,0 |
| Powierzchnia | lakierowany |
0
0
00000| Kod towaru | 30H0024-JPN |
| Producent | JPN |
| Opis | tarcza hamulcowa |
| Typ tarczy hamulcowej | wentylowany |
| Felga, liczba otworów | 5 |
| Wysokość [mm] | 45,6 |
| Grubość tarczy hamulcowej [mm] | 26 |
| Minimalna grubość [mm] | 23,4 |
| średnica zewnętrzna [mm] | 300 |
| Średnica otworu centrującego [mm] | 70,5 |
| Ø rozmieszczenia otworów [mm] | 115 |
0
0000
00000| Oś przednia | |
| Kod towaru | 40 93 9190 |
| Producent | SWAG |
| Opis | tarcza hamulcowa |
| Grubość tarczy hamulcowej [mm] | 26 |
| Felga, liczba otworów | 5 |
| Liczba otworów do mocowania | 1 |
| Grubość [mm] | 45,5 |
| średnica zewnętrzna [mm] | 300 |
| Ø rozmieszczenia otworów [mm] | 115 |
| Powierzchnia | pokryty |
| Typ tarczy hamulcowej | z wentylacją wewnętrzną |
| Strona zabudowy | Oś przednia |
| Minimalna grubość [mm] | 23 |
| Średnica otworu centrującego [mm] | 70,7 |
| Ciężar [kg] | 8,52 |
0
000
00000| Oś przednia | |
| Kod towaru | 40-80009 VAI |
| Producent | VAICO |
| Opis | tarcza hamulcowa |
| Strona zabudowy | Oś przednia |
| Wysokość piasty tarczy hamulcowej [mm] | 19,5 |
| Felga, liczba otworów | 5 |
| Wysokość [mm] | 45,5 |
| Typ tarczy hamulcowej | wentylowany |
| Grubość tarczy hamulcowej [mm] | 26 |
| Minimalna grubość [mm] | 23 |
| średnica zewnętrzna [mm] | 300 |
| Średnica otworu centrującego [mm] | 70,7 |
| Ø rozmieszczenia otworów [mm] | 115 |
00
000
00000| Kod towaru | 430.2623.20 ZIM |
| Producent | ZIMMERMANN |
| Opis | tarcza hamulcowa |
| Typ tarczy hamulcowej | z wentylacją wewnętrzną |
| Przetwarzanie | wysoko nawęglany |
| Powierzchnia | pokryty |
| średnica zewnętrzna [mm] | 300 |
| Grubość tarczy hamulcowej [mm] | 26 |
| Wysokość [mm] | 46 |
| Felga, liczba otworów | 5 |
| Ø rozmieszczenia otworów [mm] | 115 |
| Średnica otworu centrującego [mm] | 71 |
| Oznaczenie kontrolne | ECE R90 APPROVED |
| Minimalna grubość [mm] | 23 |
| Ciężar [kg] | 8,5 |
| Wzór otworów/liczba otworów | 6/5 |
00
000
00000| Kod towaru | 430.2623.52 ZIM |
| Producent | ZIMMERMANN |
| Opis | tarcza hamulcowa |
| Typ tarczy hamulcowej | z wentylacją wewnętrzną |
| Typ tarczy hamulcowej | perforowany |
| Przetwarzanie | wysoko nawęglany |
| Powierzchnia | pokryty |
| średnica zewnętrzna [mm] | 300 |
| Grubość tarczy hamulcowej [mm] | 26 |
| Wysokość [mm] | 46 |
| Felga, liczba otworów | 5 |
| Ø rozmieszczenia otworów [mm] | 115 |
| Średnica otworu centrującego [mm] | 71 |
| Oznaczenie kontrolne | ECE R90 APPROVED |
| Minimalna grubość [mm] | 23 |
| Ciężar [kg] | 8,5 |
| Wzór otworów/liczba otworów | 6/5 |
00
000
00000| Kod towaru | 430.2645.20 ZIM |
| Producent | ZIMMERMANN |
| Opis | tarcza hamulcowa |
| Typ tarczy hamulcowej | z wentylacją wewnętrzną |
| Przetwarzanie | wysoko nawęglany |
| Powierzchnia | pokryty |
| średnica zewnętrzna [mm] | 300 |
| Grubość tarczy hamulcowej [mm] | 26 |
| Wysokość [mm] | 46 |
| Felga, liczba otworów | 5 |
| Ø rozmieszczenia otworów [mm] | 115 |
| Średnica otworu centrującego [mm] | 71 |
| Oznaczenie kontrolne | ECE R90 APPROVED |
| Minimalna grubość [mm] | 23 |
| Ciężar [kg] | 8,3 |
| Wzór otworów/liczba otworów | 6/5 |
0
0000
00000| Kod towaru | 92205603 TXT |
| Producent | TEXTAR |
| Opis | tarcza hamulcowa |
| Typ tarczy hamulcowej | z wentylacją wewnętrzną |
| średnica zewnętrzna [mm] | 300 |
| Grubość tarczy hamulcowej [mm] | 26 |
| Wysokość [mm] | 45,5 |
| Minimalna grubość [mm] | 23 |
| Powierzchnia | pokryty |
| Średnica wewnętrzna [mm] | 149 |
| Ø rozmieszczenia otworów [mm] | 115 |
| Średnica otworu centrującego [mm] | 70,7 |
| Wzór otworów/liczba otworów | 05/06 |
| Średnica otworu szpilki koła [mm] | 14,2 |
| Informacja uzupełniająca | bez piasty koła |
| Informacja uzupełniająca | bez łożyska koła |
| Informacja uzupełniająca | bez sworznia mocującego koła |
| Długość opakowania [cm] | 30,8 |
| Szerokość opakowania [cm] | 30,8 |
| Wysokość opakowania [cm] | 12,7 |
| Ciężar [kg] | 8,5 |
0
0000
00000| Kod towaru | 92205605 TXT |
| Producent | TEXTAR |
| Opis | tarcza hamulcowa |
| Typ tarczy hamulcowej | z wentylacją wewnętrzną |
| średnica zewnętrzna [mm] | 300 |
| Grubość tarczy hamulcowej [mm] | 26 |
| Wysokość [mm] | 45,5 |
| Minimalna grubość [mm] | 23 |
| Przetwarzanie | wysoko nawęglany |
| Powierzchnia | pokryty |
| Średnica wewnętrzna [mm] | 149 |
| Ø rozmieszczenia otworów [mm] | 115 |
| Średnica otworu centrującego [mm] | 70,7 |
| Wzór otworów/liczba otworów | 05/06 |
| Średnica otworu szpilki koła [mm] | 14,2 |
| Informacja uzupełniająca | bez piasty koła |
| Informacja uzupełniająca | bez łożyska koła |
| Informacja uzupełniająca | bez sworznia mocującego koła |
| Długość opakowania [cm] | 30,8 |
| Szerokość opakowania [cm] | 30,8 |
| Wysokość opakowania [cm] | 12,7 |
| Ciężar [kg] | 8,5 |
0000
00000| Oś przednia | |
| Kod towaru | BS-8316 OPT |
| Producent | OPTIMAL |
| Opis | tarcza hamulcowa |
| Strona zabudowy | Oś przednia |
| Typ tarczy hamulcowej | wentylowany |
| Grubość tarczy hamulcowej [mm] | 26 |
| średnica zewnętrzna [mm] | 300 |
| Wysokość [mm] | 45,5 |
| Średnica otworu centrującego [mm] | 70,7 |
| Rozmiar felgi [cal] | 16,0 |
| Minimalna grubość [mm] | 24 |
| Wzór otworów/liczba otworów | 5/6 |
