0
00000| Kod towaru | 18161 ABS |
| Producent | A.B.S. |
| Opis | tarcza hamulcowa |
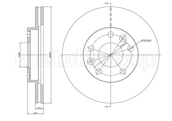
| średnica zewnętrzna [mm] | 269 |
| Grubość tarczy hamulcowej [mm] | 22,4 |
| Minimalna grubość [mm] | 19,8 |
| Wysokość [mm] | 44,1 |
| Felga, liczba otworów | 5 |
| Typ tarczy hamulcowej | wentylowany |
| Średnica otworu centrującego [mm] | 68 |
| Ø rozmieszczenia otworów [mm] | 114,3 |
| Powierzchnia | pokryty |
| średnica piasty [mm] | 152 |

00
000
00000| Kod towaru | 60-00-032 ASH |
| Producent | ASHIKA |
| Opis |
00
00000
00000| Kod towaru | 24.0123-0119.1 |
| Producent | ATE |
| Opis | tarcza hamulcowa |
| średnica zewnętrzna [mm] | 269,0 |
| Grubość tarczy hamulcowej [mm] | 22,5 |
| Minimalna grubość [mm] | 19,8 |
| Typ tarczy hamulcowej | wentylowany |
| Przetwarzanie | wysoko nawęglany |
| Powierzchnia | pokryty |
| Liczba otworów | 5 |
| Informacja uzupełniająca | ze śrubami |
| Dostępne MAPP-Code | |
| Ø rozmieszczenia otworów [mm] | 114,3 |
| Wysokość [mm] | 44,1 |
| Średnica otworu centrującego [mm] | 68,0 |
| Średnica wewnętrzna [mm] | 141,0 |
| Średnica otworu [mm] | 15,7 |
| Oznaczenie kontrolne | E1 90R-02C0115/0557 |
000
00000| Oś przednia | |
| Kod towaru | 16-155210028 MEY |
| Producent | MEYLE |
| Opis | tarcza hamulcowaTARCZA HAM. DACIA P. DUSTER 1,5DCI/1,6 16V 10- 269*22,4 |
| Strona zabudowy | Oś przednia |
| średnica zewnętrzna [mm] | 269 |
| Wysokość [mm] | 44 |
| Grubość tarczy hamulcowej [mm] | 22,5 |
| Minimalna grubość [mm] | 19,8 |
| Średnica otworu centrującego [mm] | 68 |
| Ø rozmieszczenia otworów [mm] | 114,3 |
| Średnica otworu szpilki koła [mm] | 15,8 |
| Liczba otworów | 5 |
| Typ tarczy hamulcowej | wentylowany |
| wymagana liczba | 2 |
0
00000| Kod towaru | R1060V SAM |
| Producent | SAMKO |
| Opis | tarcza hamulcowa |
| Minimalna grubość [mm] | 19,8 |
| Średnica otworu centrującego [mm] | 68 |
| średnica zewnętrzna [mm] | 269 |
| Typ tarczy hamulcowej | z wentylacją wewnętrzną |
| Wysokość [mm] | 44 |
| Liczba otworów | 5 |
| Grubość tarczy hamulcowej [mm] | 22,4 |
00
00000
00000| Kod towaru | DF6200 |
| Producent | TRW |
| Opis | tarcza hamulcowa |
| Typ tarczy hamulcowej | wentylowany |
| Liczba otworów | 5 |
| średnica zewnętrzna [mm] | 269 |
| Średnica otworu centrującego [mm] | 68 |
| Wysokość [mm] | 44,1 |
| Grubość tarczy hamulcowej [mm] | 22,5 |
| Minimalna grubość [mm] | 19,8 |
| Ø rozmieszczenia otworów [mm] | 114,3 |
| Kolor | czarny |
| Powierzchnia | lakierowany |
| Oznaczenie kontrolne | E1 90R-02 C0176/0685 |
00
0000
00000| Kod towaru | 231-03-126 ABA |
| Producent | ABAKUS |
| Opis | tarcza hamulcowa |
| Typ tarczy hamulcowej | wentylowany |
| średnica zewnętrzna [mm] | 269 |
| Grubość tarczy hamulcowej [mm] | 22,5 |
| wymagana liczba | 2 |
| Zamiana tylko w parach | |
| Wysokość [mm] | 44,1 |
| Ø rozmieszczenia otworów [mm] | 114,3 |
| Średnica otworu centrującego [mm] | 68 |
| Liczba otworów | 5 |
| Oznaczenie kontrolne | ECE R90 |
| Montaż/demontaż koniecznie do wykonania przez fachowców! |
00
000
00000| Oś przednia | |
| Kod towaru | 60-00-032C ASH |
| Producent | ASHIKA |
| Opis | tarcza hamulcowa |
| Strona zabudowy | Oś przednia |
| Ø rozmieszczenia otworów [mm] | 68 |
| Wysokość [mm] | 44 |
| średnica zewnętrzna [mm] | 269 |
| Grubość tarczy hamulcowej [mm] | 22,5 |
| Minimalna grubość [mm] | 19,8 |
| Liczba otworów | 5 |
| Typ tarczy hamulcowej | wentylowany |
| Powierzchnia | lakierowany |
| dla numeru OE | 402066300R |
00
0000
00000| Oś przednia | |
| Kod towaru | ADR164330 BLP |
| Producent | BLUE PRINT |
| Opis | tarcza hamulcowa |
| Grubość tarczy hamulcowej [mm] | 22 |
| Felga, liczba otworów | 5 |
| Liczba otworów do mocowania | 2 |
| Grubość [mm] | 44 |
| średnica zewnętrzna [mm] | 269 |
| Ø rozmieszczenia otworów [mm] | 114 |
| Powierzchnia | pokryty |
| Typ tarczy hamulcowej | z wentylacją wewnętrzną |
| Strona zabudowy | Oś przednia |
| Minimalna grubość [mm] | 19,8 |
| Średnica otworu centrującego [mm] | 68 |
| Ciężar [kg] | 5,505 |
| uwzględnić informację serwisową | |
000
00000
00000| Kod towaru | 0986479779 |
| Producent | BOSCH |
| Opis | tarcza hamulcowa |
| średnica zewnętrzna [mm] | 269 |
| Grubość tarczy hamulcowej [mm] | 22,5 |
| Minimalna grubość [mm] | 19,8 |
| Wysokość [mm] | 44,1 |
| Ø rozmieszczenia otworów [mm] | 114,3 |
| Typ tarczy hamulcowej | wentylowany |
| Średnica otworu centrującego [mm] | 68 |
| Liczba otworów | 5 |
| Powierzchnia | naoliwione |
| Przetwarzanie | wysoko nawęglany |
| Informacja uzupełniająca | ze śrubami |
| spełnia wymagania Normy ECE | ECE-R90 |
| Średnica otworu do [mm] | 15,5 |
000
000
00000| Kod towaru | 09.B463.10 |
| Producent | BREMBO |
| Opis | tarcza hamulcowa |
| Typ tarczy hamulcowej | z wentylacją wewnętrzną |
| Grubość tarczy hamulcowej [mm] | 22,5 |
| Liczba otworów | 5 |
| Informacja uzupełniająca | ze śrubami |
| Wysokość [mm] | 44 |
| Średnica otworu centrującego [mm] | 68 |
| średnica zewnętrzna [mm] | 269 |
| Przetwarzanie | wysoko nawęglany |
| Minimalna grubość [mm] | 19,8 |
| Moment dokręcenia [Nm] | 120 |
000
000
00000| Kod towaru | 09.B463.11 |
| Producent | BREMBO |
| Opis | tarcza hamulcowa |
| Typ tarczy hamulcowej | z wentylacją wewnętrzną |
| Grubość tarczy hamulcowej [mm] | 22,5 |
| Liczba otworów | 5 |
| Informacja uzupełniająca | ze śrubami |
| Wysokość [mm] | 44 |
| Średnica otworu centrującego [mm] | 68 |
| średnica zewnętrzna [mm] | 269 |
| Przetwarzanie | wysoko nawęglany |
| Powierzchnia | pokryty |
| Minimalna grubość [mm] | 19,8 |
| Moment dokręcenia [Nm] | 120 |
000
00
00000| Kod towaru | 09.B463.1X |
| Producent | BREMBO |
| Opis | tarcza hamulcowa |
| Typ tarczy hamulcowej | perforowany / wentylowany wewnętrznie |
| Grubość tarczy hamulcowej [mm] | 22,5 |
| Liczba otworów | 5 |
| Informacja uzupełniająca | ze śrubami |
| Wysokość [mm] | 44 |
| Średnica otworu centrującego [mm] | 68 |
| średnica zewnętrzna [mm] | 269 |
| Przetwarzanie | wysoko nawęglany |
| Powierzchnia | pokryty |
| Minimalna grubość [mm] | 20,5 |
0
0
00000| Kod towaru | 30H9095-JPN |
| Producent | JPN |
| Opis | tarcza hamulcowa |
| Typ tarczy hamulcowej | wentylowany |
| Wysokość [mm] | 44,1 |
| Grubość tarczy hamulcowej [mm] | 22,5 |
| Minimalna grubość [mm] | 19,8 |
| średnica zewnętrzna [mm] | 269 |
| Liczba otworów | 5 |
| Średnica otworu centrującego [mm] | 68 |
| Ø rozmieszczenia otworów [mm] | 114,3 |
00
00000
00000| Oś przednia | |
| Kod towaru | 40075 FEB |
| Producent | FEBI BILSTEIN |
| Opis | tarcza hamulcowa |
| Grubość tarczy hamulcowej [mm] | 22 |
| Felga, liczba otworów | 5 |
| Liczba otworów do mocowania | 2 |
| Grubość [mm] | 44 |
| średnica zewnętrzna [mm] | 269 |
| Ø rozmieszczenia otworów [mm] | 114,3 |
| Powierzchnia | pokryty |
| Typ tarczy hamulcowej | z wentylacją wewnętrzną |
| Strona zabudowy | Oś przednia |
| Minimalna grubość [mm] | 19,8 |
| Średnica otworu centrującego [mm] | 68 |
| Ciężar [kg] | 5,505 |
| uwzględnić informację serwisową | |
0
0
00000| Kod towaru | 800-1288C CIF |
| Producent | CIFAM |
| Opis | tarcza hamulcowa |
| Oznaczenie kontrolne | ECE-R90 |
| Wysokość [mm] | 44,0 |
| Typ tarczy hamulcowej | wentylowany |
| Grubość tarczy hamulcowej [mm] | 22,3 |
| średnica zewnętrzna [mm] | 269,0 |
| Liczba otworów | 5 |
| Średnica otworu centrującego [mm] | 68,0 |
| Powierzchnia | lakierowany |
00
000
00000| Kod towaru | 8DD 355 122-431 |
| Producent | HELLA |
| Opis | tarcza hamulcowa |
| Typ tarczy hamulcowej | z wentylacją wewnętrzną |
| średnica zewnętrzna [mm] | 269 |
| Grubość tarczy hamulcowej [mm] | 22,4 |
| Wysokość [mm] | 44,1 |
| Minimalna grubość [mm] | 19,8 |
| Powierzchnia | pokryty |
| Ø rozmieszczenia otworów [mm] | 114,3 |
| Średnica otworu centrującego [mm] | 68 |
| Wzór otworów/liczba otworów | 05/07 |
| Informacja uzupełniająca | bez piasty koła |
| Informacja uzupełniająca | bez sworznia mocującego koła |
| Ciężar [kg] | 5,5 |
| Montaż/demontaż koniecznie do wykonania przez fachowców! |
00
00000| Kod towaru | B130698 |
| Producent | DENCKERMANN |
| Opis | tarcza hamulcowa |
| Minimalna grubość [mm] | 19,8 |
| Typ tarczy hamulcowej | wentylowany |
| Średnica otworu [mm] | 15,7 |
| Grubość tarczy hamulcowej [mm] | 22,5 |
| Ø rozmieszczenia otworów [mm] | 114,3 |
| Liczba otworów | 5 |
| Średnica wewnętrzna [mm] | 141,0 |
| Wysokość [mm] | 44,1 |
| Średnica otworu centrującego [mm] | 68 |
| średnica zewnętrzna [mm] | 269 |
000
0000
00000| Kod towaru | BG4455 |
| Producent | DELPHI |
| Opis | tarcza hamulcowaDUSTER |
| Typ tarczy hamulcowej | wentylowany |
| Liczba otworów | 5 |
| Oznaczenie kontrolne | E1 90R-02C0074/1700 |
| Powierzchnia | naoliwione |
| średnica zewnętrzna [mm] | 269 |
| Grubość tarczy hamulcowej [mm] | 22,4 |
| Minimalna grubość [mm] | 19,8 |
| Średnica otworu centrującego [mm] | 68 |
| Wysokość [mm] | 44,1 |
000
0000
00000| Kod towaru | BG4455C |
| Producent | DELPHI |
| Opis | tarcza hamulcowaMALOWANA DUSTER |
| Typ tarczy hamulcowej | wentylowany |
| Liczba otworów | 5 |
| średnica zewnętrzna [mm] | 269 |
| Grubość tarczy hamulcowej [mm] | 22,4 |
| Minimalna grubość [mm] | 19,8 |
| Średnica otworu centrującego [mm] | 68 |
| Wysokość [mm] | 44,1 |
00000| Kod towaru | DDF2078C FER |
| Producent | FERODO |
| Opis | tarcza hamulcowa |
| Typ tarczy hamulcowej | wentylowany |
| średnica zewnętrzna [mm] | 269 |
| Grubość tarczy hamulcowej [mm] | 22,4 |
| Informacja uzupełniająca | ze śrubami |
| Wysokość [mm] | 44,1 |
| Ø rozmieszczenia otworów [mm] | 114 |
| Średnica otworu centrującego [mm] | 68 |
| Liczba otworów | 5 |
| Jednostka ilości | Zestaw |
| Powierzchnia | pokryty |
| Oznaczenie kontrolne | R90 homologated |
| Ciężar [kg] | 11,9 |
| Minimalna grubość [mm] | 19,8 |
| Rodzaj połączenia | Pudełko |
| Długość opakowania [cm] | 28 |
| Szerokość opakowania [cm] | 28 |
| Wysokość opakowania [cm] | 9 |
00
000
00000| Oś przednia | |
| Kod towaru | 103576 |
| Producent | KAMOKA |
| Opis | tarcza hamulcowaDACIA DUSTER 10-, RENAULT CAPTUR 16- |
| Strona zabudowy | Oś przednia |
| Typ tarczy hamulcowej | wentylowany |
| Grubość tarczy hamulcowej [mm] | 23 |
| Ø rozmieszczenia otworów [mm] | 114 |
| Liczba otworów | 5 |
| Wysokość [mm] | 44 |
| Średnica otworu centrującego [mm] | 68 |
| Powierzchnia | pokryty |
| średnica zewnętrzna [mm] | 269 |
0
000
00000| Oś przednia | |
| Kod towaru | 21-80002 VAI |
| Producent | VAICO |
| Opis | tarcza hamulcowa |
| Strona zabudowy | Oś przednia |
| Wysokość piasty tarczy hamulcowej [mm] | 21,6 |
| Felga, liczba otworów | 5 |
| Wysokość [mm] | 44,1 |
| Typ tarczy hamulcowej | wentylowany |
| Grubość tarczy hamulcowej [mm] | 22,5 |
| Minimalna grubość [mm] | 19,8 |
| średnica zewnętrzna [mm] | 269 |
| Średnica otworu centrującego [mm] | 68 |
| Ø rozmieszczenia otworów [mm] | 114,3 |
00
000
00000| Kod towaru | 23-1288C MET |
| Producent | METELLI |
| Opis | tarcza hamulcowa |
| Oznaczenie kontrolne | ECE-R90 |
| Wysokość [mm] | 44,0 |
| Typ tarczy hamulcowej | wentylowany |
| Grubość tarczy hamulcowej [mm] | 22,3 |
| średnica zewnętrzna [mm] | 269,0 |
| Liczba otworów | 5 |
| Średnica otworu centrującego [mm] | 68,0 |
| Powierzchnia | lakierowany |
00
000
00000| Kod towaru | 470.2439.20 ZIM |
| Producent | ZIMMERMANN |
| Opis | tarcza hamulcowa |
| Typ tarczy hamulcowej | z wentylacją wewnętrzną |
| Powierzchnia | pokryty |
| średnica zewnętrzna [mm] | 269 |
| Grubość tarczy hamulcowej [mm] | 22 |
| Wysokość [mm] | 44 |
| Felga, liczba otworów | 5 |
| Ø rozmieszczenia otworów [mm] | 114 |
| Średnica otworu centrującego [mm] | 68 |
| Minimalna grubość [mm] | 19,8 |
| Ciężar [kg] | 5,5 |
| Wzór otworów/liczba otworów | 7/5 |
00
000
00000| Kod towaru | 470.2439.52 ZIM |
| Producent | ZIMMERMANN |
| Opis | tarcza hamulcowa |
| Typ tarczy hamulcowej | z wentylacją wewnętrzną |
| Typ tarczy hamulcowej | perforowany |
| Powierzchnia | pokryty |
| średnica zewnętrzna [mm] | 269 |
| Grubość tarczy hamulcowej [mm] | 22 |
| Wysokość [mm] | 44 |
| Felga, liczba otworów | 5 |
| Ø rozmieszczenia otworów [mm] | 114 |
| Średnica otworu centrującego [mm] | 68 |
| Oznaczenie kontrolne | KBA 60872 |
| Minimalna grubość [mm] | 19,8 |
| Ciężar [kg] | 5,5 |
| Wzór otworów/liczba otworów | 7/5 |
00
00000
00000| Oś przednia | |
| Kod towaru | 6104031 SAS |
| Producent | SASIC |
| Opis | tarcza hamulcowa |
| Strona zabudowy | Oś przednia |
| Typ tarczy hamulcowej | wentylowany |
| średnica zewnętrzna [mm] | 269 |
| Grubość tarczy hamulcowej [mm] | 22 |
| Wysokość [mm] | 44,1 |
| Ø rozmieszczenia otworów [mm] | 68 |
| Liczba otworów | 5 |
| dla numeru OE | 402066300R |
| Informacja uzupełniająca | bez łożyska koła |
| Zamiana tylko w parach | |
000
0000
00000| Oś przednia | |
| Kod towaru | 672772 VAL |
| Producent | VALEO |
| Opis | tarcza hamulcowa |
| Strona zabudowy | Oś przednia |
| Typ tarczy hamulcowej | wentylowany |
| Powierzchnia | pokryty |
| średnica zewnętrzna [mm] | 269 |
| Grubość tarczy hamulcowej [mm] | 22,4 |
| Średnica otworu centrującego [mm] | 68 |
| Wysokość [mm] | 44,1 |
| Minimalna grubość [mm] | 19,8 |
| Felga, liczba otworów | 5 |
| Liczba otworów do mocowania | 2 |
| Informacja uzupełniająca | bez zintegrowanego łożyska koła |
| Oznaczenie kontrolne | ECE-R90 |
| Ciężar [kg] | 11,5 |
00
0000
00000| Oś przednia | |
| Kod towaru | 70 94 0075 |
| Producent | SWAG |
| Opis | tarcza hamulcowa |
| Grubość tarczy hamulcowej [mm] | 22 |
| Felga, liczba otworów | 5 |
| Liczba otworów do mocowania | 2 |
| Grubość [mm] | 44 |
| średnica zewnętrzna [mm] | 269 |
| Ø rozmieszczenia otworów [mm] | 114,3 |
| Powierzchnia | pokryty |
| Typ tarczy hamulcowej | z wentylacją wewnętrzną |
| Strona zabudowy | Oś przednia |
| Minimalna grubość [mm] | 19,8 |
| Średnica otworu centrującego [mm] | 68 |
| Ciężar [kg] | 5,505 |
0
0000
00000| Kod towaru | 92272603 TXT |
| Producent | TEXTAR |
| Opis | tarcza hamulcowa |
| Typ tarczy hamulcowej | z wentylacją wewnętrzną |
| średnica zewnętrzna [mm] | 269 |
| Grubość tarczy hamulcowej [mm] | 22,4 |
| Wysokość [mm] | 44,1 |
| Minimalna grubość [mm] | 19,8 |
| Powierzchnia | pokryty |
| Średnica wewnętrzna [mm] | 141,2 |
| Ø rozmieszczenia otworów [mm] | 114,3 |
| Średnica otworu centrującego [mm] | 68 |
| Wzór otworów/liczba otworów | 05/07 |
| Średnica otworu szpilki koła [mm] | 15,5 |
| Informacja uzupełniająca | bez piasty koła |
| Informacja uzupełniająca | bez łożyska koła |
| Informacja uzupełniająca | bez sworznia mocującego koła |
| Długość opakowania [cm] | 27,8 |
| Szerokość opakowania [cm] | 27,8 |
| Wysokość opakowania [cm] | 10,5 |
| Ciężar [kg] | 5,5 |
00
00000| Kod towaru | BR-6873-C KAV |
| Producent | KAVO PARTS |
| Opis | tarcza hamulcowa |
| Oznaczenie kontrolne | R90 |
| Wysokość [mm] | 44,1 |
| Typ tarczy hamulcowej | wentylowany |
| Grubość tarczy hamulcowej [mm] | 22,4 |
| Minimalna grubość [mm] | 19,8 |
| średnica zewnętrzna [mm] | 269 |
| Liczba otworów | 5 |
| Średnica otworu centrującego [mm] | 68 |
| Ø rozmieszczenia otworów [mm] | 114,3 |
| Powierzchnia | pokryty |
0000
00000| Oś przednia | |
| Kod towaru | BS-9680HC OPT |
| Producent | OPTIMAL |
| Opis | tarcza hamulcowa |
| Strona zabudowy | Oś przednia |
| Typ tarczy hamulcowej | z wentylacją wewnętrzną |
| Grubość tarczy hamulcowej [mm] | 22,5 |
| średnica zewnętrzna [mm] | 269 |
| Wysokość [mm] | 44 |
| Przetwarzanie | wysoko nawęglany |
| Liczba otworów | 5 |
| Średnica otworu centrującego [mm] | 68 |
| Powierzchnia | pokryty |
| Informacja uzupełniająca | ze śrubami |
| Minimalna grubość [mm] | 19,8 |
00
00000
00000| Kod towaru | DF1103 |
| Producent | MAGNETI MARELLI |
| Opis | tarcza hamulcowa |
| Powierzchnia | niepokryty |
| Przetwarzanie | wysoko nawęglany |
| Typ tarczy hamulcowej | z wentylacją wewnętrzną |
| Średnica [mm] | 269 |
| Wysokość [mm] | 44 |
| Minimalna grubość [mm] | 19,8 |
| Liczba otworów | 5 |
| Ø rozmieszczenia otworów [mm] | 68 |
| Moment dokręcenia [Nm] | 120 |
| Informacja uzupełniająca | ze śrubami |
| Grubość tarczy hamulcowej [mm] | 22,5 |
| średnica zewnętrzna [mm] | 269 |
00000| Kod towaru | R1060V LPR |
| Producent | LPR |
| Opis | tarcza hamulcowa |
| Wysokość [mm] | 44 |
| Liczba otworów | 5 |
| Grubość tarczy hamulcowej [mm] | 22,4 |
| średnica zewnętrzna [mm] | 269 |
| Średnica otworu centrującego [mm] | 68 |
| Minimalna grubość [mm] | 19,8 |
| Typ tarczy hamulcowej | z wentylacją wewnętrzną |
0
000
00000| Oś przednia | |
| Kod towaru | TX 73-51 |
| Producent | TOMEX BRAKES |
| Opis | tarcza hamulcowa(269x22,5mm) |
| Strona zabudowy | Oś przednia |
| Typ tarczy hamulcowej | wentylowany |
| Grubość tarczy hamulcowej [mm] | 22,5 |
| średnica zewnętrzna [mm] | 269 |
| Wysokość [mm] | 44,1 |
| Liczba otworów | 5 |
| Średnica otworu centrującego [mm] | 68 |
| Ø rozmieszczenia otworów [mm] | 114,3 |
| Powierzchnia | lakierowany |
| Ciężar [kg] | 11,05 |
| Minimalna grubość [mm] | 19,8 |
00000| Kod towaru | VKBD 81052 V2 |
| Producent | SKF |
| Opis | tarcza hamulcowa |
| Typ tarczy hamulcowej | z wentylacją wewnętrzną |
| średnica zewnętrzna [mm] | 269 |
| Grubość tarczy hamulcowej [mm] | 22,4 |
| Wysokość [mm] | 44,1 |
| Ø rozmieszczenia otworów [mm] | 114,3 |
| Średnica otworu centrującego [mm] | 68 |
| Liczba otworów | 5 |
| Powierzchnia | pokryty |
| Minimalna grubość [mm] | 19,8 |
| Liczba otworów | 2 |
