00
00000| Oś przednia | |
| Kod towaru | 40-155211001 MEY |
| Producent | MEYLE |
| Opis | tarcza hamulcowaTARCZA HAM. CITROEN P. C4 2,0 HDI/2,0 16V 04- |
| Strona zabudowy | Oś przednia |
| średnica zewnętrzna [mm] | 302 |
| Wysokość [mm] | 34,2 |
| Grubość tarczy hamulcowej [mm] | 26 |
| Minimalna grubość [mm] | 24 |
| Średnica otworu centrującego [mm] | 123 |
| Ø rozmieszczenia otworów [mm] | 108 |
| Średnica otworu szpilki koła [mm] | 13 |
| Liczba otworów | 4 |
| Typ tarczy hamulcowej | wentylowany |
| wymagana liczba | 2 |
0
00000| Kod towaru | BDC5520 QH |
| Producent | QUINTON HAZELL |
| Opis | tarcza hamulcowa- |
| Typ tarczy hamulcowej | wentylowany |
| średnica zewnętrzna [mm] | 302 |
| Grubość tarczy hamulcowej [mm] | 26 |
| Minimalna grubość [mm] | 24 |
| Wysokość [mm] | 34,2 |
| Średnica otworu centrującego [mm] | 66 |
| Ø rozmieszczenia otworów [mm] | 108 |
| Liczba otworów | 4 |
000
00000
00000| Kod towaru | 0986479288 |
| Producent | BOSCH |
| Opis | tarcza hamulcowaCITROEN C4, PEUGEOT 207/307 1.6-2.0HDI |
| średnica zewnętrzna [mm] | 302 |
| Grubość tarczy hamulcowej [mm] | 26 |
| Minimalna grubość [mm] | 24,2 |
| Wysokość [mm] | 34,2 |
| Ø rozmieszczenia otworów [mm] | 108 |
| Typ tarczy hamulcowej | wentylowany |
| Średnica otworu centrującego [mm] | 66,02 |
| Liczba otworów | 4 |
| Powierzchnia | naoliwione |
| Informacja uzupełniająca | ze śrubami |
| spełnia wymagania Normy ECE | ECE-R90 |
| Średnica otworu do [mm] | 13 |
000
00000
00000| Kod towaru | 0986479D36 |
| Producent | BOSCH |
| Opis | tarcza hamulcowa |
| średnica zewnętrzna [mm] | 301,5 |
| Grubość tarczy hamulcowej [mm] | 26 |
| Minimalna grubość [mm] | 24,8 |
| Wysokość [mm] | 34,1 |
| Ø rozmieszczenia otworów [mm] | 108 |
| Typ tarczy hamulcowej | wentylowany |
| Średnica otworu centrującego [mm] | 66 |
| Liczba otworów | 4 |
| Powierzchnia | naoliwione |
| spełnia wymagania Normy ECE | ECE-R90 |
| Średnica otworu do [mm] | 13 |
| Typ tarczy hamulcowej | z wentylacją wewnętrzną |
0
0
00000| Kod towaru | 800-751C CIF |
| Producent | CIFAM |
| Opis | tarcza hamulcowa |
| Oznaczenie kontrolne | ECE-R90 |
| Wysokość [mm] | 34,2 |
| Typ tarczy hamulcowej | wentylowany |
| Grubość tarczy hamulcowej [mm] | 26,0 |
| średnica zewnętrzna [mm] | 302,0 |
| Liczba otworów | 4 |
| Średnica otworu centrującego [mm] | 66,0 |
| Powierzchnia | lakierowany |
000
0000
00000| Kod towaru | BG4002 |
| Producent | DELPHI |
| Opis | tarcza hamulcowa406 95-04 1,9TD-3,0 |
| Typ tarczy hamulcowej | wentylowany |
| Liczba otworów | 4 |
| Oznaczenie kontrolne | E1 90R-02C0300/1091 |
| Powierzchnia | naoliwione |
| średnica zewnętrzna [mm] | 302 |
| Grubość tarczy hamulcowej [mm] | 26 |
| Minimalna grubość [mm] | 24 |
| Średnica otworu centrującego [mm] | 66 |
| Wysokość [mm] | 34,1 |
00
00000| Kod towaru | B130502 |
| Producent | DENCKERMANN |
| Opis | tarcza hamulcowa |
| Minimalna grubość [mm] | 24,0 |
| Typ tarczy hamulcowej | wentylowany zewnętrznie |
| Średnica otworu [mm] | 13,0 |
| Grubość tarczy hamulcowej [mm] | 26 |
| Ø rozmieszczenia otworów [mm] | 108 |
| Liczba otworów | 4 |
| Średnica wewnętrzna [mm] | 133,0 |
| Wysokość [mm] | 34,2 |
| Średnica otworu centrującego [mm] | 66 |
| średnica zewnętrzna [mm] | 302 |
00
000
00000| Kod towaru | 8DD 355 111-321 |
| Producent | HELLA |
| Opis | tarcza hamulcowa |
| Typ tarczy hamulcowej | wentylowany zewnętrznie |
| średnica zewnętrzna [mm] | 302 |
| Grubość tarczy hamulcowej [mm] | 26 |
| Wysokość [mm] | 34 |
| Minimalna grubość [mm] | 24,8 |
| Powierzchnia | pokryty |
| Ø rozmieszczenia otworów [mm] | 108 |
| Średnica otworu centrującego [mm] | 66 |
| Wzór otworów/liczba otworów | 04/06 |
| Informacja uzupełniająca | bez piasty koła |
| Informacja uzupełniająca | bez sworznia mocującego koła |
| Ciężar [kg] | 8,4 |
| Montaż/demontaż koniecznie do wykonania przez fachowców! |
0
0
00000| Kod towaru | 30H9089-JPN |
| Producent | JPN |
| Opis | tarcza hamulcowa |
| Typ tarczy hamulcowej | wentylowany |
| Wysokość [mm] | 34,2 |
| Grubość tarczy hamulcowej [mm] | 26 |
| Wymiar gwintu | 13,1 |
| Minimalna grubość [mm] | 24,2 |
| średnica zewnętrzna [mm] | 302 |
| Liczba otworów | 4 |
| Średnica otworu centrującego [mm] | 66 |
| Ø rozmieszczenia otworów [mm] | 108 |
00
000
00000| Oś przednia | |
| Kod towaru | 103261 |
| Producent | KAMOKA |
| Opis | tarcza hamulcowa |
| Strona zabudowy | Oś przednia |
| Typ tarczy hamulcowej | wentylowany |
| Grubość tarczy hamulcowej [mm] | 26 |
| Ø rozmieszczenia otworów [mm] | 108 |
| Liczba otworów | 4 |
| dla numeru OE | 1606308280 |
| Wysokość [mm] | 34 |
| Średnica otworu centrującego [mm] | 66 |
| Powierzchnia | pokryty |
| średnica zewnętrzna [mm] | 302 |
00
000
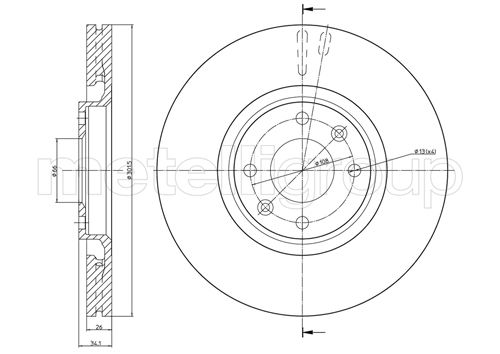
00000| Kod towaru | 23-0751C MET |
| Producent | METELLI |
| Opis | tarcza hamulcowa |
| Oznaczenie kontrolne | ECE-R90 |
| Wysokość [mm] | 34,2 |
| Typ tarczy hamulcowej | wentylowany |
| Grubość tarczy hamulcowej [mm] | 26,0 |
| średnica zewnętrzna [mm] | 302,0 |
| Liczba otworów | 4 |
| Średnica otworu centrującego [mm] | 66,0 |
| Powierzchnia | lakierowany |
00
00000
00000| Oś przednia | |
| Kod towaru | 6100002 SAS |
| Producent | SASIC |
| Opis | tarcza hamulcowa |
| Strona zabudowy | Oś przednia |
| Typ tarczy hamulcowej | wentylowany |
| średnica zewnętrzna [mm] | 301 |
| Grubość tarczy hamulcowej [mm] | 26 |
| Wysokość [mm] | 34,1 |
| Ø rozmieszczenia otworów [mm] | 66 |
| Liczba otworów | 4 |
| dla numeru OE | 9687602180 |
| Informacja uzupełniająca | bez łożyska koła |
| Zamiana tylko w parach | |
000
00000
00000| Kod towaru | VKBD 80135 V2 |
| Producent | SKF |
| Opis | tarcza hamulcowa |
| Typ tarczy hamulcowej | z wentylacją wewnętrzną |
| średnica zewnętrzna [mm] | 302 |
| Grubość tarczy hamulcowej [mm] | 26 |
| Wysokość [mm] | 34,1 |
| Ø rozmieszczenia otworów [mm] | 108 |
| Średnica otworu centrującego [mm] | 66 |
| Liczba otworów | 4 |
| Powierzchnia | pokryty |
| Minimalna grubość [mm] | 24,2 |
0
0000
00000| Kod towaru | 92133203 TXT |
| Producent | TEXTAR |
| Opis | tarcza hamulcowa |
| Typ tarczy hamulcowej | wentylowany zewnętrznie |
| średnica zewnętrzna [mm] | 302 |
| Grubość tarczy hamulcowej [mm] | 26 |
| Wysokość [mm] | 34 |
| Minimalna grubość [mm] | 24,8 |
| Powierzchnia | pokryty |
| Średnica wewnętrzna [mm] | 133 |
| Ø rozmieszczenia otworów [mm] | 108 |
| Średnica otworu centrującego [mm] | 66 |
| Wzór otworów/liczba otworów | 04/06 |
| Średnica otworu szpilki koła [mm] | 13 |
| Informacja uzupełniająca | bez piasty koła |
| Informacja uzupełniająca | bez łożyska koła |
| Informacja uzupełniająca | bez sworznia mocującego koła |
| Długość opakowania [cm] | 31,3 |
| Szerokość opakowania [cm] | 31,3 |
| Wysokość opakowania [cm] | 10 |
| Ciężar [kg] | 8,4 |
0
000
00000| Oś przednia | |
| Kod towaru | TX 73-62 |
| Producent | TOMEX BRAKES |
| Opis | tarcza hamulcowa(302x26mm) PEUGEOT 307 Break (3E) 02/04- 307 (3A/C) 10/03- |
| Strona zabudowy | Oś przednia |
| Typ tarczy hamulcowej | wentylowany zewnętrznie |
| Grubość tarczy hamulcowej [mm] | 26 |
| średnica zewnętrzna [mm] | 302 |
| Wysokość [mm] | 34,2 |
| Liczba otworów | 4 |
| Średnica otworu centrującego [mm] | 66 |
| Ø rozmieszczenia otworów [mm] | 108 |
| Powierzchnia | lakierowany |
| Ciężar [kg] | 17,05 |
| Wymiar gwintu | 13,1 |
| Minimalna grubość [mm] | 24,2 |
00
00000| Oś przednia | |
| Kod towaru | 722455 HP |
| Producent | TOPRAN |
| Opis | tarcza hamulcowa |
| Strona zabudowy | Oś przednia |
| Typ tarczy hamulcowej | wentylowany |
| średnica zewnętrzna [mm] | 302 |
| średnica piasty [mm] | 142 |
| Średnica otworu centrującego [mm] | 66 |
| Powierzchnia | pokryty |
| Grubość tarczy hamulcowej [mm] | 26 |
| Wysokość [mm] | 34 |
| Felga, liczba otworów | 4 |
| Ø rozmieszczenia otworów [mm] | 108 |
| Zamiana tylko w parach | |
00
00000
00000| Kod towaru | DF4363 |
| Producent | TRW |
| Opis | tarcza hamulcowa |
| średnica zewnętrzna [mm] | 302 |
| Wysokość [mm] | 34,2 |
| Ø rozmieszczenia otworów [mm] | 108 |
| Średnica otworu centrującego [mm] | 66 |
| Grubość tarczy hamulcowej [mm] | 26 |
| Liczba otworów | 4 |
| Typ tarczy hamulcowej | wentylowany |
| Przetwarzanie | wysoko nawęglany |
| Minimalna grubość [mm] | 24,2 |
| Wymiar gwintu | 13,1 |
| Kolor | czarny |
| Powierzchnia | lakierowany |
0
000
00000| Oś przednia | |
| Kod towaru | 42-80003 VAI |
| Producent | VAICO |
| Opis | tarcza hamulcowa |
| Strona zabudowy | Oś przednia |
| Felga, liczba otworów | 4 |
| Wysokość [mm] | 34,2 |
| Typ tarczy hamulcowej | wentylowany |
| Grubość tarczy hamulcowej [mm] | 26 |
| Minimalna grubość [mm] | 24 |
| średnica zewnętrzna [mm] | 302 |
| Średnica otworu centrującego [mm] | 66 |
| Ø rozmieszczenia otworów [mm] | 108 |
| Wysokość piasty tarczy hamulcowej [mm] | 8 |
