0
00000| Kod towaru | 17770 ABS |
| Producent | A.B.S. |
| Opis | tarcza hamulcowa |
| średnica zewnętrzna [mm] | 280 |
| Grubość tarczy hamulcowej [mm] | 28 |
| Minimalna grubość [mm] | 26 |
| Wysokość [mm] | 48,1 |
| Felga, liczba otworów | 5 |
| Typ tarczy hamulcowej | wentylowany |
| Średnica otworu centrującego [mm] | 70,5 |
| Ø rozmieszczenia otworów [mm] | 108 |
| Powierzchnia | pokryty |
| średnica piasty [mm] | 148 |
00
00000
00000| Kod towaru | 24.0128-0214.1 |
| Producent | ATE |
| Opis | tarcza hamulcowa |
| średnica zewnętrzna [mm] | 280,0 |
| Grubość tarczy hamulcowej [mm] | 28,0 |
| Minimalna grubość [mm] | 26,0 |
| Typ tarczy hamulcowej | wentylowany |
| Powierzchnia | pokryty |
| Liczba otworów | 5 |
| Informacja uzupełniająca | ze śrubami |
| Dostępne MAPP-Code | |
| Ø rozmieszczenia otworów [mm] | 108,0 |
| Wysokość [mm] | 48,0 |
| Średnica otworu centrującego [mm] | 71,1 |
| Średnica wewnętrzna [mm] | 152,0 |
| Średnica otworu [mm] | 13,2 |
| Oznaczenie kontrolne | E1 90R-02C0118/1123 |
00
0000
00000| Oś przednia | |
| Kod towaru | ADT343298 BLP |
| Producent | BLUE PRINT |
| Opis | tarcza hamulcowa |
| Grubość tarczy hamulcowej [mm] | 28 |
| Felga, liczba otworów | 5 |
| Liczba otworów do mocowania | 3 |
| Grubość [mm] | 48 |
| średnica zewnętrzna [mm] | 280 |
| Ø rozmieszczenia otworów [mm] | 108 |
| Powierzchnia | pokryty |
| Typ tarczy hamulcowej | z wentylacją wewnętrzną |
| Strona zabudowy | Oś przednia |
| Minimalna grubość [mm] | 26 |
| Średnica otworu centrującego [mm] | 71,1 |
| Ciężar [kg] | 7,33 |
| uwzględnić informację serwisową | |
00
000
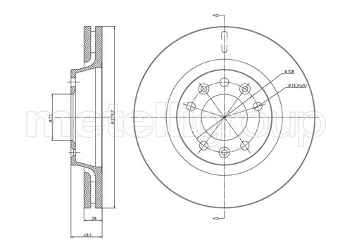
00000| Kod towaru | 23-0887C MET |
| Producent | METELLI |
| Opis | tarcza hamulcowa |
| Oznaczenie kontrolne | ECE-R90 |
| Wysokość [mm] | 48,0 |
| Typ tarczy hamulcowej | wentylowany |
| Grubość tarczy hamulcowej [mm] | 28,0 |
| średnica zewnętrzna [mm] | 280,0 |
| Liczba otworów | 5 |
| Średnica otworu centrującego [mm] | 71,0 |
| Powierzchnia | lakierowany |
000
00000| Oś przednia | |
| Kod towaru | 2155210033 MEY |
| Producent | MEYLE |
| Opis | tarcza hamulcowaTARCZA HAM. FIAT P. SCUDO/JUMPY 1,6D 280X26 |
| Strona zabudowy | Oś przednia |
| średnica zewnętrzna [mm] | 280 |
| Wysokość [mm] | 48 |
| Grubość tarczy hamulcowej [mm] | 28 |
| Minimalna grubość [mm] | 26 |
| Średnica otworu centrującego [mm] | 71,1 |
| Ø rozmieszczenia otworów [mm] | 108 |
| Średnica otworu szpilki koła [mm] | 13,2 |
| Liczba otworów | 5 |
| Typ tarczy hamulcowej | wentylowany |
| wymagana liczba | 2 |
00
00000
00000| Kod towaru | DF6020S |
| Producent | TRW |
| Opis | tarcza hamulcowa |
| Ø rozmieszczenia otworów [mm] | 108 |
| Wymiar gwintu | 13,5 |
| Typ tarczy hamulcowej | wentylowany |
| średnica zewnętrzna [mm] | 280 |
| Grubość tarczy hamulcowej [mm] | 28 |
| Minimalna grubość [mm] | 26 |
| Liczba otworów | 5 |
| Wysokość [mm] | 48 |
| Średnica otworu centrującego [mm] | 71,1 |
| Oznaczenie kontrolne | E1 90R-02 C0185/0656 |
0
00000| Kod towaru | P1007V SAM |
| Producent | SAMKO |
| Opis | tarcza hamulcowaWENTYLOWANA BOXER 280MM |
| Wysokość [mm] | 48,7 |
| Minimalna grubość [mm] | 26 |
| Typ tarczy hamulcowej | z wentylacją wewnętrzną |
| Grubość tarczy hamulcowej [mm] | 28 |
| średnica zewnętrzna [mm] | 280 |
| Średnica otworu centrującego [mm] | 71 |
| Liczba otworów | 5 |
00
0000
00000| Kod towaru | 231-03-130 ABA |
| Producent | ABAKUS |
| Opis | tarcza hamulcowa |
| Typ tarczy hamulcowej | wentylowany |
| średnica zewnętrzna [mm] | 280 |
| Grubość tarczy hamulcowej [mm] | 28 |
| wymagana liczba | 2 |
| Zamiana tylko w parach | |
| Wysokość [mm] | 48 |
| Ø rozmieszczenia otworów [mm] | 108 |
| Średnica otworu centrującego [mm] | 71,1 |
| Liczba otworów | 5 |
| Oznaczenie kontrolne | ECE R90 |
| Montaż/demontaż koniecznie do wykonania przez fachowców! |
00
0000
00000| Kod towaru | 231-03-130-2 ABA |
| Producent | ABAKUS |
| Opis | tarcza hamulcowa |
| Typ tarczy hamulcowej | wentylowany |
| średnica zewnętrzna [mm] | 280 |
| Grubość tarczy hamulcowej [mm] | 28 |
| wymagana liczba | 2 |
| Zamiana tylko w parach | |
| Wysokość [mm] | 48 |
| Ø rozmieszczenia otworów [mm] | 108 |
| Średnica otworu centrującego [mm] | 71,1 |
| Liczba otworów | 5 |
| Oznaczenie kontrolne | ECE R90 |
| Montaż/demontaż koniecznie do wykonania przez fachowców! |
00
000
00000| Kod towaru | 60-00-0251C ASH |
| Producent | ASHIKA |
| Opis | tarcza hamulcowa |
| Typ tarczy hamulcowej | z wentylacją wewnętrzną |
| średnica zewnętrzna [mm] | 280 |
| Grubość tarczy hamulcowej [mm] | 28,0 |
| Wysokość [mm] | 48,1 |
| Minimalna grubość [mm] | 26,0 |
| Powierzchnia | lakierowany |
| dla numeru OE | 1618865080 |
00
000
00000| Oś przednia | |
| Kod towaru | 60-00-0622C ASH |
| Producent | ASHIKA |
| Opis | tarcza hamulcowa |
| średnica zewnętrzna [mm] | 276 |
| Wysokość [mm] | 48 |
| Średnica otworu [mm] | 71 |
| Typ tarczy hamulcowej | wentylowany |
| Grubość tarczy hamulcowej [mm] | 22 |
| Minimalna grubość [mm] | 20 |
| Liczba otworów | 5 |
| Powierzchnia | lakierowany |
| Strona zabudowy | Oś przednia |
| Moment dokręcenia [Nm] | 90 |
| dla numeru OE | 95661812 |
000
00000
00000| Kod towaru | 0986479266 |
| Producent | BOSCH |
| Opis | tarcza hamulcowa |
| średnica zewnętrzna [mm] | 280 |
| Grubość tarczy hamulcowej [mm] | 28 |
| Minimalna grubość [mm] | 26 |
| Wysokość [mm] | 48,1 |
| Ø rozmieszczenia otworów [mm] | 108 |
| Typ tarczy hamulcowej | wentylowany |
| Średnica otworu centrującego [mm] | 71,07 |
| Liczba otworów | 5 |
| Powierzchnia | naoliwione |
| spełnia wymagania Normy ECE | ECE-R90 |
| Średnica otworu do [mm] | 13,3 |
000
000
00000| Kod towaru | 09.A422.10 |
| Producent | BREMBO |
| Opis | tarcza hamulcowa |
| Typ tarczy hamulcowej | z wentylacją wewnętrzną |
| Grubość tarczy hamulcowej [mm] | 28 |
| Liczba otworów | 5 |
| Informacja uzupełniająca | ze śrubami |
| Wysokość [mm] | 48 |
| Średnica otworu centrującego [mm] | 71 |
| średnica zewnętrzna [mm] | 280 |
| Minimalna grubość [mm] | 26 |
| Moment dokręcenia [Nm] | 100 |
00
000
00000| Oś przednia | |
| Kod towaru | 103286 |
| Producent | KAMOKA |
| Opis | tarcza hamulcowa |
| Strona zabudowy | Oś przednia |
| Typ tarczy hamulcowej | wentylowany |
| Grubość tarczy hamulcowej [mm] | 28 |
| Ø rozmieszczenia otworów [mm] | 108 |
| Liczba otworów | 5 |
| Wysokość [mm] | 48 |
| Średnica otworu centrującego [mm] | 71 |
| Powierzchnia | pokryty |
| średnica zewnętrzna [mm] | 280 |
00
00000
00000| Oś przednia | |
| Kod towaru | 108651 FEB |
| Producent | FEBI BILSTEIN |
| Opis | tarcza hamulcowa |
| Grubość tarczy hamulcowej [mm] | 28 |
| Felga, liczba otworów | 5 |
| Liczba otworów do mocowania | 3 |
| Grubość [mm] | 48 |
| średnica zewnętrzna [mm] | 280 |
| Ø rozmieszczenia otworów [mm] | 108 |
| Powierzchnia | pokryty |
| Typ tarczy hamulcowej | z wentylacją wewnętrzną |
| Strona zabudowy | Oś przednia |
| Minimalna grubość [mm] | 26 |
| Średnica otworu centrującego [mm] | 71,1 |
| Ciężar [kg] | 7,33 |
| uwzględnić informację serwisową | |
0
0
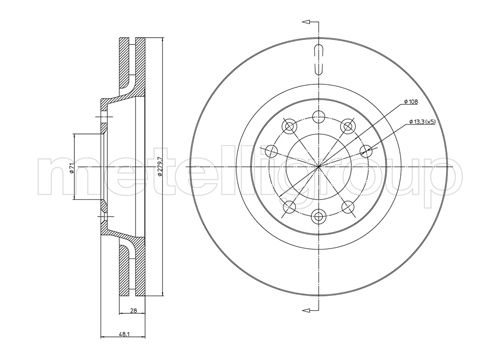
00000| Kod towaru | 800-887C CIF |
| Producent | CIFAM |
| Opis | tarcza hamulcowa |
| Oznaczenie kontrolne | ECE-R90 |
| Wysokość [mm] | 48,0 |
| Typ tarczy hamulcowej | wentylowany |
| Grubość tarczy hamulcowej [mm] | 28,0 |
| średnica zewnętrzna [mm] | 280,0 |
| Liczba otworów | 5 |
| Średnica otworu centrującego [mm] | 71,0 |
| Powierzchnia | lakierowany |
00
000
00000| Kod towaru | 8DD 355 113-661 |
| Producent | HELLA |
| Opis | tarcza hamulcowa |
| Typ tarczy hamulcowej | z wentylacją wewnętrzną |
| średnica zewnętrzna [mm] | 280 |
| Grubość tarczy hamulcowej [mm] | 28 |
| Wysokość [mm] | 48,1 |
| Minimalna grubość [mm] | 26 |
| Średnica wewnętrzna [mm] | 152,5 |
| Ø rozmieszczenia otworów [mm] | 108 |
| Średnica otworu centrującego [mm] | 71 |
| Wzór otworów/liczba otworów | 05/08 |
| Średnica otworu szpilki koła [mm] | 13,3 |
| Informacja uzupełniająca | bez piasty koła |
| Informacja uzupełniająca | bez sworznia mocującego koła |
| Ciężar [kg] | 8,1 |
| Montaż/demontaż koniecznie do wykonania przez fachowców! |
00
00000| Kod towaru | B130507 |
| Producent | DENCKERMANN |
| Opis | tarcza hamulcowa |
| Minimalna grubość [mm] | 26,0 |
| Typ tarczy hamulcowej | wentylowany |
| Średnica otworu [mm] | 13,2 |
| Grubość tarczy hamulcowej [mm] | 28 |
| Ø rozmieszczenia otworów [mm] | 108 |
| Liczba otworów | 5 |
| Średnica wewnętrzna [mm] | 152,0 |
| Wysokość [mm] | 48 |
| Średnica otworu centrującego [mm] | 71,1 |
| średnica zewnętrzna [mm] | 280 |
000
0000
00000| Kod towaru | BG4084 |
| Producent | DELPHI |
| Opis | tarcza hamulcowaDISPATCH, JUMPY / FIAT SCUDO / PEUGEOT EXPERT |
| Typ tarczy hamulcowej | wentylowany |
| Liczba otworów | 5 |
| Oznaczenie kontrolne | E1 90R-02C0289/1668 |
| Powierzchnia | naoliwione |
| średnica zewnętrzna [mm] | 280 |
| Grubość tarczy hamulcowej [mm] | 28 |
| Minimalna grubość [mm] | 26 |
| Średnica otworu centrującego [mm] | 71 |
| Wysokość [mm] | 48 |
00
00000| Kod towaru | BR-9535-C KAV |
| Producent | KAVO PARTS |
| Opis | tarcza hamulcowa |
| Wysokość [mm] | 48 |
| Typ tarczy hamulcowej | wentylowany |
| Grubość tarczy hamulcowej [mm] | 28 |
| Minimalna grubość [mm] | 26 |
| średnica zewnętrzna [mm] | 280 |
| Liczba otworów | 5 |
| Średnica otworu centrującego [mm] | 71 |
| Ø rozmieszczenia otworów [mm] | 108 |
| Powierzchnia | pokryty |
00000| Kod towaru | DDF1601 FER |
| Producent | FERODO |
| Opis | tarcza hamulcowa |
| Typ tarczy hamulcowej | wentylowany |
| średnica zewnętrzna [mm] | 280 |
| Grubość tarczy hamulcowej [mm] | 28 |
| Informacja uzupełniająca | ze śrubami |
| Wysokość [mm] | 48,1 |
| Ø rozmieszczenia otworów [mm] | 108 |
| Średnica otworu centrującego [mm] | 71 |
| Liczba otworów | 5 |
| Jednostka ilości | Zestaw |
| Powierzchnia | naoliwione |
| Oznaczenie kontrolne | R90 homologated |
| Ciężar [kg] | 15,45 |
| Minimalna grubość [mm] | 26 |
| Moment dokręcenia [Nm] | 100 |
| Rodzaj połączenia | Pudełko |
| Długość opakowania [cm] | 27 |
| Szerokość opakowania [cm] | 27 |
| Wysokość opakowania [cm] | 12 |
000
000
00000| Oś przednia | |
| Kod towaru | FT31144 |
| Producent | FAST |
| Opis | tarcza hamulcowa |
| Strona zabudowy | Oś przednia |
| Typ tarczy hamulcowej | wentylowany |
| Grubość tarczy hamulcowej [mm] | 28 |
| średnica zewnętrzna [mm] | 280 |
| Średnica otworu centrującego [mm] | 71,1 |
00
0000
00000| Oś przednia | |
| Kod towaru | 33 10 0141 |
| Producent | SWAG |
| Opis | tarcza hamulcowa |
| Grubość tarczy hamulcowej [mm] | 28 |
| Felga, liczba otworów | 5 |
| Liczba otworów do mocowania | 3 |
| Grubość [mm] | 48 |
| średnica zewnętrzna [mm] | 280 |
| Ø rozmieszczenia otworów [mm] | 108 |
| Powierzchnia | pokryty |
| Typ tarczy hamulcowej | z wentylacją wewnętrzną |
| Strona zabudowy | Oś przednia |
| Minimalna grubość [mm] | 26 |
| Średnica otworu centrującego [mm] | 71,1 |
| Ciężar [kg] | 7,33 |
00
00000
00000| Oś przednia | |
| Kod towaru | 6100016 SAS |
| Producent | SASIC |
| Opis | tarcza hamulcowa |
| Strona zabudowy | Oś przednia |
| Typ tarczy hamulcowej | wentylowany |
| średnica zewnętrzna [mm] | 279 |
| Grubość tarczy hamulcowej [mm] | 28 |
| Wysokość [mm] | 48,1 |
| Ø rozmieszczenia otworów [mm] | 71 |
| Liczba otworów | 5 |
| dla numeru OE | 4249J9 |
| Informacja uzupełniająca | bez łożyska koła |
| Zamiana tylko w parach | |
00
00000| Oś przednia | |
| Kod towaru | 722486 HP |
| Producent | TOPRAN |
| Opis | tarcza hamulcowa |
| Strona zabudowy | Oś przednia |
| Typ tarczy hamulcowej | wentylowany |
| średnica zewnętrzna [mm] | 280 |
| średnica piasty [mm] | 147 |
| Średnica otworu centrującego [mm] | 71 |
| Grubość tarczy hamulcowej [mm] | 28 |
| Wysokość [mm] | 48 |
| Felga, liczba otworów | 5 |
| Ø rozmieszczenia otworów [mm] | 108 |
| Zamiana tylko w parach | |
0
0000
00000| Kod towaru | 92156903 TXT |
| Producent | TEXTAR |
| Opis | tarcza hamulcowa |
| Typ tarczy hamulcowej | z wentylacją wewnętrzną |
| średnica zewnętrzna [mm] | 280 |
| Grubość tarczy hamulcowej [mm] | 28 |
| Wysokość [mm] | 48,1 |
| Minimalna grubość [mm] | 26 |
| Powierzchnia | pokryty |
| Średnica wewnętrzna [mm] | 152,5 |
| Ø rozmieszczenia otworów [mm] | 108 |
| Średnica otworu centrującego [mm] | 71 |
| Wzór otworów/liczba otworów | 05/08 |
| Średnica otworu szpilki koła [mm] | 13,3 |
| Informacja uzupełniająca | bez piasty koła |
| Informacja uzupełniająca | bez łożyska koła |
| Informacja uzupełniająca | bez sworznia mocującego koła |
| Długość opakowania [cm] | 30,8 |
| Szerokość opakowania [cm] | 30,8 |
| Wysokość opakowania [cm] | 12,7 |
| Ciężar [kg] | 8,1 |
0000
00000| Oś przednia | |
| Kod towaru | BS-8432HC OPT |
| Producent | OPTIMAL |
| Opis | tarcza hamulcowa |
| Strona zabudowy | Oś przednia |
| Typ tarczy hamulcowej | wentylowany |
| Grubość tarczy hamulcowej [mm] | 28 |
| średnica zewnętrzna [mm] | 280 |
| Wysokość [mm] | 48 |
| Przetwarzanie | wysoko nawęglany |
| Średnica otworu centrującego [mm] | 71 |
| Powierzchnia | pokryty |
| Minimalna grubość [mm] | 26 |
| Wzór otworów/liczba otworów | 5/8 |
00
00000
00000| Kod towaru | DF0756 |
| Producent | MAGNETI MARELLI |
| Opis | tarcza hamulcowa |
| Typ tarczy hamulcowej | wew. wentylowany – wentylowanie skrzydełkami w formie kropli |
| Średnica [mm] | 280 |
| Wysokość [mm] | 48 |
| Minimalna grubość [mm] | 26 |
| Liczba otworów | 5 |
| Ø rozmieszczenia otworów [mm] | 71 |
| Moment dokręcenia [Nm] | 100 |
| Grubość tarczy hamulcowej [mm] | 28 |
| średnica zewnętrzna [mm] | 280 |
00
00000
00000| Kod towaru | MBD0526 |
| Producent | MAGNETI MARELLI |
| Opis | tarcza hamulcowa |
| Typ tarczy hamulcowej | z wentylacją wewnętrzną |
| Średnica [mm] | 280 |
| Wysokość [mm] | 48 |
| Minimalna grubość [mm] | 26 |
| Liczba otworów | 5 |
| Ø rozmieszczenia otworów [mm] | 71 |
| Moment dokręcenia [Nm] | 100 |
| Grubość tarczy hamulcowej [mm] | 28 |
| średnica zewnętrzna [mm] | 280 |
00000| Kod towaru | P1007V LPR |
| Producent | LPR |
| Opis | tarcza hamulcowa |
| średnica zewnętrzna [mm] | 280 |
| Minimalna grubość [mm] | 26 |
| Wysokość [mm] | 48,7 |
| Grubość tarczy hamulcowej [mm] | 28 |
| Średnica otworu centrującego [mm] | 71 |
| Liczba otworów | 5 |
| Typ tarczy hamulcowej | z wentylacją wewnętrzną |
000
00000
00000| Kod towaru | VKBD 80245 V1 |
| Producent | SKF |
| Opis | tarcza hamulcowa |
| Typ tarczy hamulcowej | z wentylacją wewnętrzną |
| średnica zewnętrzna [mm] | 280 |
| Grubość tarczy hamulcowej [mm] | 28 |
| Wysokość [mm] | 48,1 |
| Ø rozmieszczenia otworów [mm] | 108 |
| Średnica otworu centrującego [mm] | 71 |
| Liczba otworów | 5 |
| Powierzchnia | pokryty |
| Minimalna grubość [mm] | 26 |
| Liczba otworów | 3 |
