0
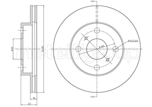
02200| Kod towaru | 17027 ABS |
| Producent | A.B.S. |
| Opis | tarcza hamulcowa |
| średnica zewnętrzna [mm] | 235 |
| Grubość tarczy hamulcowej [mm] | 18 |
| Minimalna grubość [mm] | 16 |
| Wysokość [mm] | 43,3 |
| Felga, liczba otworów | 4 |
| Typ tarczy hamulcowej | wentylowany |
| Średnica otworu centrującego [mm] | 55 |
| Ø rozmieszczenia otworów [mm] | 100 |
| Powierzchnia | pokryty |
| średnica piasty [mm] | 141 |
0
00020| Kod towaru | T2941V SAM |
| Producent | SAMKO |
| Opis | tarcza hamulcowaWENTYLOWANA PRZÓD |
| średnica zewnętrzna [mm] | 235 |
| Minimalna grubość [mm] | 16 |
| Grubość tarczy hamulcowej [mm] | 18 |
| Typ tarczy hamulcowej | z wentylacją wewnętrzną |
| Średnica otworu centrującego [mm] | 55 |
| Liczba otworów | 4 |
| Wysokość [mm] | 43 |

00
000
00000| Kod towaru | 60-02-278 ASH |
| Producent | ASHIKA |
| Opis |
00
00000
00000| Kod towaru | 24.0118-0131.1 |
| Producent | ATE |
| Opis | tarcza hamulcowa |
| średnica zewnętrzna [mm] | 235,0 |
| Grubość tarczy hamulcowej [mm] | 17,9 |
| Minimalna grubość [mm] | 16,0 |
| Typ tarczy hamulcowej | wentylowany |
| Powierzchnia | pokryty |
| Liczba otworów | 4 |
| Dostępne MAPP-Code | |
| Wysokość [mm] | 43,2 |
| Średnica otworu centrującego [mm] | 55,0 |
| Średnica wewnętrzna [mm] | 129,5 |
| Ø rozmieszczenia otworów [mm] | 100,0 |
| Średnica otworu [mm] | 14,5 |
| Oznaczenie kontrolne | E1 90R-02C0115/0117 |
00
0000
00000| Oś przednia | |
| Kod towaru | ADT343113 BLP |
| Producent | BLUE PRINT |
| Opis | tarcza hamulcowa |
| Grubość tarczy hamulcowej [mm] | 18 |
| Felga, liczba otworów | 4 |
| Grubość [mm] | 43 |
| średnica zewnętrzna [mm] | 235 |
| Ø rozmieszczenia otworów [mm] | 100 |
| Powierzchnia | pokryty |
| Typ tarczy hamulcowej | z wentylacją wewnętrzną |
| Strona zabudowy | Oś przednia |
| Minimalna grubość [mm] | 16 |
| Średnica otworu centrującego [mm] | 55 |
| Ciężar [kg] | 3,850 |
| uwzględnić informację serwisową | |

0
0
00000| Kod towaru | 2503 FOM |
| Producent | FOMAR FRICTION |
| Opis |
000
00000| Oś przednia | |
| Kod towaru | 30-155210020 MEY |
| Producent | MEYLE |
| Opis | tarcza hamulcowaTARCZA HAM. TOYOTA P. YARIS -ABS |
| Strona zabudowy | Oś przednia |
| średnica zewnętrzna [mm] | 235 |
| Wysokość [mm] | 43,2 |
| Grubość tarczy hamulcowej [mm] | 17,9 |
| Minimalna grubość [mm] | 16 |
| Średnica otworu centrującego [mm] | 55 |
| Ø rozmieszczenia otworów [mm] | 100 |
| Średnica otworu szpilki koła [mm] | 14,5 |
| Liczba otworów | 4 |
| Typ tarczy hamulcowej | wentylowany |
| wymagana liczba | 2 |
0
00000| Kod towaru | BDC5117 QH |
| Producent | QUINTON HAZELL |
| Opis | tarcza hamulcowa- |
| Typ tarczy hamulcowej | wentylowany |
| średnica zewnętrzna [mm] | 235 |
| Grubość tarczy hamulcowej [mm] | 18 |
| Minimalna grubość [mm] | 16 |
| Wysokość [mm] | 43,1 |
| Średnica otworu centrującego [mm] | 55 |
| Ø rozmieszczenia otworów [mm] | 100 |
| Liczba otworów | 4 |
00
00000
00000| Kod towaru | DF4112 |
| Producent | TRW |
| Opis | tarcza hamulcowa |
| Typ tarczy hamulcowej | wentylowany |
| średnica zewnętrzna [mm] | 235 |
| Grubość tarczy hamulcowej [mm] | 18 |
| Minimalna grubość [mm] | 16 |
| Średnica otworu centrującego [mm] | 55 |
| Wysokość [mm] | 43,1 |
| Liczba otworów | 4 |
| Wymiar gwintu | 15,2 |
| Ø rozmieszczenia otworów [mm] | 100 |
| Kolor | czarny |
| Powierzchnia | lakierowany |
| Oznaczenie kontrolne | E190R-02 C0176/0617 |

00000| Kod towaru | JP DI-278 JPP |
| Producent | JAPANPARTS |
| Opis |
00
0000
00000| Kod towaru | 231-03-139 ABA |
| Producent | ABAKUS |
| Opis | tarcza hamulcowa |
| Typ tarczy hamulcowej | wentylowany |
| średnica zewnętrzna [mm] | 235 |
| Grubość tarczy hamulcowej [mm] | 17,9 |
| wymagana liczba | 2 |
| Zamiana tylko w parach | |
| Wysokość [mm] | 43,2 |
| Ø rozmieszczenia otworów [mm] | 100 |
| Średnica otworu centrującego [mm] | 55 |
| Liczba otworów | 4 |
| Numer artykułu zalecanego dodatku | 131-07-213 |
| Numer artykułu zalecanego dodatku | 131-07-214 |
| Oznaczenie kontrolne | ECE R90 |
| Montaż/demontaż koniecznie do wykonania przez fachowców! |
00
000
00000| Oś przednia | |
| Kod towaru | 60-02-278C ASH |
| Producent | ASHIKA |
| Opis | tarcza hamulcowa |
| Strona zabudowy | Oś przednia |
| Ø rozmieszczenia otworów [mm] | 55 |
| Wysokość [mm] | 43,7 |
| średnica zewnętrzna [mm] | 235 |
| Grubość tarczy hamulcowej [mm] | 18 |
| Minimalna grubość [mm] | 17 |
| Liczba otworów | 4 |
| Typ tarczy hamulcowej | wentylowany |
| Oznaczenie kontrolne | ECE R90 APPROVED |
| Powierzchnia | lakierowany |
| Moment dokręcenia [Nm] | 103 |
| dla numeru OE | 4351252020 |
000
00000
00000| Kod towaru | 0986479244 |
| Producent | BOSCH |
| Opis | tarcza hamulcowaTOYOTA YARIS 01- |
| średnica zewnętrzna [mm] | 235 |
| Grubość tarczy hamulcowej [mm] | 18 |
| Minimalna grubość [mm] | 16 |
| Wysokość [mm] | 43 |
| Ø rozmieszczenia otworów [mm] | 100 |
| Typ tarczy hamulcowej | wentylowany |
| Średnica otworu centrującego [mm] | 55,05 |
| Liczba otworów | 4 |
| Powierzchnia | naoliwione |
| spełnia wymagania Normy ECE | ECE-R90 |
| Średnica otworu do [mm] | 14,5 |
000
00000
00000| Kod towaru | 0986479B92 |
| Producent | BOSCH |
| Opis | tarcza hamulcowa |
| średnica zewnętrzna [mm] | 235 |
| Grubość tarczy hamulcowej [mm] | 18 |
| Minimalna grubość [mm] | 16 |
| Wysokość [mm] | 43 |
| Ø rozmieszczenia otworów [mm] | 100 |
| Typ tarczy hamulcowej | wentylowany |
| Średnica otworu centrującego [mm] | 55,05 |
| Liczba otworów | 4 |
| Powierzchnia | pokryty |
| spełnia wymagania Normy ECE | ECE-R90 |
| Średnica otworu do [mm] | 14,5 |
000
0000
00000| Kod towaru | 0986479S46 |
| Producent | BOSCH |
| Opis | tarcza hamulcowa |
| średnica zewnętrzna [mm] | 235 |
| Grubość tarczy hamulcowej [mm] | 18 |
| Minimalna grubość [mm] | 16 |
| Wysokość [mm] | 43 |
| Ø rozmieszczenia otworów [mm] | 100 |
| Typ tarczy hamulcowej | wentylowany |
| Średnica otworu centrującego [mm] | 55 |
| Liczba otworów | 4 |
| Powierzchnia | naoliwione |
| Średnica otworu do [mm] | 14,4 |
000
000
00000| Kod towaru | 09.7825.10 |
| Producent | BREMBO |
| Opis | tarcza hamulcowa |
| Typ tarczy hamulcowej | z wentylacją wewnętrzną |
| Grubość tarczy hamulcowej [mm] | 18 |
| Liczba otworów | 4 |
| Wysokość [mm] | 43 |
| Średnica otworu centrującego [mm] | 55 |
| średnica zewnętrzna [mm] | 235 |
| Minimalna grubość [mm] | 16 |
| Moment dokręcenia [Nm] | 103 |
000
000
00000| Kod towaru | 09.7825.75 |
| Producent | BREMBO |
| Opis | tarcza hamulcowa |
| Typ tarczy hamulcowej | z wentylacją wewnętrzną |
| Typ tarczy hamulcowej | szczelinowy |
| Grubość tarczy hamulcowej [mm] | 18 |
| Liczba otworów | 4 |
| Wysokość [mm] | 43 |
| Średnica otworu centrującego [mm] | 55 |
| średnica zewnętrzna [mm] | 235 |
| Powierzchnia | pokryty |
| Minimalna grubość [mm] | 16 |
| Moment dokręcenia [Nm] | 103 |
00
00000
00000| Oś przednia | |
| Kod towaru | 26068 FEB |
| Producent | FEBI BILSTEIN |
| Opis | tarcza hamulcowa |
| Grubość tarczy hamulcowej [mm] | 18 |
| Felga, liczba otworów | 4 |
| Grubość [mm] | 43,3 |
| średnica zewnętrzna [mm] | 235 |
| Ø rozmieszczenia otworów [mm] | 100 |
| Powierzchnia | pokryty |
| Typ tarczy hamulcowej | z wentylacją wewnętrzną |
| Strona zabudowy | Oś przednia |
| Ciężar [kg] | 3,71 |
| uwzględnić informację serwisową | |
00
00000
00000| Oś przednia | |
| Kod towaru | 27399 FEB |
| Producent | FEBI BILSTEIN |
| Opis | tarcza hamulcowa |
| Grubość tarczy hamulcowej [mm] | 18 |
| Felga, liczba otworów | 4 |
| Grubość [mm] | 43 |
| średnica zewnętrzna [mm] | 235 |
| Ø rozmieszczenia otworów [mm] | 100 |
| Powierzchnia | pokryty |
| Typ tarczy hamulcowej | z wentylacją wewnętrzną |
| Strona zabudowy | Oś przednia |
| Minimalna grubość [mm] | 16 |
| Średnica otworu centrującego [mm] | 55 |
| Ciężar [kg] | 3,85 |
| uwzględnić informację serwisową | |
0
0
00000| Kod towaru | 800-552C CIF |
| Producent | CIFAM |
| Opis | tarcza hamulcowa |
| Oznaczenie kontrolne | ECE-R90 |
| Wysokość [mm] | 43,0 |
| Typ tarczy hamulcowej | wentylowany |
| Grubość tarczy hamulcowej [mm] | 18,0 |
| średnica zewnętrzna [mm] | 235,0 |
| Liczba otworów | 4 |
| Średnica otworu centrującego [mm] | 55,0 |
| Powierzchnia | lakierowany |
00
00000| Kod towaru | B130139 |
| Producent | DENCKERMANN |
| Opis | tarcza hamulcowa |
| Minimalna grubość [mm] | 16,0 |
| Typ tarczy hamulcowej | wentylowany |
| Średnica otworu [mm] | 14,5 |
| Grubość tarczy hamulcowej [mm] | 17,9 |
| Ø rozmieszczenia otworów [mm] | 100 |
| Liczba otworów | 4 |
| Średnica wewnętrzna [mm] | 129,5 |
| Wysokość [mm] | 43,2 |
| Średnica otworu centrującego [mm] | 55 |
| średnica zewnętrzna [mm] | 235 |
000
0000
00000| Kod towaru | BG3519 |
| Producent | DELPHI |
| Opis | tarcza hamulcowaYARIS 99-06 |
| Typ tarczy hamulcowej | wentylowany |
| Liczba otworów | 4 |
| Oznaczenie kontrolne | E1 90R-02C0957/2562 |
| Powierzchnia | naoliwione |
| średnica zewnętrzna [mm] | 235 |
| Grubość tarczy hamulcowej [mm] | 17,9 |
| Minimalna grubość [mm] | 16 |
| Średnica otworu centrującego [mm] | 55 |
| Wysokość [mm] | 43,2 |
000
0000
00000| Kod towaru | BG3519C |
| Producent | DELPHI |
| Opis | tarcza hamulcowa |
| Typ tarczy hamulcowej | wentylowany |
| Liczba otworów | 4 |
| Oznaczenie kontrolne | E1 90R-02C0373/0274 |
| Powierzchnia | pokryty |
| średnica zewnętrzna [mm] | 235 |
| Grubość tarczy hamulcowej [mm] | 17,9 |
| Minimalna grubość [mm] | 16 |
| Średnica otworu centrującego [mm] | 55 |
| Wysokość [mm] | 43,2 |
00000| Kod towaru | DDF1084 FER |
| Producent | FERODO |
| Opis | tarcza hamulcowa |
| Typ tarczy hamulcowej | wentylowany |
| średnica zewnętrzna [mm] | 235 |
| Grubość tarczy hamulcowej [mm] | 18 |
| Informacja uzupełniająca | bez śrub |
| Wysokość [mm] | 43,2 |
| Ø rozmieszczenia otworów [mm] | 100 |
| Średnica otworu centrującego [mm] | 55 |
| Liczba otworów | 4 |
| Jednostka ilości | Zestaw |
| Powierzchnia | naoliwione |
| Ciężar [kg] | 7,73 |
| Minimalna grubość [mm] | 16 |
| Moment dokręcenia [Nm] | 103 |
| Rodzaj połączenia | Pudełko |
| Długość opakowania [cm] | 24 |
| Szerokość opakowania [cm] | 24 |
| Wysokość opakowania [cm] | 8,9 |
00000| Kod towaru | DDF1084C FER |
| Producent | FERODO |
| Opis | tarcza hamulcowa |
| Typ tarczy hamulcowej | wentylowany |
| średnica zewnętrzna [mm] | 235 |
| Grubość tarczy hamulcowej [mm] | 18 |
| Informacja uzupełniająca | bez śrub |
| Wysokość [mm] | 43,2 |
| Średnica otworu centrującego [mm] | 55 |
| Liczba otworów | 4 |
| Jednostka ilości | Sztuka |
| Powierzchnia | pokryty |
| Ciężar [kg] | 3,87 |
| Minimalna grubość [mm] | 16 |
| Moment dokręcenia [Nm] | 103 |
| Długość opakowania [cm] | 24 |
| Szerokość opakowania [cm] | 24 |
| Wysokość opakowania [cm] | 8,9 |
00
000
00000| Oś przednia | |
| Kod towaru | 1032168 |
| Producent | KAMOKA |
| Opis | tarcza hamulcowa |
| Strona zabudowy | Oś przednia |
| Typ tarczy hamulcowej | wentylowany |
| Grubość tarczy hamulcowej [mm] | 18 |
| Ø rozmieszczenia otworów [mm] | 100 |
| Liczba otworów | 4 |
| Wysokość [mm] | 43 |
| Średnica otworu centrującego [mm] | 55 |
| Powierzchnia | pokryty |
| średnica zewnętrzna [mm] | 235 |
00000| Kod towaru | 214 385 |
| Producent | HART |
| Opis | tarcza hamulcowa |
| Wysokość [mm] | 43,1 |
| Typ tarczy hamulcowej | wentylowany |
| Grubość tarczy hamulcowej [mm] | 18 |
| średnica zewnętrzna [mm] | 235 |
| Liczba otworów | 4 |
00
000
00000| Kod towaru | 23-0552C MET |
| Producent | METELLI |
| Opis | tarcza hamulcowa |
| Oznaczenie kontrolne | ECE-R90 |
| Wysokość [mm] | 43,0 |
| Typ tarczy hamulcowej | wentylowany |
| Grubość tarczy hamulcowej [mm] | 18,0 |
| średnica zewnętrzna [mm] | 235,0 |
| Liczba otworów | 4 |
| Średnica otworu centrującego [mm] | 55,0 |
| Powierzchnia | lakierowany |
0
0
00000| Oś przednia | |
| Kod towaru | 30H2079-JPN |
| Producent | JPN |
| Opis | tarcza hamulcowa |
| Strona zabudowy | Oś przednia |
| Typ tarczy hamulcowej | wentylowany |
| Wysokość [mm] | 43,1 |
| Grubość tarczy hamulcowej [mm] | 18 |
| Wymiar gwintu | 15,2 |
| średnica zewnętrzna [mm] | 235 |
| Liczba otworów | 4 |
| Średnica otworu centrującego [mm] | 55 |
| Ø rozmieszczenia otworów [mm] | 100 |
0
00000| Kod towaru | 30H2079-OYO |
| Producent | OYODO |
| Opis | tarcza hamulcowa |
| Typ tarczy hamulcowej | wentylowany |
| Wysokość [mm] | 43,1 |
| Grubość tarczy hamulcowej [mm] | 18 |
| Wymiar gwintu | 15,2 |
| średnica zewnętrzna [mm] | 235 |
| Liczba otworów | 4 |
| Średnica otworu centrującego [mm] | 55 |
| Ø rozmieszczenia otworów [mm] | 100 |
00
0000
00000| Oś przednia | |
| Kod towaru | 81 92 6068 |
| Producent | SWAG |
| Opis | tarcza hamulcowa |
| Grubość tarczy hamulcowej [mm] | 18 |
| Felga, liczba otworów | 4 |
| Grubość [mm] | 43,3 |
| średnica zewnętrzna [mm] | 235 |
| Ø rozmieszczenia otworów [mm] | 100 |
| Powierzchnia | pokryty |
| Typ tarczy hamulcowej | z wentylacją wewnętrzną |
| Strona zabudowy | Oś przednia |
| Ciężar [kg] | 3,71 |
00
0000
00000| Oś przednia | |
| Kod towaru | 81 92 7399 |
| Producent | SWAG |
| Opis | tarcza hamulcowa |
| Grubość tarczy hamulcowej [mm] | 18 |
| Felga, liczba otworów | 4 |
| Grubość [mm] | 43 |
| średnica zewnętrzna [mm] | 235 |
| Ø rozmieszczenia otworów [mm] | 100 |
| Powierzchnia | pokryty |
| Typ tarczy hamulcowej | z wentylacją wewnętrzną |
| Strona zabudowy | Oś przednia |
| Minimalna grubość [mm] | 16 |
| Średnica otworu centrującego [mm] | 55 |
| Ciężar [kg] | 3,85 |
00
000
00000| Kod towaru | 8DD 355 107-281 |
| Producent | HELLA |
| Opis | tarcza hamulcowa |
| Typ tarczy hamulcowej | z wentylacją wewnętrzną |
| średnica zewnętrzna [mm] | 235 |
| Grubość tarczy hamulcowej [mm] | 18 |
| Wysokość [mm] | 43 |
| Minimalna grubość [mm] | 16 |
| Powierzchnia | pokryty |
| Ø rozmieszczenia otworów [mm] | 100 |
| Średnica otworu centrującego [mm] | 55,1 |
| Wzór otworów/liczba otworów | 04/06 |
| Informacja uzupełniająca | bez piasty koła |
| Informacja uzupełniająca | bez sworznia mocującego koła |
| Ciężar [kg] | 3,8 |
| Montaż/demontaż koniecznie do wykonania przez fachowców! |
00
00000
00000| Oś przednia | |
| Kod towaru | 9004896J SAS |
| Producent | SASIC |
| Opis | tarcza hamulcowa |
| Strona zabudowy | Oś przednia |
| Typ tarczy hamulcowej | wentylowany |
| średnica zewnętrzna [mm] | 235 |
| Grubość tarczy hamulcowej [mm] | 18 |
| Wysokość [mm] | 43 |
| Ø rozmieszczenia otworów [mm] | 55 |
| Liczba otworów | 4 |
| dla numeru OE | 4351252050 |
| Informacja uzupełniająca | bez łożyska koła |
| Zamiana tylko w parach | |
0
0000
00000| Kod towaru | 92103603 TXT |
| Producent | TEXTAR |
| Opis | tarcza hamulcowa |
| Typ tarczy hamulcowej | z wentylacją wewnętrzną |
| średnica zewnętrzna [mm] | 235 |
| Grubość tarczy hamulcowej [mm] | 18 |
| Wysokość [mm] | 43 |
| Minimalna grubość [mm] | 16 |
| Powierzchnia | pokryty |
| Średnica wewnętrzna [mm] | 129,2 |
| Ø rozmieszczenia otworów [mm] | 100 |
| Średnica otworu centrującego [mm] | 55,1 |
| Wzór otworów/liczba otworów | 04/06 |
| Średnica otworu szpilki koła [mm] | 14,5 |
| Informacja uzupełniająca | bez piasty koła |
| Informacja uzupełniająca | bez łożyska koła |
| Informacja uzupełniająca | bez sworznia mocującego koła |
| Długość opakowania [cm] | 24,8 |
| Szerokość opakowania [cm] | 24,8 |
| Wysokość opakowania [cm] | 10,5 |
| Ciężar [kg] | 3,8 |
00
00000| Kod towaru | BR-9399-C KAV |
| Producent | KAVO PARTS |
| Opis | tarcza hamulcowa |
| Oznaczenie kontrolne | R90 |
| Wysokość [mm] | 43 |
| Typ tarczy hamulcowej | wentylowany |
| Grubość tarczy hamulcowej [mm] | 18 |
| średnica zewnętrzna [mm] | 235 |
| Liczba otworów | 4 |
| Średnica otworu centrującego [mm] | 55 |
| Ø rozmieszczenia otworów [mm] | 100 |
| Powierzchnia | pokryty |
0000
00000| Oś przednia | |
| Kod towaru | BS-6120 OPT |
| Producent | OPTIMAL |
| Opis | tarcza hamulcowa |
| Strona zabudowy | Oś przednia |
| Typ tarczy hamulcowej | wentylowany |
| Grubość tarczy hamulcowej [mm] | 18 |
| średnica zewnętrzna [mm] | 235 |
| Wysokość [mm] | 43 |
| Średnica otworu centrującego [mm] | 55 |
| Układ hamulcowy | dla pojazdów z hamulcami bębnowymi z tyłu |
| Minimalna grubość [mm] | 16 |
| Wzór otworów/liczba otworów | 4/6 |
0000
00000| Oś przednia | |
| Kod towaru | BS-6120C OPT |
| Producent | OPTIMAL |
| Opis | tarcza hamulcowa |
| Strona zabudowy | Oś przednia |
| Typ tarczy hamulcowej | wentylowany |
| Grubość tarczy hamulcowej [mm] | 18 |
| średnica zewnętrzna [mm] | 235 |
| Wysokość [mm] | 43 |
| Średnica otworu centrującego [mm] | 55 |
| Powierzchnia | pokryty |
| Układ hamulcowy | dla pojazdów z hamulcami bębnowymi z tyłu |
| Minimalna grubość [mm] | 16 |
| Wzór otworów/liczba otworów | 4/6 |
00
00000
00000| Kod towaru | DF0465 |
| Producent | MAGNETI MARELLI |
| Opis | tarcza hamulcowa |
| Typ tarczy hamulcowej | z wentylacją wewnętrzną |
| Średnica [mm] | 235 |
| Wysokość [mm] | 43,2 |
| Minimalna grubość [mm] | 16 |
| Liczba otworów | 4 |
| Ø rozmieszczenia otworów [mm] | 55 |
| Moment dokręcenia [Nm] | 103 |
| Grubość tarczy hamulcowej [mm] | 18 |
| średnica zewnętrzna [mm] | 235 |
0
00
00000| Oś przednia, Oś przednia, z lewej, Oś przednia, z prawej | |
| Kod towaru | GH-404580 |
| Producent | GH |
| Opis | tarcza hamulcowaTOYOTA YARIS 1.4 D4D 2001-2003 Z BÄ?BNAMI Z TYĹ?U [235*43.7*18-4V] |
| Strona zabudowy | Oś przednia |
| Strona zabudowy | Oś przednia, z prawej |
| Strona zabudowy | Oś przednia, z lewej |
| Grubość tarczy hamulcowej [mm] | 18 |
| Liczba otworów | 4 |
| Ø rozmieszczenia otworów [mm] | 100 |
| Średnica otworu centrującego [mm] | 55 |
| średnica zewnętrzna [mm] | 235 |
| Typ tarczy hamulcowej | wentylowany |
| Wymiar gwintu | 15,2 |
| Wysokość [mm] | 43,1 |
00
00000| Kod towaru | KSK-9003 KAV |
| Producent | KAVO PARTS |
| Opis | zestaw części, przegląd okresowy |
00
00000
00000| Kod towaru | MBD0204 |
| Producent | MAGNETI MARELLI |
| Opis | tarcza hamulcowa |
| Typ tarczy hamulcowej | z wentylacją wewnętrzną |
| Średnica [mm] | 235 |
| Wysokość [mm] | 43,2 |
| Minimalna grubość [mm] | 16 |
| Liczba otworów | 4 |
| Ø rozmieszczenia otworów [mm] | 55 |
| Moment dokręcenia [Nm] | 103 |
| Grubość tarczy hamulcowej [mm] | 18 |
| średnica zewnętrzna [mm] | 235 |
00000| Kod towaru | T2941V LPR |
| Producent | LPR |
| Opis | tarcza hamulcowa |
| Liczba otworów | 4 |
| średnica zewnętrzna [mm] | 235 |
| Minimalna grubość [mm] | 16 |
| Grubość tarczy hamulcowej [mm] | 18 |
| Typ tarczy hamulcowej | z wentylacją wewnętrzną |
| Średnica otworu centrującego [mm] | 55 |
| Wysokość [mm] | 43 |
0
000
00000| Oś przednia | |
| Kod towaru | TX 70-97 |
| Producent | TOMEX BRAKES |
| Opis | tarcza hamulcowa4351252020 |
| Strona zabudowy | Oś przednia |
| Typ tarczy hamulcowej | wentylowany |
| Grubość tarczy hamulcowej [mm] | 18 |
| średnica zewnętrzna [mm] | 235 |
| Wysokość [mm] | 43,1 |
| Liczba otworów | 4 |
| Średnica otworu centrującego [mm] | 55 |
| Ø rozmieszczenia otworów [mm] | 100 |
| Powierzchnia | lakierowany |
| Ciężar [kg] | 7,45 |
| Minimalna grubość [mm] | 16 |
000
00000
00000| Kod towaru | VKBD 80302 V2 |
| Producent | SKF |
| Opis | tarcza hamulcowa |
| Typ tarczy hamulcowej | z wentylacją wewnętrzną |
| średnica zewnętrzna [mm] | 235 |
| Grubość tarczy hamulcowej [mm] | 18 |
| Wysokość [mm] | 43 |
| Ø rozmieszczenia otworów [mm] | 100 |
| Średnica otworu centrującego [mm] | 55,1 |
| Liczba otworów | 4 |
| Powierzchnia | pokryty |
| Minimalna grubość [mm] | 16 |
| Liczba otworów | 2 |
00
000
00000| Kod towaru | 590.2569.20 ZIM |
| Producent | ZIMMERMANN |
| Opis | tarcza hamulcowa |
| Typ tarczy hamulcowej | z wentylacją wewnętrzną |
| Powierzchnia | pokryty |
| średnica zewnętrzna [mm] | 235 |
| Grubość tarczy hamulcowej [mm] | 18 |
| Wysokość [mm] | 43 |
| Felga, liczba otworów | 4 |
| Ø rozmieszczenia otworów [mm] | 100 |
| Średnica otworu centrującego [mm] | 55 |
| Oznaczenie kontrolne | ECE R90 APPROVED |
| Ciężar [kg] | 3,74 |
| Minimalna grubość [mm] | 16 |
| Wzór otworów/liczba otworów | 6/4 |
000
0000
00000| Oś przednia | |
| Kod towaru | 672745 VAL |
| Producent | VALEO |
| Opis | tarcza hamulcowa |
| Strona zabudowy | Oś przednia |
| Typ tarczy hamulcowej | wentylowany |
| Powierzchnia | pokryty |
| średnica zewnętrzna [mm] | 235 |
| Grubość tarczy hamulcowej [mm] | 18 |
| Średnica otworu centrującego [mm] | 55 |
| Wysokość [mm] | 43,3 |
| Minimalna grubość [mm] | 16 |
| Felga, liczba otworów | 4 |
| Liczba otworów do mocowania | 2 |
| Informacja uzupełniająca | bez zintegrowanego łożyska koła |
| Oznaczenie kontrolne | ECE-R90 |
| Ciężar [kg] | 7,87 |
