0
00000| Kod towaru | 16236 ABS |
| Producent | A.B.S. |
| Opis | tarcza hamulcowa |
| Średnica zewnętrzna [mm] | 280 |
| Grubość tarczy hamulcowej [mm] | 26 |
| Minimalna grubość [mm] | 23 |
| Wysokość [mm] | 50,3 |
| Felga, liczba otworów | 5 |
| Typ tarczy hamulcowej | wentylowany |
| Średnica otworu centrującego [mm] | 68 |
| Ø rozmieszczenia otworów [mm] | 108 |
| Powierzchnia | pokryty |
| Średnica piasty [mm] | 150 |

0
0
00000| Kod towaru | 2305 FOM |
| Producent | FOMAR FRICTION |
| Opis |
0
00
00000| Oś przednia, Oś przednia, z lewej, Oś przednia, z prawej | |
| Kod towaru | GH-404810 |
| Producent | GH |
| Opis | tarcza hamulcowaVOLVO S70, S90, V70, V90 [280*50.3*26-5V] |
| Strona zabudowy | Oś przednia |
| Strona zabudowy | Oś przednia, z prawej |
| Strona zabudowy | Oś przednia, z lewej |
| Grubość tarczy hamulcowej [mm] | 26 |
| Liczba otworów | 5 |
| Ø rozmieszczenia otworów [mm] | 108 |
| Średnica otworu centrującego [mm] | 68 |
| Średnica zewnętrzna [mm] | 280 |
| Typ tarczy hamulcowej | wentylowany |
| Wymiar gwintu | 14,3 |
| Wysokość [mm] | 50,7 |
00
00000| Oś przednia | |
| Kod towaru | 5155215012 MEY |
| Producent | MEYLE |
| Opis | tarcza hamulcowaTARCZA HAM. VOLVO P. S70/S90/V70/V90 280X26 |
| Strona zabudowy | Oś przednia |
| Średnica zewnętrzna [mm] | 280 |
| Wysokość [mm] | 50,2 |
| Grubość tarczy hamulcowej [mm] | 26 |
| Minimalna grubość [mm] | 23 |
| Średnica otworu centrującego [mm] | 68 |
| Ø rozmieszczenia otworów [mm] | 108 |
| Średnica otworu szpilki koła [mm] | 14,5 |
| Liczba otworów | 5 |
| Typ tarczy hamulcowej | wentylowany |
| wymagana liczba | 2 |
00
00000| Oś przednia | |
| Kod towaru | 5835215012/PD MEY |
| Producent | MEYLE |
| Opis | tarcza hamulcowaTARCZA HAM. VOLVO P. C70/S70/S90/V70 97-05 280X26 |
| Strona zabudowy | Oś przednia |
| Średnica zewnętrzna [mm] | 280 |
| Wysokość [mm] | 50,2 |
| Grubość tarczy hamulcowej [mm] | 26 |
| Minimalna grubość [mm] | 23 |
| Średnica otworu centrującego [mm] | 68 |
| Ø rozmieszczenia otworów [mm] | 108 |
| Średnica otworu szpilki koła [mm] | 14,5 |
| Liczba otworów | 5 |
| Typ tarczy hamulcowej | wentylowany |
| Powierzchnia | Płytki pokryte cynkiem |
| Przetwarzanie | wysoko nawęglany |
| Jakość | PREMIUM |
| wymagana liczba | 2 |
00
000
00000| Kod towaru | 60-00-0347 ASH |
| Producent | ASHIKA |
| Opis | tarcza hamulcowa |
00
000
00000| Oś przednia | |
| Kod towaru | 60-00-0347C ASH |
| Producent | ASHIKA |
| Opis | tarcza hamulcowa |
| Średnica zewnętrzna [mm] | 280 |
| Wysokość [mm] | 50,3 |
| Typ tarczy hamulcowej | wentylowany |
| Grubość tarczy hamulcowej [mm] | 26 |
| Minimalna grubość [mm] | 23 |
| Liczba otworów | 5 |
| Powierzchnia | lakierowany |
| Strona zabudowy | Oś przednia |
| Moment dokręcenia [Nm] | 110 |
| dla numeru OE | 91407593 |
00
0000
00000| Oś przednia | |
| Kod towaru | ADF124352 BLP |
| Producent | BLUE PRINT |
| Opis | tarcza hamulcowa |
| Grubość tarczy hamulcowej [mm] | 26 |
| Felga, liczba otworów | 5 |
| Liczba otworów do mocowania | 5 |
| Grubość [mm] | 50 |
| Średnica zewnętrzna [mm] | 280 |
| Ø rozmieszczenia otworów [mm] | 108 |
| Powierzchnia | pokryty |
| Typ tarczy hamulcowej | z wentylacją wewnętrzną |
| Strona zabudowy | Oś przednia |
| Minimalna grubość [mm] | 23 |
| Średnica otworu centrującego [mm] | 68 |
| uwzględnić informację serwisową | |
000
00000
00000| Kod towaru | 0986478603 |
| Producent | BOSCH |
| Opis | tarcza hamulcowaVOLVO 850 |
| Średnica zewnętrzna [mm] | 280 |
| Grubość tarczy hamulcowej [mm] | 26,1 |
| Minimalna grubość [mm] | 23 |
| Wysokość [mm] | 50,3 |
| Ø rozmieszczenia otworów [mm] | 107,95 |
| Typ tarczy hamulcowej | wentylowany |
| Średnica otworu centrującego [mm] | 68 |
| Liczba otworów | 5 |
| Powierzchnia | pokryty |
| spełnia wymagania Normy ECE | ECE-R90 |
| Średnica otworu do [mm] | 14,7 |
0
0
00000| Kod towaru | 800-375C CIF |
| Producent | CIFAM |
| Opis | tarcza hamulcowa(280x26mm) |
| Oznaczenie kontrolne | ECE-R90 |
| Wysokość [mm] | 50,3 |
| Typ tarczy hamulcowej | wentylowany |
| Grubość tarczy hamulcowej [mm] | 26,0 |
| Średnica zewnętrzna [mm] | 280,0 |
| Liczba otworów | 5 |
| Średnica otworu centrującego [mm] | 68,0 |
| Powierzchnia | lakierowany |
00
00000| Kod towaru | B130067 |
| Producent | DENCKERMANN |
| Opis | tarcza hamulcowa |
| Minimalna grubość [mm] | 23 |
| Typ tarczy hamulcowej | wentylowany |
| Średnica otworu [mm] | 14,5 |
| Grubość tarczy hamulcowej [mm] | 26 |
| Ø rozmieszczenia otworów [mm] | 108 |
| Liczba otworów | 5 |
| Średnica wewnętrzna [mm] | 139 |
| Wysokość [mm] | 50,3 |
| Średnica otworu centrującego [mm] | 68 |
| Średnica zewnętrzna [mm] | 280 |
| Rozporządzenie UE w sprawie bezpieczeństwa produktów (GPSR) | IEC 60417-6183 wymagana specjalistyczna wiedza mechaniczna |
00
00000
00000| Oś przednia | |
| Kod towaru | 11454 FEB |
| Producent | FEBI BILSTEIN |
| Opis | tarcza hamulcowa |
| Grubość tarczy hamulcowej [mm] | 26 |
| Felga, liczba otworów | 5 |
| Liczba otworów do mocowania | 5 |
| Grubość [mm] | 50,3 |
| Średnica zewnętrzna [mm] | 280 |
| Ø rozmieszczenia otworów [mm] | 108 |
| Powierzchnia | pokryty |
| Typ tarczy hamulcowej | z wentylacją wewnętrzną |
| Strona zabudowy | Oś przednia |
| Minimalna grubość [mm] | 23 |
| Średnica otworu centrującego [mm] | 68 |
| uwzględnić informację serwisową | |
00000| Kod towaru | DDF605C FER |
| Producent | FERODO |
| Opis | tarcza hamulcowa |
| Typ tarczy hamulcowej | wentylowany |
| Średnica zewnętrzna [mm] | 280 |
| Grubość tarczy hamulcowej [mm] | 26 |
| Informacja uzupełniająca | ze śrubami |
| Wysokość [mm] | 50,3 |
| Średnica otworu centrującego [mm] | 68 |
| Liczba otworów | 5 |
| Jednostka ilości | Sztuka |
| Powierzchnia | pokryty |
| Oznaczenie kontrolne | R90 Homologated |
| Ciężar [kg] | 6,55 |
| Minimalna grubość [mm] | 23 |
| Moment dokręcenia [Nm] | 110 |
| Długość opakowania [cm] | 30 |
| Szerokość opakowania [cm] | 30 |
| Wysokość opakowania [cm] | 12 |
00
000
00000| Kod towaru | 8DD 355 103-681 |
| Producent | HELLA |
| Opis | tarcza hamulcowa |
| Typ tarczy hamulcowej | z wentylacją wewnętrzną |
| Średnica zewnętrzna [mm] | 280 |
| Grubość tarczy hamulcowej [mm] | 26 |
| Wysokość [mm] | 50,3 |
| Minimalna grubość [mm] | 23 |
| Powierzchnia | pokryty |
| Średnica wewnętrzna [mm] | 139,2 |
| Ø rozmieszczenia otworów [mm] | 108 |
| Średnica otworu centrującego [mm] | 68 |
| Wzór otworów/liczba otworów | 05/10 |
| Średnica otworu szpilki koła [mm] | 14,7 |
| Informacja uzupełniająca | bez piasty koła |
| Informacja uzupełniająca | bez łożyska koła |
| Informacja uzupełniająca | bez sworznia mocującego koła |
| Ciężar [kg] | 6,4 |
| Montaż/demontaż koniecznie do wykonania przez fachowców! |
00
000
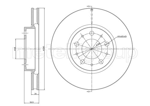
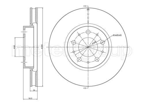
00000| Kod towaru | 23-0375C MET |
| Producent | METELLI |
| Opis | tarcza hamulcowa |
| Oznaczenie kontrolne | ECE-R90 |
| Wysokość [mm] | 50,3 |
| Typ tarczy hamulcowej | wentylowany |
| Grubość tarczy hamulcowej [mm] | 26,0 |
| Średnica zewnętrzna [mm] | 280,0 |
| Liczba otworów | 5 |
| Średnica otworu centrującego [mm] | 68,0 |
| Powierzchnia | lakierowany |
0000
00000| Oś przednia | |
| Kod towaru | BS-8058C OPT |
| Producent | OPTIMAL |
| Opis | tarcza hamulcowa |
| Strona zabudowy | Oś przednia |
| Typ tarczy hamulcowej | wentylowany |
| Grubość tarczy hamulcowej [mm] | 26 |
| Średnica zewnętrzna [mm] | 280 |
| Wysokość [mm] | 50,3 |
| Średnica otworu centrującego [mm] | 68 |
| Powierzchnia | pokryty |
| Minimalna grubość [mm] | 23 |
| Wzór otworów/liczba otworów | 5/10 |
00
0000
00000| Oś przednia | |
| Kod towaru | 55 91 1454 |
| Producent | SWAG |
| Opis | tarcza hamulcowa |
| Grubość tarczy hamulcowej [mm] | 26 |
| Felga, liczba otworów | 5 |
| Liczba otworów do mocowania | 5 |
| Grubość [mm] | 50,3 |
| Średnica zewnętrzna [mm] | 279,8 |
| Ø rozmieszczenia otworów [mm] | 108 |
| Powierzchnia | pokryty |
| Typ tarczy hamulcowej | z wentylacją wewnętrzną |
| Strona zabudowy | Oś przednia |
| Minimalna grubość [mm] | 23 |
| Średnica otworu centrującego [mm] | 68 |
0
0000
00000| Kod towaru | 92066703 TXT |
| Producent | TEXTAR |
| Opis | tarcza hamulcowa |
| Typ tarczy hamulcowej | z wentylacją wewnętrzną |
| Średnica zewnętrzna [mm] | 280 |
| Grubość tarczy hamulcowej [mm] | 26 |
| Wysokość [mm] | 50,3 |
| Minimalna grubość [mm] | 23 |
| Powierzchnia | pokryty |
| Średnica wewnętrzna [mm] | 139,2 |
| Ø rozmieszczenia otworów [mm] | 108 |
| Średnica otworu centrującego [mm] | 68 |
| Wzór otworów/liczba otworów | 05/10 |
| Średnica otworu szpilki koła [mm] | 14,7 |
| Informacja uzupełniająca | bez piasty koła |
| Informacja uzupełniająca | bez łożyska koła |
| Informacja uzupełniająca | bez sworznia mocującego koła |
| Długość opakowania [cm] | 30,8 |
| Szerokość opakowania [cm] | 30,8 |
| Wysokość opakowania [cm] | 12,7 |
| Ciężar [kg] | 6,4 |
00
00000
00000| Kod towaru | DF2671 |
| Producent | TRW |
| Opis | tarcza hamulcowa |
| Typ tarczy hamulcowej | wentylowany |
| Średnica zewnętrzna [mm] | 280 |
| Grubość tarczy hamulcowej [mm] | 26 |
| Średnica otworu centrującego [mm] | 68 |
| Wysokość [mm] | 50,7 |
| Liczba otworów | 5 |
00
000
00000| Oś przednia | |
| Kod towaru | 610.1195.20 ZIM |
| Producent | ZIMMERMANN |
| Opis | tarcza hamulcowa |
| Strona zabudowy | Oś przednia |
| Typ tarczy hamulcowej | z wentylacją wewnętrzną |
| Powierzchnia | pokryty |
| Średnica zewnętrzna [mm] | 280 |
| Grubość tarczy hamulcowej [mm] | 26 |
| Wysokość [mm] | 50 |
| Felga, liczba otworów | 5 |
| Ø rozmieszczenia otworów [mm] | 108 |
| Średnica otworu centrującego [mm] | 68 |
| Oznaczenie kontrolne | ECE R90 APPROVED |
| Minimalna grubość [mm] | 23 |
| Wzór otworów/liczba otworów | 10/5 |
| Ciężar [kg] | 6,4 |
00
000
00000| Oś przednia | |
| Kod towaru | 610.1195.52 ZIM |
| Producent | ZIMMERMANN |
| Opis | tarcza hamulcowa |
| Strona zabudowy | Oś przednia |
| Typ tarczy hamulcowej | z wentylacją wewnętrzną |
| Typ tarczy hamulcowej | perforowany |
| Powierzchnia | pokryty |
| Średnica zewnętrzna [mm] | 280 |
| Grubość tarczy hamulcowej [mm] | 26 |
| Wysokość [mm] | 50 |
| Felga, liczba otworów | 5 |
| Ø rozmieszczenia otworów [mm] | 108 |
| Średnica otworu centrującego [mm] | 68 |
| Oznaczenie kontrolne | KBA 60872 |
| Minimalna grubość [mm] | 23 |
| Wzór otworów/liczba otworów | 10/5 |
| Ciężar [kg] | 6,4 |
