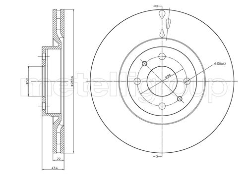
0
00
00000| Oś przednia, Oś przednia, z lewej, Oś przednia, z prawej | |
| Kod towaru | GH-402354 |
| Producent | GH |
| Opis | tarcza hamulcowaFIAT BRAVA 1996-2001, BRAVO 1996-2001, DOBLO 2001-> ,MAREA 1998-> [284,5*43,5*22-4V] |
| Strona zabudowy | Oś przednia |
| Strona zabudowy | Oś przednia, z prawej |
| Strona zabudowy | Oś przednia, z lewej |
| Grubość tarczy hamulcowej [mm] | 22 |
| Liczba otworów | 4 |
| Ø rozmieszczenia otworów [mm] | 98 |
| Średnica otworu centrującego [mm] | 59 |
| średnica zewnętrzna [mm] | 284 |
| Typ tarczy hamulcowej | wentylowany |
| Wymiar gwintu | 13 |
| Wysokość [mm] | 43,5 |
0
00000| Kod towaru | BDC3766 QH |
| Producent | QUINTON HAZELL |
| Opis | tarcza hamulcowa- |
| Typ tarczy hamulcowej | wentylowany |
| średnica zewnętrzna [mm] | 284 |
| Grubość tarczy hamulcowej [mm] | 22 |
| Minimalna grubość [mm] | 20,2 |
| Wysokość [mm] | 43,5 |
| Średnica otworu centrującego [mm] | 59 |
| Ø rozmieszczenia otworów [mm] | 98 |
| Liczba otworów | 4 |
000
000
00000| Oś przednia | |
| Kod towaru | FT31018 |
| Producent | FAST |
| Opis | tarcza hamulcowa |
| Strona zabudowy | Oś przednia |
| Wysokość [mm] | 44 |
| Typ tarczy hamulcowej | wentylowany |
| Grubość tarczy hamulcowej [mm] | 22 |
| Liczba otworów | 4 |
| średnica zewnętrzna [mm] | 284 |
| Średnica otworu centrującego [mm] | 59 |
0
00000| Oś przednia | |
| Kod towaru | 128062FCAL ALT |
| Producent | ALTE AUTOMOTIVE |
| Opis | tarcza hamulcowa |
| Strona zabudowy | Oś przednia |
| Typ tarczy hamulcowej | wentylowany |
| Grubość tarczy hamulcowej [mm] | 22 |
| średnica zewnętrzna [mm] | 284 |
| Ciężar [kg] | 6,35 |
| Wysokość [mm] | 43,5 |
| Liczba otworów | 4 |
| Ø rozmieszczenia otworów [mm] | 98 |
| Średnica otworu centrującego [mm] | 59 |
| Powierzchnia | pokryty |
| Minimalna grubość [mm] | 20,2 |
| Średnica otworu do [mm] | 13 |
00
0000
00000| Oś przednia | |
| Kod towaru | ADL144319 BLP |
| Producent | BLUE PRINT |
| Opis | tarcza hamulcowa |
| Grubość tarczy hamulcowej [mm] | 22 |
| Felga, liczba otworów | 4 |
| Grubość [mm] | 44 |
| średnica zewnętrzna [mm] | 284 |
| Ø rozmieszczenia otworów [mm] | 98 |
| Powierzchnia | pokryty |
| Typ tarczy hamulcowej | z wentylacją wewnętrzną |
| Strona zabudowy | Oś przednia |
| Minimalna grubość [mm] | 20,2 |
| Średnica otworu centrującego [mm] | 59 |
| dla numeru OE | 46455892 |
| uwzględnić informację serwisową | |
000
00000
00000| Kod towaru | 0986478810 |
| Producent | BOSCH |
| Opis | tarcza hamulcowaFIAT DOBLO/BRAVA/MAREA/STILO, ALFA 155 |
| średnica zewnętrzna [mm] | 284 |
| Grubość tarczy hamulcowej [mm] | 22 |
| Minimalna grubość [mm] | 20,2 |
| Wysokość [mm] | 43,4 |
| Ø rozmieszczenia otworów [mm] | 98 |
| Typ tarczy hamulcowej | wentylowany |
| Średnica otworu centrującego [mm] | 59,02 |
| Liczba otworów | 4 |
| Powierzchnia | naoliwione |
| spełnia wymagania Normy ECE | ECE-R90 |
| Średnica otworu do [mm] | 13 |
| Typ tarczy hamulcowej | z wentylacją wewnętrzną |
000
00000
00000| Kod towaru | 0986479B49 |
| Producent | BOSCH |
| Opis | tarcza hamulcowa |
| średnica zewnętrzna [mm] | 284 |
| Grubość tarczy hamulcowej [mm] | 22 |
| Minimalna grubość [mm] | 20,2 |
| Wysokość [mm] | 43,4 |
| Ø rozmieszczenia otworów [mm] | 98 |
| Typ tarczy hamulcowej | wentylowany |
| Średnica otworu centrującego [mm] | 59,02 |
| Liczba otworów | 4 |
| Powierzchnia | pokryty |
| spełnia wymagania Normy ECE | ECE-R90 |
| Średnica otworu do [mm] | 13 |
000
000
00000| Kod towaru | 09.4939.11 |
| Producent | BREMBO |
| Opis | tarcza hamulcowa |
| Typ tarczy hamulcowej | z wentylacją wewnętrzną |
| Grubość tarczy hamulcowej [mm] | 22 |
| Liczba otworów | 4 |
| Informacja uzupełniająca | ze śrubami |
| Wysokość [mm] | 44 |
| Średnica otworu centrującego [mm] | 59 |
| średnica zewnętrzna [mm] | 284 |
| Powierzchnia | pokryty |
| Minimalna grubość [mm] | 20,2 |
| Moment dokręcenia [Nm] | 98 |
000
000
00000| Kod towaru | 09.4939.14 |
| Producent | BREMBO |
| Opis | tarcza hamulcowa |
| Typ tarczy hamulcowej | z wentylacją wewnętrzną |
| Grubość tarczy hamulcowej [mm] | 22 |
| Liczba otworów | 4 |
| Informacja uzupełniająca | ze śrubami |
| Wysokość [mm] | 44 |
| Średnica otworu centrującego [mm] | 59 |
| średnica zewnętrzna [mm] | 284 |
| Minimalna grubość [mm] | 20,2 |
| Moment dokręcenia [Nm] | 98 |
000
000
00000| Kod towaru | 09.4939.1X |
| Producent | BREMBO |
| Opis | tarcza hamulcowa |
| Typ tarczy hamulcowej | perforowany / wentylowany wewnętrznie |
| Grubość tarczy hamulcowej [mm] | 22 |
| Liczba otworów | 4 |
| Informacja uzupełniająca | ze śrubami |
| Wysokość [mm] | 44 |
| Średnica otworu centrującego [mm] | 59 |
| średnica zewnętrzna [mm] | 284 |
| Przetwarzanie | wysoko nawęglany |
| Powierzchnia | pokryty |
| Minimalna grubość [mm] | 20,5 |
| Moment dokręcenia [Nm] | 98 |
000
000
00000| Kod towaru | 09.4939.75 |
| Producent | BREMBO |
| Opis | tarcza hamulcowa |
| Typ tarczy hamulcowej | z wentylacją wewnętrzną |
| Typ tarczy hamulcowej | szczelinowy |
| Grubość tarczy hamulcowej [mm] | 22 |
| Liczba otworów | 4 |
| Informacja uzupełniająca | ze śrubami |
| Wysokość [mm] | 44 |
| Średnica otworu centrującego [mm] | 59 |
| średnica zewnętrzna [mm] | 284 |
| Powierzchnia | pokryty |
| Minimalna grubość [mm] | 20,2 |
| Moment dokręcenia [Nm] | 98 |
0
0
00000| Kod towaru | 800-369C CIF |
| Producent | CIFAM |
| Opis | tarcza hamulcowa |
| Oznaczenie kontrolne | ECE-R90 |
| Wysokość [mm] | 43,5 |
| Typ tarczy hamulcowej | wentylowany |
| Grubość tarczy hamulcowej [mm] | 22,0 |
| średnica zewnętrzna [mm] | 284,0 |
| Liczba otworów | 4 |
| Średnica otworu centrującego [mm] | 59,0 |
| Powierzchnia | lakierowany |
000
0000
00000| Kod towaru | BG2407 |
| Producent | DELPHI |
| Opis | tarcza hamulcowa155 / FIAT BRAVO, COUPé, CROMA, DOBLO, DOBLO C |
| Typ tarczy hamulcowej | wentylowany |
| Liczba otworów | 4 |
| Oznaczenie kontrolne | E1 90R-02C0958/2530 |
| Powierzchnia | naoliwione |
| średnica zewnętrzna [mm] | 284 |
| Grubość tarczy hamulcowej [mm] | 22 |
| Minimalna grubość [mm] | 20,2 |
| Średnica otworu centrującego [mm] | 59 |
| Wysokość [mm] | 43,5 |
00
00000
00000| Oś przednia | |
| Kod towaru | 18546 FEB |
| Producent | FEBI BILSTEIN |
| Opis | tarcza hamulcowa |
| Grubość tarczy hamulcowej [mm] | 22 |
| Felga, liczba otworów | 4 |
| Grubość [mm] | 44 |
| średnica zewnętrzna [mm] | 284 |
| Ø rozmieszczenia otworów [mm] | 98 |
| Powierzchnia | pokryty |
| Typ tarczy hamulcowej | z wentylacją wewnętrzną |
| Strona zabudowy | Oś przednia |
| Minimalna grubość [mm] | 20,2 |
| Średnica otworu centrującego [mm] | 59 |
| dla numeru OE | 46455892 |
| uwzględnić informację serwisową | |
00000| Kod towaru | DDF220 FER |
| Producent | FERODO |
| Opis | tarcza hamulcowa |
| Typ tarczy hamulcowej | wentylowany |
| średnica zewnętrzna [mm] | 284 |
| Grubość tarczy hamulcowej [mm] | 22 |
| Informacja uzupełniająca | ze śrubami |
| Wysokość [mm] | 43,5 |
| Ø rozmieszczenia otworów [mm] | 98 |
| Średnica otworu centrującego [mm] | 59 |
| Liczba otworów | 4 |
| Jednostka ilości | Zestaw |
| Powierzchnia | naoliwione |
| Oznaczenie kontrolne | R90 Homologated |
| Ciężar [kg] | 12,62 |
| Minimalna grubość [mm] | 20,2 |
| Moment dokręcenia [Nm] | 98 |
| Rodzaj połączenia | Pudełko |
| Długość opakowania [cm] | 28,5 |
| Szerokość opakowania [cm] | 28,5 |
| Wysokość opakowania [cm] | 10 |
00000| Kod towaru | DDF220C FER |
| Producent | FERODO |
| Opis | tarcza hamulcowa |
| Typ tarczy hamulcowej | wentylowany |
| średnica zewnętrzna [mm] | 284 |
| Grubość tarczy hamulcowej [mm] | 22 |
| Informacja uzupełniająca | ze śrubami |
| Wysokość [mm] | 43,5 |
| Ø rozmieszczenia otworów [mm] | 98 |
| Średnica otworu centrującego [mm] | 59 |
| Liczba otworów | 4 |
| Jednostka ilości | Sztuka |
| Powierzchnia | pokryty |
| Ciężar [kg] | 6,31 |
| Minimalna grubość [mm] | 20,2 |
| Moment dokręcenia [Nm] | 98 |
| Długość opakowania [cm] | 30 |
| Szerokość opakowania [cm] | 30 |
| Wysokość opakowania [cm] | 10,8 |
00
000
00000| Kod towaru | 8DD 355 102-391 |
| Producent | HELLA |
| Opis | tarcza hamulcowa |
| Typ tarczy hamulcowej | z wentylacją wewnętrzną |
| średnica zewnętrzna [mm] | 284 |
| Grubość tarczy hamulcowej [mm] | 22 |
| Wysokość [mm] | 43,4 |
| Minimalna grubość [mm] | 20,2 |
| Powierzchnia | pokryty |
| Średnica wewnętrzna [mm] | 127,2 |
| Ø rozmieszczenia otworów [mm] | 98 |
| Średnica otworu centrującego [mm] | 59 |
| Wzór otworów/liczba otworów | 04/06 |
| Średnica otworu szpilki koła [mm] | 13 |
| Informacja uzupełniająca | bez piasty koła |
| Informacja uzupełniająca | bez łożyska koła |
| Informacja uzupełniająca | bez sworznia mocującego koła |
| Ciężar [kg] | 6,3 |
| Montaż/demontaż koniecznie do wykonania przez fachowców! |
0
0
00000| Kod towaru | 30H9066-JPN |
| Producent | JPN |
| Opis | tarcza hamulcowa(284x22mm) Fiat Doblo 01- ,Idea 08- ,Marea 96-02, Stilo 01-08 |
| Typ tarczy hamulcowej | z wentylacją wewnętrzną |
| Wysokość [mm] | 43,5 |
| Grubość tarczy hamulcowej [mm] | 22 |
| średnica zewnętrzna [mm] | 284 |
| Liczba otworów | 4 |
| Średnica otworu centrującego [mm] | 59 |
00
000
00000| Oś przednia | |
| Kod towaru | 103440 |
| Producent | KAMOKA |
| Opis | tarcza hamulcowa |
| Strona zabudowy | Oś przednia |
| Typ tarczy hamulcowej | wentylowany |
| Grubość tarczy hamulcowej [mm] | 22 |
| Ø rozmieszczenia otworów [mm] | 98 |
| Liczba otworów | 4 |
| dla numeru OE | 46403088 |
| Wysokość [mm] | 44 |
| Średnica otworu centrującego [mm] | 59 |
| Powierzchnia | pokryty |
| średnica zewnętrzna [mm] | 284 |
00
00000
00000| Kod towaru | DF0004 |
| Producent | MAGNETI MARELLI |
| Opis | tarcza hamulcowa |
| Typ tarczy hamulcowej | wew. wentylowany – wentylowanie skrzydełkami w formie kropli |
| Średnica [mm] | 284 |
| Wysokość [mm] | 43,5 |
| Minimalna grubość [mm] | 20,2 |
| Liczba otworów | 4 |
| Ø rozmieszczenia otworów [mm] | 59 |
| Moment dokręcenia [Nm] | 98 |
| Informacja uzupełniająca | ze śrubami |
| Grubość tarczy hamulcowej [mm] | 22 |
| średnica zewnętrzna [mm] | 284 |
00
00000
00000| Kod towaru | DFX0004 |
| Producent | MAGNETI MARELLI |
| Opis | tarcza hamulcowa |
| Typ tarczy hamulcowej | perforowany / wentylowany wewnętrznie |
| Średnica [mm] | 284 |
| Wysokość [mm] | 43,5 |
| Minimalna grubość [mm] | 20,5 |
| Liczba otworów | 4 |
| Ø rozmieszczenia otworów [mm] | 59 |
| Moment dokręcenia [Nm] | 98 |
| Informacja uzupełniająca | ze śrubami |
| Grubość tarczy hamulcowej [mm] | 22 |
| średnica zewnętrzna [mm] | 284 |
00
00000
00000| Kod towaru | DFM0004 |
| Producent | MAGNETI MARELLI |
| Opis | tarcza hamulcowa |
| Typ tarczy hamulcowej | wew. wentylowany – wentylowanie skrzydełkami w formie kropli |
| Średnica [mm] | 284 |
| Wysokość [mm] | 43,5 |
| Minimalna grubość [mm] | 20,2 |
| Liczba otworów | 4 |
| Ø rozmieszczenia otworów [mm] | 59 |
| Moment dokręcenia [Nm] | 98 |
| Informacja uzupełniająca | ze śrubami |
| Grubość tarczy hamulcowej [mm] | 22 |
| średnica zewnętrzna [mm] | 284 |
00
00000
00000| Kod towaru | MBD0260 |
| Producent | MAGNETI MARELLI |
| Opis | tarcza hamulcowa |
| Typ tarczy hamulcowej | z wentylacją wewnętrzną |
| Średnica [mm] | 284 |
| Wysokość [mm] | 43,5 |
| Minimalna grubość [mm] | 20,2 |
| Liczba otworów | 4 |
| Ø rozmieszczenia otworów [mm] | 59 |
| Moment dokręcenia [Nm] | 98 |
| Grubość tarczy hamulcowej [mm] | 22 |
| średnica zewnętrzna [mm] | 284 |
00
000
00000| Kod towaru | 110.2209.20 ZIM |
| Producent | ZIMMERMANN |
| Opis | tarcza hamulcowa |
| Typ tarczy hamulcowej | z wentylacją wewnętrzną |
| Powierzchnia | pokryty |
| średnica zewnętrzna [mm] | 284 |
| Grubość tarczy hamulcowej [mm] | 22 |
| Wysokość [mm] | 44 |
| Felga, liczba otworów | 4 |
| Ø rozmieszczenia otworów [mm] | 98 |
| Średnica otworu centrującego [mm] | 59 |
| Oznaczenie kontrolne | ECE R90 APPROVED |
| Minimalna grubość [mm] | 20 |
| Ciężar [kg] | 5,90 |
| Wzór otworów/liczba otworów | 6/4 |
00
000
00000| Kod towaru | 110.2209.52 ZIM |
| Producent | ZIMMERMANN |
| Opis | tarcza hamulcowa |
| Typ tarczy hamulcowej | z wentylacją wewnętrzną |
| Typ tarczy hamulcowej | perforowany |
| Powierzchnia | pokryty |
| średnica zewnętrzna [mm] | 284 |
| Grubość tarczy hamulcowej [mm] | 22 |
| Wysokość [mm] | 44 |
| Felga, liczba otworów | 4 |
| Ø rozmieszczenia otworów [mm] | 98 |
| Średnica otworu centrującego [mm] | 59 |
| Oznaczenie kontrolne | KBA 60872 |
| Minimalna grubość [mm] | 20 |
| Ciężar [kg] | 5,90 |
| Wzór otworów/liczba otworów | 6/4 |
00
000
00000| Kod towaru | 23-0369C MET |
| Producent | METELLI |
| Opis | tarcza hamulcowa |
| Oznaczenie kontrolne | ECE-R90 |
| Wysokość [mm] | 43,5 |
| Typ tarczy hamulcowej | wentylowany |
| Grubość tarczy hamulcowej [mm] | 22,0 |
| średnica zewnętrzna [mm] | 284,0 |
| Liczba otworów | 4 |
| Średnica otworu centrującego [mm] | 59,0 |
| Powierzchnia | lakierowany |
00
0000
00000| Oś przednia | |
| Kod towaru | 70 91 8546 |
| Producent | SWAG |
| Opis | tarcza hamulcowa |
| Grubość tarczy hamulcowej [mm] | 22 |
| Felga, liczba otworów | 4 |
| Grubość [mm] | 43,84 |
| średnica zewnętrzna [mm] | 284 |
| Ø rozmieszczenia otworów [mm] | 98 |
| Powierzchnia | pokryty |
| Typ tarczy hamulcowej | z wentylacją wewnętrzną |
| Strona zabudowy | Oś przednia |
| Minimalna grubość [mm] | 20,2 |
| Średnica otworu centrującego [mm] | 59 |
| dla numeru OE | 46455892 |
00
00000
00000| Oś przednia | |
| Kod towaru | 9004482J SAS |
| Producent | SASIC |
| Opis | tarcza hamulcowa |
| Strona zabudowy | Oś przednia |
| Typ tarczy hamulcowej | wentylowany |
| średnica zewnętrzna [mm] | 284 |
| Grubość tarczy hamulcowej [mm] | 22 |
| Wysokość [mm] | 43,4 |
| Ø rozmieszczenia otworów [mm] | 59 |
| Liczba otworów | 4 |
| dla numeru OE | 46455892 |
| Informacja uzupełniająca | bez łożyska koła |
| Zamiana tylko w parach | |
0
0000
00000| Kod towaru | 92053500 TXT |
| Producent | TEXTAR |
| Opis | tarcza hamulcowa |
| Typ tarczy hamulcowej | z wentylacją wewnętrzną |
| średnica zewnętrzna [mm] | 284 |
| Grubość tarczy hamulcowej [mm] | 22 |
| Wysokość [mm] | 43,4 |
| Minimalna grubość [mm] | 20,2 |
| Średnica wewnętrzna [mm] | 127,2 |
| Ø rozmieszczenia otworów [mm] | 98 |
| Średnica otworu centrującego [mm] | 59 |
| Wzór otworów/liczba otworów | 04/06 |
| Średnica otworu szpilki koła [mm] | 13 |
| Informacja uzupełniająca | bez piasty koła |
| Informacja uzupełniająca | bez łożyska koła |
| Informacja uzupełniająca | bez sworznia mocującego koła |
| Długość opakowania [cm] | 29,3 |
| Szerokość opakowania [cm] | 29,3 |
| Wysokość opakowania [cm] | 10,5 |
| Ciężar [kg] | 6,3 |
0
0000
00000| Kod towaru | 92053503 TXT |
| Producent | TEXTAR |
| Opis | tarcza hamulcowa |
| Typ tarczy hamulcowej | z wentylacją wewnętrzną |
| średnica zewnętrzna [mm] | 284 |
| Grubość tarczy hamulcowej [mm] | 22 |
| Wysokość [mm] | 43,4 |
| Minimalna grubość [mm] | 20,2 |
| Powierzchnia | pokryty |
| Średnica wewnętrzna [mm] | 127,2 |
| Ø rozmieszczenia otworów [mm] | 98 |
| Średnica otworu centrującego [mm] | 59 |
| Wzór otworów/liczba otworów | 04/06 |
| Średnica otworu szpilki koła [mm] | 13 |
| Informacja uzupełniająca | bez piasty koła |
| Informacja uzupełniająca | bez łożyska koła |
| Informacja uzupełniająca | bez sworznia mocującego koła |
| Długość opakowania [cm] | 29,3 |
| Szerokość opakowania [cm] | 29,3 |
| Wysokość opakowania [cm] | 10,5 |
| Ciężar [kg] | 6,3 |
0000
00000| Oś przednia | |
| Kod towaru | BS-3161 OPT |
| Producent | OPTIMAL |
| Opis | tarcza hamulcowa |
| Strona zabudowy | Oś przednia |
| Typ tarczy hamulcowej | z wentylacją wewnętrzną |
| Grubość tarczy hamulcowej [mm] | 22 |
| średnica zewnętrzna [mm] | 284 |
| Wysokość [mm] | 43,5 |
| Średnica otworu centrującego [mm] | 59 |
| Minimalna grubość [mm] | 20,2 |
| Wzór otworów/liczba otworów | 4/6 |
0000
00000| Oś przednia | |
| Kod towaru | BS-3161C OPT |
| Producent | OPTIMAL |
| Opis | tarcza hamulcowa |
| Strona zabudowy | Oś przednia |
| Typ tarczy hamulcowej | z wentylacją wewnętrzną |
| Grubość tarczy hamulcowej [mm] | 22 |
| średnica zewnętrzna [mm] | 284 |
| Wysokość [mm] | 43,5 |
| Średnica otworu centrującego [mm] | 59 |
| Powierzchnia | pokryty |
| Informacja uzupełniająca | ze śrubami |
| Minimalna grubość [mm] | 20,2 |
| Wzór otworów/liczba otworów | 4/6 |
00
00000
00000| Kod towaru | DF2566 |
| Producent | TRW |
| Opis | tarcza hamulcowa |
| Typ tarczy hamulcowej | wentylowany |
| średnica zewnętrzna [mm] | 284 |
| Grubość tarczy hamulcowej [mm] | 22 |
| Minimalna grubość [mm] | 20,2 |
| Średnica otworu centrującego [mm] | 59 |
| Wysokość [mm] | 43,5 |
| Liczba otworów | 4 |
| Wymiar gwintu | 13 |
| Ø rozmieszczenia otworów [mm] | 98 |
| Kolor | czarny |
| Powierzchnia | lakierowany |
| Oznaczenie kontrolne | E1 90R-02 C0176/0573 |
0
000
00000| Oś przednia | |
| Kod towaru | TX 70-83 |
| Producent | TOMEX BRAKES |
| Opis | tarcza hamulcowa46403088 |
| Strona zabudowy | Oś przednia |
| Typ tarczy hamulcowej | wentylowany |
| Grubość tarczy hamulcowej [mm] | 22 |
| średnica zewnętrzna [mm] | 284 |
| Wysokość [mm] | 43,5 |
| Liczba otworów | 4 |
| Średnica otworu centrującego [mm] | 59 |
| Ø rozmieszczenia otworów [mm] | 98 |
| Powierzchnia | lakierowany |
| Ciężar [kg] | 12,95 |
| Minimalna grubość [mm] | 20,2 |
000
00000
00000| Kod towaru | VKBD 80306 V2 |
| Producent | SKF |
| Opis | tarcza hamulcowa |
| Typ tarczy hamulcowej | z wentylacją wewnętrzną |
| średnica zewnętrzna [mm] | 284 |
| Grubość tarczy hamulcowej [mm] | 22 |
| Wysokość [mm] | 43,5 |
| Ø rozmieszczenia otworów [mm] | 98 |
| Średnica otworu centrującego [mm] | 59 |
| Liczba otworów | 4 |
| Powierzchnia | pokryty |
| Minimalna grubość [mm] | 20,2 |
| Liczba otworów | 2 |
