00
0000
00000| Oś przednia | |
| Kod towaru | ADB114384 BLP |
| Producent | BLUE PRINT |
| Opis | tarcza hamulcowa |
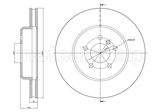
| Grubość tarczy hamulcowej [mm] | 30 |
| Felga, liczba otworów | 5 |
| Liczba otworów do mocowania | 1 |
| Grubość [mm] | 66 |
| średnica zewnętrzna [mm] | 348 |
| Ø rozmieszczenia otworów [mm] | 120 |
| Przetwarzanie | wysoko nawęglany |
| Powierzchnia | pokryty |
| Typ tarczy hamulcowej | z wentylacją wewnętrzną |
| Strona zabudowy | Oś przednia |
| Minimalna grubość [mm] | 28,4 |
| Średnica otworu centrującego [mm] | 75 |
| Ciężar [kg] | 12,0 |
| uwzględnić informację serwisową | |
0
0
00000| Kod towaru | 800-1268C CIF |
| Producent | CIFAM |
| Opis | tarcza hamulcowa |
| Oznaczenie kontrolne | ECE-R90 |
| Wysokość [mm] | 66,1 |
| Typ tarczy hamulcowej | wentylowany |
| Grubość tarczy hamulcowej [mm] | 30,0 |
| średnica zewnętrzna [mm] | 348,0 |
| Liczba otworów | 5 |
| Średnica otworu centrującego [mm] | 75,0 |
| Powierzchnia | lakierowany |
00
00000
00000| Oś przednia | |
| Kod towaru | 105723 FEB |
| Producent | FEBI BILSTEIN |
| Opis | tarcza hamulcowa34116775277 |
| Grubość tarczy hamulcowej [mm] | 30 |
| Felga, liczba otworów | 5 |
| Liczba otworów do mocowania | 1 |
| Grubość [mm] | 66 |
| średnica zewnętrzna [mm] | 348 |
| Ø rozmieszczenia otworów [mm] | 120 |
| Przetwarzanie | wysoko nawęglany |
| Powierzchnia | pokryty |
| Typ tarczy hamulcowej | z wentylacją wewnętrzną |
| Strona zabudowy | Oś przednia |
| Minimalna grubość [mm] | 28,4 |
| Średnica otworu centrującego [mm] | 75 |
| Ciężar [kg] | 12,0 |
| uwzględnić informację serwisową | |
00
000
00000| Kod towaru | 23-1268C MET |
| Producent | METELLI |
| Opis | tarcza hamulcowa |
| Oznaczenie kontrolne | ECE-R90 |
| Wysokość [mm] | 66,1 |
| Typ tarczy hamulcowej | wentylowany |
| Grubość tarczy hamulcowej [mm] | 30,0 |
| średnica zewnętrzna [mm] | 348,0 |
| Liczba otworów | 5 |
| Średnica otworu centrującego [mm] | 75,0 |
| Powierzchnia | lakierowany |
000
00000
00000| Kod towaru | VKBD 80197 V1 |
| Producent | SKF |
| Opis | tarcza hamulcowa |
| Typ tarczy hamulcowej | z wentylacją wewnętrzną |
| średnica zewnętrzna [mm] | 348 |
| Grubość tarczy hamulcowej [mm] | 30 |
| Wysokość [mm] | 66,2 |
| Ø rozmieszczenia otworów [mm] | 120 |
| Średnica otworu centrującego [mm] | 75 |
| Liczba otworów | 5 |
| Powierzchnia | pokryty |
| Minimalna grubość [mm] | 28,4 |
| Liczba otworów | 1 |
0
0000
00000| Oś przednia | |
| Kod towaru | 20 10 5723 |
| Producent | SWAG |
| Opis | tarcza hamulcowa |
| Grubość tarczy hamulcowej [mm] | 30 |
| Felga, liczba otworów | 5 |
| Liczba otworów do mocowania | 1 |
| Grubość [mm] | 66 |
| średnica zewnętrzna [mm] | 348 |
| Ø rozmieszczenia otworów [mm] | 120 |
| Przetwarzanie | wysoko nawęglany |
| Powierzchnia | pokryty |
| Typ tarczy hamulcowej | z wentylacją wewnętrzną |
| Strona zabudowy | Oś przednia |
| Minimalna grubość [mm] | 28,4 |
| Średnica otworu centrującego [mm] | 75 |
| Ciężar [kg] | 12,0 |
0
0000
00000| Kod towaru | 92265725 TXT |
| Producent | TEXTAR |
| Opis | tarcza hamulcowa |
| Typ tarczy hamulcowej | z wentylacją wewnętrzną |
| Typ tarczy hamulcowej | 2-częściowa tarcza hamulcowa |
| średnica zewnętrzna [mm] | 348 |
| Grubość tarczy hamulcowej [mm] | 30 |
| Wysokość [mm] | 66,1 |
| Minimalna grubość [mm] | 28,4 |
| Przetwarzanie | wysoko nawęglany |
| Powierzchnia | pokryty |
| Średnica wewnętrzna [mm] | 186,8 |
| Ø rozmieszczenia otworów [mm] | 120 |
| Średnica otworu centrującego [mm] | 75 |
| Wzór otworów/liczba otworów | 05/06 |
| Średnica otworu szpilki koła [mm] | 16,5 |
| Informacja uzupełniająca | bez piasty koła |
| Informacja uzupełniająca | bez łożyska koła |
| Informacja uzupełniająca | bez sworznia mocującego koła |
| Informacja uzupełniająca | ze śrubami |
| Liczba śrub | 1 |
| Długość opakowania [cm] | 35,8 |
| Szerokość opakowania [cm] | 35,8 |
| Wysokość opakowania [cm] | 8,5 |
| Ciężar [kg] | 10,6 |
0
000
00000| Oś przednia | |
| Kod towaru | 20-80088 VAI |
| Producent | VAICO |
| Opis | tarcza hamulcowa |
| Strona zabudowy | Oś przednia |
| Wysokość piasty tarczy hamulcowej [mm] | 36 |
| Felga, liczba otworów | 5 |
| Wysokość [mm] | 66 |
| Typ tarczy hamulcowej | wentylowany |
| Grubość tarczy hamulcowej [mm] | 30 |
| Minimalna grubość [mm] | 28,4 |
| średnica zewnętrzna [mm] | 348 |
| Średnica otworu centrującego [mm] | 75 |
| Ø rozmieszczenia otworów [mm] | 120 |
