00
0000
00000| Oś przednia | |
| Kod towaru | ADG043145 BLP |
| Producent | BLUE PRINT |
| Opis | tarcza hamulcowa |
| Grubość tarczy hamulcowej [mm] | 28 |
| Felga, liczba otworów | 5 |
| Liczba otworów do mocowania | 2 |
| Grubość [mm] | 54 |
| Średnica zewnętrzna [mm] | 302 |
| Ø rozmieszczenia otworów [mm] | 140 |
| Powierzchnia | pokryty |
| Typ tarczy hamulcowej | z wentylacją wewnętrzną |
| Strona zabudowy | Oś przednia |
| Minimalna grubość [mm] | 26,5 |
| Średnica otworu centrującego [mm] | 96,3 |
| uwzględnić informację serwisową | |
00
0000
00000| Oś przednia | |
| Kod towaru | ADG04390 BLP |
| Producent | BLUE PRINT |
| Opis | tarcza hamulcowa |
| Grubość tarczy hamulcowej [mm] | 28 |
| Felga, liczba otworów | 5 |
| Liczba otworów do mocowania | 2 |
| Grubość [mm] | 54 |
| Średnica zewnętrzna [mm] | 302 |
| Ø rozmieszczenia otworów [mm] | 140 |
| Powierzchnia | pokryty |
| Typ tarczy hamulcowej | z wentylacją wewnętrzną |
| Strona zabudowy | Oś przednia |
| Minimalna grubość [mm] | 26 |
| Średnica otworu centrującego [mm] | 96 |
| uwzględnić informację serwisową | |
0
0
00000| Kod towaru | 800-776C CIF |
| Producent | CIFAM |
| Opis | tarcza hamulcowa |
| Oznaczenie kontrolne | ECE-R90 |
| Wysokość [mm] | 54,5 |
| Typ tarczy hamulcowej | wentylowany |
| Grubość tarczy hamulcowej [mm] | 28,0 |
| Średnica zewnętrzna [mm] | 302,0 |
| Liczba otworów | 5 |
| Średnica otworu centrującego [mm] | 96,2 |
| Powierzchnia | lakierowany |
00
00000
00000| Oś przednia | |
| Kod towaru | 108452 FEB |
| Producent | FEBI BILSTEIN |
| Opis | tarcza hamulcowa517123E000 |
| Grubość tarczy hamulcowej [mm] | 28 |
| Felga, liczba otworów | 5 |
| Liczba otworów do mocowania | 2 |
| Grubość [mm] | 54 |
| Średnica zewnętrzna [mm] | 302 |
| Ø rozmieszczenia otworów [mm] | 139,7 |
| Powierzchnia | pokryty |
| Typ tarczy hamulcowej | z wentylacją wewnętrzną |
| Strona zabudowy | Oś przednia |
| Minimalna grubość [mm] | 26 |
| Średnica otworu centrującego [mm] | 96 |
| uwzględnić informację serwisową | |
00
000
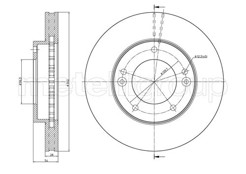
00000| Kod towaru | 23-0776C MET |
| Producent | METELLI |
| Opis | tarcza hamulcowa |
| Oznaczenie kontrolne | ECE-R90 |
| Wysokość [mm] | 54,5 |
| Typ tarczy hamulcowej | wentylowany |
| Grubość tarczy hamulcowej [mm] | 28,0 |
| Średnica zewnętrzna [mm] | 302,0 |
| Liczba otworów | 5 |
| Średnica otworu centrującego [mm] | 96,2 |
| Powierzchnia | lakierowany |
0
0000
00000| Oś przednia | |
| Kod towaru | 33 10 6962 |
| Producent | SWAG |
| Opis | tarcza hamulcowa |
| Grubość tarczy hamulcowej [mm] | 28 |
| Felga, liczba otworów | 5 |
| Liczba otworów do mocowania | 2 |
| Grubość [mm] | 54 |
| Średnica zewnętrzna [mm] | 302 |
| Ø rozmieszczenia otworów [mm] | 139,7 |
| Powierzchnia | pokryty |
| Typ tarczy hamulcowej | z wentylacją wewnętrzną |
| Strona zabudowy | Oś przednia |
| Minimalna grubość [mm] | 26 |
| Średnica otworu centrującego [mm] | 96 |
