00
00000| Oś przednia | |
| Kod towaru | 16-155210001 MEY |
| Producent | MEYLE |
| Opis | tarcza hamulcowaMEYLE 7700802232 tarcza hamulcowa P RENAULT LAGUNA,MEGANE,SAFRANE 92- |
| Strona zabudowy | Oś przednia |
| Średnica zewnętrzna [mm] | 262 |
| Wysokość [mm] | 44 |
| Grubość tarczy hamulcowej [mm] | 22 |
| Minimalna grubość [mm] | 19,8 |
| Średnica otworu centrującego [mm] | 61 |
| Ø rozmieszczenia otworów [mm] | 100 |
| Średnica otworu szpilki koła [mm] | 13,5 |
| Liczba otworów | 4 |
| Typ tarczy hamulcowej | wentylowany |
| wymagana liczba | 2 |
0
02000| Kod towaru | 16217 ABS |
| Producent | A.B.S. |
| Opis | tarcza hamulcowa |
| Średnica zewnętrzna [mm] | 262 |
| Grubość tarczy hamulcowej [mm] | 22 |
| Minimalna grubość [mm] | 19,8 |
| Wysokość [mm] | 44 |
| Felga, liczba otworów | 4 |
| Typ tarczy hamulcowej | wentylowany |
| Średnica otworu centrującego [mm] | 61 |
| Ø rozmieszczenia otworów [mm] | 100 |
| Średnica piasty [mm] | 143 |
00
00000
00000| Kod towaru | 24.0122-0148.1 |
| Producent | ATE |
| Opis | tarcza hamulcowa |
| Średnica zewnętrzna [mm] | 262,0 |
| Grubość tarczy hamulcowej [mm] | 22,0 |
| Minimalna grubość [mm] | 19,8 |
| Typ tarczy hamulcowej | wentylowany |
| Przetwarzanie | stopowy / wysoko nawęglany |
| Powierzchnia | pokryty |
| Liczba otworów | 4 |
| Informacja uzupełniająca | ze śrubami |
| Dostępne MAPP-Code | |
| Ø rozmieszczenia otworów [mm] | 100,0 |
| Wysokość [mm] | 44,0 |
| Średnica otworu centrującego [mm] | 61,0 |
| Średnica wewnętrzna [mm] | 132,0 |
| Średnica otworu [mm] | 13,5 |
| Oznaczenie kontrolne | E1 90R-02C0115/0182 |
00
00000
00000| Oś przednia | |
| Kod towaru | 4004273J SAS |
| Producent | SASIC |
| Opis | tarcza hamulcowaTARCZA HAM. RENAULT P. LAGUNA/SAFRANE 2XSZTUKI |
| Strona zabudowy | Oś przednia |
| Typ tarczy hamulcowej | wentylowany |
| Średnica zewnętrzna [mm] | 262 |
| Grubość tarczy hamulcowej [mm] | 22 |
| Wysokość [mm] | 44 |
| Ø rozmieszczenia otworów [mm] | 61 |
| Liczba otworów | 4 |
| dla numeru OE | 7701205840 |
| Informacja uzupełniająca | bez łożyska koła |
| Zamiana tylko w parach | |
0
00000| Kod towaru | BDC4338 QH |
| Producent | QUINTON HAZELL |
| Opis | tarcza hamulcowa- |
| Typ tarczy hamulcowej | wentylowany |
| Średnica zewnętrzna [mm] | 262 |
| Grubość tarczy hamulcowej [mm] | 22 |
| Minimalna grubość [mm] | 20 |
| Wysokość [mm] | 44 |
| Średnica otworu centrującego [mm] | 61 |
| Ø rozmieszczenia otworów [mm] | 100 |
| Liczba otworów | 4 |
0
00000| Kod towaru | R1321V SAM |
| Producent | SAMKO |
| Opis | tarcza hamulcowaWENTYLOWANA PRZÓD |
| Wysokość [mm] | 44 |
| Typ tarczy hamulcowej | z wentylacją wewnętrzną |
| Grubość tarczy hamulcowej [mm] | 22 |
| Minimalna grubość [mm] | 19,8 |
| Średnica zewnętrzna [mm] | 262 |
| Liczba otworów | 4 |
| Średnica otworu centrującego [mm] | 61 |

00
00000
00000| Kod towaru | DF1032 |
| Producent | TRW |
| Opis |
00
000
00000| Oś przednia | |
| Kod towaru | 60-00-0709C ASH |
| Producent | ASHIKA |
| Opis | tarcza hamulcowa |
| Średnica zewnętrzna [mm] | 262 |
| Wysokość [mm] | 44 |
| Typ tarczy hamulcowej | wentylowany |
| Grubość tarczy hamulcowej [mm] | 22 |
| Minimalna grubość [mm] | 19,8 |
| Liczba otworów | 4 |
| Powierzchnia | lakierowany |
| Strona zabudowy | Oś przednia |
| Moment dokręcenia [Nm] | 110 |
| dla numeru OE | 7701205840 |
00
0000
00000| Oś przednia | |
| Kod towaru | ADR164329 BLP |
| Producent | BLUE PRINT |
| Opis | tarcza hamulcowa |
| Grubość tarczy hamulcowej [mm] | 22 |
| Felga, liczba otworów | 4 |
| Liczba otworów do mocowania | 2 |
| Grubość [mm] | 44 |
| Średnica zewnętrzna [mm] | 262 |
| Ø rozmieszczenia otworów [mm] | 100 |
| Powierzchnia | pokryty |
| Typ tarczy hamulcowej | z wentylacją wewnętrzną |
| Strona zabudowy | Oś przednia |
| Minimalna grubość [mm] | 19,8 |
| Średnica otworu centrującego [mm] | 61 |
| uwzględnić informację serwisową | |
000
000
00000| Kod towaru | 09.7292.34 |
| Producent | BREMBO |
| Opis | tarcza hamulcowa |
| Typ tarczy hamulcowej | z wentylacją wewnętrzną |
| Grubość tarczy hamulcowej [mm] | 22 |
| Liczba otworów | 4 |
| Informacja uzupełniająca | ze śrubami |
| Wysokość [mm] | 44 |
| Średnica otworu centrującego [mm] | 61 |
| Średnica zewnętrzna [mm] | 262 |
| Minimalna grubość [mm] | 19,8 |
| Moment dokręcenia [Nm] | 110 |
000
000
00000| Kod towaru | 09.7292.77 |
| Producent | BREMBO |
| Opis | tarcza hamulcowa |
| Typ tarczy hamulcowej | z wentylacją wewnętrzną |
| Typ tarczy hamulcowej | szczelinowy |
| Grubość tarczy hamulcowej [mm] | 22 |
| Liczba otworów | 4 |
| Informacja uzupełniająca | ze śrubami |
| Wysokość [mm] | 44 |
| Średnica otworu centrującego [mm] | 61 |
| Średnica zewnętrzna [mm] | 262 |
| Powierzchnia | pokryty |
| Minimalna grubość [mm] | 19,8 |
| Moment dokręcenia [Nm] | 110 |
0
0
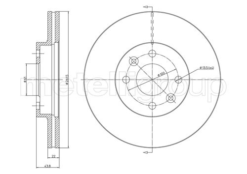
00000| Kod towaru | 800-550C CIF |
| Producent | CIFAM |
| Opis | tarcza hamulcowa(262x22mm) RENAULT LAGUNA (B56_, 556_) 11/93-03/01 MEGANE Scenic (JA0/1_) 01/97-09/99 LAGUNA Grandtour (K56_) 09/95-03/01 |
| Oznaczenie kontrolne | ECE-R90 |
| Wysokość [mm] | 44,0 |
| Typ tarczy hamulcowej | wentylowany |
| Grubość tarczy hamulcowej [mm] | 22,0 |
| Średnica zewnętrzna [mm] | 262,0 |
| Liczba otworów | 4 |
| Średnica otworu centrującego [mm] | 61,0 |
| Powierzchnia | lakierowany |
000
0000
00000| Kod towaru | BG2693 |
| Producent | DELPHI |
| Opis | tarcza hamulcowaLAGUNA 95-01 TYŁ |
| Typ tarczy hamulcowej | wentylowany |
| Liczba otworów | 4 |
| Oznaczenie kontrolne | E1 90R-02C0074/1600 |
| Powierzchnia | naoliwione |
| Średnica zewnętrzna [mm] | 262 |
| Grubość tarczy hamulcowej [mm] | 22 |
| Minimalna grubość [mm] | 19,8 |
| Średnica otworu centrującego [mm] | 61 |
| Wysokość [mm] | 44 |
00
00000
00000| Oś przednia | |
| Kod towaru | 19925 FEB |
| Producent | FEBI BILSTEIN |
| Opis | tarcza hamulcowa |
| Grubość tarczy hamulcowej [mm] | 22 |
| Felga, liczba otworów | 4 |
| Liczba otworów do mocowania | 2 |
| Grubość [mm] | 44 |
| Średnica zewnętrzna [mm] | 262 |
| Ø rozmieszczenia otworów [mm] | 100 |
| Powierzchnia | pokryty |
| Typ tarczy hamulcowej | z wentylacją wewnętrzną |
| Strona zabudowy | Oś przednia |
| Minimalna grubość [mm] | 19,8 |
| Średnica otworu centrującego [mm] | 61 |
| uwzględnić informację serwisową | |
00
000
00000| Kod towaru | 8DD 355 127-141 |
| Producent | HELLA |
| Opis | tarcza hamulcowa |
| Typ tarczy hamulcowej | z wentylacją wewnętrzną |
| Średnica zewnętrzna [mm] | 262 |
| Grubość tarczy hamulcowej [mm] | 22 |
| Wysokość [mm] | 44 |
| Minimalna grubość [mm] | 19,8 |
| Przetwarzanie | wysoko nawęglany |
| Powierzchnia | pokryty |
| Średnica wewnętrzna [mm] | 132 |
| Ø rozmieszczenia otworów [mm] | 100 |
| Średnica otworu centrującego [mm] | 61 |
| Wzór otworów/liczba otworów | 04/06 |
| Średnica otworu szpilki koła [mm] | 13,7 |
| Informacja uzupełniająca | bez piasty koła |
| Informacja uzupełniająca | bez łożyska koła |
| Informacja uzupełniająca | bez sworznia mocującego koła |
| Ciężar [kg] | 6 |
| Montaż/demontaż koniecznie do wykonania przez fachowców! |
00
00000| Kod towaru | B130038 |
| Producent | DENCKERMANN |
| Opis | tarcza hamulcowa |
| Minimalna grubość [mm] | 19,8 |
| Typ tarczy hamulcowej | wentylowany |
| Średnica otworu [mm] | 13,5 |
| Grubość tarczy hamulcowej [mm] | 22 |
| Ø rozmieszczenia otworów [mm] | 100 |
| Liczba otworów | 4 |
| Średnica wewnętrzna [mm] | 132 |
| Wysokość [mm] | 44 |
| Średnica otworu centrującego [mm] | 61 |
| Średnica zewnętrzna [mm] | 262 |
| Rozporządzenie UE w sprawie bezpieczeństwa produktów (GPSR) | IEC 60417-6183 wymagana specjalistyczna wiedza mechaniczna |
00000| Kod towaru | DDF1006 FER |
| Producent | FERODO |
| Opis | tarcza hamulcowa |
| Typ tarczy hamulcowej | wentylowany |
| Średnica zewnętrzna [mm] | 262 |
| Grubość tarczy hamulcowej [mm] | 22 |
| Informacja uzupełniająca | ze śrubami |
| Wysokość [mm] | 44 |
| Ø rozmieszczenia otworów [mm] | 100 |
| Średnica otworu centrującego [mm] | 61 |
| Liczba otworów | 4 |
| Jednostka ilości | Zestaw |
| Powierzchnia | naoliwione |
| Oznaczenie kontrolne | R90 homologated |
| Ciężar [kg] | 12,12 |
| Minimalna grubość [mm] | 19,8 |
| Moment dokręcenia [Nm] | 110 |
| Rodzaj połączenia | Pudełko |
| Długość opakowania [cm] | 25,5 |
| Szerokość opakowania [cm] | 25,5 |
| Wysokość opakowania [cm] | 8,5 |
00000| Kod towaru | DDF1006C FER |
| Producent | FERODO |
| Opis | tarcza hamulcowa |
| Typ tarczy hamulcowej | wentylowany |
| Średnica zewnętrzna [mm] | 262 |
| Grubość tarczy hamulcowej [mm] | 22 |
| Informacja uzupełniająca | ze śrubami |
| Wysokość [mm] | 44 |
| Średnica otworu centrującego [mm] | 61 |
| Liczba otworów | 4 |
| Jednostka ilości | Zestaw |
| Powierzchnia | pokryty |
| Oznaczenie kontrolne | R90 Homologated |
| Ciężar [kg] | 6,06 |
| Minimalna grubość [mm] | 19,8 |
| Moment dokręcenia [Nm] | 110 |
| Długość opakowania [cm] | 25,5 |
| Szerokość opakowania [cm] | 25,5 |
| Wysokość opakowania [cm] | 8,5 |
0
00
00000| Oś przednia, Oś przednia, z lewej, Oś przednia, z prawej | |
| Kod towaru | GH-403934 |
| Producent | GH |
| Opis | tarcza hamulcowaRENAULT LAGUNA I 1993-2001, MEGANE SCENIC 1997-1999, SAFRANE [262*44*22-4V] |
| Strona zabudowy | Oś przednia |
| Strona zabudowy | Oś przednia, z prawej |
| Strona zabudowy | Oś przednia, z lewej |
| Grubość tarczy hamulcowej [mm] | 22 |
| Liczba otworów | 4 |
| Ø rozmieszczenia otworów [mm] | 100 |
| Średnica otworu centrującego [mm] | 61 |
| Średnica zewnętrzna [mm] | 262 |
| Typ tarczy hamulcowej | wentylowany |
| Wymiar gwintu | 12,8 |
| Wysokość [mm] | 44 |
0
00
00000| Oś przednia, Oś przednia, z lewej, Oś przednia, z prawej | |
| Kod towaru | GH-403955 |
| Producent | GH |
| Opis | tarcza hamulcowaRENAULT LAGUNA 1993-2001, MEGANE 1996-, MEGANE SCENIC 1997-1999 [280*44*24-4V] |
| Strona zabudowy | Oś przednia |
| Strona zabudowy | Oś przednia, z prawej |
| Strona zabudowy | Oś przednia, z lewej |
| Grubość tarczy hamulcowej [mm] | 24 |
| Liczba otworów | 4 |
| Ø rozmieszczenia otworów [mm] | 100 |
| Średnica otworu centrującego [mm] | 61 |
| Średnica zewnętrzna [mm] | 280 |
| Typ tarczy hamulcowej | wentylowany |
| Wymiar gwintu | 13,5 |
| Wysokość [mm] | 44 |
00000| Kod towaru | R1321V LPR |
| Producent | LPR |
| Opis | tarcza hamulcowa |
| Wysokość [mm] | 44 |
| Typ tarczy hamulcowej | z wentylacją wewnętrzną |
| Grubość tarczy hamulcowej [mm] | 22 |
| Minimalna grubość [mm] | 19,8 |
| Średnica zewnętrzna [mm] | 262 |
| Liczba otworów | 4 |
| Średnica otworu centrującego [mm] | 61 |
00
000
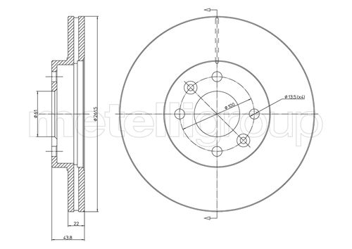
00000| Kod towaru | 23-0550C MET |
| Producent | METELLI |
| Opis | tarcza hamulcowa |
| Oznaczenie kontrolne | ECE-R90 |
| Wysokość [mm] | 44,0 |
| Typ tarczy hamulcowej | wentylowany |
| Grubość tarczy hamulcowej [mm] | 22,0 |
| Średnica zewnętrzna [mm] | 262,0 |
| Liczba otworów | 4 |
| Średnica otworu centrującego [mm] | 61,0 |
| Powierzchnia | lakierowany |
0
000
00000| Oś przednia | |
| Kod towaru | 46-80005 VAI |
| Producent | VAICO |
| Opis | tarcza hamulcowa |
| Felga, liczba otworów | 4 |
| Wysokość [mm] | 44 |
| Typ tarczy hamulcowej | wentylowany |
| Grubość tarczy hamulcowej [mm] | 22 |
| Minimalna grubość [mm] | 19,8 |
| Średnica zewnętrzna [mm] | 262 |
| Średnica otworu centrującego [mm] | 61 |
| Ø rozmieszczenia otworów [mm] | 100 |
| Wysokość piasty tarczy hamulcowej [mm] | 22 |
| Strona zabudowy | Oś przednia |
0
000
00000| Oś przednia | |
| Kod towaru | 46-80007 VAI |
| Producent | VAICO |
| Opis | tarcza hamulcowa |
| Strona zabudowy | Oś przednia |
| Felga, liczba otworów | 5 |
| Wysokość [mm] | 44 |
| Typ tarczy hamulcowej | wentylowany |
| Grubość tarczy hamulcowej [mm] | 24 |
| Minimalna grubość [mm] | 21,8 |
| Średnica zewnętrzna [mm] | 280 |
| Średnica otworu centrującego [mm] | 61 |
| Ø rozmieszczenia otworów [mm] | 108 |
| Wysokość piasty tarczy hamulcowej [mm] | 20 |
00
0000
00000| Oś przednia | |
| Kod towaru | 60 91 9925 |
| Producent | SWAG |
| Opis | tarcza hamulcowa |
| Grubość tarczy hamulcowej [mm] | 22 |
| Felga, liczba otworów | 4 |
| Liczba otworów do mocowania | 2 |
| Grubość [mm] | 44 |
| Średnica zewnętrzna [mm] | 262 |
| Ø rozmieszczenia otworów [mm] | 100 |
| Powierzchnia | pokryty |
| Typ tarczy hamulcowej | z wentylacją wewnętrzną |
| Strona zabudowy | Oś przednia |
| Minimalna grubość [mm] | 19,8 |
| Średnica otworu centrującego [mm] | 61 |
0
0000
00000| Kod towaru | 92064803 TXT |
| Producent | TEXTAR |
| Opis | tarcza hamulcowa |
| Typ tarczy hamulcowej | z wentylacją wewnętrzną |
| Średnica zewnętrzna [mm] | 262 |
| Grubość tarczy hamulcowej [mm] | 22 |
| Wysokość [mm] | 44 |
| Minimalna grubość [mm] | 19,8 |
| Powierzchnia | pokryty |
| Średnica wewnętrzna [mm] | 132 |
| Ø rozmieszczenia otworów [mm] | 100 |
| Średnica otworu centrującego [mm] | 61 |
| Wzór otworów/liczba otworów | 04/06 |
| Średnica otworu szpilki koła [mm] | 13,7 |
| Informacja uzupełniająca | bez piasty koła |
| Informacja uzupełniająca | bez łożyska koła |
| Informacja uzupełniająca | bez sworznia mocującego koła |
| Długość opakowania [cm] | 27,8 |
| Szerokość opakowania [cm] | 27,8 |
| Wysokość opakowania [cm] | 10,5 |
| Ciężar [kg] | 6 |
0000
00000| Oś przednia | |
| Kod towaru | BS-2270C OPT |
| Producent | OPTIMAL |
| Opis | tarcza hamulcowa |
| Strona zabudowy | Oś przednia |
| Typ tarczy hamulcowej | z wentylacją wewnętrzną |
| Grubość tarczy hamulcowej [mm] | 22 |
| Średnica zewnętrzna [mm] | 262 |
| Wysokość [mm] | 44 |
| Średnica otworu centrującego [mm] | 61 |
| Powierzchnia | pokryty |
| Informacja uzupełniająca | ze śrubami |
| Minimalna grubość [mm] | 19,8 |
| Wzór otworów/liczba otworów | 4/6 |
00
00000
00000| Kod towaru | DF0433 |
| Producent | MAGNETI MARELLI |
| Opis | tarcza hamulcowa |
| Typ tarczy hamulcowej | z wentylacją wewnętrzną |
| Średnica [mm] | 262 |
| Wysokość [mm] | 44 |
| Minimalna grubość [mm] | 19,8 |
| Liczba otworów | 4 |
| Ø rozmieszczenia otworów [mm] | 61 |
| Moment dokręcenia [Nm] | 110 |
| Informacja uzupełniająca | ze śrubami |
| Grubość tarczy hamulcowej [mm] | 22 |
| Średnica zewnętrzna [mm] | 262 |
00
00000
00000| Kod towaru | MBD0338 |
| Producent | MAGNETI MARELLI |
| Opis | tarcza hamulcowa |
| Typ tarczy hamulcowej | z wentylacją wewnętrzną |
| Średnica [mm] | 262 |
| Wysokość [mm] | 44 |
| Minimalna grubość [mm] | 19,8 |
| Liczba otworów | 4 |
| Ø rozmieszczenia otworów [mm] | 61 |
| Moment dokręcenia [Nm] | 110 |
| Grubość tarczy hamulcowej [mm] | 22 |
| Średnica zewnętrzna [mm] | 262 |
00000| Kod towaru | VKBD 80566 V2 |
| Producent | SKF |
| Opis | tarcza hamulcowa |
| Typ tarczy hamulcowej | z wentylacją wewnętrzną |
| Średnica zewnętrzna [mm] | 262 |
| Grubość tarczy hamulcowej [mm] | 22 |
| Wysokość [mm] | 44 |
| Ø rozmieszczenia otworów [mm] | 100 |
| Średnica otworu centrującego [mm] | 61 |
| Liczba otworów | 4 |
| Powierzchnia | pokryty |
| Minimalna grubość [mm] | 19,8 |
| Liczba otworów | 2 |
