0
00000| Kod towaru | 18407 ABS |
| Producent | A.B.S. |
| Opis | tarcza hamulcowa |
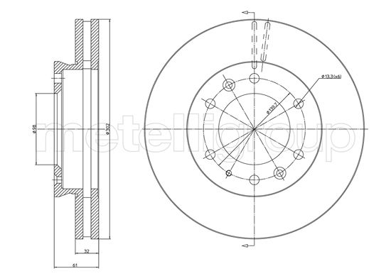
| Średnica zewnętrzna [mm] | 302 |
| Grubość tarczy hamulcowej [mm] | 32 |
| Minimalna grubość [mm] | 30 |
| Wysokość [mm] | 61 |
| Felga, liczba otworów | 6 |
| Typ tarczy hamulcowej | wentylowany |
| Średnica otworu centrującego [mm] | 98 |
| Ø rozmieszczenia otworów [mm] | 139,7 |
| Powierzchnia | pokryty |
| Średnica piasty [mm] | 187 |
00
000
00000| Oś przednia | |
| Kod towaru | 60-03-364C ASH |
| Producent | ASHIKA |
| Opis | tarcza hamulcowa |
| Strona zabudowy | Oś przednia |
| Ø rozmieszczenia otworów [mm] | 98 |
| Wysokość [mm] | 61 |
| Średnica zewnętrzna [mm] | 302 |
| Grubość tarczy hamulcowej [mm] | 32 |
| Minimalna grubość [mm] | 30 |
| Liczba otworów | 6 |
| Typ tarczy hamulcowej | wentylowany |
| Oznaczenie kontrolne | ECE R90 APPROVED |
| Powierzchnia | lakierowany |
| dla numeru OE | UC2B33251B |
00
00000
00000| Kod towaru | 24.0132-0176.1 |
| Producent | ATE |
| Opis | tarcza hamulcowa |
| Średnica zewnętrzna [mm] | 302,0 |
| Grubość tarczy hamulcowej [mm] | 32,0 |
| Minimalna grubość [mm] | 30,0 |
| Typ tarczy hamulcowej | wentylowany |
| Powierzchnia | pokryty |
| Liczba otworów | 6 |
| Ø rozmieszczenia otworów [mm] | 140,0 |
| Wysokość [mm] | 61,0 |
| Średnica otworu centrującego [mm] | 98,0 |
| Średnica wewnętrzna [mm] | 164,0 |
| Średnica otworu [mm] | 13,2 |
| Dostępne MAPP-Code | |
| Oznaczenie kontrolne | E1 90R-02C0115/0870 |
00
0000
00000| Oś przednia | |
| Kod towaru | ADM543125 BLP |
| Producent | BLUE PRINT |
| Opis | tarcza hamulcowa |
| Grubość tarczy hamulcowej [mm] | 32 |
| Felga, liczba otworów | 6 |
| Liczba otworów do mocowania | 2 |
| Grubość [mm] | 61 |
| Średnica zewnętrzna [mm] | 302 |
| Ø rozmieszczenia otworów [mm] | 140 |
| Powierzchnia | pokryty |
| Typ tarczy hamulcowej | z wentylacją wewnętrzną |
| Strona zabudowy | Oś przednia |
| Minimalna grubość [mm] | 30 |
| Średnica otworu centrującego [mm] | 98 |
| uwzględnić informację serwisową | |
00
00000
00000| Oś przednia | |
| Kod towaru | 170039 FEB |
| Producent | FEBI BILSTEIN |
| Opis | tarcza hamulcowa(302x32mm) |
| Grubość tarczy hamulcowej [mm] | 32 |
| Felga, liczba otworów | 6 |
| Liczba otworów do mocowania | 2 |
| Grubość [mm] | 61 |
| Średnica zewnętrzna [mm] | 302 |
| Ø rozmieszczenia otworów [mm] | 139,7 |
| Powierzchnia | pokryty |
| Typ tarczy hamulcowej | z wentylacją wewnętrzną |
| Strona zabudowy | Oś przednia |
| Minimalna grubość [mm] | 30 |
| Średnica otworu centrującego [mm] | 98 |
| uwzględnić informację serwisową | |
00
000
00000| Kod towaru | 8DD 355 119-211 |
| Producent | HELLA |
| Opis | tarcza hamulcowa |
| Typ tarczy hamulcowej | z wentylacją wewnętrzną |
| Średnica zewnętrzna [mm] | 302 |
| Grubość tarczy hamulcowej [mm] | 32 |
| Wysokość [mm] | 61 |
| Minimalna grubość [mm] | 30 |
| Powierzchnia | pokryty |
| Średnica wewnętrzna [mm] | 164 |
| Ø rozmieszczenia otworów [mm] | 139,7 |
| Średnica otworu centrującego [mm] | 98 |
| Wzór otworów/liczba otworów | 06/09 |
| Średnica otworu szpilki koła [mm] | 13,2 |
| Informacja uzupełniająca | bez piasty koła |
| Informacja uzupełniająca | bez łożyska koła |
| Informacja uzupełniająca | bez sworznia mocującego koła |
| Ciężar [kg] | 10,5 |
| Montaż/demontaż koniecznie do wykonania przez fachowców! |
00
000
00000| Kod towaru | 23-1669C MET |
| Producent | METELLI |
| Opis | tarcza hamulcowa |
| Oznaczenie kontrolne | ECE-R90 |
| Wysokość [mm] | 61,0 |
| Typ tarczy hamulcowej | wentylowany |
| Grubość tarczy hamulcowej [mm] | 32,0 |
| Średnica zewnętrzna [mm] | 302,0 |
| Liczba otworów | 6 |
| Średnica otworu centrującego [mm] | 98,0 |
| Powierzchnia | lakierowany |
0000
00000| Oś przednia | |
| Kod towaru | BS-9598C OPT |
| Producent | OPTIMAL |
| Opis | tarcza hamulcowa |
| Strona zabudowy | Oś przednia |
| Typ tarczy hamulcowej | wentylowany |
| Grubość tarczy hamulcowej [mm] | 32 |
| Średnica zewnętrzna [mm] | 302 |
| Wysokość [mm] | 61 |
| Średnica otworu centrującego [mm] | 98 |
| Powierzchnia | pokryty |
| Średnica otworu [mm] | 13,2 |
| Minimalna grubość [mm] | 30 |
| Wzór otworów/liczba otworów | 6/9 |
00
0000
00000| Oś przednia | |
| Kod towaru | 32 10 0015 |
| Producent | SWAG |
| Opis | tarcza hamulcowa |
| Grubość tarczy hamulcowej [mm] | 32 |
| Felga, liczba otworów | 6 |
| Liczba otworów do mocowania | 2 |
| Grubość [mm] | 61 |
| Średnica zewnętrzna [mm] | 302 |
| Ø rozmieszczenia otworów [mm] | 139,7 |
| Powierzchnia | pokryty |
| Typ tarczy hamulcowej | z wentylacją wewnętrzną |
| Strona zabudowy | Oś przednia |
| Minimalna grubość [mm] | 30 |
| Średnica otworu centrującego [mm] | 98 |
0
0000
00000| Kod towaru | 92253403 TXT |
| Producent | TEXTAR |
| Opis | tarcza hamulcowa |
| Typ tarczy hamulcowej | z wentylacją wewnętrzną |
| Średnica zewnętrzna [mm] | 302 |
| Grubość tarczy hamulcowej [mm] | 32 |
| Wysokość [mm] | 61 |
| Minimalna grubość [mm] | 30 |
| Powierzchnia | pokryty |
| Średnica wewnętrzna [mm] | 164 |
| Ø rozmieszczenia otworów [mm] | 139,7 |
| Średnica otworu centrującego [mm] | 98 |
| Wzór otworów/liczba otworów | 06/09 |
| Średnica otworu szpilki koła [mm] | 13,2 |
| Informacja uzupełniająca | bez piasty koła |
| Informacja uzupełniająca | bez łożyska koła |
| Informacja uzupełniająca | bez sworznia mocującego koła |
| Długość opakowania [cm] | 31,3 |
| Szerokość opakowania [cm] | 31,3 |
| Wysokość opakowania [cm] | 10 |
| Ciężar [kg] | 10,5 |
00
00000| Oś przednia | |
| Kod towaru | 305185 HP |
| Producent | TOPRAN |
| Opis | tarcza hamulcowa |
| Strona zabudowy | Oś przednia |
| Typ tarczy hamulcowej | wentylowany |
| Powierzchnia | pokryty |
| Średnica zewnętrzna [mm] | 302 |
| Wysokość [mm] | 61 |
| Średnica otworu centrującego [mm] | 98 |
| Felga, liczba otworów | 6 |
| Ø rozmieszczenia otworów [mm] | 139,7 |
| Grubość tarczy hamulcowej [mm] | 32 |
| Średnica piasty [mm] | 185 |
| Zamiana tylko w parach | |
00
00000
00000| Kod towaru | DF6812S |
| Producent | TRW |
| Opis | tarcza hamulcowa(302x32mm) |
| Typ tarczy hamulcowej | wentylowany |
| Liczba otworów | 6 |
| Średnica zewnętrzna [mm] | 302 |
| Średnica otworu centrującego [mm] | 98 |
| Wysokość [mm] | 61 |
| Grubość tarczy hamulcowej [mm] | 32 |
