00
00000
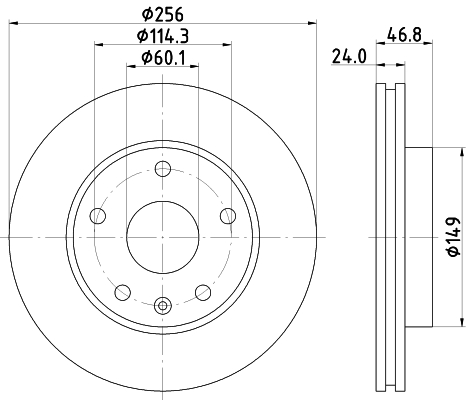
00000| Kod towaru | DF6441 |
| Producent | TRW |
| Opis | tarcza hamulcowa |
| Typ tarczy hamulcowej | wentylowany |
| Liczba otworów | 5 |
| średnica zewnętrzna [mm] | 256 |
| Średnica otworu centrującego [mm] | 60 |
| Wysokość [mm] | 46,8 |
| Grubość tarczy hamulcowej [mm] | 24 |
| Minimalna grubość [mm] | 22,4 |
| Ø rozmieszczenia otworów [mm] | 114,3 |
| Kolor | czarny |
| Powierzchnia | lakierowany |
| Oznaczenie kontrolne | E1 90R-02 C0176/0531 |
00
000
00000| Oś przednia | |
| Kod towaru | 60-0W-008C ASH |
| Producent | ASHIKA |
| Opis | tarcza hamulcowa |
| Strona zabudowy | Oś przednia |
| Ø rozmieszczenia otworów [mm] | 60 |
| Wysokość [mm] | 47,4 |
| średnica zewnętrzna [mm] | 255,7 |
| Grubość tarczy hamulcowej [mm] | 23,9 |
| Minimalna grubość [mm] | 22 |
| Liczba otworów | 5 |
| Typ tarczy hamulcowej | wentylowany |
| Oznaczenie kontrolne | ECE R90 APPROVED |
| Powierzchnia | lakierowany |
| dla numeru OE | 96238673 |
000
0000
00000| Kod towaru | BG3531 |
| Producent | DELPHI |
| Opis | tarcza hamulcowaLEGANZA/CHEVROLET EVANDA |
| Typ tarczy hamulcowej | wentylowany |
| Liczba otworów | 5 |
| Oznaczenie kontrolne | E1 90R-02C0074/1561 |
| Powierzchnia | naoliwione |
| średnica zewnętrzna [mm] | 256 |
| Grubość tarczy hamulcowej [mm] | 24 |
| Minimalna grubość [mm] | 22,4 |
| Średnica otworu centrującego [mm] | 60 |
| Wysokość [mm] | 47 |
00000| Kod towaru | DDF1192 FER |
| Producent | FERODO |
| Opis | tarcza hamulcowa |
| Typ tarczy hamulcowej | wentylowany |
| średnica zewnętrzna [mm] | 256 |
| Grubość tarczy hamulcowej [mm] | 24 |
| Informacja uzupełniająca | ze śrubami |
| Wysokość [mm] | 47 |
| Średnica otworu centrującego [mm] | 60 |
| Liczba otworów | 5 |
| Jednostka ilości | Zestaw |
| Powierzchnia | naoliwione |
| Oznaczenie kontrolne | R90 homologated |
| Ciężar [kg] | 10,92 |
| Minimalna grubość [mm] | 22 |
| Rodzaj połączenia | Pudełko |
| Długość opakowania [cm] | 25,7 |
| Szerokość opakowania [cm] | 25,7 |
| Wysokość opakowania [cm] | 7,8 |
00
000
00000| Kod towaru | 8DD 355 113-571 |
| Producent | HELLA |
| Opis | tarcza hamulcowa |
| Typ tarczy hamulcowej | z wentylacją wewnętrzną |
| średnica zewnętrzna [mm] | 256 |
| Grubość tarczy hamulcowej [mm] | 24 |
| Wysokość [mm] | 46,8 |
| Minimalna grubość [mm] | 22,4 |
| Średnica wewnętrzna [mm] | 137 |
| Ø rozmieszczenia otworów [mm] | 114,3 |
| Średnica otworu centrującego [mm] | 60,1 |
| Wzór otworów/liczba otworów | 05/06 |
| Średnica otworu szpilki koła [mm] | 12,8 |
| Informacja uzupełniająca | bez piasty koła |
| Informacja uzupełniająca | bez łożyska koła |
| Informacja uzupełniająca | bez sworznia mocującego koła |
| Ciężar [kg] | 5,5 |
| Montaż/demontaż koniecznie do wykonania przez fachowców! |
0
0
00000| Oś przednia | |
| Kod towaru | 30H0005-JPN |
| Producent | JPN |
| Opis | tarcza hamulcowa |
| Strona zabudowy | Oś przednia |
| Typ tarczy hamulcowej | wentylowany |
| Wysokość [mm] | 46,8 |
| Grubość tarczy hamulcowej [mm] | 24 |
| średnica zewnętrzna [mm] | 256 |
| Liczba otworów | 5 |
| Średnica otworu centrującego [mm] | 60 |
| Ø rozmieszczenia otworów [mm] | 114,3 |

00
00000| Kod towaru | BR-1205-C KAV |
| Producent | KAVO PARTS |
| Opis | tarcza hamulcowa |
| Wysokość [mm] | 47 |
| Typ tarczy hamulcowej | wentylowany |
| Grubość tarczy hamulcowej [mm] | 24 |
| średnica zewnętrzna [mm] | 256 |
| Liczba otworów | 5 |
| Średnica otworu centrującego [mm] | 60 |
| Ø rozmieszczenia otworów [mm] | 114 |
| Powierzchnia | pokryty |
00000| Kod towaru | O1481V LPR |
| Producent | LPR |
| Opis | tarcza hamulcowa |
| Wysokość [mm] | 47,1 |
| Minimalna grubość [mm] | 22 |
| Typ tarczy hamulcowej | z wentylacją wewnętrzną |
| Grubość tarczy hamulcowej [mm] | 24 |
| średnica zewnętrzna [mm] | 256 |
| Średnica otworu centrującego [mm] | 60 |
| Liczba otworów | 5 |
0000
00000| Kod towaru | 971940 OPT |
| Producent | OPTIMAL |
| Opis | zestaw łożysk koła |
| Szerokość [mm] | 39 |
| Średnica wewnętrzna [mm] | 39 |
| średnica zewnętrzna [mm] | 74 |
0000
00000| Oś przednia | |
| Kod towaru | BS-7644C OPT |
| Producent | OPTIMAL |
| Opis | tarcza hamulcowa |
| Strona zabudowy | Oś przednia |
| Typ tarczy hamulcowej | wentylowany |
| Grubość tarczy hamulcowej [mm] | 24 |
| średnica zewnętrzna [mm] | 256 |
| Wysokość [mm] | 47 |
| Średnica otworu centrującego [mm] | 60 |
| Powierzchnia | pokryty |
| Minimalna grubość [mm] | 22 |
| Wzór otworów/liczba otworów | 5/8 |
0
00000| Kod towaru | O1481V SAM |
| Producent | SAMKO |
| Opis | tarcza hamulcowa |
| Liczba otworów | 5 |
| Średnica otworu centrującego [mm] | 60 |
| średnica zewnętrzna [mm] | 256 |
| Grubość tarczy hamulcowej [mm] | 24 |
| Typ tarczy hamulcowej | z wentylacją wewnętrzną |
| Wysokość [mm] | 47,1 |
| Minimalna grubość [mm] | 22 |
0
0000
00000| Kod towaru | 92155600 TXT |
| Producent | TEXTAR |
| Opis | tarcza hamulcowa |
| Typ tarczy hamulcowej | z wentylacją wewnętrzną |
| średnica zewnętrzna [mm] | 256 |
| Grubość tarczy hamulcowej [mm] | 24 |
| Wysokość [mm] | 46,8 |
| Minimalna grubość [mm] | 22,4 |
| Średnica wewnętrzna [mm] | 137 |
| Ø rozmieszczenia otworów [mm] | 114,3 |
| Średnica otworu centrującego [mm] | 60,1 |
| Wzór otworów/liczba otworów | 05/06 |
| Średnica otworu szpilki koła [mm] | 12,8 |
| Informacja uzupełniająca | bez piasty koła |
| Informacja uzupełniająca | bez łożyska koła |
| Informacja uzupełniająca | bez sworznia mocującego koła |
| Długość opakowania [cm] | 27,8 |
| Szerokość opakowania [cm] | 27,8 |
| Wysokość opakowania [cm] | 12,2 |
| Ciężar [kg] | 5,5 |
