000
000
00000| Kod towaru | 14.4969.10 |
| Producent | BREMBO |
| Opis | bęben hamulcowy |
| Wewnętrzna wysokość bębna hamulca [mm] | 47 |
| Liczba otworów | 5 |
| Średnica zewnętrzna bębna hamulca [mm] | 200 |
| Całkowita wysokość bębna hamulca [mm] | 66,5 |
| maks. wielkość poślizgu bębna [mm] | 201 |
| Średnica zabudowy [mm] | 54 |
0
0000
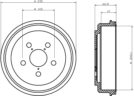
00000| Kod towaru | 94018000 TXT |
| Producent | TEXTAR |
| Opis | bęben hamulcowy |
| Średnica zewnętrzna bębna hamulca [mm] | 235 |
| Całkowita wysokość bębna hamulca [mm] | 67 |
| Średnica wewnętrzna bębna hamulca [mm] | 200 |
| Wewnętrzna wysokość bębna hamulca [mm] | 47 |
| maks. wielkość poślizgu bębna [mm] | 201 |
| Wzór otworów/liczba otworów | 05/08 |
| Ø rozmieszczenia otworów [mm] | 100 |
| Informacja uzupełniająca | bez piasty koła |
| Informacja uzupełniająca | bez łożyska koła |
| Informacja uzupełniająca | bez sworznia mocującego koła |
| Długość opakowania [cm] | 27,6 |
| Szerokość opakowania [cm] | 27,6 |
| Wysokość opakowania [cm] | 15,5 |
| Ciężar [kg] | 4,3 |
00
00000
00000| Kod towaru | DB4060 |
| Producent | TRW |
| Opis | bęben hamulcowy |
| Całkowita wysokość bębna hamulca [mm] | 67 |
| Średnica otworu centrującego [mm] | 54 |
| Średnica zewnętrzna bębna hamulca [mm] | 218 |
| Średnica otworu 1 [mm] | 14,8 |
| Rozmiar gwintu 2 | M6 x 1,0 |
| Średnica bębna [mm] | 200 |
| maks. wielkość poślizgu bębna [mm] | 201 |
| Wewnętrzna wysokość bębna hamulca [mm] | 47 |
| Liczba otworów | 5 |
| Ø rozmieszczenia otworów [mm] | 100 |
