00
0000
00000| Oś przednia | |
| Kod towaru | ADM54325 BLP |
| Producent | BLUE PRINT |
| Opis | tarcza hamulcowa |
| Grubość tarczy hamulcowej [mm] | 24 |
| Felga, liczba otworów | 5 |
| Liczba otworów do mocowania | 2 |
| Grubość [mm] | 47 |
| średnica zewnętrzna [mm] | 264 |
| Ø rozmieszczenia otworów [mm] | 114 |
| Powierzchnia | pokryty |
| Typ tarczy hamulcowej | z wentylacją wewnętrzną |
| Strona zabudowy | Oś przednia |
| Minimalna grubość [mm] | 22 |
| Średnica otworu centrującego [mm] | 64 |
| uwzględnić informację serwisową | |
0
00000| Kod towaru | 15950 ABS |
| Producent | A.B.S. |
| Opis | tarcza hamulcowa |
| średnica zewnętrzna [mm] | 264 |
| Grubość tarczy hamulcowej [mm] | 24 |
| Minimalna grubość [mm] | 22 |
| Wysokość [mm] | 46,5 |
| Felga, liczba otworów | 5 |
| Typ tarczy hamulcowej | wentylowany |
| Średnica otworu centrującego [mm] | 64 |
| Ø rozmieszczenia otworów [mm] | 114,3 |
| średnica piasty [mm] | 154 |
00
000
00000| Kod towaru | 60-03-340 ASH |
| Producent | ASHIKA |
| Opis | tarcza hamulcowa |
00
000
00000| Oś przednia | |
| Kod towaru | 60-03-340C ASH |
| Producent | ASHIKA |
| Opis | tarcza hamulcowa |
| Strona zabudowy | Oś przednia |
| Ø rozmieszczenia otworów [mm] | 64 |
| Wysokość [mm] | 47 |
| średnica zewnętrzna [mm] | 263,2 |
| Grubość tarczy hamulcowej [mm] | 24 |
| Minimalna grubość [mm] | 22 |
| Liczba otworów | 5 |
| Typ tarczy hamulcowej | wentylowany |
| Powierzchnia | lakierowany |
| Moment dokręcenia [Nm] | 100 |
| dla numeru OE | E92Z1125A |
0
0
00000| Kod towaru | 800-274 CIF |
| Producent | CIFAM |
| Opis | tarcza hamulcowa |
| Oznaczenie kontrolne | ECE-R90 |
| Wysokość [mm] | 46,5 |
| Typ tarczy hamulcowej | wentylowany |
| Grubość tarczy hamulcowej [mm] | 24,0 |
| średnica zewnętrzna [mm] | 263,5 |
| Liczba otworów | 5 |
| Średnica otworu centrującego [mm] | 64,0 |
000
0000
00000| Kod towaru | BG2547 |
| Producent | DELPHI |
| Opis | tarcza hamulcowaPROBE / MAZDA 626 |
| Typ tarczy hamulcowej | wentylowany |
| Liczba otworów | 5 |
| średnica zewnętrzna [mm] | 264 |
| Grubość tarczy hamulcowej [mm] | 24 |
| Minimalna grubość [mm] | 22 |
| Średnica otworu centrującego [mm] | 64 |
| Wysokość [mm] | 47,5 |
00
00000
00000| Oś przednia | |
| Kod towaru | 10625 FEB |
| Producent | FEBI BILSTEIN |
| Opis | tarcza hamulcowa |
| Grubość tarczy hamulcowej [mm] | 24 |
| Felga, liczba otworów | 5 |
| Liczba otworów do mocowania | 2 |
| Grubość [mm] | 47 |
| średnica zewnętrzna [mm] | 264 |
| Ø rozmieszczenia otworów [mm] | 114 |
| Powierzchnia | pokryty |
| Typ tarczy hamulcowej | z wentylacją wewnętrzną |
| Strona zabudowy | Oś przednia |
| Minimalna grubość [mm] | 22 |
| Średnica otworu centrującego [mm] | 64 |
| uwzględnić informację serwisową | |

00
00000| Kod towaru | BR-4715-C KAV |
| Producent | KAVO PARTS |
| Opis | tarcza hamulcowa |
| Oznaczenie kontrolne | R90 |
| Wysokość [mm] | 47 |
| Typ tarczy hamulcowej | wentylowany |
| Grubość tarczy hamulcowej [mm] | 24 |
| średnica zewnętrzna [mm] | 264 |
| Liczba otworów | 5 |
| Średnica otworu centrującego [mm] | 64 |
| Ø rozmieszczenia otworów [mm] | 114 |
| Powierzchnia | pokryty |
00
000
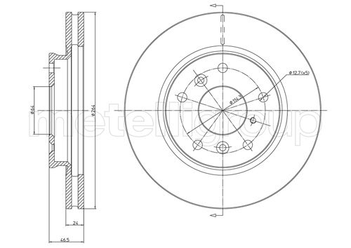
00000| Kod towaru | 23-0274 MET |
| Producent | METELLI |
| Opis | tarcza hamulcowa |
| Oznaczenie kontrolne | ECE-R90 |
| Wysokość [mm] | 46,5 |
| Typ tarczy hamulcowej | wentylowany |
| Grubość tarczy hamulcowej [mm] | 24,0 |
| średnica zewnętrzna [mm] | 263,5 |
| Liczba otworów | 5 |
| Średnica otworu centrującego [mm] | 64,0 |
0000
00000| Oś przednia | |
| Kod towaru | BS-2370 OPT |
| Producent | OPTIMAL |
| Opis | tarcza hamulcowa |
| Strona zabudowy | Oś przednia |
| Typ tarczy hamulcowej | wentylowany |
| Grubość tarczy hamulcowej [mm] | 24 |
| średnica zewnętrzna [mm] | 264 |
| Wysokość [mm] | 46,5 |
| Średnica otworu centrującego [mm] | 64 |
| Minimalna grubość [mm] | 22 |
| Wzór otworów/liczba otworów | 5/6 |
0000
00000| Oś przednia | |
| Kod towaru | BS-2370C OPT |
| Producent | OPTIMAL |
| Opis | tarcza hamulcowa |
| Strona zabudowy | Oś przednia |
| Typ tarczy hamulcowej | wentylowany |
| Grubość tarczy hamulcowej [mm] | 24 |
| średnica zewnętrzna [mm] | 264 |
| Wysokość [mm] | 46,5 |
| Średnica otworu centrującego [mm] | 64 |
| Powierzchnia | pokryty |
| Minimalna grubość [mm] | 22 |
| Wzór otworów/liczba otworów | 5/6 |
00
0000
00000| Oś przednia | |
| Kod towaru | 83 91 0625 |
| Producent | SWAG |
| Opis | tarcza hamulcowa |
| Grubość tarczy hamulcowej [mm] | 24 |
| Felga, liczba otworów | 5 |
| Liczba otworów do mocowania | 2 |
| Grubość [mm] | 46,5 |
| średnica zewnętrzna [mm] | 264 |
| Ø rozmieszczenia otworów [mm] | 114,3 |
| Powierzchnia | pokryty |
| Typ tarczy hamulcowej | z wentylacją wewnętrzną |
| Strona zabudowy | Oś przednia |
| Minimalna grubość [mm] | 22 |
| Średnica otworu centrującego [mm] | 64 |
0
0000
00000| Kod towaru | 92061900 TXT |
| Producent | TEXTAR |
| Opis | tarcza hamulcowa |
| Typ tarczy hamulcowej | z wentylacją wewnętrzną |
| średnica zewnętrzna [mm] | 264 |
| Grubość tarczy hamulcowej [mm] | 24 |
| Wysokość [mm] | 46,3 |
| Minimalna grubość [mm] | 22 |
| Średnica wewnętrzna [mm] | 137,5 |
| Ø rozmieszczenia otworów [mm] | 114,3 |
| Średnica otworu centrującego [mm] | 64 |
| Wzór otworów/liczba otworów | 05/08 |
| Średnica otworu szpilki koła [mm] | 12,5 |
| Informacja uzupełniająca | bez piasty koła |
| Informacja uzupełniająca | bez łożyska koła |
| Informacja uzupełniająca | bez sworznia mocującego koła |
| Długość opakowania [cm] | 27,8 |
| Szerokość opakowania [cm] | 27,8 |
| Wysokość opakowania [cm] | 12,2 |
| Ciężar [kg] | 5,4 |
0
00000
00000| Kod towaru | DF2571 |
| Producent | TRW |
| Opis | tarcza hamulcowa |
| Typ tarczy hamulcowej | wentylowany |
| średnica zewnętrzna [mm] | 264 |
| Grubość tarczy hamulcowej [mm] | 24 |
| Minimalna grubość [mm] | 22 |
| Średnica otworu centrującego [mm] | 64 |
| Wysokość [mm] | 47 |
| Liczba otworów | 5 |
| Wymiar gwintu | 12,4 |
| Ø rozmieszczenia otworów [mm] | 114 |
| Kolor | czarny |
| Powierzchnia | lakierowany |
