0
00000| Kod towaru | 16237 ABS |
| Producent | A.B.S. |
| Opis | tarcza hamulcowa |
| Średnica zewnętrzna [mm] | 295 |
| Grubość tarczy hamulcowej [mm] | 9,6 |
| Minimalna grubość [mm] | 8,4 |
| Wysokość [mm] | 73 |
| Felga, liczba otworów | 5 |
| Typ tarczy hamulcowej | pełny |
| Średnica otworu centrującego [mm] | 68 |
| Ø rozmieszczenia otworów [mm] | 108 |
| Średnica piasty [mm] | 171 |
00
00000| Oś tylna | |
| Kod towaru | 5155230013 MEY |
| Producent | MEYLE |
| Opis | tarcza hamulcowaTARCZA HAM. VOLVO T. S70/V70 |
| Strona zabudowy | Oś tylna |
| Średnica zewnętrzna [mm] | 295 |
| Wysokość [mm] | 72 |
| Grubość tarczy hamulcowej [mm] | 9,6 |
| Minimalna grubość [mm] | 8,4 |
| Średnica otworu centrującego [mm] | 68 |
| Ø rozmieszczenia otworów [mm] | 108 |
| Średnica otworu szpilki koła [mm] | 14,5 |
| Liczba otworów | 5 |
| Typ tarczy hamulcowej | pełny |
| wymagana liczba | 2 |
00
00000| Oś tylna | |
| Kod towaru | 5155230013/PD MEY |
| Producent | MEYLE |
| Opis | tarcza hamulcowaTARCZA HAM. VOLVO T. 850/C70/S70/V70 91-05 295X9,6 |
| Strona zabudowy | Oś tylna |
| Średnica zewnętrzna [mm] | 295 |
| Wysokość [mm] | 72 |
| Grubość tarczy hamulcowej [mm] | 9,6 |
| Minimalna grubość [mm] | 8,4 |
| Średnica otworu centrującego [mm] | 68 |
| Ø rozmieszczenia otworów [mm] | 108 |
| Średnica otworu szpilki koła [mm] | 14,5 |
| Liczba otworów | 5 |
| Typ tarczy hamulcowej | pełny |
| Powierzchnia | Płytki pokryte cynkiem |
| Jakość | PREMIUM |
| wymagana liczba | 2 |
0
00000| Oś tylna | |
| Kod towaru | 128551FCAL ALT |
| Producent | ALTE AUTOMOTIVE |
| Opis | tarcza hamulcowa |
| Strona zabudowy | Oś tylna |
| Typ tarczy hamulcowej | pełny |
| Grubość tarczy hamulcowej [mm] | 9,7 |
| Średnica zewnętrzna [mm] | 295 |
| Ciężar [kg] | 5,27 |
| Wysokość [mm] | 72,3 |
| Liczba otworów | 5 |
| Ø rozmieszczenia otworów [mm] | 108 |
| Średnica otworu centrującego [mm] | 68 |
| Powierzchnia | pokryty |
| Minimalna grubość [mm] | 8,4 |

00
0000
00000| Oś tylna | |
| Kod towaru | ADF124334 BLP |
| Producent | BLUE PRINT |
| Opis | tarcza hamulcowa |
| Grubość tarczy hamulcowej [mm] | 9,6 |
| Felga, liczba otworów | 5 |
| Liczba otworów do mocowania | 2 |
| Grubość [mm] | 72 |
| Średnica zewnętrzna [mm] | 295 |
| Ø rozmieszczenia otworów [mm] | 108 |
| Powierzchnia | pokryty |
| Typ tarczy hamulcowej | pełny |
| Strona zabudowy | Oś tylna |
| Minimalna grubość [mm] | 8,4 |
| Średnica otworu centrującego [mm] | 68 |
| uwzględnić informację serwisową | |
0
0
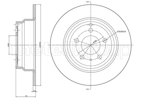
00000| Kod towaru | 800-376C CIF |
| Producent | CIFAM |
| Opis | tarcza hamulcowa |
| Oznaczenie kontrolne | ECE-R90 |
| Wysokość [mm] | 72,4 |
| Typ tarczy hamulcowej | pełny |
| Grubość tarczy hamulcowej [mm] | 9,7 |
| Średnica zewnętrzna [mm] | 295,0 |
| Liczba otworów | 5 |
| Średnica otworu centrującego [mm] | 68,0 |
| Powierzchnia | lakierowany |
00
00000
00000| Oś tylna | |
| Kod towaru | 11455 FEB |
| Producent | FEBI BILSTEIN |
| Opis | tarcza hamulcowa |
| Grubość tarczy hamulcowej [mm] | 9,6 |
| Felga, liczba otworów | 5 |
| Liczba otworów do mocowania | 2 |
| Grubość [mm] | 72 |
| Średnica zewnętrzna [mm] | 295 |
| Ø rozmieszczenia otworów [mm] | 108 |
| Powierzchnia | pokryty |
| Typ tarczy hamulcowej | pełny |
| Strona zabudowy | Oś tylna |
| Minimalna grubość [mm] | 8,4 |
| Średnica otworu centrującego [mm] | 68 |
| uwzględnić informację serwisową | |
00
000
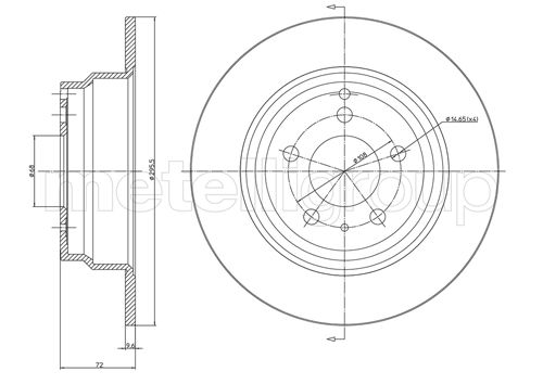
00000| Kod towaru | 23-0376C MET |
| Producent | METELLI |
| Opis | tarcza hamulcowa |
| Oznaczenie kontrolne | ECE-R90 |
| Wysokość [mm] | 72,4 |
| Typ tarczy hamulcowej | pełny |
| Grubość tarczy hamulcowej [mm] | 9,7 |
| Średnica zewnętrzna [mm] | 295,0 |
| Liczba otworów | 5 |
| Średnica otworu centrującego [mm] | 68,0 |
| Powierzchnia | lakierowany |
0000
00000| Oś tylna | |
| Kod towaru | BS-4110C OPT |
| Producent | OPTIMAL |
| Opis | tarcza hamulcowa |
| Strona zabudowy | Oś tylna |
| Typ tarczy hamulcowej | pełny |
| Grubość tarczy hamulcowej [mm] | 9,6 |
| Średnica zewnętrzna [mm] | 296 |
| Wysokość [mm] | 72 |
| Średnica otworu centrującego [mm] | 68 |
| Powierzchnia | pokryty |
| Minimalna grubość [mm] | 8,4 |
| Wzór otworów/liczba otworów | 5/7 |
000
00000
00000| Kod towaru | VKBD 90291 S2 |
| Producent | SKF |
| Opis | tarcza hamulcowa |
| Typ tarczy hamulcowej | pełny |
| Średnica zewnętrzna [mm] | 295 |
| Grubość tarczy hamulcowej [mm] | 9,6 |
| Wysokość [mm] | 72 |
| Ø rozmieszczenia otworów [mm] | 108 |
| Średnica otworu centrującego [mm] | 68 |
| Liczba otworów | 5 |
| Powierzchnia | pokryty |
| Minimalna grubość [mm] | 8,4 |
| Liczba otworów | 2 |
00
0000
00000| Oś tylna | |
| Kod towaru | 55 91 1455 |
| Producent | SWAG |
| Opis | tarcza hamulcowa |
| Grubość tarczy hamulcowej [mm] | 9,6 |
| Felga, liczba otworów | 5 |
| Liczba otworów do mocowania | 2 |
| Grubość [mm] | 72 |
| Średnica zewnętrzna [mm] | 295 |
| Ø rozmieszczenia otworów [mm] | 108 |
| Powierzchnia | pokryty |
| Typ tarczy hamulcowej | pełny |
| Strona zabudowy | Oś tylna |
| Minimalna grubość [mm] | 8,4 |
| Średnica otworu centrującego [mm] | 68 |
