0
00000| Kod towaru | 16992 ABS |
| Producent | A.B.S. |
| Opis | tarcza hamulcowa |
| średnica zewnętrzna [mm] | 305 |
| Grubość tarczy hamulcowej [mm] | 32 |
| Minimalna grubość [mm] | 30 |
| Wysokość [mm] | 47 |
| Felga, liczba otworów | 6 |
| Typ tarczy hamulcowej | wentylowany |
| Średnica otworu centrującego [mm] | 109 |
| Ø rozmieszczenia otworów [mm] | 137 |
| Powierzchnia | pokryty |
| średnica piasty [mm] | 171 |
00
000
00000| Oś przednia | |
| Kod towaru | 60-01-103C ASH |
| Producent | ASHIKA |
| Opis | tarcza hamulcowa |
| Strona zabudowy | Oś przednia |
| Ø rozmieszczenia otworów [mm] | 109 |
| Wysokość [mm] | 47,3 |
| średnica zewnętrzna [mm] | 305,3 |
| Grubość tarczy hamulcowej [mm] | 32 |
| Minimalna grubość [mm] | 30 |
| Liczba otworów | 6 |
| Typ tarczy hamulcowej | wentylowany |
| Oznaczenie kontrolne | ECE R90 APPROVED |
| Powierzchnia | lakierowany |
| Moment dokręcenia [Nm] | 133 |
| dla numeru OE | 40206VB001 |
00
0000
00000| Oś przednia | |
| Kod towaru | ADN14392 BLP |
| Producent | BLUE PRINT |
| Opis | tarcza hamulcowa |
| Grubość tarczy hamulcowej [mm] | 32 |
| Felga, liczba otworów | 6 |
| Grubość [mm] | 48 |
| średnica zewnętrzna [mm] | 305 |
| Ø rozmieszczenia otworów [mm] | 137 |
| Powierzchnia | pokryty |
| Typ tarczy hamulcowej | z wentylacją wewnętrzną |
| Strona zabudowy | Oś przednia |
| Minimalna grubość [mm] | 30 |
| Średnica otworu centrującego [mm] | 109 |
| Ciężar [kg] | 10,180 |
| uwzględnić informację serwisową | |
0
0
00000| Kod towaru | 800-1175 CIF |
| Producent | CIFAM |
| Opis | tarcza hamulcowa |
| Oznaczenie kontrolne | ECE-R90 |
| Wysokość [mm] | 47,0 |
| Typ tarczy hamulcowej | wentylowany |
| Grubość tarczy hamulcowej [mm] | 32,0 |
| średnica zewnętrzna [mm] | 305,5 |
| Liczba otworów | 6 |
| Średnica otworu centrującego [mm] | 109,0 |
00
00000
00000| Oś przednia | |
| Kod towaru | 108624 FEB |
| Producent | FEBI BILSTEIN |
| Opis | tarcza hamulcowa |
| Grubość tarczy hamulcowej [mm] | 32 |
| Felga, liczba otworów | 6 |
| Grubość [mm] | 48 |
| średnica zewnętrzna [mm] | 305 |
| Ø rozmieszczenia otworów [mm] | 137 |
| Powierzchnia | pokryty |
| Typ tarczy hamulcowej | z wentylacją wewnętrzną |
| Strona zabudowy | Oś przednia |
| Minimalna grubość [mm] | 30 |
| Średnica otworu centrującego [mm] | 109 |
| Ciężar [kg] | 10,180 |
| uwzględnić informację serwisową | |
0
0
00000| Kod towaru | 30H1052-JPN |
| Producent | JPN |
| Opis | tarcza hamulcowa |
| Typ tarczy hamulcowej | wentylowany |
| Wysokość [mm] | 47 |
| Grubość tarczy hamulcowej [mm] | 32 |
| Wymiar gwintu | M12 x 1,25 |
| średnica zewnętrzna [mm] | 306 |
| Liczba otworów | 6 |
| Średnica otworu centrującego [mm] | 109 |
| Ø rozmieszczenia otworów [mm] | 137 |
00
000
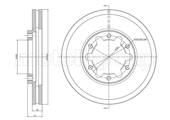
00000| Kod towaru | 23-1175 MET |
| Producent | METELLI |
| Opis | tarcza hamulcowa |
| Oznaczenie kontrolne | ECE-R90 |
| Wysokość [mm] | 47,0 |
| Typ tarczy hamulcowej | wentylowany |
| Grubość tarczy hamulcowej [mm] | 32,0 |
| średnica zewnętrzna [mm] | 305,5 |
| Liczba otworów | 6 |
| Średnica otworu centrującego [mm] | 109,0 |
0
0000
00000| Oś przednia | |
| Kod towaru | 33 10 5686 |
| Producent | SWAG |
| Opis | tarcza hamulcowa |
| Grubość tarczy hamulcowej [mm] | 32 |
| Felga, liczba otworów | 6 |
| Grubość [mm] | 48 |
| średnica zewnętrzna [mm] | 305 |
| Ø rozmieszczenia otworów [mm] | 137 |
| Powierzchnia | pokryty |
| Typ tarczy hamulcowej | z wentylacją wewnętrzną |
| Strona zabudowy | Oś przednia |
| Minimalna grubość [mm] | 30 |
| Średnica otworu centrującego [mm] | 109 |
| Ciężar [kg] | 10,180 |
0
0000
00000| Kod towaru | 92138300 TXT |
| Producent | TEXTAR |
| Opis | tarcza hamulcowa |
| Typ tarczy hamulcowej | z wentylacją wewnętrzną |
| średnica zewnętrzna [mm] | 306 |
| Grubość tarczy hamulcowej [mm] | 32 |
| Wysokość [mm] | 47 |
| Minimalna grubość [mm] | 30 |
| Średnica wewnętrzna [mm] | 153,5 |
| Ø rozmieszczenia otworów [mm] | 137 |
| Średnica otworu centrującego [mm] | 109 |
| Wzór otworów/liczba otworów | 06/06 |
| Średnica otworu szpilki koła [mm] | 12 |
| Informacja uzupełniająca | bez piasty koła |
| Informacja uzupełniająca | bez łożyska koła |
| Informacja uzupełniająca | bez sworznia mocującego koła |
| Długość opakowania [cm] | 32,8 |
| Szerokość opakowania [cm] | 32,8 |
| Wysokość opakowania [cm] | 7,5 |
| Ciężar [kg] | 10,4 |
00
00000
00000| Kod towaru | DF7305S |
| Producent | TRW |
| Opis | tarcza hamulcowa |
| Powierzchnia | lakierowany |
| Typ tarczy hamulcowej | wentylowany |
| średnica zewnętrzna [mm] | 306 |
| Grubość tarczy hamulcowej [mm] | 32 |
| Minimalna grubość [mm] | 30 |
| Wysokość [mm] | 47 |
| Liczba otworów | 6 |
| Średnica otworu centrującego [mm] | 109 |
| Ø rozmieszczenia otworów [mm] | 137 |
| Wymiar gwintu | M12 x 1,25 |
| Kolor | czarny |
