0
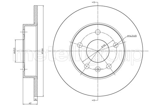
02000| Kod towaru | 16955 ABS |
| Producent | A.B.S. |
| Opis | tarcza hamulcowa |
| średnica zewnętrzna [mm] | 264 |
| Grubość tarczy hamulcowej [mm] | 10 |
| Minimalna grubość [mm] | 8 |
| Wysokość [mm] | 42 |
| Felga, liczba otworów | 5 |
| Typ tarczy hamulcowej | pełny |
| Średnica otworu centrującego [mm] | 65,5 |
| Ø rozmieszczenia otworów [mm] | 110 |
| średnica piasty [mm] | 155 |
00
0000
00000| Oś tylna | |
| Kod towaru | ADW194311 BLP |
| Producent | BLUE PRINT |
| Opis | tarcza hamulcowa |
| Grubość tarczy hamulcowej [mm] | 10 |
| Felga, liczba otworów | 5 |
| Liczba otworów do mocowania | 1 |
| Grubość [mm] | 42 |
| średnica zewnętrzna [mm] | 264 |
| Ø rozmieszczenia otworów [mm] | 110 |
| Powierzchnia | pokryty |
| Typ tarczy hamulcowej | pełny |
| Strona zabudowy | Oś tylna |
| Minimalna grubość [mm] | 8 |
| Średnica otworu centrującego [mm] | 65,5 |
| Ciężar [kg] | 3,8 |
| dla numeru OE | 05 69 109 |
| uwzględnić informację serwisową | |
000
00000| Oś tylna | |
| Kod towaru | 6155230024 MEY |
| Producent | MEYLE |
| Opis | tarcza hamulcowaTARCZA HAM. OPEL T. ZAFIRA |
| Strona zabudowy | Oś tylna |
| średnica zewnętrzna [mm] | 264 |
| Wysokość [mm] | 42 |
| Grubość tarczy hamulcowej [mm] | 9,8 |
| Minimalna grubość [mm] | 8 |
| Średnica otworu centrującego [mm] | 65,5 |
| Ø rozmieszczenia otworów [mm] | 110 |
| Średnica otworu szpilki koła [mm] | 14 |
| Liczba otworów | 5 |
| Typ tarczy hamulcowej | pełny |
| wymagana liczba | 2 |
000
00000| Oś tylna | |
| Kod towaru | 6155230024/PD MEY |
| Producent | MEYLE |
| Opis | tarcza hamulcowaTARCZA HAM. OPEL T. ASTRA/MERIVA/ZAFIRA 1,3-1,9 CDTI 98- 264X9,8 |
| Strona zabudowy | Oś tylna |
| średnica zewnętrzna [mm] | 264 |
| Wysokość [mm] | 42 |
| Grubość tarczy hamulcowej [mm] | 9,8 |
| Minimalna grubość [mm] | 8 |
| Średnica otworu centrującego [mm] | 65,5 |
| Ø rozmieszczenia otworów [mm] | 110 |
| Średnica otworu szpilki koła [mm] | 14 |
| Liczba otworów | 5 |
| Typ tarczy hamulcowej | pełny |
| Powierzchnia | Płytki pokryte cynkiem |
| Informacja uzupełniająca | ze śrubami |
| Jakość | PREMIUM |
| wymagana liczba | 2 |
00
00000
40222| Kod towaru | DF4051 |
| Producent | TRW |
| Opis | tarcza hamulcowa |
| Typ tarczy hamulcowej | pełny |
| średnica zewnętrzna [mm] | 264 |
| Grubość tarczy hamulcowej [mm] | 9,9 |
| Minimalna grubość [mm] | 8 |
| Średnica otworu centrującego [mm] | 65,5 |
| Wysokość [mm] | 42,2 |
| Liczba otworów | 5 |
| Wymiar gwintu | 14 |
| Ø rozmieszczenia otworów [mm] | 110 |
| Kolor | czarny |
| Powierzchnia | lakierowany |
| Oznaczenie kontrolne | E190R-02C0190/0537 |
0
00
00000| Oś tylna, Oś tylna strona lewa, Oś tylna strona prawa | |
| Kod towaru | GH-423658 |
| Producent | GH |
| Opis | tarcza hamulcowaOPEL ASTRA G, ASTRA H, ZAFIRA [264*42.3*10-5] |
| Strona zabudowy | Oś tylna |
| Strona zabudowy | Oś tylna strona prawa |
| Strona zabudowy | Oś tylna strona lewa |
| Grubość tarczy hamulcowej [mm] | 9,9 |
| Liczba otworów | 5 |
| Ø rozmieszczenia otworów [mm] | 110 |
| Średnica otworu centrującego [mm] | 65,5 |
| średnica zewnętrzna [mm] | 264 |
| Typ tarczy hamulcowej | pełny |
| Wymiar gwintu | 14 |
| Wysokość [mm] | 42,2 |
0
00000| Oś tylna | |
| Kod towaru | 128088FCAL ALT |
| Producent | ALTE AUTOMOTIVE |
| Opis | tarcza hamulcowa |
| Strona zabudowy | Oś tylna |
| Typ tarczy hamulcowej | pełny |
| Grubość tarczy hamulcowej [mm] | 10 |
| średnica zewnętrzna [mm] | 264 |
| Ciężar [kg] | 3,76 |
| Wysokość [mm] | 42,3 |
| Liczba otworów | 5 |
| Ø rozmieszczenia otworów [mm] | 110 |
| Średnica otworu centrującego [mm] | 65,5 |
| Powierzchnia | pokryty |
| Minimalna grubość [mm] | 8 |
| Średnica otworu do [mm] | 14,1 |
00
000
00000| Oś tylna | |
| Kod towaru | 61-00-0403C ASH |
| Producent | ASHIKA |
| Opis | tarcza hamulcowa |
| średnica zewnętrzna [mm] | 264 |
| Wysokość [mm] | 42 |
| Typ tarczy hamulcowej | pełny |
| Grubość tarczy hamulcowej [mm] | 10 |
| Minimalna grubość [mm] | 8 |
| Liczba otworów | 5 |
| Powierzchnia | lakierowany |
| Strona zabudowy | Oś tylna |
| Moment dokręcenia [Nm] | 110 |
| dla numeru OE | 9117772 |
0
0
00000| Kod towaru | 800-489C CIF |
| Producent | CIFAM |
| Opis | tarcza hamulcowa |
| Oznaczenie kontrolne | ECE-R90 |
| Wysokość [mm] | 42,0 |
| Typ tarczy hamulcowej | pełny |
| Grubość tarczy hamulcowej [mm] | 10,0 |
| średnica zewnętrzna [mm] | 264,0 |
| Liczba otworów | 5 |
| Średnica otworu centrującego [mm] | 65,0 |
| Powierzchnia | lakierowany |
00
00000
00000| Oś tylna | |
| Kod towaru | 17213 FEB |
| Producent | FEBI BILSTEIN |
| Opis | tarcza hamulcowa |
| Grubość tarczy hamulcowej [mm] | 10 |
| Felga, liczba otworów | 5 |
| Liczba otworów do mocowania | 1 |
| Grubość [mm] | 42,1 |
| średnica zewnętrzna [mm] | 264 |
| Ø rozmieszczenia otworów [mm] | 110 |
| Powierzchnia | pokryty |
| Typ tarczy hamulcowej | pełny |
| Strona zabudowy | Oś tylna |
| Minimalna grubość [mm] | 8 |
| Średnica otworu centrującego [mm] | 65,5 |
| Ciężar [kg] | 3,8 |
| dla numeru OE | 05 69 109 |
| uwzględnić informację serwisową | |
00000| Kod towaru | DDF1044C FER |
| Producent | FERODO |
| Opis | tarcza hamulcowa |
| Typ tarczy hamulcowej | pełny |
| średnica zewnętrzna [mm] | 264 |
| Grubość tarczy hamulcowej [mm] | 10 |
| Informacja uzupełniająca | ze śrubami |
| Wysokość [mm] | 42 |
| Średnica otworu centrującego [mm] | 65 |
| Liczba otworów | 5 |
| Jednostka ilości | Sztuka |
| Powierzchnia | pokryty |
| Ciężar [kg] | 3,76 |
| Minimalna grubość [mm] | 8 |
| Moment dokręcenia [Nm] | 110 |
| Długość opakowania [cm] | 25,5 |
| Szerokość opakowania [cm] | 25,5 |
| Wysokość opakowania [cm] | 8,5 |
000
00000| Oś tylna | |
| Kod towaru | 205526 HP |
| Producent | TOPRAN |
| Opis | tarcza hamulcowa |
| Strona zabudowy | Oś tylna |
| Typ tarczy hamulcowej | pełny |
| średnica zewnętrzna [mm] | 264 |
| średnica piasty [mm] | 155 |
| Średnica otworu centrującego [mm] | 66 |
| Grubość tarczy hamulcowej [mm] | 10 |
| Wysokość [mm] | 42 |
| Ø rozmieszczenia otworów [mm] | 110 |
| Zamiana tylko w parach | |
| Powierzchnia | pokryty |
00
000
00000| Kod towaru | 23-0489C MET |
| Producent | METELLI |
| Opis | tarcza hamulcowa |
| Oznaczenie kontrolne | ECE-R90 |
| Wysokość [mm] | 42,0 |
| Typ tarczy hamulcowej | pełny |
| Grubość tarczy hamulcowej [mm] | 10,0 |
| średnica zewnętrzna [mm] | 264,0 |
| Liczba otworów | 5 |
| Średnica otworu centrującego [mm] | 65,0 |
| Powierzchnia | lakierowany |
00
0000
00000| Oś tylna | |
| Kod towaru | 40 91 7213 |
| Producent | SWAG |
| Opis | tarcza hamulcowa |
| Grubość tarczy hamulcowej [mm] | 10 |
| Felga, liczba otworów | 5 |
| Liczba otworów do mocowania | 1 |
| Grubość [mm] | 42,1 |
| średnica zewnętrzna [mm] | 264 |
| Ø rozmieszczenia otworów [mm] | 110 |
| Powierzchnia | pokryty |
| Typ tarczy hamulcowej | pełny |
| Strona zabudowy | Oś tylna |
| Minimalna grubość [mm] | 8 |
| Średnica otworu centrującego [mm] | 65,5 |
| Ciężar [kg] | 3,8 |
| dla numeru OE | 05 69 109 |
0
0
00000| Oś tylna | |
| Kod towaru | 40H9013-JPN |
| Producent | JPN |
| Opis | tarcza hamulcowa(264x9.8mm) Opel Astra G 1.8-2.0 98- ,Zafira 1.6-2.2 98- ,Opel Astra H 04- tył |
| Strona zabudowy | Oś tylna |
| Typ tarczy hamulcowej | pełny |
| Wysokość [mm] | 42 |
| Grubość tarczy hamulcowej [mm] | 10 |
| średnica zewnętrzna [mm] | 264 |
| Średnica otworu centrującego [mm] | 66 |
| Ø rozmieszczenia otworów [mm] | 110 |
| średnica piasty [mm] | 155 |
00
000
00000| Kod towaru | 8DD 355 106-111 |
| Producent | HELLA |
| Opis | tarcza hamulcowa |
| Typ tarczy hamulcowej | pełny |
| średnica zewnętrzna [mm] | 264 |
| Grubość tarczy hamulcowej [mm] | 10 |
| Wysokość [mm] | 42 |
| Minimalna grubość [mm] | 8 |
| Powierzchnia | pokryty |
| Średnica wewnętrzna [mm] | 145 |
| Ø rozmieszczenia otworów [mm] | 110 |
| Średnica otworu centrującego [mm] | 65,5 |
| Wzór otworów/liczba otworów | 05/06 |
| Średnica otworu szpilki koła [mm] | 14,2 |
| Informacja uzupełniająca | bez piasty koła |
| Informacja uzupełniająca | bez łożyska koła |
| Informacja uzupełniająca | bez sworznia mocującego koła |
| Ciężar [kg] | 3,7 |
| Montaż/demontaż koniecznie do wykonania przez fachowców! |
0
0000
00000| Kod towaru | 92092103 TXT |
| Producent | TEXTAR |
| Opis | tarcza hamulcowa |
| Typ tarczy hamulcowej | pełny |
| średnica zewnętrzna [mm] | 264 |
| Grubość tarczy hamulcowej [mm] | 10 |
| Wysokość [mm] | 42 |
| Minimalna grubość [mm] | 8 |
| Powierzchnia | pokryty |
| Średnica wewnętrzna [mm] | 145 |
| Ø rozmieszczenia otworów [mm] | 110 |
| Średnica otworu centrującego [mm] | 65,5 |
| Wzór otworów/liczba otworów | 05/06 |
| Średnica otworu szpilki koła [mm] | 14,2 |
| Informacja uzupełniająca | bez piasty koła |
| Informacja uzupełniająca | bez łożyska koła |
| Informacja uzupełniająca | bez sworznia mocującego koła |
| Długość opakowania [cm] | 27,8 |
| Szerokość opakowania [cm] | 27,8 |
| Wysokość opakowania [cm] | 10,5 |
| Ciężar [kg] | 3,7 |
