0
00020| Kod towaru | A2163P SAM |
| Producent | SAMKO |
| Opis | tarcza hamulcowaLITA TYŁ |
| Liczba otworów | 5 |
| Średnica otworu centrującego [mm] | 59 |
| Średnica zewnętrzna [mm] | 251 |
| Minimalna grubość [mm] | 9 |
| Typ tarczy hamulcowej | pełny |
| Grubość tarczy hamulcowej [mm] | 10 |
| Wysokość [mm] | 50,5 |
0
02000| Kod towaru | 15952 ABS |
| Producent | A.B.S. |
| Opis | tarcza hamulcowa |
| Średnica zewnętrzna [mm] | 251 |
| Grubość tarczy hamulcowej [mm] | 10 |
| Minimalna grubość [mm] | 9 |
| Wysokość [mm] | 50,5 |
| Felga, liczba otworów | 5 |
| Typ tarczy hamulcowej | pełny |
| Średnica otworu centrującego [mm] | 59 |
| Ø rozmieszczenia otworów [mm] | 98 |
| Powierzchnia | pokryty |
| Średnica piasty [mm] | 137 |
00
00000
00000| Kod towaru | 24.0110-0209.1 |
| Producent | ATE |
| Opis | tarcza hamulcowa |
| Średnica zewnętrzna [mm] | 251,4 |
| Grubość tarczy hamulcowej [mm] | 10,0 |
| Minimalna grubość [mm] | 9,0 |
| Typ tarczy hamulcowej | pełny |
| Powierzchnia | pokryty |
| Liczba otworów | 5 |
| Ø rozmieszczenia otworów [mm] | 98,0 |
| Wysokość [mm] | 50,5 |
| Średnica otworu centrującego [mm] | 59,0 |
| Średnica wewnętrzna [mm] | 127,5 |
| Średnica otworu [mm] | 13,0 |
| Dostępne MAPP-Code | |
| Oznaczenie kontrolne | E1 90R-02C0165/1006 |
00
00000| Kod towaru | B130298 |
| Producent | DENCKERMANN |
| Opis | tarcza hamulcowa |
| Minimalna grubość [mm] | 9 |
| Typ tarczy hamulcowej | pełny |
| Średnica otworu [mm] | 13 |
| Grubość tarczy hamulcowej [mm] | 10 |
| Ø rozmieszczenia otworów [mm] | 98 |
| Liczba otworów | 5 |
| Średnica wewnętrzna [mm] | 127,5 |
| Wysokość [mm] | 50,5 |
| Średnica otworu centrującego [mm] | 59 |
| Średnica zewnętrzna [mm] | 251 |
| Rozporządzenie UE w sprawie bezpieczeństwa produktów (GPSR) | IEC 60417-6183 wymagana specjalistyczna wiedza mechaniczna |
00
000
00000| Kod towaru | 61-00-0202C ASH |
| Producent | ASHIKA |
| Opis | tarcza hamulcowa |
| Średnica zewnętrzna [mm] | 251 |
| Wysokość [mm] | 50,5 |
| Typ tarczy hamulcowej | pełny |
| Grubość tarczy hamulcowej [mm] | 10 |
| Minimalna grubość [mm] | 9 |
| Liczba otworów | 5 |
| Średnica otworu centrującego [mm] | 59 |
| Powierzchnia | lakierowany |
| dla numeru OE | 71738912 |
00
0000
00000| Oś tylna | |
| Kod towaru | ADL144320 BLP |
| Producent | BLUE PRINT |
| Opis | tarcza hamulcowa |
| Grubość tarczy hamulcowej [mm] | 10 |
| Felga, liczba otworów | 4 |
| Liczba otworów do mocowania | 2 |
| Grubość [mm] | 51 |
| Średnica zewnętrzna [mm] | 251 |
| Ø rozmieszczenia otworów [mm] | 98 |
| Powierzchnia | pokryty |
| Typ tarczy hamulcowej | pełny |
| Strona zabudowy | Oś tylna |
| Minimalna grubość [mm] | 9 |
| Średnica otworu centrującego [mm] | 59 |
| uwzględnić informację serwisową | |
00
0000
00000| Oś tylna | |
| Kod towaru | ADV1843132 BLP |
| Producent | BLUE PRINT |
| Opis | tarcza hamulcowa |
| Grubość tarczy hamulcowej [mm] | 10 |
| Felga, liczba otworów | 5 |
| Grubość [mm] | 51 |
| Średnica zewnętrzna [mm] | 251 |
| Ø rozmieszczenia otworów [mm] | 98 |
| Powierzchnia | pokryty |
| Typ tarczy hamulcowej | pełny |
| Strona zabudowy | Oś tylna |
| Minimalna grubość [mm] | 9 |
| Średnica otworu centrującego [mm] | 59 |
| uwzględnić informację serwisową | |
000
00000
00000| Kod towaru | 0986478341 |
| Producent | BOSCH |
| Opis | tarcza hamulcowaALFA 147 |
| Średnica zewnętrzna [mm] | 251,2 |
| Grubość tarczy hamulcowej [mm] | 10 |
| Minimalna grubość [mm] | 9 |
| Wysokość [mm] | 50,6 |
| Ø rozmieszczenia otworów [mm] | 98 |
| Typ tarczy hamulcowej | pełny |
| Średnica otworu centrującego [mm] | 59 |
| Liczba otworów | 5 |
| Powierzchnia | naoliwione |
| Średnica otworu do [mm] | 13 |
000
00000
00000| Kod towaru | 0986479B31 |
| Producent | BOSCH |
| Opis | tarcza hamulcowa |
| Średnica zewnętrzna [mm] | 251,2 |
| Grubość tarczy hamulcowej [mm] | 10 |
| Minimalna grubość [mm] | 9 |
| Wysokość [mm] | 50,6 |
| Ø rozmieszczenia otworów [mm] | 98 |
| Typ tarczy hamulcowej | pełny |
| Średnica otworu centrującego [mm] | 59 |
| Liczba otworów | 5 |
| Powierzchnia | pokryty |
| Średnica otworu do [mm] | 13 |
000
000
00000| Kod towaru | 08.3126.24 |
| Producent | BREMBO |
| Opis | tarcza hamulcowa |
| Typ tarczy hamulcowej | pełny |
| Grubość tarczy hamulcowej [mm] | 10 |
| Liczba otworów | 5 |
| Informacja uzupełniająca | ze śrubami |
| Wysokość [mm] | 51 |
| Średnica otworu centrującego [mm] | 59 |
| Średnica zewnętrzna [mm] | 251 |
| Minimalna grubość [mm] | 9 |
| Moment dokręcenia [Nm] | 98 |
000
0000
00000| Kod towaru | BG2386 |
| Producent | DELPHI |
| Opis | tarcza hamulcowa164 89-98 |
| Typ tarczy hamulcowej | pełny |
| Liczba otworów | 5 |
| Oznaczenie kontrolne | E1 90R-02C0100/1608 |
| Powierzchnia | naoliwione |
| Średnica zewnętrzna [mm] | 251 |
| Grubość tarczy hamulcowej [mm] | 10 |
| Minimalna grubość [mm] | 9 |
| Średnica otworu centrującego [mm] | 59,1 |
| Wysokość [mm] | 50,5 |
00
00000
00000| Oś tylna | |
| Kod towaru | 14079 FEB |
| Producent | FEBI BILSTEIN |
| Opis | tarcza hamulcowa |
| Grubość tarczy hamulcowej [mm] | 10 |
| Felga, liczba otworów | 5 |
| Grubość [mm] | 50,5 |
| Średnica zewnętrzna [mm] | 251 |
| Ø rozmieszczenia otworów [mm] | 98 |
| Powierzchnia | pokryty |
| Typ tarczy hamulcowej | pełny |
| Strona zabudowy | Oś tylna |
| Minimalna grubość [mm] | 9 |
| Średnica otworu centrującego [mm] | 59 |
| uwzględnić informację serwisową | |
00
00000
00000| Oś tylna | |
| Kod towaru | 36830 FEB |
| Producent | FEBI BILSTEIN |
| Opis | tarcza hamulcowa |
| Grubość tarczy hamulcowej [mm] | 10 |
| Felga, liczba otworów | 4 |
| Liczba otworów do mocowania | 2 |
| Grubość [mm] | 50,7 |
| Średnica zewnętrzna [mm] | 251 |
| Ø rozmieszczenia otworów [mm] | 98 |
| Powierzchnia | pokryty |
| Typ tarczy hamulcowej | pełny |
| Strona zabudowy | Oś tylna |
| Minimalna grubość [mm] | 9 |
| Średnica otworu centrującego [mm] | 59 |
| uwzględnić informację serwisową | |
00000| Kod towaru | DDF067 FER |
| Producent | FERODO |
| Opis | tarcza hamulcowa |
| Typ tarczy hamulcowej | pełny |
| Średnica zewnętrzna [mm] | 251 |
| Grubość tarczy hamulcowej [mm] | 10 |
| Informacja uzupełniająca | ze śrubami |
| Wysokość [mm] | 50,5 |
| Ø rozmieszczenia otworów [mm] | 98 |
| Średnica otworu centrującego [mm] | 59 |
| Liczba otworów | 5 |
| Jednostka ilości | Zestaw |
| Powierzchnia | naoliwione |
| Oznaczenie kontrolne | R90 Homologated |
| Ciężar [kg] | 7,43 |
| Minimalna grubość [mm] | 9 |
| Moment dokręcenia [Nm] | 98 |
| Rodzaj połączenia | Pudełko |
| Długość opakowania [cm] | 27 |
| Szerokość opakowania [cm] | 27 |
| Wysokość opakowania [cm] | 10,7 |
00000| Kod towaru | DDF067C FER |
| Producent | FERODO |
| Opis | tarcza hamulcowa |
| Typ tarczy hamulcowej | pełny |
| Średnica zewnętrzna [mm] | 251 |
| Grubość tarczy hamulcowej [mm] | 10 |
| Informacja uzupełniająca | ze śrubami |
| Wysokość [mm] | 50,5 |
| Ø rozmieszczenia otworów [mm] | 98 |
| Średnica otworu centrującego [mm] | 59 |
| Liczba otworów | 5 |
| Jednostka ilości | Sztuka |
| Powierzchnia | pokryty |
| Oznaczenie kontrolne | R90 Homologated |
| Ciężar [kg] | 3,72 |
| Minimalna grubość [mm] | 9 |
| Moment dokręcenia [Nm] | 98 |
| Długość opakowania [cm] | 27 |
| Szerokość opakowania [cm] | 27 |
| Wysokość opakowania [cm] | 10,7 |
00
000
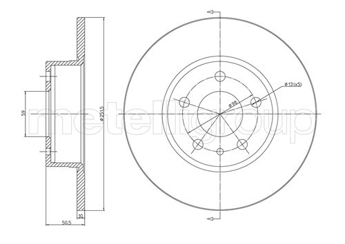
00000| Kod towaru | 23-0368C MET |
| Producent | METELLI |
| Opis | tarcza hamulcowa |
| Oznaczenie kontrolne | ECE-R90 |
| Wysokość [mm] | 50,6 |
| Typ tarczy hamulcowej | pełny |
| Grubość tarczy hamulcowej [mm] | 10,0 |
| Średnica zewnętrzna [mm] | 251,5 |
| Liczba otworów | 5 |
| Średnica otworu centrującego [mm] | 59,0 |
| Powierzchnia | lakierowany |
0
000
00000| Oś tylna | |
| Kod towaru | 24-40005 VAI |
| Producent | VAICO |
| Opis | tarcza hamulcowa |
| Wysokość piasty tarczy hamulcowej [mm] | 40,6 |
| Strona zabudowy | Oś tylna |
| Felga, liczba otworów | 5 |
| Wysokość [mm] | 50,5 |
| Typ tarczy hamulcowej | pełny |
| Grubość tarczy hamulcowej [mm] | 10 |
| Minimalna grubość [mm] | 9 |
| Średnica zewnętrzna [mm] | 251,4 |
| Średnica otworu centrującego [mm] | 59 |
| Ø rozmieszczenia otworów [mm] | 98 |
0
0
00000| Oś tylna | |
| Kod towaru | 40H9048-JPN |
| Producent | JPN |
| Opis | tarcza hamulcowa(251x10mm) Alfa Romeo 147 01-10 tył |
| Strona zabudowy | Oś tylna |
| Typ tarczy hamulcowej | pełny |
| Wysokość [mm] | 50,5 |
| Grubość tarczy hamulcowej [mm] | 10 |
| Średnica zewnętrzna [mm] | 251 |
| Liczba otworów | 5 |
| Średnica otworu centrującego [mm] | 59 |
00
0000
00000| Oś tylna | |
| Kod towaru | 70 93 6830 |
| Producent | SWAG |
| Opis | tarcza hamulcowa |
| Grubość tarczy hamulcowej [mm] | 10 |
| Felga, liczba otworów | 4 |
| Liczba otworów do mocowania | 2 |
| Grubość [mm] | 50,7 |
| Średnica zewnętrzna [mm] | 251 |
| Ø rozmieszczenia otworów [mm] | 98 |
| Powierzchnia | pokryty |
| Typ tarczy hamulcowej | pełny |
| Strona zabudowy | Oś tylna |
| Minimalna grubość [mm] | 9 |
| Średnica otworu centrującego [mm] | 59 |
00
0000
00000| Oś tylna | |
| Kod towaru | 74 91 4079 |
| Producent | SWAG |
| Opis | tarcza hamulcowa |
| Grubość tarczy hamulcowej [mm] | 10 |
| Felga, liczba otworów | 5 |
| Grubość [mm] | 50,5 |
| Średnica zewnętrzna [mm] | 251 |
| Ø rozmieszczenia otworów [mm] | 98 |
| Powierzchnia | pokryty |
| Typ tarczy hamulcowej | pełny |
| Strona zabudowy | Oś tylna |
| Minimalna grubość [mm] | 9 |
| Średnica otworu centrującego [mm] | 59 |
00
000
00000| Kod towaru | 8DD 355 101-971 |
| Producent | HELLA |
| Opis | tarcza hamulcowa |
| Typ tarczy hamulcowej | pełny |
| Średnica zewnętrzna [mm] | 251 |
| Grubość tarczy hamulcowej [mm] | 10 |
| Wysokość [mm] | 50,5 |
| Minimalna grubość [mm] | 9 |
| Powierzchnia | pokryty |
| Ø rozmieszczenia otworów [mm] | 98 |
| Średnica otworu centrującego [mm] | 59 |
| Wzór otworów/liczba otworów | 05/06 |
| Informacja uzupełniająca | bez piasty koła |
| Informacja uzupełniająca | bez sworznia mocującego koła |
| Ciężar [kg] | 3,6 |
| Montaż/demontaż koniecznie do wykonania przez fachowców! |
0
0000
00000| Kod towaru | 92046903 TXT |
| Producent | TEXTAR |
| Opis | tarcza hamulcowa |
| Typ tarczy hamulcowej | pełny |
| Średnica zewnętrzna [mm] | 251 |
| Grubość tarczy hamulcowej [mm] | 10 |
| Wysokość [mm] | 50,5 |
| Minimalna grubość [mm] | 9 |
| Powierzchnia | pokryty |
| Średnica wewnętrzna [mm] | 127,2 |
| Ø rozmieszczenia otworów [mm] | 98 |
| Średnica otworu centrującego [mm] | 59 |
| Wzór otworów/liczba otworów | 05/06 |
| Średnica otworu szpilki koła [mm] | 13 |
| Informacja uzupełniająca | bez piasty koła |
| Informacja uzupełniająca | bez łożyska koła |
| Informacja uzupełniająca | bez sworznia mocującego koła |
| Długość opakowania [cm] | 27,8 |
| Szerokość opakowania [cm] | 27,8 |
| Wysokość opakowania [cm] | 12,2 |
| Ciężar [kg] | 3,6 |
00000| Kod towaru | A2163P LPR |
| Producent | LPR |
| Opis | tarcza hamulcowa |
| Typ tarczy hamulcowej | pełny |
| Wysokość [mm] | 50,5 |
| Grubość tarczy hamulcowej [mm] | 10 |
| Minimalna grubość [mm] | 9 |
| Średnica zewnętrzna [mm] | 251 |
| Średnica otworu centrującego [mm] | 59 |
| Liczba otworów | 5 |
0000
00000| Oś tylna | |
| Kod towaru | BS-1490C OPT |
| Producent | OPTIMAL |
| Opis | tarcza hamulcowa |
| Strona zabudowy | Oś tylna |
| Typ tarczy hamulcowej | pełny |
| Grubość tarczy hamulcowej [mm] | 10 |
| Średnica zewnętrzna [mm] | 251 |
| Wysokość [mm] | 50,5 |
| Średnica otworu centrującego [mm] | 59 |
| Powierzchnia | pokryty |
| Informacja uzupełniająca | ze śrubami |
| Minimalna grubość [mm] | 9 |
| Wzór otworów/liczba otworów | 5/6 |
00
00000
00000| Kod towaru | DF0211 |
| Producent | MAGNETI MARELLI |
| Opis | tarcza hamulcowa |
| Typ tarczy hamulcowej | pełny |
| Średnica [mm] | 251 |
| Wysokość [mm] | 50,5 |
| Minimalna grubość [mm] | 9 |
| Liczba otworów | 5 |
| Ø rozmieszczenia otworów [mm] | 59 |
| Moment dokręcenia [Nm] | 98 |
| Informacja uzupełniająca | ze śrubami |
| Grubość tarczy hamulcowej [mm] | 10 |
| Średnica zewnętrzna [mm] | 251 |
00
00000
00000| Kod towaru | DFM0211 |
| Producent | MAGNETI MARELLI |
| Opis | tarcza hamulcowa |
| Typ tarczy hamulcowej | szczelinowy |
| Średnica [mm] | 251 |
| Wysokość [mm] | 50,5 |
| Minimalna grubość [mm] | 9 |
| Liczba otworów | 5 |
| Ø rozmieszczenia otworów [mm] | 59 |
| Moment dokręcenia [Nm] | 98 |
| Informacja uzupełniająca | ze śrubami |
| Grubość tarczy hamulcowej [mm] | 10 |
| Średnica zewnętrzna [mm] | 251 |
0
00
00000| Oś tylna, Oś tylna strona lewa, Oś tylna strona prawa | |
| Kod towaru | GH-421056 |
| Producent | GH |
| Opis | tarcza hamulcowaALFA ROMEO 147, 156 1997-, 164 [251.4*50.5*10-5] |
| Strona zabudowy | Oś tylna |
| Strona zabudowy | Oś tylna strona prawa |
| Strona zabudowy | Oś tylna strona lewa |
| Grubość tarczy hamulcowej [mm] | 10 |
| Liczba otworów | 5 |
| Ø rozmieszczenia otworów [mm] | 98 |
| Średnica otworu centrującego [mm] | 59 |
| Średnica zewnętrzna [mm] | 251,5 |
| Typ tarczy hamulcowej | pełny |
| Wymiar gwintu | 13 |
| Wysokość [mm] | 50,5 |
0
00
00000| Oś tylna, Oś tylna strona lewa, Oś tylna strona prawa | |
| Kod towaru | GH-422309 |
| Producent | GH |
| Opis | tarcza hamulcowaFIAT STILO 2001-, BRAVO 2007-, LINEA, MULTIPLA [251*50.5*10-4] |
| Strona zabudowy | Oś tylna |
| Strona zabudowy | Oś tylna strona prawa |
| Strona zabudowy | Oś tylna strona lewa |
| Grubość tarczy hamulcowej [mm] | 10 |
| Liczba otworów | 4 |
| Ø rozmieszczenia otworów [mm] | 98 |
| Średnica otworu centrującego [mm] | 59 |
| Średnica zewnętrzna [mm] | 251,5 |
| Typ tarczy hamulcowej | pełny |
| Wymiar gwintu | 13 |
| Wysokość [mm] | 50,5 |
00
00000
00000| Kod towaru | MBD0185 |
| Producent | MAGNETI MARELLI |
| Opis | tarcza hamulcowa |
| Typ tarczy hamulcowej | pełny |
| Średnica [mm] | 251 |
| Wysokość [mm] | 50,5 |
| Minimalna grubość [mm] | 9 |
| Liczba otworów | 5 |
| Ø rozmieszczenia otworów [mm] | 59 |
| Moment dokręcenia [Nm] | 98 |
| Grubość tarczy hamulcowej [mm] | 10 |
| Średnica zewnętrzna [mm] | 251 |
00000| Kod towaru | VKBD 90501 S2 |
| Producent | SKF |
| Opis | tarcza hamulcowa |
| Typ tarczy hamulcowej | pełny |
| Średnica zewnętrzna [mm] | 251 |
| Grubość tarczy hamulcowej [mm] | 10 |
| Wysokość [mm] | 50,5 |
| Ø rozmieszczenia otworów [mm] | 98 |
| Średnica otworu centrującego [mm] | 59 |
| Liczba otworów | 5 |
| Powierzchnia | pokryty |
| Minimalna grubość [mm] | 9 |
| Liczba otworów | 1 |
