0
00000| Kod towaru | 18076 ABS |
| Producent | A.B.S. |
| Opis | tarcza hamulcowa |
| średnica zewnętrzna [mm] | 308 |
| Grubość tarczy hamulcowej [mm] | 16 |
| Minimalna grubość [mm] | 14 |
| Wysokość [mm] | 57 |
| Felga, liczba otworów | 5 |
| Typ tarczy hamulcowej | wentylowany |
| Średnica otworu centrującego [mm] | 62 |
| Ø rozmieszczenia otworów [mm] | 114,3 |
| Powierzchnia | pokryty |
| średnica piasty [mm] | 212 |
00
0000
00000| Oś tylna | |
| Kod towaru | ADK84336 BLP |
| Producent | BLUE PRINT |
| Opis | tarcza hamulcowa |
| Grubość tarczy hamulcowej [mm] | 16 |
| Felga, liczba otworów | 5 |
| Liczba otworów do mocowania | 3 |
| Grubość [mm] | 57 |
| średnica zewnętrzna [mm] | 308 |
| Ø rozmieszczenia otworów [mm] | 114 |
| Powierzchnia | pokryty |
| Typ tarczy hamulcowej | z wentylacją wewnętrzną |
| Strona zabudowy | Oś tylna |
| Minimalna grubość [mm] | 14 |
| Średnica otworu centrującego [mm] | 62 |
| Ciężar [kg] | 6,460 |
| uwzględnić informację serwisową | |
0
0000
00000| Kod towaru | 92222200 TXT |
| Producent | TEXTAR |
| Opis | tarcza hamulcowa |
| Typ tarczy hamulcowej | z wentylacją wewnętrzną |
| średnica zewnętrzna [mm] | 308 |
| Grubość tarczy hamulcowej [mm] | 16 |
| Wysokość [mm] | 57 |
| Minimalna grubość [mm] | 14 |
| Średnica wewnętrzna [mm] | 200 |
| Ø rozmieszczenia otworów [mm] | 114,3 |
| Średnica otworu centrującego [mm] | 62 |
| Wzór otworów/liczba otworów | 05/08 |
| Średnica otworu szpilki koła [mm] | 12,6 |
| Informacja uzupełniająca | bez piasty koła |
| Informacja uzupełniająca | bez łożyska koła |
| Informacja uzupełniająca | bez sworznia mocującego koła |
| Długość opakowania [cm] | 34,3 |
| Szerokość opakowania [cm] | 34,3 |
| Wysokość opakowania [cm] | 14,5 |
| Ciężar [kg] | 6 |
00
000
00000| Oś tylna | |
| Kod towaru | 61-08-802C ASH |
| Producent | ASHIKA |
| Opis | tarcza hamulcowa |
| Strona zabudowy | Oś tylna |
| Ø rozmieszczenia otworów [mm] | 62 |
| Wysokość [mm] | 57 |
| średnica zewnętrzna [mm] | 307,5 |
| Grubość tarczy hamulcowej [mm] | 16 |
| Minimalna grubość [mm] | 14 |
| Liczba otworów | 5 |
| Typ tarczy hamulcowej | wentylowany |
| Powierzchnia | lakierowany |
| dla numeru OE | 5561177K01 |
00
00000
00000| Oś tylna | |
| Kod towaru | 108483 FEB |
| Producent | FEBI BILSTEIN |
| Opis | tarcza hamulcowa5561177K00 |
| Grubość tarczy hamulcowej [mm] | 16 |
| Felga, liczba otworów | 5 |
| Liczba otworów do mocowania | 3 |
| Grubość [mm] | 57,1 |
| średnica zewnętrzna [mm] | 308 |
| Ø rozmieszczenia otworów [mm] | 114,3 |
| Powierzchnia | pokryty |
| Typ tarczy hamulcowej | z wentylacją wewnętrzną |
| Strona zabudowy | Oś tylna |
| Minimalna grubość [mm] | 14 |
| Średnica otworu centrującego [mm] | 62 |
| Ciężar [kg] | 6,460 |
| uwzględnić informację serwisową | |
00000| Kod towaru | DDF2072C FER |
| Producent | FERODO |
| Opis | tarcza hamulcowa |
| Typ tarczy hamulcowej | wentylowany |
| średnica zewnętrzna [mm] | 308 |
| Grubość tarczy hamulcowej [mm] | 16 |
| Informacja uzupełniająca | bez śrub |
| Wysokość [mm] | 57 |
| Średnica otworu centrującego [mm] | 62 |
| Liczba otworów | 5 |
| Jednostka ilości | Zestaw |
| Powierzchnia | pokryty |
| Ciężar [kg] | 13,3 |
| Minimalna grubość [mm] | 14 |
| Rodzaj połączenia | Pudełko |
| Długość opakowania [cm] | 32 |
| Szerokość opakowania [cm] | 32 |
| Wysokość opakowania [cm] | 12 |
00
000
00000| Kod towaru | 8DD 355 116-781 |
| Producent | HELLA |
| Opis | tarcza hamulcowa |
| Typ tarczy hamulcowej | z wentylacją wewnętrzną |
| średnica zewnętrzna [mm] | 308 |
| Grubość tarczy hamulcowej [mm] | 16 |
| Wysokość [mm] | 57 |
| Minimalna grubość [mm] | 14 |
| Ø rozmieszczenia otworów [mm] | 114,3 |
| Średnica otworu centrującego [mm] | 62 |
| Wzór otworów/liczba otworów | 05/08 |
| Informacja uzupełniająca | bez piasty koła |
| Informacja uzupełniająca | bez sworznia mocującego koła |
| Ciężar [kg] | 6 |
| Montaż/demontaż koniecznie do wykonania przez fachowców! |
00
000
00000| Oś tylna | |
| Kod towaru | 103358 |
| Producent | KAMOKA |
| Opis | tarcza hamulcowa |
| Strona zabudowy | Oś tylna |
| Typ tarczy hamulcowej | z wentylacją wewnętrzną |
| Grubość tarczy hamulcowej [mm] | 16 |
| Ø rozmieszczenia otworów [mm] | 114 |
| Felga, liczba otworów | 5 |
| Średnica otworu centrującego [mm] | 62 |
| Powierzchnia | pokryty |
| średnica zewnętrzna [mm] | 308 |
| Liczba otworów do mocowania | 3 |
00
000
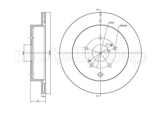
00000| Kod towaru | 23-1639C MET |
| Producent | METELLI |
| Opis | tarcza hamulcowa |
| Oznaczenie kontrolne | ECE-R90 |
| Wysokość [mm] | 57,0 |
| Typ tarczy hamulcowej | wentylowany |
| Grubość tarczy hamulcowej [mm] | 16,0 |
| średnica zewnętrzna [mm] | 308,0 |
| Liczba otworów | 5 |
| Średnica otworu centrującego [mm] | 62,0 |
| Powierzchnia | lakierowany |
0
00000| Kod towaru | 40H8005-OYO |
| Producent | OYODO |
| Opis | tarcza hamulcowa |
| Typ tarczy hamulcowej | wentylowany |
| Wysokość [mm] | 57 |
| Grubość tarczy hamulcowej [mm] | 16 |
| średnica zewnętrzna [mm] | 308 |
| Liczba otworów | 5 |
| Średnica otworu centrującego [mm] | 62 |
| Ø rozmieszczenia otworów [mm] | 114,3 |
00
00000
00000| Oś tylna | |
| Kod towaru | 6106264 SAS |
| Producent | SASIC |
| Opis | tarcza hamulcowa |
| Strona zabudowy | Oś tylna |
| Typ tarczy hamulcowej | wentylowany |
| średnica zewnętrzna [mm] | 308 |
| Grubość tarczy hamulcowej [mm] | 16 |
| Wysokość [mm] | 57 |
| Ø rozmieszczenia otworów [mm] | 62 |
| Liczba otworów | 5 |
| dla numeru OE | 5561177K01 |
| Informacja uzupełniająca | bez łożyska koła |
| Zamiana tylko w parach | |
0
0000
00000| Oś tylna | |
| Kod towaru | 33 10 6490 |
| Producent | SWAG |
| Opis | tarcza hamulcowa |
| Grubość tarczy hamulcowej [mm] | 16 |
| Felga, liczba otworów | 5 |
| Liczba otworów do mocowania | 3 |
| Grubość [mm] | 57,1 |
| średnica zewnętrzna [mm] | 308 |
| Ø rozmieszczenia otworów [mm] | 114,3 |
| Powierzchnia | pokryty |
| Typ tarczy hamulcowej | z wentylacją wewnętrzną |
| Strona zabudowy | Oś tylna |
| Minimalna grubość [mm] | 14 |
| Średnica otworu centrującego [mm] | 62 |
| Ciężar [kg] | 6,460 |
00
00000
00000| Kod towaru | DF6351 |
| Producent | TRW |
| Opis | tarcza hamulcowa |
| Typ tarczy hamulcowej | wentylowany |
| Liczba otworów | 5 |
| średnica zewnętrzna [mm] | 308 |
| Średnica otworu centrującego [mm] | 62 |
| Wysokość [mm] | 57 |
| Grubość tarczy hamulcowej [mm] | 16 |
| Minimalna grubość [mm] | 14 |
| Ø rozmieszczenia otworów [mm] | 114,3 |
| Kolor | czarny |
| Powierzchnia | lakierowany |
| Oznaczenie kontrolne | E1 90R-02 C0226/0643 |
000
0000
00000| Oś tylna | |
| Kod towaru | 672721 VAL |
| Producent | VALEO |
| Opis | tarcza hamulcowa |
| Strona zabudowy | Oś tylna |
| Typ tarczy hamulcowej | pełny |
| Powierzchnia | pokryty |
| średnica zewnętrzna [mm] | 280 |
| Grubość tarczy hamulcowej [mm] | 10 |
| Średnica otworu centrującego [mm] | 72 |
| Wysokość [mm] | 40 |
| Minimalna grubość [mm] | 8 |
| Felga, liczba otworów | 5 |
| Liczba otworów do mocowania | 2 |
| Liczba otworów 1 | 1 |
| Informacja uzupełniająca | bez zintegrowanego łożyska koła |
| Oznaczenie kontrolne | ECE-R90 |
| Ciężar [kg] | 8,49 |
