0
00000| Kod towaru | 18078 ABS |
| Producent | A.B.S. |
| Opis | tarcza hamulcowa |
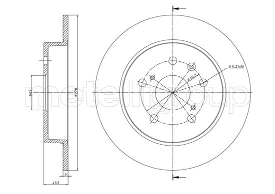
| średnica zewnętrzna [mm] | 278 |
| Grubość tarczy hamulcowej [mm] | 9 |
| Minimalna grubość [mm] | 8 |
| Wysokość [mm] | 43,1 |
| Felga, liczba otworów | 5 |
| Typ tarczy hamulcowej | pełny |
| Średnica otworu centrującego [mm] | 62 |
| Ø rozmieszczenia otworów [mm] | 114,3 |
| Powierzchnia | pokryty |
| średnica piasty [mm] | 180 |
00
0000
00000| Oś tylna | |
| Kod towaru | ADK84335 BLP |
| Producent | BLUE PRINT |
| Opis | tarcza hamulcowa |
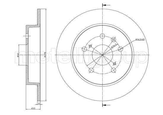
| Grubość tarczy hamulcowej [mm] | 9 |
| Felga, liczba otworów | 5 |
| Liczba otworów do mocowania | 3 |
| Grubość [mm] | 43 |
| średnica zewnętrzna [mm] | 278 |
| Ø rozmieszczenia otworów [mm] | 114 |
| Powierzchnia | pokryty |
| Typ tarczy hamulcowej | pełny |
| Strona zabudowy | Oś tylna |
| Minimalna grubość [mm] | 8 |
| Średnica otworu centrującego [mm] | 62 |
| Ciężar [kg] | 4,180 |
| dla numeru OE | 55611-55L01 |
| uwzględnić informację serwisową | |
000
00000| Oś tylna | |
| Kod towaru | 33-155230000/PD MEY |
| Producent | MEYLE |
| Opis | tarcza hamulcowaTARCZA HAM. SUZUKI T. SX4 09- 278X9 |
| Strona zabudowy | Oś tylna |
| średnica zewnętrzna [mm] | 278 |
| Wysokość [mm] | 43,4 |
| Grubość tarczy hamulcowej [mm] | 9 |
| Minimalna grubość [mm] | 8 |
| Średnica otworu centrującego [mm] | 62 |
| Ø rozmieszczenia otworów [mm] | 114,3 |
| Średnica otworu szpilki koła [mm] | 14 |
| Liczba otworów | 5 |
| Typ tarczy hamulcowej | pełny |
| Powierzchnia | Płytki pokryte cynkiem |
| Jakość | PREMIUM |
| wymagana liczba | 2 |
00
000
00000| Oś tylna | |
| Kod towaru | 61-08-803C ASH |
| Producent | ASHIKA |
| Opis | tarcza hamulcowa |
| Strona zabudowy | Oś tylna |
| Ø rozmieszczenia otworów [mm] | 62 |
| Wysokość [mm] | 43 |
| średnica zewnętrzna [mm] | 278 |
| Grubość tarczy hamulcowej [mm] | 9 |
| Minimalna grubość [mm] | 7 |
| Liczba otworów | 5 |
| Typ tarczy hamulcowej | pełny |
| Powierzchnia | lakierowany |
| dla numeru OE | 71768089 |
0
0
00000| Kod towaru | 800-1398C CIF |
| Producent | CIFAM |
| Opis | tarcza hamulcowa |
| Oznaczenie kontrolne | ECE-R90 |
| Wysokość [mm] | 43,0 |
| Typ tarczy hamulcowej | pełny |
| Grubość tarczy hamulcowej [mm] | 9,0 |
| średnica zewnętrzna [mm] | 278,0 |
| Liczba otworów | 5 |
| Średnica otworu centrującego [mm] | 62,0 |
| Powierzchnia | lakierowany |
00
00000
00000| Oś tylna | |
| Kod towaru | 108495 FEB |
| Producent | FEBI BILSTEIN |
| Opis | tarcza hamulcowa(278x9mm) |
| Grubość tarczy hamulcowej [mm] | 9 |
| Felga, liczba otworów | 5 |
| Liczba otworów do mocowania | 3 |
| Grubość [mm] | 43 |
| średnica zewnętrzna [mm] | 278 |
| Ø rozmieszczenia otworów [mm] | 114,3 |
| Powierzchnia | pokryty |
| Typ tarczy hamulcowej | pełny |
| Strona zabudowy | Oś tylna |
| Minimalna grubość [mm] | 8 |
| Średnica otworu centrującego [mm] | 62 |
| Ciężar [kg] | 4,180 |
| dla numeru OE | 55611-55L01 |
| uwzględnić informację serwisową | |
00000| Kod towaru | DDF2067C FER |
| Producent | FERODO |
| Opis | tarcza hamulcowa |
| Typ tarczy hamulcowej | pełny |
| średnica zewnętrzna [mm] | 278 |
| Grubość tarczy hamulcowej [mm] | 9 |
| Informacja uzupełniająca | ze śrubami |
| Wysokość [mm] | 43 |
| Ø rozmieszczenia otworów [mm] | 114,3 |
| Średnica otworu centrującego [mm] | 62 |
| Liczba otworów do mocowania | 3 |
| Liczba otworów | 5 |
| Jednostka ilości | Zestaw |
| Powierzchnia | pokryty |
| Oznaczenie kontrolne | R90 homologated |
| Ciężar [kg] | 8,43 |
| Minimalna grubość [mm] | 8 |
| Rodzaj połączenia | Pudełko |
| Długość opakowania [cm] | 28 |
| Szerokość opakowania [cm] | 28 |
| Wysokość opakowania [cm] | 10 |
00000| Kod towaru | DDF2075C FER |
| Producent | FERODO |
| Opis | tarcza hamulcowa |
| Typ tarczy hamulcowej | pełny |
| średnica zewnętrzna [mm] | 278 |
| Grubość tarczy hamulcowej [mm] | 9 |
| Informacja uzupełniająca | bez śrub |
| Wysokość [mm] | 43,3 |
| Średnica otworu centrującego [mm] | 62 |
| Liczba otworów | 5 |
| Jednostka ilości | Zestaw |
| Powierzchnia | pokryty |
| Oznaczenie kontrolne | R90 homologated |
| Ciężar [kg] | 8,9 |
| Minimalna grubość [mm] | 8 |
| Rodzaj połączenia | Pudełko |
| Długość opakowania [cm] | 28 |
| Szerokość opakowania [cm] | 28 |
| Wysokość opakowania [cm] | 9 |
00
000
00000| Kod towaru | 23-1398C MET |
| Producent | METELLI |
| Opis | tarcza hamulcowa |
| Oznaczenie kontrolne | ECE-R90 |
| Wysokość [mm] | 43,0 |
| Typ tarczy hamulcowej | pełny |
| Grubość tarczy hamulcowej [mm] | 9,0 |
| średnica zewnętrzna [mm] | 278,0 |
| Liczba otworów | 5 |
| Średnica otworu centrującego [mm] | 62,0 |
| Powierzchnia | lakierowany |
0
0000
00000| Oś tylna | |
| Kod towaru | 33 10 2522 |
| Producent | SWAG |
| Opis | tarcza hamulcowa |
| Grubość tarczy hamulcowej [mm] | 9 |
| Felga, liczba otworów | 5 |
| Liczba otworów do mocowania | 3 |
| Grubość [mm] | 43 |
| średnica zewnętrzna [mm] | 278 |
| Ø rozmieszczenia otworów [mm] | 114,3 |
| Powierzchnia | pokryty |
| Typ tarczy hamulcowej | pełny |
| Strona zabudowy | Oś tylna |
| Minimalna grubość [mm] | 8 |
| Średnica otworu centrującego [mm] | 62 |
| Ciężar [kg] | 4,180 |
| dla numeru OE | 55611-55L01 |
0
00000| Kod towaru | 40H9132-JPN |
| Producent | JPN |
| Opis | tarcza hamulcowa |
| Typ tarczy hamulcowej | pełny |
| Felga, liczba otworów | 5 |
| Wysokość [mm] | 43,4 |
| Grubość tarczy hamulcowej [mm] | 9 |
| średnica zewnętrzna [mm] | 278 |
| średnica piasty [mm] | 180 |
00
000
00000| Kod towaru | 8DD 355 123-021 |
| Producent | HELLA |
| Opis | tarcza hamulcowa |
| Typ tarczy hamulcowej | pełny |
| średnica zewnętrzna [mm] | 278 |
| Grubość tarczy hamulcowej [mm] | 9 |
| Wysokość [mm] | 43,3 |
| Minimalna grubość [mm] | 8 |
| Powierzchnia | pokryty |
| Ø rozmieszczenia otworów [mm] | 114,3 |
| Średnica otworu centrującego [mm] | 62 |
| Wzór otworów/liczba otworów | 05/08 |
| Informacja uzupełniająca | bez piasty koła |
| Informacja uzupełniająca | bez sworznia mocującego koła |
| Ciężar [kg] | 4 |
| Montaż/demontaż koniecznie do wykonania przez fachowców! |
0
0000
00000| Kod towaru | 92225303 TXT |
| Producent | TEXTAR |
| Opis | tarcza hamulcowa |
| Typ tarczy hamulcowej | pełny |
| średnica zewnętrzna [mm] | 278 |
| Grubość tarczy hamulcowej [mm] | 9 |
| Wysokość [mm] | 43,3 |
| Minimalna grubość [mm] | 8 |
| Powierzchnia | pokryty |
| Średnica wewnętrzna [mm] | 169 |
| Ø rozmieszczenia otworów [mm] | 114,3 |
| Średnica otworu centrującego [mm] | 62 |
| Wzór otworów/liczba otworów | 05/08 |
| Średnica otworu szpilki koła [mm] | 14,2 |
| Informacja uzupełniająca | bez piasty koła |
| Informacja uzupełniająca | bez łożyska koła |
| Informacja uzupełniająca | bez sworznia mocującego koła |
| Długość opakowania [cm] | 29,3 |
| Szerokość opakowania [cm] | 29,3 |
| Wysokość opakowania [cm] | 10,5 |
| Ciężar [kg] | 4 |
0000
00000| Oś tylna | |
| Kod towaru | BS-9156 OPT |
| Producent | OPTIMAL |
| Opis | tarcza hamulcowa |
| Strona zabudowy | Oś tylna |
| Typ tarczy hamulcowej | pełny |
| Grubość tarczy hamulcowej [mm] | 9 |
| średnica zewnętrzna [mm] | 278 |
| Wysokość [mm] | 43,2 |
| Średnica otworu centrującego [mm] | 62 |
| Minimalna grubość [mm] | 8 |
| Wzór otworów/liczba otworów | 5/8 |
0000
00000| Oś tylna | |
| Kod towaru | BS-9156C OPT |
| Producent | OPTIMAL |
| Opis | tarcza hamulcowa |
| Strona zabudowy | Oś tylna |
| Typ tarczy hamulcowej | pełny |
| Grubość tarczy hamulcowej [mm] | 9 |
| średnica zewnętrzna [mm] | 278 |
| Wysokość [mm] | 43,2 |
| Średnica otworu centrującego [mm] | 62 |
| Powierzchnia | pokryty |
| Informacja uzupełniająca | ze śrubami |
| Minimalna grubość [mm] | 8 |
| Wzór otworów/liczba otworów | 5/8 |
