0
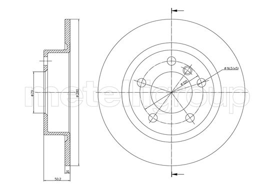
00000| Kod towaru | 18205 ABS |
| Producent | A.B.S. |
| Opis | tarcza hamulcowa |
| średnica zewnętrzna [mm] | 280 |
| Grubość tarczy hamulcowej [mm] | 10 |
| Minimalna grubość [mm] | 8,4 |
| Wysokość [mm] | 50,2 |
| Felga, liczba otworów | 5 |
| Typ tarczy hamulcowej | pełny |
| Średnica otworu centrującego [mm] | 79 |
| Ø rozmieszczenia otworów [mm] | 120 |
| Powierzchnia | pokryty |
| średnica piasty [mm] | 162 |
00
0000
00000| Oś tylna | |
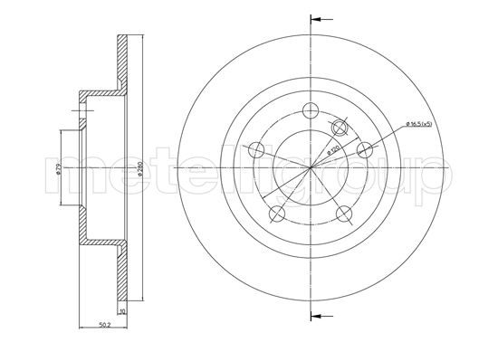
| Kod towaru | ADB114313 BLP |
| Producent | BLUE PRINT |
| Opis | tarcza hamulcowa |
| Grubość tarczy hamulcowej [mm] | 10 |
| Felga, liczba otworów | 5 |
| Liczba otworów do mocowania | 1 |
| średnica zewnętrzna [mm] | 280 |
| Ø rozmieszczenia otworów [mm] | 120 |
| Powierzchnia | pokryty |
| Typ tarczy hamulcowej | pełny |
| Strona zabudowy | Oś tylna |
| Minimalna grubość [mm] | 8,4 |
| Średnica otworu centrującego [mm] | 79 |
| Ciężar [kg] | 4,21 |
| uwzględnić informację serwisową | |
000
000
00000| Kod towaru | 08.B649.11 |
| Producent | BREMBO |
| Opis | tarcza hamulcowa |
| Typ tarczy hamulcowej | pełny |
| Grubość tarczy hamulcowej [mm] | 10 |
| Liczba otworów | 5 |
| Informacja uzupełniająca | ze śrubami |
| Wysokość [mm] | 50 |
| Średnica otworu centrującego [mm] | 79 |
| średnica zewnętrzna [mm] | 280 |
| Przetwarzanie | wysoko nawęglany |
| Powierzchnia | pokryty |
| Minimalna grubość [mm] | 8,4 |
0
0
00000| Kod towaru | 800-1379C CIF |
| Producent | CIFAM |
| Opis | tarcza hamulcowa |
| Oznaczenie kontrolne | ECE-R90 |
| Wysokość [mm] | 50,2 |
| Typ tarczy hamulcowej | pełny |
| Grubość tarczy hamulcowej [mm] | 10,0 |
| średnica zewnętrzna [mm] | 280,0 |
| Liczba otworów | 5 |
| Średnica otworu centrującego [mm] | 79,0 |
| Powierzchnia | lakierowany |
00
00000
00000| Oś tylna | |
| Kod towaru | 43822 FEB |
| Producent | FEBI BILSTEIN |
| Opis | tarcza hamulcowa |
| Grubość tarczy hamulcowej [mm] | 10 |
| Felga, liczba otworów | 5 |
| Liczba otworów do mocowania | 1 |
| średnica zewnętrzna [mm] | 280 |
| Ø rozmieszczenia otworów [mm] | 120 |
| Powierzchnia | pokryty |
| Typ tarczy hamulcowej | pełny |
| Strona zabudowy | Oś tylna |
| Minimalna grubość [mm] | 8,4 |
| Średnica otworu centrującego [mm] | 79 |
| Ciężar [kg] | 4,18 |
| uwzględnić informację serwisową | |
00
000
00000| Kod towaru | 8DD 355 123-001 |
| Producent | HELLA |
| Opis | tarcza hamulcowa |
| Typ tarczy hamulcowej | pełny |
| średnica zewnętrzna [mm] | 280 |
| Grubość tarczy hamulcowej [mm] | 10 |
| Wysokość [mm] | 50,2 |
| Minimalna grubość [mm] | 8,4 |
| Powierzchnia | pokryty |
| Ø rozmieszczenia otworów [mm] | 120 |
| Średnica otworu centrującego [mm] | 79 |
| Wzór otworów/liczba otworów | 05/06 |
| Informacja uzupełniająca | bez piasty koła |
| Informacja uzupełniająca | bez sworznia mocującego koła |
| Ciężar [kg] | 4,2 |
| Montaż/demontaż koniecznie do wykonania przez fachowców! |
00
000
00000| Oś tylna | |
| Kod towaru | 103401 |
| Producent | KAMOKA |
| Opis | tarcza hamulcowa |
| Strona zabudowy | Oś tylna |
| Typ tarczy hamulcowej | pełny |
| Grubość tarczy hamulcowej [mm] | 10 |
| Ø rozmieszczenia otworów [mm] | 120 |
| Liczba otworów | 5 |
| Informacja uzupełniająca | ze śrubami |
| Felga, liczba otworów | 5 |
| Wysokość [mm] | 50 |
| Średnica otworu centrującego [mm] | 79 |
| Powierzchnia | pokryty |
| średnica zewnętrzna [mm] | 280 |
| Liczba otworów do mocowania | 1 |
0
0000
00000| Oś tylna | |
| Kod towaru | 11 94 3822 |
| Producent | SWAG |
| Opis | tarcza hamulcowa |
| Grubość tarczy hamulcowej [mm] | 10 |
| Felga, liczba otworów | 5 |
| Liczba otworów do mocowania | 1 |
| średnica zewnętrzna [mm] | 280 |
| Ø rozmieszczenia otworów [mm] | 120 |
| Powierzchnia | pokryty |
| Typ tarczy hamulcowej | pełny |
| Strona zabudowy | Oś tylna |
| Minimalna grubość [mm] | 8,4 |
| Średnica otworu centrującego [mm] | 79 |
| Ciężar [kg] | 4,18 |
00
000
00000| Kod towaru | 150.3487.20 ZIM |
| Producent | ZIMMERMANN |
| Opis | tarcza hamulcowa |
| Typ tarczy hamulcowej | pełny |
| Przetwarzanie | wysoko nawęglany |
| Powierzchnia | pokryty |
| średnica zewnętrzna [mm] | 280 |
| Grubość tarczy hamulcowej [mm] | 10 |
| Wysokość [mm] | 50 |
| Felga, liczba otworów | 5 |
| Ø rozmieszczenia otworów [mm] | 120 |
| Średnica otworu centrującego [mm] | 79 |
| Oznaczenie kontrolne | ECE R90 APPROVED |
| Minimalna grubość [mm] | 8,4 |
| Ciężar [kg] | 4,2 |
| Wzór otworów/liczba otworów | 6/5 |
00
000
00000| Kod towaru | 150.3487.52 ZIM |
| Producent | ZIMMERMANN |
| Opis | tarcza hamulcowa |
| Typ tarczy hamulcowej | pełny |
| Typ tarczy hamulcowej | perforowany |
| Przetwarzanie | wysoko nawęglany |
| Powierzchnia | pokryty |
| średnica zewnętrzna [mm] | 280 |
| Grubość tarczy hamulcowej [mm] | 10 |
| Wysokość [mm] | 50 |
| Felga, liczba otworów | 5 |
| Ø rozmieszczenia otworów [mm] | 120 |
| Średnica otworu centrującego [mm] | 79 |
| Oznaczenie kontrolne | ECE R90 APPROVED |
| Minimalna grubość [mm] | 8,4 |
| Ciężar [kg] | 4,2 |
| Wzór otworów/liczba otworów | 6/5 |
00
000
00000| Kod towaru | 23-1379C MET |
| Producent | METELLI |
| Opis | tarcza hamulcowa |
| Oznaczenie kontrolne | ECE-R90 |
| Wysokość [mm] | 50,2 |
| Typ tarczy hamulcowej | pełny |
| Grubość tarczy hamulcowej [mm] | 10,0 |
| średnica zewnętrzna [mm] | 280,0 |
| Liczba otworów | 5 |
| Średnica otworu centrującego [mm] | 79,0 |
| Powierzchnia | lakierowany |
0
0000
00000| Kod towaru | 92238703 TXT |
| Producent | TEXTAR |
| Opis | tarcza hamulcowa |
| Typ tarczy hamulcowej | pełny |
| średnica zewnętrzna [mm] | 280 |
| Grubość tarczy hamulcowej [mm] | 10 |
| Wysokość [mm] | 50,2 |
| Minimalna grubość [mm] | 8,4 |
| Powierzchnia | pokryty |
| Średnica wewnętrzna [mm] | 151,8 |
| Ø rozmieszczenia otworów [mm] | 120 |
| Średnica otworu centrującego [mm] | 79 |
| Wzór otworów/liczba otworów | 05/06 |
| Średnica otworu szpilki koła [mm] | 16,7 |
| Informacja uzupełniająca | bez piasty koła |
| Informacja uzupełniająca | bez łożyska koła |
| Informacja uzupełniająca | bez sworznia mocującego koła |
| Długość opakowania [cm] | 30,8 |
| Szerokość opakowania [cm] | 30,8 |
| Wysokość opakowania [cm] | 12,7 |
| Ciężar [kg] | 4,2 |
0
000
00000| Kod towaru | 92238705 TXT |
| Producent | TEXTAR |
| Opis | tarcza hamulcowa |
| Typ tarczy hamulcowej | pełny |
| średnica zewnętrzna [mm] | 280 |
| Grubość tarczy hamulcowej [mm] | 10 |
| Wysokość [mm] | 50,2 |
| Minimalna grubość [mm] | 8,4 |
| Przetwarzanie | wysoko nawęglany |
| Powierzchnia | pokryty |
| Średnica wewnętrzna [mm] | 151,8 |
| Ø rozmieszczenia otworów [mm] | 120 |
| Średnica otworu centrującego [mm] | 79 |
| Wzór otworów/liczba otworów | 05/06 |
| Średnica otworu szpilki koła [mm] | 16,7 |
| Informacja uzupełniająca | bez piasty koła |
| Informacja uzupełniająca | bez łożyska koła |
| Informacja uzupełniająca | bez sworznia mocującego koła |
| Długość opakowania [cm] | 30,8 |
| Szerokość opakowania [cm] | 30,8 |
| Wysokość opakowania [cm] | 12,7 |
| Ciężar [kg] | 4,2 |
