0
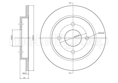
02000| Kod towaru | 16375 ABS |
| Producent | A.B.S. |
| Opis | tarcza hamulcowa |
| średnica zewnętrzna [mm] | 253 |
| Grubość tarczy hamulcowej [mm] | 10,3 |
| Minimalna grubość [mm] | 8,9 |
| Wysokość [mm] | 33 |
| Felga, liczba otworów | 4 |
| Typ tarczy hamulcowej | pełny |
| Średnica otworu centrującego [mm] | 63,7 |
| Ø rozmieszczenia otworów [mm] | 107,9 |
| średnica piasty [mm] | 165 |
0
00000| Oś tylna | |
| Kod towaru | 128014FCAL ALT |
| Producent | ALTE AUTOMOTIVE |
| Opis | tarcza hamulcowa |
| Strona zabudowy | Oś tylna |
| Typ tarczy hamulcowej | pełny |
| Grubość tarczy hamulcowej [mm] | 10,3 |
| średnica zewnętrzna [mm] | 253 |
| Ciężar [kg] | 3,35 |
| Wysokość [mm] | 33,1 |
| Liczba otworów | 4 |
| Ø rozmieszczenia otworów [mm] | 108 |
| Średnica otworu centrującego [mm] | 63,6 |
| Powierzchnia | pokryty |
| Minimalna grubość [mm] | 8,9 |
| Średnica otworu do [mm] | 13,8 |
00
0000
00000| Oś tylna | |
| Kod towaru | ADF124319 BLP |
| Producent | BLUE PRINT |
| Opis | tarcza hamulcowa |
| Grubość tarczy hamulcowej [mm] | 10 |
| Felga, liczba otworów | 4 |
| Grubość [mm] | 33 |
| średnica zewnętrzna [mm] | 253 |
| Ø rozmieszczenia otworów [mm] | 108 |
| Powierzchnia | pokryty |
| Typ tarczy hamulcowej | pełny |
| Strona zabudowy | Oś tylna |
| Minimalna grubość [mm] | 8,9 |
| Średnica otworu centrującego [mm] | 63,5 |
| uwzględnić informację serwisową | |
000
000
00000| Kod towaru | 08.4931.21 |
| Producent | BREMBO |
| Opis | tarcza hamulcowa |
| Typ tarczy hamulcowej | pełny |
| Grubość tarczy hamulcowej [mm] | 10 |
| Liczba otworów | 4 |
| Wysokość [mm] | 33 |
| Średnica otworu centrującego [mm] | 64 |
| średnica zewnętrzna [mm] | 253 |
| Powierzchnia | pokryty |
| Minimalna grubość [mm] | 8,9 |
| Moment dokręcenia [Nm] | 85 |
0
0
00000| Kod towaru | 800-542C CIF |
| Producent | CIFAM |
| Opis | tarcza hamulcowa(253x10,2mm) FORD FOCUS Kombi (DNW) 02/99-11/04 FOCUS (DAW, DBW) 10/98-11/04 SIERRA (GBG, GB4) 01/87-02/93 SIERRA Kombi (BNG) 01/87-02/93 |
| Oznaczenie kontrolne | ECE-R90 |
| Wysokość [mm] | 33,0 |
| Typ tarczy hamulcowej | pełny |
| Grubość tarczy hamulcowej [mm] | 10,0 |
| średnica zewnętrzna [mm] | 253,0 |
| Liczba otworów | 4 |
| Średnica otworu centrującego [mm] | 63,5 |
| Powierzchnia | lakierowany |
00
00000
00000| Oś tylna | |
| Kod towaru | 05652 FEB |
| Producent | FEBI BILSTEIN |
| Opis | tarcza hamulcowa |
| Grubość tarczy hamulcowej [mm] | 10 |
| Felga, liczba otworów | 4 |
| Grubość [mm] | 33 |
| średnica zewnętrzna [mm] | 253 |
| Ø rozmieszczenia otworów [mm] | 108 |
| Powierzchnia | pokryty |
| Typ tarczy hamulcowej | pełny |
| Strona zabudowy | Oś tylna |
| Minimalna grubość [mm] | 8,9 |
| Średnica otworu centrującego [mm] | 63,5 |
| uwzględnić informację serwisową | |
0
00
00000| Oś tylna, Oś tylna strona lewa, Oś tylna strona prawa | |
| Kod towaru | GH-422549 |
| Producent | GH |
| Opis | tarcza hamulcowaFORD FOCUS 1998-2005, SIERRA, SCORPIO 1985-1998 [253*33.2*10.3-4] |
| Strona zabudowy | Oś tylna |
| Strona zabudowy | Oś tylna strona prawa |
| Strona zabudowy | Oś tylna strona lewa |
| Grubość tarczy hamulcowej [mm] | 10,3 |
| Liczba otworów | 4 |
| Ø rozmieszczenia otworów [mm] | 108 |
| Średnica otworu centrującego [mm] | 63,5 |
| średnica zewnętrzna [mm] | 253 |
| Typ tarczy hamulcowej | pełny |
| Wymiar gwintu | 13,7 |
| Wysokość [mm] | 33 |
00
000
00000| Kod towaru | 8DD 355 105-661 |
| Producent | HELLA |
| Opis | tarcza hamulcowa |
| Typ tarczy hamulcowej | pełny |
| średnica zewnętrzna [mm] | 253 |
| Grubość tarczy hamulcowej [mm] | 10,2 |
| Wysokość [mm] | 33 |
| Minimalna grubość [mm] | 8,9 |
| Powierzchnia | pokryty |
| Ø rozmieszczenia otworów [mm] | 108 |
| Średnica otworu centrującego [mm] | 63,6 |
| Wzór otworów/liczba otworów | 04/04 |
| Informacja uzupełniająca | bez piasty koła |
| Informacja uzupełniająca | bez sworznia mocującego koła |
| Ciężar [kg] | 3,4 |
| Montaż/demontaż koniecznie do wykonania przez fachowców! |
00
000
00000| Kod towaru | 23-0542C MET |
| Producent | METELLI |
| Opis | tarcza hamulcowa |
| Oznaczenie kontrolne | ECE-R90 |
| Wysokość [mm] | 33,0 |
| Typ tarczy hamulcowej | pełny |
| Grubość tarczy hamulcowej [mm] | 10,0 |
| średnica zewnętrzna [mm] | 253,0 |
| Liczba otworów | 4 |
| Średnica otworu centrującego [mm] | 63,5 |
| Powierzchnia | lakierowany |
00
0000
00000| Oś tylna | |
| Kod towaru | 50 90 5652 |
| Producent | SWAG |
| Opis | tarcza hamulcowa |
| Grubość tarczy hamulcowej [mm] | 10 |
| Felga, liczba otworów | 4 |
| Grubość [mm] | 33 |
| średnica zewnętrzna [mm] | 253 |
| Ø rozmieszczenia otworów [mm] | 108 |
| Powierzchnia | pokryty |
| Typ tarczy hamulcowej | pełny |
| Strona zabudowy | Oś tylna |
| Minimalna grubość [mm] | 8,9 |
| Średnica otworu centrującego [mm] | 63,5 |
0
0000
00000| Kod towaru | 92088403 TXT |
| Producent | TEXTAR |
| Opis | tarcza hamulcowa |
| Typ tarczy hamulcowej | pełny |
| średnica zewnętrzna [mm] | 253 |
| Grubość tarczy hamulcowej [mm] | 10,2 |
| Wysokość [mm] | 33 |
| Minimalna grubość [mm] | 8,9 |
| Powierzchnia | pokryty |
| Średnica wewnętrzna [mm] | 155 |
| Ø rozmieszczenia otworów [mm] | 108 |
| Średnica otworu centrującego [mm] | 63,6 |
| Wzór otworów/liczba otworów | 04/04 |
| Średnica otworu szpilki koła [mm] | 14 |
| Informacja uzupełniająca | bez piasty koła |
| Informacja uzupełniająca | bez łożyska koła |
| Informacja uzupełniająca | bez sworznia mocującego koła |
| Długość opakowania [cm] | 27,8 |
| Szerokość opakowania [cm] | 27,8 |
| Wysokość opakowania [cm] | 8,4 |
| Ciężar [kg] | 3,4 |
00
00000| Oś tylna | |
| Kod towaru | 300293 HP |
| Producent | TOPRAN |
| Opis | tarcza hamulcowa |
| Strona zabudowy | Oś tylna |
| Typ tarczy hamulcowej | pełny |
| średnica zewnętrzna [mm] | 253 |
| średnica piasty [mm] | 165 |
| Średnica otworu centrującego [mm] | 63,5 |
| Grubość tarczy hamulcowej [mm] | 10,5 |
| Wysokość [mm] | 33 |
| Felga, liczba otworów | 4 |
| Ø rozmieszczenia otworów [mm] | 108 |
| Zamiana tylko w parach | |
00
000
00000| Kod towaru | 250.1340.20 ZIM |
| Producent | ZIMMERMANN |
| Opis | tarcza hamulcowa |
| Typ tarczy hamulcowej | pełny |
| Powierzchnia | pokryty |
| średnica zewnętrzna [mm] | 253 |
| Grubość tarczy hamulcowej [mm] | 10 |
| Wysokość [mm] | 33 |
| Felga, liczba otworów | 4 |
| Ø rozmieszczenia otworów [mm] | 108 |
| Średnica otworu centrującego [mm] | 64 |
| Oznaczenie kontrolne | ECE R90 APPROVED |
| Minimalna grubość [mm] | 8,9 |
| Ciężar [kg] | 3,40 |
| Wzór otworów/liczba otworów | 4/4 |
00
000
00000| Kod towaru | 250.1340.52 ZIM |
| Producent | ZIMMERMANN |
| Opis | tarcza hamulcowa |
| Typ tarczy hamulcowej | pełny |
| Typ tarczy hamulcowej | perforowany |
| Powierzchnia | pokryty |
| średnica zewnętrzna [mm] | 253 |
| Grubość tarczy hamulcowej [mm] | 10 |
| Wysokość [mm] | 33 |
| Felga, liczba otworów | 4 |
| Ø rozmieszczenia otworów [mm] | 108 |
| Średnica otworu centrującego [mm] | 64 |
| Oznaczenie kontrolne | ECE R90 APPROVED |
| Minimalna grubość [mm] | 8,9 |
| Ciężar [kg] | 3,40 |
| Wzór otworów/liczba otworów | 4/4 |
