0
02000| Kod towaru | 16881 ABS |
| Producent | A.B.S. |
| Opis | tarcza hamulcowa |
| Średnica zewnętrzna [mm] | 280 |
| Grubość tarczy hamulcowej [mm] | 22 |
| Minimalna grubość [mm] | 19 |
| Wysokość [mm] | 36,5 |
| Felga, liczba otworów | 5 |
| Typ tarczy hamulcowej | wentylowany |
| Średnica otworu centrującego [mm] | 65 |
| Ø rozmieszczenia otworów [mm] | 100 |
| Średnica piasty [mm] | 145 |
0
00022| Kod towaru | A1471VR SAM |
| Producent | SAMKO |
| Opis | tarcza hamulcowa |
| Średnica otworu centrującego [mm] | 65 |
| Średnica zewnętrzna [mm] | 280 |
| Powierzchnia | pokryty |
| Liczba otworów | 5 |
| Grubość tarczy hamulcowej [mm] | 22 |
| Typ tarczy hamulcowej | z wentylacją wewnętrzną |
| Minimalna grubość [mm] | 19 |
| Wysokość [mm] | 36,5 |
0
00
00002| Oś przednia, Oś przednia, z lewej, Oś przednia, z prawej | |
| Kod towaru | GH-404710 |
| Producent | GH |
| Opis | tarcza hamulcowaVW GOLF IV, AUDI A3 1.9TDI, SKODA OCTAVIA [280*36.7*22-5V] |
| Strona zabudowy | Oś przednia |
| Strona zabudowy | Oś przednia, z prawej |
| Strona zabudowy | Oś przednia, z lewej |
| Grubość tarczy hamulcowej [mm] | 22 |
| Liczba otworów | 5 |
| Ø rozmieszczenia otworów [mm] | 100 |
| Średnica otworu centrującego [mm] | 65 |
| Średnica zewnętrzna [mm] | 280 |
| Typ tarczy hamulcowej | wentylowany |
| Wymiar gwintu | 16 |
| Wysokość [mm] | 36,6 |
00
000
00000| Kod towaru | 8DD 355 105-381 |
| Producent | HELLA |
| Opis | tarcza hamulcowa |
| Typ tarczy hamulcowej | wentylowany zewnętrznie |
| Średnica zewnętrzna [mm] | 280 |
| Grubość tarczy hamulcowej [mm] | 22 |
| Wysokość [mm] | 36,6 |
| Minimalna grubość [mm] | 19 |
| Powierzchnia | pokryty |
| Średnica wewnętrzna [mm] | 133,4 |
| Ø rozmieszczenia otworów [mm] | 100 |
| Średnica otworu centrującego [mm] | 65 |
| Wzór otworów/liczba otworów | 05/06 |
| Średnica otworu szpilki koła [mm] | 15,6 |
| Informacja uzupełniająca | bez piasty koła |
| Informacja uzupełniająca | bez łożyska koła |
| Informacja uzupełniająca | bez sworznia mocującego koła |
| Ciężar [kg] | 5,9 |
| Montaż/demontaż koniecznie do wykonania przez fachowców! |
00
000
00000| Kod towaru | 8DD 355 127-301 |
| Producent | HELLA |
| Opis | tarcza hamulcowa |
| Typ tarczy hamulcowej | wentylowany zewnętrznie |
| Średnica zewnętrzna [mm] | 280 |
| Grubość tarczy hamulcowej [mm] | 22 |
| Wysokość [mm] | 36,6 |
| Minimalna grubość [mm] | 19 |
| Przetwarzanie | wysoko nawęglany |
| Powierzchnia | pokryty |
| Średnica wewnętrzna [mm] | 133,4 |
| Ø rozmieszczenia otworów [mm] | 100 |
| Średnica otworu centrującego [mm] | 65 |
| Wzór otworów/liczba otworów | 05/06 |
| Średnica otworu szpilki koła [mm] | 15,6 |
| Informacja uzupełniająca | bez piasty koła |
| Informacja uzupełniająca | bez łożyska koła |
| Informacja uzupełniająca | bez sworznia mocującego koła |
| Ciężar [kg] | 5,9 |
| Montaż/demontaż koniecznie do wykonania przez fachowców! |
00000| Kod towaru | A1471VR LPR |
| Producent | LPR |
| Opis | tarcza hamulcowa |
| Wysokość [mm] | 36,5 |
| Liczba otworów | 5 |
| Minimalna grubość [mm] | 19 |
| Typ tarczy hamulcowej | z wentylacją wewnętrzną |
| Średnica zewnętrzna [mm] | 280 |
| Średnica otworu centrującego [mm] | 65 |
| Powierzchnia | pokryty |
| Grubość tarczy hamulcowej [mm] | 22 |
00
000
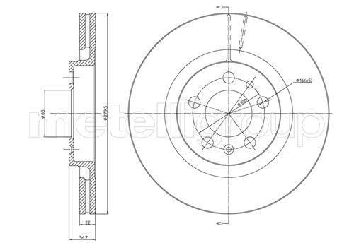
00000| Kod towaru | 23-0391C MET |
| Producent | METELLI |
| Opis | tarcza hamulcowa |
| Oznaczenie kontrolne | ECE-R90 |
| Wysokość [mm] | 36,8 |
| Typ tarczy hamulcowej | wentylowany |
| Grubość tarczy hamulcowej [mm] | 22,0 |
| Średnica zewnętrzna [mm] | 279,5 |
| Liczba otworów | 5 |
| Średnica otworu centrującego [mm] | 65,0 |
| Powierzchnia | lakierowany |
0
00000| Oś przednia | |
| Kod towaru | 127949FCAL ALT |
| Producent | ALTE AUTOMOTIVE |
| Opis | tarcza hamulcowa |
| Strona zabudowy | Oś przednia |
| Typ tarczy hamulcowej | wentylowany |
| Grubość tarczy hamulcowej [mm] | 22 |
| Średnica zewnętrzna [mm] | 280 |
| Ciężar [kg] | 6,0765 |
| Wysokość [mm] | 37 |
| Liczba otworów | 5 |
| Ø rozmieszczenia otworów [mm] | 100 |
| Średnica otworu centrującego [mm] | 65 |
| Powierzchnia | pokryty |
| Minimalna grubość [mm] | 19 |
| Średnica otworu do [mm] | 16 |
00
0000
00000| Oś przednia | |
| Kod towaru | ADV184334 BLP |
| Producent | BLUE PRINT |
| Opis | tarcza hamulcowa |
| Grubość tarczy hamulcowej [mm] | 22 |
| Felga, liczba otworów | 5 |
| Liczba otworów do mocowania | 1 |
| Grubość [mm] | 37 |
| Średnica zewnętrzna [mm] | 280 |
| Ø rozmieszczenia otworów [mm] | 100 |
| Powierzchnia | pokryty |
| Typ tarczy hamulcowej | z wentylacją wewnętrzną |
| Strona zabudowy | Oś przednia |
| Minimalna grubość [mm] | 19 |
| Średnica otworu centrującego [mm] | 65 |
| uwzględnić informację serwisową | |
000
000
00000| Kod towaru | 09.7012.11 |
| Producent | BREMBO |
| Opis | tarcza hamulcowa |
| Typ tarczy hamulcowej | z wentylacją wewnętrzną |
| Grubość tarczy hamulcowej [mm] | 22 |
| Liczba otworów | 5 |
| Informacja uzupełniająca | ze śrubami |
| Wysokość [mm] | 37 |
| Średnica otworu centrującego [mm] | 65 |
| Średnica zewnętrzna [mm] | 280 |
| Przetwarzanie | wysoko nawęglany |
| Powierzchnia | pokryty |
| Minimalna grubość [mm] | 19 |
| Moment dokręcenia [Nm] | 120 |
00
00000
00000| Oś przednia | |
| Kod towaru | 17936 FEB |
| Producent | FEBI BILSTEIN |
| Opis | tarcza hamulcowa |
| Grubość tarczy hamulcowej [mm] | 22 |
| Felga, liczba otworów | 5 |
| Liczba otworów do mocowania | 1 |
| Grubość [mm] | 36,5 |
| Średnica zewnętrzna [mm] | 280 |
| Ø rozmieszczenia otworów [mm] | 100 |
| Powierzchnia | pokryty |
| Typ tarczy hamulcowej | z wentylacją wewnętrzną |
| Strona zabudowy | Oś przednia |
| Minimalna grubość [mm] | 19 |
| Średnica otworu centrującego [mm] | 65 |
| uwzględnić informację serwisową | |
0
0000
00000| Oś przednia | |
| Kod towaru | 32 91 7936 |
| Producent | SWAG |
| Opis | tarcza hamulcowa |
| Grubość tarczy hamulcowej [mm] | 22 |
| Felga, liczba otworów | 5 |
| Liczba otworów do mocowania | 1 |
| Grubość [mm] | 36,5 |
| Średnica zewnętrzna [mm] | 280 |
| Ø rozmieszczenia otworów [mm] | 100 |
| Powierzchnia | pokryty |
| Typ tarczy hamulcowej | z wentylacją wewnętrzną |
| Strona zabudowy | Oś przednia |
| Minimalna grubość [mm] | 19 |
| Średnica otworu centrującego [mm] | 65 |
0
0000
00000| Kod towaru | 92082303 TXT |
| Producent | TEXTAR |
| Opis | tarcza hamulcowa |
| Typ tarczy hamulcowej | wentylowany zewnętrznie |
| Średnica zewnętrzna [mm] | 280 |
| Grubość tarczy hamulcowej [mm] | 22 |
| Wysokość [mm] | 36,6 |
| Minimalna grubość [mm] | 19 |
| Powierzchnia | pokryty |
| Średnica wewnętrzna [mm] | 133,4 |
| Ø rozmieszczenia otworów [mm] | 100 |
| Średnica otworu centrującego [mm] | 65 |
| Wzór otworów/liczba otworów | 05/06 |
| Średnica otworu szpilki koła [mm] | 15,6 |
| Informacja uzupełniająca | bez piasty koła |
| Informacja uzupełniająca | bez łożyska koła |
| Informacja uzupełniająca | bez sworznia mocującego koła |
| Długość opakowania [cm] | 29,3 |
| Szerokość opakowania [cm] | 29,3 |
| Wysokość opakowania [cm] | 10,5 |
| Ciężar [kg] | 5,9 |
0
0000
00000| Kod towaru | 92082305 TXT |
| Producent | TEXTAR |
| Opis | tarcza hamulcowa |
| Typ tarczy hamulcowej | wentylowany zewnętrznie |
| Średnica zewnętrzna [mm] | 280 |
| Grubość tarczy hamulcowej [mm] | 22 |
| Wysokość [mm] | 36,6 |
| Minimalna grubość [mm] | 19 |
| Przetwarzanie | wysoko nawęglany |
| Powierzchnia | pokryty |
| Średnica wewnętrzna [mm] | 133,4 |
| Ø rozmieszczenia otworów [mm] | 100 |
| Średnica otworu centrującego [mm] | 65 |
| Wzór otworów/liczba otworów | 05/06 |
| Średnica otworu szpilki koła [mm] | 15,6 |
| Informacja uzupełniająca | bez piasty koła |
| Informacja uzupełniająca | bez łożyska koła |
| Informacja uzupełniająca | bez sworznia mocującego koła |
| Długość opakowania [cm] | 29,3 |
| Szerokość opakowania [cm] | 29,3 |
| Wysokość opakowania [cm] | 10,5 |
| Ciężar [kg] | 5,9 |
00
00000| Oś przednia | |
| Kod towaru | 107681 HP |
| Producent | TOPRAN |
| Opis | tarcza hamulcowa |
| Strona zabudowy | Oś przednia |
| Typ tarczy hamulcowej | wentylowany |
| Średnica zewnętrzna [mm] | 280 |
| Średnica piasty [mm] | 145 |
| Średnica otworu centrującego [mm] | 65 |
| Grubość tarczy hamulcowej [mm] | 22 |
| Wysokość [mm] | 37 |
| Felga, liczba otworów | 5 |
| Ø rozmieszczenia otworów [mm] | 100 |
| Powierzchnia | pokryty |
| Zamiana tylko w parach | |
0
000
00000| Oś przednia | |
| Kod towaru | 10-5815 VAI |
| Producent | VAICO |
| Opis | zestaw do hamulców, hamulce tarczowe |
| Strona zabudowy | Oś przednia |
| Typ tarczy hamulcowej | z wentylacją wewnętrzną |
| Średnica zewnętrzna [mm] | 280 |
| Grubość tarczy hamulcowej [mm] | 22 |
| Wysokość [mm] | 36,5 |
| Ø rozmieszczenia otworów [mm] | 100 |
| dla numeru PR | 1ZM |
| dla numeru PR | 1LS |
| Informacja uzupełniająca | z okładzinami ciernymi |
000
0000
00000| Oś przednia | |
| Kod towaru | 672900 VAL |
| Producent | VALEO |
| Opis | tarcza hamulcowa |
| Strona zabudowy | Oś przednia |
| Typ tarczy hamulcowej | wentylowany |
| Powierzchnia | pokryty |
| Średnica zewnętrzna [mm] | 280 |
| Grubość tarczy hamulcowej [mm] | 22 |
| Średnica otworu centrującego [mm] | 65 |
| Wysokość [mm] | 36,5 |
| Minimalna grubość [mm] | 19 |
| Felga, liczba otworów | 5 |
| Liczba otworów do mocowania | 1 |
| Informacja uzupełniająca | ze śrubą |
| Informacja uzupełniająca | bez zintegrowanego łożyska koła |
| Oznaczenie kontrolne | ECE-R90 |
| Ciężar [kg] | 12,28 |
