0
02000| Kod towaru | 17541 ABS |
| Producent | A.B.S. |
| Opis | tarcza hamulcowa |
| średnica zewnętrzna [mm] | 260 |
| Grubość tarczy hamulcowej [mm] | 22 |
| Minimalna grubość [mm] | 19,8 |
| Wysokość [mm] | 44 |
| Felga, liczba otworów | 4 |
| Typ tarczy hamulcowej | wentylowany |
| Średnica otworu centrującego [mm] | 60,8 |
| Ø rozmieszczenia otworów [mm] | 100 |
| Powierzchnia | pokryty |
| średnica piasty [mm] | 136 |
0
00
00000| Oś przednia, Oś przednia, z lewej, Oś przednia, z prawej | |
| Kod towaru | GH-403993 |
| Producent | GH |
| Opis | tarcza hamulcowaRENAULT CLIO III 2005-, THANLIA, NISSAN MICRA K12 2003-, DACIA LOGAN [260*44*22-4V] |
| Strona zabudowy | Oś przednia |
| Strona zabudowy | Oś przednia, z prawej |
| Strona zabudowy | Oś przednia, z lewej |
| Grubość tarczy hamulcowej [mm] | 22 |
| Liczba otworów | 4 |
| Ø rozmieszczenia otworów [mm] | 100 |
| Średnica otworu centrującego [mm] | 61 |
| średnica zewnętrzna [mm] | 260 |
| Typ tarczy hamulcowej | wentylowany |
| Wymiar gwintu | 13,5 |
| Wysokość [mm] | 44 |
00
000
00000| Kod towaru | 8DD 355 109-331 |
| Producent | HELLA |
| Opis | tarcza hamulcowa |
| Typ tarczy hamulcowej | wentylowany zewnętrznie |
| średnica zewnętrzna [mm] | 260 |
| Grubość tarczy hamulcowej [mm] | 22 |
| Wysokość [mm] | 43,9 |
| Minimalna grubość [mm] | 19,8 |
| Powierzchnia | pokryty |
| Średnica wewnętrzna [mm] | 125,4 |
| Ø rozmieszczenia otworów [mm] | 100 |
| Średnica otworu centrującego [mm] | 61 |
| Wzór otworów/liczba otworów | 04/06 |
| Średnica otworu szpilki koła [mm] | 13,5 |
| Informacja uzupełniająca | bez piasty koła |
| Informacja uzupełniająca | bez łożyska koła |
| Informacja uzupełniająca | bez sworznia mocującego koła |
| Ciężar [kg] | 5,6 |
| Montaż/demontaż koniecznie do wykonania przez fachowców! |
00
000
00000| Kod towaru | 8DD 355 127-881 |
| Producent | HELLA |
| Opis | tarcza hamulcowa |
| Typ tarczy hamulcowej | wentylowany zewnętrznie |
| średnica zewnętrzna [mm] | 260 |
| Grubość tarczy hamulcowej [mm] | 22 |
| Wysokość [mm] | 43,9 |
| Minimalna grubość [mm] | 19,8 |
| Przetwarzanie | wysoko nawęglany |
| Powierzchnia | pokryty |
| Średnica wewnętrzna [mm] | 125,4 |
| Ø rozmieszczenia otworów [mm] | 100 |
| Średnica otworu centrującego [mm] | 61 |
| Wzór otworów/liczba otworów | 04/06 |
| Średnica otworu szpilki koła [mm] | 13,5 |
| Informacja uzupełniająca | bez piasty koła |
| Informacja uzupełniająca | bez łożyska koła |
| Informacja uzupełniająca | bez sworznia mocującego koła |
| Ciężar [kg] | 5,6 |
| Montaż/demontaż koniecznie do wykonania przez fachowców! |
00000| Kod towaru | N2003VR LPR |
| Producent | LPR |
| Opis | tarcza hamulcowa |
| Typ tarczy hamulcowej | z wentylacją wewnętrzną |
| system hamulcowy | ATE |
| Minimalna grubość [mm] | 19,8 |
| Wysokość [mm] | 44 |
| Grubość tarczy hamulcowej [mm] | 22 |
| Liczba otworów | 4 |
| średnica zewnętrzna [mm] | 260 |
| Średnica otworu centrującego [mm] | 61 |
| Powierzchnia | pokryty |
00
000
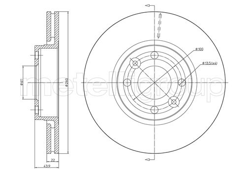
00000| Kod towaru | 23-0641C MET |
| Producent | METELLI |
| Opis | tarcza hamulcowa |
| Oznaczenie kontrolne | ECE-R90 |
| Wysokość [mm] | 44,0 |
| Typ tarczy hamulcowej | wentylowany |
| Grubość tarczy hamulcowej [mm] | 22,0 |
| średnica zewnętrzna [mm] | 260,0 |
| Liczba otworów | 4 |
| Średnica otworu centrującego [mm] | 61,0 |
| Powierzchnia | lakierowany |
0
00000| Kod towaru | N2003VR SAM |
| Producent | SAMKO |
| Opis | tarcza hamulcowa |
| Liczba otworów | 4 |
| Wysokość [mm] | 44 |
| Minimalna grubość [mm] | 19,8 |
| system hamulcowy | ATE |
| Grubość tarczy hamulcowej [mm] | 22 |
| Średnica otworu centrującego [mm] | 61 |
| średnica zewnętrzna [mm] | 260 |
| Powierzchnia | pokryty |
| Typ tarczy hamulcowej | z wentylacją wewnętrzną |
00
0000
00000| Oś przednia | |
| Kod towaru | 60 92 4165 |
| Producent | SWAG |
| Opis | tarcza hamulcowa |
| Grubość tarczy hamulcowej [mm] | 22 |
| Felga, liczba otworów | 4 |
| Liczba otworów do mocowania | 2 |
| Grubość [mm] | 44 |
| średnica zewnętrzna [mm] | 260 |
| Ø rozmieszczenia otworów [mm] | 100 |
| Powierzchnia | pokryty |
| Typ tarczy hamulcowej | z wentylacją wewnętrzną |
| Strona zabudowy | Oś przednia |
| Minimalna grubość [mm] | 20 |
| Średnica otworu centrującego [mm] | 61 |
0
0000
00000| Kod towaru | 92119203 TXT |
| Producent | TEXTAR |
| Opis | tarcza hamulcowa |
| Typ tarczy hamulcowej | wentylowany zewnętrznie |
| średnica zewnętrzna [mm] | 260 |
| Grubość tarczy hamulcowej [mm] | 22 |
| Wysokość [mm] | 43,9 |
| Minimalna grubość [mm] | 19,8 |
| Powierzchnia | pokryty |
| Średnica wewnętrzna [mm] | 125,4 |
| Ø rozmieszczenia otworów [mm] | 100 |
| Średnica otworu centrującego [mm] | 61 |
| Wzór otworów/liczba otworów | 04/06 |
| Średnica otworu szpilki koła [mm] | 13,5 |
| Informacja uzupełniająca | bez piasty koła |
| Informacja uzupełniająca | bez łożyska koła |
| Informacja uzupełniająca | bez sworznia mocującego koła |
| Długość opakowania [cm] | 27,8 |
| Szerokość opakowania [cm] | 27,8 |
| Wysokość opakowania [cm] | 10,5 |
| Ciężar [kg] | 5,6 |
00
00000| Oś przednia | |
| Kod towaru | 700474 HP |
| Producent | TOPRAN |
| Opis | tarcza hamulcowa |
| Strona zabudowy | Oś przednia |
| Typ tarczy hamulcowej | wentylowany |
| średnica zewnętrzna [mm] | 260 |
| średnica piasty [mm] | 135,5 |
| Średnica otworu centrującego [mm] | 61 |
| Grubość tarczy hamulcowej [mm] | 22 |
| Wysokość [mm] | 44 |
| Felga, liczba otworów | 4 |
| Ø rozmieszczenia otworów [mm] | 100 |
| Zamiana tylko w parach | |
0
000
00000| Oś przednia | |
| Kod towaru | 46-1229 VAI |
| Producent | VAICO |
| Opis | zestaw do hamulców, hamulce tarczowe |
| Strona zabudowy | Oś przednia |
| Typ tarczy hamulcowej | wentylowany |
| średnica zewnętrzna [mm] | 260 |
| Grubość tarczy hamulcowej [mm] | 22 |
| Średnica otworu centrującego [mm] | 61 |
| Średnica otworu [mm] | 13,6 |
| Wysokość [mm] | 44 |
| Ø rozmieszczenia otworów [mm] | 100 |
| Minimalna grubość [mm] | 19,8 |
| Średnica wewnętrzna [mm] | 125 |
| Liczba otworów | 4 |
| spełnia wymagania Normy ECE | R90 |
| Informacja uzupełniająca | z okładzinami ciernymi |
0
00000| Oś przednia | |
| Kod towaru | 127940FCAL ALT |
| Producent | ALTE AUTOMOTIVE |
| Opis | tarcza hamulcowa |
| Strona zabudowy | Oś przednia |
| Typ tarczy hamulcowej | wentylowany |
| Grubość tarczy hamulcowej [mm] | 22 |
| średnica zewnętrzna [mm] | 260 |
| Ciężar [kg] | 5,3405 |
| Wysokość [mm] | 44 |
| Liczba otworów | 4 |
| Ø rozmieszczenia otworów [mm] | 100 |
| Średnica otworu centrującego [mm] | 61,1 |
| Powierzchnia | pokryty |
| Minimalna grubość [mm] | 19,80 |
| Średnica otworu do [mm] | 13,5 |
00
00000
00000| Kod towaru | 24.0122-0216.1 |
| Producent | ATE |
| Opis | tarcza hamulcowa |
| średnica zewnętrzna [mm] | 260,0 |
| Grubość tarczy hamulcowej [mm] | 22,0 |
| Minimalna grubość [mm] | 19,8 |
| Typ tarczy hamulcowej | wentylowany |
| Liczba otworów | 4 |
| Przetwarzanie | wysoko nawęglany |
| Powierzchnia | pokryty |
| Ø rozmieszczenia otworów [mm] | 100,0 |
| Wysokość [mm] | 44,0 |
| Średnica otworu centrującego [mm] | 61,0 |
| Średnica wewnętrzna [mm] | 125,0 |
| Średnica otworu [mm] | 13,6 |
| Informacja uzupełniająca | ze śrubami |
| Oznaczenie kontrolne | E1 90R-02C0118/0361 |
| Dostępne MAPP-Code |
00
0000
00000| Oś przednia | |
| Kod towaru | ADN143112 BLP |
| Producent | BLUE PRINT |
| Opis | tarcza hamulcowa |
| Grubość tarczy hamulcowej [mm] | 22 |
| Felga, liczba otworów | 4 |
| Liczba otworów do mocowania | 2 |
| Grubość [mm] | 44 |
| średnica zewnętrzna [mm] | 260 |
| Ø rozmieszczenia otworów [mm] | 100 |
| Powierzchnia | pokryty |
| Typ tarczy hamulcowej | z wentylacją wewnętrzną |
| Strona zabudowy | Oś przednia |
| Minimalna grubość [mm] | 20 |
| Średnica otworu centrującego [mm] | 61 |
| uwzględnić informację serwisową | |
000
000
00000| Kod towaru | 09.9078.11 |
| Producent | BREMBO |
| Opis | tarcza hamulcowa |
| Typ tarczy hamulcowej | z wentylacją wewnętrzną |
| Grubość tarczy hamulcowej [mm] | 22 |
| Liczba otworów | 4 |
| Informacja uzupełniająca | ze śrubami |
| Wysokość [mm] | 44 |
| Średnica otworu centrującego [mm] | 61 |
| średnica zewnętrzna [mm] | 260 |
| Powierzchnia | pokryty |
| Minimalna grubość [mm] | 19,8 |
| Moment dokręcenia [Nm] | 105 |
00
00000
00000| Oś przednia | |
| Kod towaru | 24165 FEB |
| Producent | FEBI BILSTEIN |
| Opis | tarcza hamulcowa |
| Grubość tarczy hamulcowej [mm] | 22 |
| Felga, liczba otworów | 4 |
| Liczba otworów do mocowania | 2 |
| Grubość [mm] | 44 |
| średnica zewnętrzna [mm] | 260 |
| Ø rozmieszczenia otworów [mm] | 100 |
| Powierzchnia | pokryty |
| Typ tarczy hamulcowej | z wentylacją wewnętrzną |
| Strona zabudowy | Oś przednia |
| Minimalna grubość [mm] | 20 |
| Średnica otworu centrującego [mm] | 61 |
| uwzględnić informację serwisową | |
