0
00000| Kod towaru | 18454 ABS |
| Producent | A.B.S. |
| Opis | tarcza hamulcowa |
| Średnica zewnętrzna [mm] | 300 |
| Grubość tarczy hamulcowej [mm] | 28 |
| Minimalna grubość [mm] | 26,5 |
| Wysokość [mm] | 51,1 |
| Felga, liczba otworów | 5 |
| Typ tarczy hamulcowej | wentylowany |
| Średnica otworu centrującego [mm] | 63 |
| Ø rozmieszczenia otworów [mm] | 108 |
| Powierzchnia | pokryty |
| Średnica piasty [mm] | 150 |
00
00000
00000| Kod towaru | DF6811 |
| Producent | TRW |
| Opis | tarcza hamulcowa |
| Typ tarczy hamulcowej | wentylowany |
| Liczba otworów | 5 |
| Średnica zewnętrzna [mm] | 300 |
| Średnica otworu centrującego [mm] | 63,5 |
| Wysokość [mm] | 51,1 |
| Grubość tarczy hamulcowej [mm] | 28 |
000
000
00020| Kod towaru | 09.N255.21 |
| Producent | BREMBO |
| Opis | tarcza hamulcowa5202199 |
| Typ tarczy hamulcowej | z wentylacją wewnętrzną |
| Grubość tarczy hamulcowej [mm] | 28 |
| Liczba otworów | 5 |
| Wysokość [mm] | 51 |
| Średnica otworu centrującego [mm] | 64 |
| Średnica zewnętrzna [mm] | 300 |
| Powierzchnia | pokryty |
| Minimalna grubość [mm] | 26,5 |
000
00000
00000| Kod towaru | 0986479D85 |
| Producent | BOSCH |
| Opis | tarcza hamulcowa |
| Średnica zewnętrzna [mm] | 300 |
| Grubość tarczy hamulcowej [mm] | 28 |
| Minimalna grubość [mm] | 26,5 |
| Wysokość [mm] | 51,2 |
| Ø rozmieszczenia otworów [mm] | 108 |
| Typ tarczy hamulcowej | wentylowany |
| Średnica otworu centrującego [mm] | 63,5 |
| Liczba otworów | 5 |
| Powierzchnia | pokryty |
| Przetwarzanie | wysoko nawęglany |
| spełnia wymagania Normy ECE | ECE-R90 |
| Średnica otworu do [mm] | 13,8 |
00
00000
00000| Kod towaru | 24.0128-0286.1 |
| Producent | ATE |
| Opis | tarcza hamulcowa |
| Średnica zewnętrzna [mm] | 300,0 |
| Grubość tarczy hamulcowej [mm] | 28,0 |
| Minimalna grubość [mm] | 26,5 |
| Typ tarczy hamulcowej | wentylowany |
| Przetwarzanie | stopowy / wysoko nawęglany |
| Powierzchnia | pokryty |
| Liczba otworów | 5 |
| Dostępne MAPP-Code | |
| Ø rozmieszczenia otworów [mm] | 108,0 |
| Wysokość [mm] | 50,9 |
| Średnica otworu centrującego [mm] | 63,5 |
| Średnica wewnętrzna [mm] | 139,7 |
| Średnica otworu [mm] | 13,8 |
| Oznaczenie kontrolne | E1 90R-02C0115/0650 |
0
0
00000| Kod towaru | 800-1790C CIF |
| Producent | CIFAM |
| Opis | tarcza hamulcowa(300x28mm) |
| Oznaczenie kontrolne | ECE-R90 |
| Wysokość [mm] | 51,1 |
| Typ tarczy hamulcowej | wentylowany |
| Grubość tarczy hamulcowej [mm] | 28,0 |
| Średnica zewnętrzna [mm] | 300,0 |
| Liczba otworów | 5 |
| Średnica otworu centrującego [mm] | 63,5 |
| Powierzchnia | lakierowany |
00
000
00000| Oś przednia | |
| Kod towaru | 103615 |
| Producent | KAMOKA |
| Opis | tarcza hamulcowa |
| Strona zabudowy | Oś przednia |
| Typ tarczy hamulcowej | wentylowany |
| Grubość tarczy hamulcowej [mm] | 28 |
| Ø rozmieszczenia otworów [mm] | 108 |
| Liczba otworów | 5 |
| Wysokość [mm] | 51 |
| Średnica otworu centrującego [mm] | 63 |
| Powierzchnia | pokryty |
| Średnica zewnętrzna [mm] | 300 |
00
000
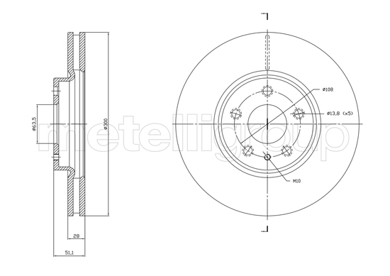
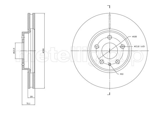
00000| Kod towaru | 23-1790C MET |
| Producent | METELLI |
| Opis | tarcza hamulcowa |
| Oznaczenie kontrolne | ECE-R90 |
| Wysokość [mm] | 51,1 |
| Typ tarczy hamulcowej | wentylowany |
| Grubość tarczy hamulcowej [mm] | 28,0 |
| Średnica zewnętrzna [mm] | 300,0 |
| Liczba otworów | 5 |
| Średnica otworu centrującego [mm] | 63,5 |
| Powierzchnia | lakierowany |
00
000
00000| Kod towaru | 8DD 355 123-161 |
| Producent | HELLA |
| Opis | tarcza hamulcowa |
| Typ tarczy hamulcowej | z wentylacją wewnętrzną |
| Średnica zewnętrzna [mm] | 300 |
| Grubość tarczy hamulcowej [mm] | 28 |
| Wysokość [mm] | 51,1 |
| Minimalna grubość [mm] | 26,5 |
| Powierzchnia | pokryty |
| Średnica wewnętrzna [mm] | 139,9 |
| Ø rozmieszczenia otworów [mm] | 108 |
| Średnica otworu centrującego [mm] | 63,5 |
| Wzór otworów/liczba otworów | 05/06 |
| Średnica otworu szpilki koła [mm] | 13,8 |
| Informacja uzupełniająca | bez piasty koła |
| Informacja uzupełniająca | bez łożyska koła |
| Informacja uzupełniająca | bez sworznia mocującego koła |
| Ciężar [kg] | 9 |
| Montaż/demontaż koniecznie do wykonania przez fachowców! |
000
0000
00000| Kod towaru | BG4702C |
| Producent | DELPHI |
| Opis | tarcza hamulcowaMALOWANA MONDEO V |
| Typ tarczy hamulcowej | wentylowany |
| Liczba otworów | 5 |
| Oznaczenie kontrolne | E4 90R-02C0703/2624 |
| Powierzchnia | pokryty |
| Średnica zewnętrzna [mm] | 300 |
| Grubość tarczy hamulcowej [mm] | 28 |
| Minimalna grubość [mm] | 26,5 |
| Średnica otworu centrującego [mm] | 63,5 |
| Wysokość [mm] | 51,1 |
0000
00000| Oś przednia | |
| Kod towaru | BS-9256HC OPT |
| Producent | OPTIMAL |
| Opis | tarcza hamulcowa |
| Strona zabudowy | Oś przednia |
| Typ tarczy hamulcowej | wentylowany |
| Grubość tarczy hamulcowej [mm] | 28 |
| Średnica zewnętrzna [mm] | 300 |
| Wysokość [mm] | 51 |
| Przetwarzanie | wysoko nawęglany |
| Średnica otworu centrującego [mm] | 63,5 |
| Powierzchnia | pokryty |
| Minimalna grubość [mm] | 26,5 |
| Wzór otworów/liczba otworów | 05/06 |
00000| Kod towaru | DDF2337C FER |
| Producent | FERODO |
| Opis | tarcza hamulcowa |
| Typ tarczy hamulcowej | wentylowany |
| Średnica zewnętrzna [mm] | 300 |
| Grubość tarczy hamulcowej [mm] | 28 |
| Informacja uzupełniająca | bez śrub |
| Wysokość [mm] | 51,1 |
| Ø rozmieszczenia otworów [mm] | 108 |
| Średnica otworu centrującego [mm] | 63,5 |
| Liczba otworów do mocowania | 1 |
| Liczba otworów | 5 |
| Jednostka ilości | Zestaw |
| Powierzchnia | pokryty |
| Oznaczenie kontrolne | R90 homologated |
| Minimalna grubość [mm] | 26,5 |
| Rodzaj połączenia | Pudełko |
| Długość opakowania [cm] | 31 |
| Szerokość opakowania [cm] | 31 |
| Wysokość opakowania [cm] | 12,5 |
00000| Kod towaru | F1047V LPR |
| Producent | LPR |
| Opis | tarcza hamulcowa |
| Liczba otworów | 5 |
| Wysokość [mm] | 50,9 |
| Minimalna grubość [mm] | 26,5 |
| Średnica zewnętrzna [mm] | 300 |
| Średnica otworu centrującego [mm] | 63,5 |
| Grubość tarczy hamulcowej [mm] | 28 |
| Typ tarczy hamulcowej | z wentylacją wewnętrzną |
00000| Kod towaru | F1047VR LPR |
| Producent | LPR |
| Opis | tarcza hamulcowa |
| Grubość tarczy hamulcowej [mm] | 28 |
| Minimalna grubość [mm] | 26,5 |
| Wysokość [mm] | 50,9 |
| Typ tarczy hamulcowej | z wentylacją wewnętrzną |
| Liczba otworów | 5 |
| Powierzchnia | pokryty |
| Średnica zewnętrzna [mm] | 300 |
| Średnica otworu centrującego [mm] | 63,5 |
00
000
00000| Oś przednia | |
| Kod towaru | 250.1375.20 ZIM |
| Producent | ZIMMERMANN |
| Opis | tarcza hamulcowa |
| Strona zabudowy | Oś przednia |
| Typ tarczy hamulcowej | z wentylacją wewnętrzną |
| Powierzchnia | pokryty |
| Średnica zewnętrzna [mm] | 300 |
| Grubość tarczy hamulcowej [mm] | 28 |
| Wysokość [mm] | 51 |
| Felga, liczba otworów | 5 |
| Ø rozmieszczenia otworów [mm] | 108 |
| Średnica otworu centrującego [mm] | 64 |
| Oznaczenie kontrolne | ECE R90 APPROVED |
| Minimalna grubość [mm] | 26,5 |
| Wzór otworów/liczba otworów | 5/5 |
| Ciężar [kg] | 8,80 |
00
000
00000| Oś przednia | |
| Kod towaru | 250.1375.52 ZIM |
| Producent | ZIMMERMANN |
| Opis | tarcza hamulcowa |
| Strona zabudowy | Oś przednia |
| Typ tarczy hamulcowej | z wentylacją wewnętrzną |
| Typ tarczy hamulcowej | perforowany |
| Powierzchnia | pokryty |
| Średnica zewnętrzna [mm] | 300 |
| Grubość tarczy hamulcowej [mm] | 28 |
| Wysokość [mm] | 51 |
| Felga, liczba otworów | 5 |
| Ø rozmieszczenia otworów [mm] | 108 |
| Średnica otworu centrującego [mm] | 64 |
| Oznaczenie kontrolne | ECE R90 APPROVED |
| Minimalna grubość [mm] | 26,5 |
| Wzór otworów/liczba otworów | 5/5 |
| Ciężar [kg] | 8,70 |
0
0000
00000| Kod towaru | 92268603 TXT |
| Producent | TEXTAR |
| Opis | tarcza hamulcowa |
| Typ tarczy hamulcowej | z wentylacją wewnętrzną |
| Średnica zewnętrzna [mm] | 300 |
| Grubość tarczy hamulcowej [mm] | 28 |
| Wysokość [mm] | 51,1 |
| Minimalna grubość [mm] | 26,5 |
| Powierzchnia | pokryty |
| Średnica wewnętrzna [mm] | 139,9 |
| Ø rozmieszczenia otworów [mm] | 108 |
| Średnica otworu centrującego [mm] | 63,5 |
| Wzór otworów/liczba otworów | 05/06 |
| Średnica otworu szpilki koła [mm] | 13,8 |
| Informacja uzupełniająca | bez piasty koła |
| Informacja uzupełniająca | bez łożyska koła |
| Informacja uzupełniająca | bez sworznia mocującego koła |
| Długość opakowania [cm] | 30,8 |
| Szerokość opakowania [cm] | 30,8 |
| Wysokość opakowania [cm] | 12,7 |
| Ciężar [kg] | 9 |
0
000
00000| Kod towaru | 92268605 TXT |
| Producent | TEXTAR |
| Opis | tarcza hamulcowa |
| Typ tarczy hamulcowej | z wentylacją wewnętrzną |
| Średnica zewnętrzna [mm] | 300 |
| Grubość tarczy hamulcowej [mm] | 28 |
| Wysokość [mm] | 51,1 |
| Minimalna grubość [mm] | 26,5 |
| Przetwarzanie | wysoko nawęglany |
| Powierzchnia | pokryty |
| Średnica wewnętrzna [mm] | 139,9 |
| Ø rozmieszczenia otworów [mm] | 108 |
| Średnica otworu centrującego [mm] | 63,5 |
| Wzór otworów/liczba otworów | 05/06 |
| Średnica otworu szpilki koła [mm] | 13,8 |
| Informacja uzupełniająca | bez piasty koła |
| Informacja uzupełniająca | bez łożyska koła |
| Informacja uzupełniająca | bez sworznia mocującego koła |
| Długość opakowania [cm] | 30,8 |
| Szerokość opakowania [cm] | 30,8 |
| Wysokość opakowania [cm] | 12,7 |
| Ciężar [kg] | 9 |
0
00000| Kod towaru | F1047V SAM |
| Producent | SAMKO |
| Opis | tarcza hamulcowa |
| Średnica otworu centrującego [mm] | 63,5 |
| Liczba otworów | 5 |
| Minimalna grubość [mm] | 26,5 |
| Typ tarczy hamulcowej | z wentylacją wewnętrzną |
| Wysokość [mm] | 50,9 |
| Średnica zewnętrzna [mm] | 300 |
| Grubość tarczy hamulcowej [mm] | 28 |
0
00000| Kod towaru | F1047VR SAM |
| Producent | SAMKO |
| Opis | tarcza hamulcowa |
| Powierzchnia | pokryty |
| Minimalna grubość [mm] | 26,5 |
| Wysokość [mm] | 50,9 |
| Typ tarczy hamulcowej | z wentylacją wewnętrzną |
| Średnica otworu centrującego [mm] | 63,5 |
| Średnica zewnętrzna [mm] | 300 |
| Liczba otworów | 5 |
| Grubość tarczy hamulcowej [mm] | 28 |
0
000
00000| Oś przednia | |
| Kod towaru | TX 73-14 |
| Producent | TOMEX BRAKES |
| Opis | tarcza hamulcowa(300x28mm) |
| Strona zabudowy | Oś przednia |
| Typ tarczy hamulcowej | wentylowany |
| Grubość tarczy hamulcowej [mm] | 28 |
| Średnica zewnętrzna [mm] | 300 |
| Wysokość [mm] | 51,1 |
| Liczba otworów | 5 |
| Średnica otworu centrującego [mm] | 63,5 |
| Ø rozmieszczenia otworów [mm] | 108 |
| Powierzchnia | lakierowany |
| Ciężar [kg] | 17,75 |
| Minimalna grubość [mm] | 26,5 |
000
00000
00000| Kod towaru | VKBD 80301 V2 |
| Producent | SKF |
| Opis | tarcza hamulcowa |
| Typ tarczy hamulcowej | z wentylacją wewnętrzną |
| Średnica zewnętrzna [mm] | 300 |
| Grubość tarczy hamulcowej [mm] | 28 |
| Wysokość [mm] | 51,1 |
| Ø rozmieszczenia otworów [mm] | 108 |
| Średnica otworu centrującego [mm] | 63,5 |
| Liczba otworów | 5 |
| Powierzchnia | pokryty |
| Minimalna grubość [mm] | 26,5 |
| Liczba otworów | 1 |
0
00000| Oś przednia | |
| Kod towaru | 128470FCAL ALT |
| Producent | ALTE AUTOMOTIVE |
| Opis | tarcza hamulcowa |
| Strona zabudowy | Oś przednia |
| Typ tarczy hamulcowej | wentylowany |
| Grubość tarczy hamulcowej [mm] | 28 |
| Średnica zewnętrzna [mm] | 300 |
| Ciężar [kg] | 8,69 |
| Wysokość [mm] | 50,9 |
| Liczba otworów | 5 |
| Ø rozmieszczenia otworów [mm] | 108 |
| Średnica otworu centrującego [mm] | 63,5 |
| Powierzchnia | pokryty |
| Minimalna grubość [mm] | 26 |
| Średnica otworu do [mm] | 13,7 |
00
000
00000| Oś przednia | |
| Kod towaru | 60-00-0324C ASH |
| Producent | ASHIKA |
| Opis | tarcza hamulcowa |
| Typ tarczy hamulcowej | z wentylacją wewnętrzną |
| Średnica zewnętrzna [mm] | 300 |
| Grubość tarczy hamulcowej [mm] | 28,0 |
| Wysokość [mm] | 51,1 |
| Minimalna grubość [mm] | 26,5 |
| Powierzchnia | lakierowany |
| Strona zabudowy | Oś przednia |
| Liczba otworów | 5 |
| dla numeru OE | DG9C1125AF |
