0
00000| Kod towaru | 17627 ABS |
| Producent | A.B.S. |
| Opis | tarcza hamulcowa |
| Średnica zewnętrzna [mm] | 288 |
| Grubość tarczy hamulcowej [mm] | 12 |
| Minimalna grubość [mm] | 10 |
| Wysokość [mm] | 36 |
| Felga, liczba otworów | 5 |
| Typ tarczy hamulcowej | pełny |
| Średnica otworu centrującego [mm] | 68 |
| Ø rozmieszczenia otworów [mm] | 112 |
| Powierzchnia | pokryty |
| Średnica piasty [mm] | 174 |
0
00
00000| Kod towaru | 61-00-0908 ASH |
| Producent | ASHIKA |
| Opis | tarcza hamulcowa |
00
0000
00000| Oś tylna | |
| Kod towaru | ADV184314 BLP |
| Producent | BLUE PRINT |
| Opis | tarcza hamulcowa |
| Grubość tarczy hamulcowej [mm] | 12 |
| Felga, liczba otworów | 5 |
| Liczba otworów do mocowania | 1 |
| Grubość [mm] | 36 |
| Średnica zewnętrzna [mm] | 288 |
| Ø rozmieszczenia otworów [mm] | 112 |
| Powierzchnia | pokryty |
| Typ tarczy hamulcowej | pełny |
| Strona zabudowy | Oś tylna |
| Minimalna grubość [mm] | 10 |
| Średnica otworu centrującego [mm] | 68 |
| uwzględnić informację serwisową | |
0
0
00000| Kod towaru | 800-855C CIF |
| Producent | CIFAM |
| Opis | tarcza hamulcowa |
| Oznaczenie kontrolne | ECE-R90 |
| Wysokość [mm] | 35,8 |
| Typ tarczy hamulcowej | pełny |
| Grubość tarczy hamulcowej [mm] | 12,0 |
| Średnica zewnętrzna [mm] | 288,0 |
| Liczba otworów | 5 |
| Średnica otworu centrującego [mm] | 68,0 |
| Powierzchnia | lakierowany |
00
00000
00000| Oś tylna | |
| Kod towaru | 36234 FEB |
| Producent | FEBI BILSTEIN |
| Opis | tarcza hamulcowa |
| Grubość tarczy hamulcowej [mm] | 12 |
| Felga, liczba otworów | 5 |
| Liczba otworów do mocowania | 1 |
| Grubość [mm] | 35,8 |
| Średnica zewnętrzna [mm] | 288 |
| Ø rozmieszczenia otworów [mm] | 112 |
| Powierzchnia | pokryty |
| Typ tarczy hamulcowej | pełny |
| Strona zabudowy | Oś tylna |
| Minimalna grubość [mm] | 10 |
| Średnica otworu centrującego [mm] | 68 |
| uwzględnić informację serwisową | |
00
000
00000| Kod towaru | 8DD 355 111-811 |
| Producent | HELLA |
| Opis | tarcza hamulcowa |
| Typ tarczy hamulcowej | pełny |
| Średnica zewnętrzna [mm] | 288 |
| Grubość tarczy hamulcowej [mm] | 12 |
| Wysokość [mm] | 35,8 |
| Minimalna grubość [mm] | 10 |
| Powierzchnia | pokryty |
| Średnica wewnętrzna [mm] | 162 |
| Ø rozmieszczenia otworów [mm] | 112 |
| Średnica otworu centrującego [mm] | 68 |
| Wzór otworów/liczba otworów | 05/06 |
| Średnica otworu szpilki koła [mm] | 15,3 |
| Informacja uzupełniająca | bez piasty koła |
| Informacja uzupełniająca | bez łożyska koła |
| Informacja uzupełniająca | bez sworznia mocującego koła |
| Ciężar [kg] | 5,1 |
| Montaż/demontaż koniecznie do wykonania przez fachowców! |
00
000
00000| Oś tylna | |
| Kod towaru | 1032846 |
| Producent | KAMOKA |
| Opis | tarcza hamulcowa |
| Strona zabudowy | Oś tylna |
| Typ tarczy hamulcowej | pełny |
| Grubość tarczy hamulcowej [mm] | 12 |
| Ø rozmieszczenia otworów [mm] | 112 |
| Liczba otworów | 5 |
| Wysokość [mm] | 36 |
| Średnica otworu centrującego [mm] | 68 |
| Powierzchnia | pokryty |
| Średnica zewnętrzna [mm] | 288 |
00
000
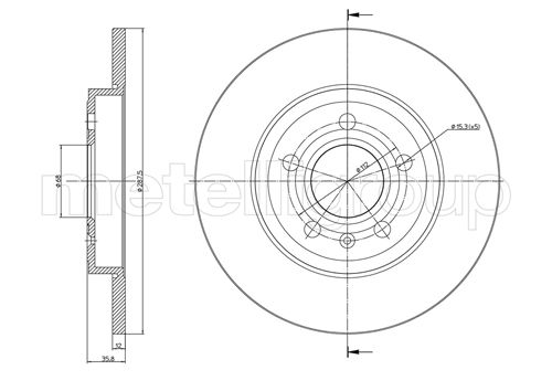
00000| Kod towaru | 23-0855C MET |
| Producent | METELLI |
| Opis | tarcza hamulcowa |
| Oznaczenie kontrolne | ECE-R90 |
| Wysokość [mm] | 35,8 |
| Typ tarczy hamulcowej | pełny |
| Grubość tarczy hamulcowej [mm] | 12,0 |
| Średnica zewnętrzna [mm] | 288,0 |
| Liczba otworów | 5 |
| Średnica otworu centrującego [mm] | 68,0 |
| Powierzchnia | lakierowany |
00
00000| Oś tylna | |
| Kod towaru | 1155230031 MEY |
| Producent | MEYLE |
| Opis | tarcza hamulcowaTARCZA HAM. AUDI T. A4 04-08 288X12 |
| Strona zabudowy | Oś tylna |
| Średnica zewnętrzna [mm] | 288 |
| Wysokość [mm] | 35,8 |
| Grubość tarczy hamulcowej [mm] | 12 |
| Minimalna grubość [mm] | 10 |
| Średnica otworu centrującego [mm] | 68 |
| Ø rozmieszczenia otworów [mm] | 112 |
| Średnica otworu szpilki koła [mm] | 15,3 |
| Liczba otworów | 5 |
| Typ tarczy hamulcowej | pełny |
| wymagana liczba | 2 |
00
00000| Oś tylna | |
| Kod towaru | 1155230031/PD MEY |
| Producent | MEYLE |
| Opis | tarcza hamulcowaTARCZA HAM. AUDI T. A4 04-08 288X12 |
| Strona zabudowy | Oś tylna |
| Średnica zewnętrzna [mm] | 288 |
| Wysokość [mm] | 35,8 |
| Grubość tarczy hamulcowej [mm] | 12 |
| Minimalna grubość [mm] | 10 |
| Średnica otworu centrującego [mm] | 68 |
| Ø rozmieszczenia otworów [mm] | 112 |
| Średnica otworu szpilki koła [mm] | 15,3 |
| Liczba otworów | 5 |
| Typ tarczy hamulcowej | pełny |
| Powierzchnia | Płytki pokryte cynkiem |
| Informacja uzupełniająca | ze śrubami |
| Jakość | PREMIUM |
| wymagana liczba | 2 |
0000
00000| Oś tylna | |
| Kod towaru | BS-8048C OPT |
| Producent | OPTIMAL |
| Opis | tarcza hamulcowa |
| Strona zabudowy | Oś tylna |
| Typ tarczy hamulcowej | pełny |
| Grubość tarczy hamulcowej [mm] | 12 |
| Średnica zewnętrzna [mm] | 288 |
| Wysokość [mm] | 35,8 |
| Średnica otworu centrującego [mm] | 68 |
| Powierzchnia | pokryty |
| Informacja uzupełniająca | ze śrubami |
| Minimalna grubość [mm] | 10 |
| Wzór otworów/liczba otworów | 5/6 |
00000| Kod towaru | VKBD 90350 S2 |
| Producent | SKF |
| Opis | tarcza hamulcowa |
| Typ tarczy hamulcowej | pełny |
| Średnica zewnętrzna [mm] | 288 |
| Grubość tarczy hamulcowej [mm] | 12 |
| Wysokość [mm] | 35,8 |
| Ø rozmieszczenia otworów [mm] | 112 |
| Średnica otworu centrującego [mm] | 68 |
| Liczba otworów | 5 |
| Powierzchnia | pokryty |
| Minimalna grubość [mm] | 10 |
| Liczba otworów | 1 |
00
0000
00000| Oś tylna | |
| Kod towaru | 30 93 6234 |
| Producent | SWAG |
| Opis | tarcza hamulcowa |
| Grubość tarczy hamulcowej [mm] | 12 |
| Felga, liczba otworów | 5 |
| Liczba otworów do mocowania | 1 |
| Grubość [mm] | 35,8 |
| Średnica zewnętrzna [mm] | 288 |
| Ø rozmieszczenia otworów [mm] | 112 |
| Powierzchnia | pokryty |
| Typ tarczy hamulcowej | pełny |
| Strona zabudowy | Oś tylna |
| Minimalna grubość [mm] | 10 |
| Średnica otworu centrującego [mm] | 68 |
0
0000
00000| Kod towaru | 92137003 TXT |
| Producent | TEXTAR |
| Opis | tarcza hamulcowa |
| Typ tarczy hamulcowej | pełny |
| Średnica zewnętrzna [mm] | 288 |
| Grubość tarczy hamulcowej [mm] | 12 |
| Wysokość [mm] | 35,8 |
| Minimalna grubość [mm] | 10 |
| Powierzchnia | pokryty |
| Średnica wewnętrzna [mm] | 162 |
| Ø rozmieszczenia otworów [mm] | 112 |
| Średnica otworu centrującego [mm] | 68 |
| Wzór otworów/liczba otworów | 05/06 |
| Średnica otworu szpilki koła [mm] | 15,3 |
| Informacja uzupełniająca | bez piasty koła |
| Informacja uzupełniająca | bez łożyska koła |
| Informacja uzupełniająca | bez sworznia mocującego koła |
| Długość opakowania [cm] | 31,3 |
| Szerokość opakowania [cm] | 31,3 |
| Wysokość opakowania [cm] | 10 |
| Ciężar [kg] | 5,1 |
0
000
00000| Oś tylna | |
| Kod towaru | 10-40013 VAI |
| Producent | VAICO |
| Opis | tarcza hamulcowa |
| Wysokość piasty tarczy hamulcowej [mm] | 23,7 |
| Felga, liczba otworów | 5 |
| Strona zabudowy | Oś tylna |
| Wysokość [mm] | 36 |
| Typ tarczy hamulcowej | wentylowany |
| Grubość tarczy hamulcowej [mm] | 12 |
| Minimalna grubość [mm] | 10 |
| Średnica zewnętrzna [mm] | 288 |
| Średnica otworu centrującego [mm] | 68 |
| Ø rozmieszczenia otworów [mm] | 112 |
