0
00000| Kod towaru | 15766 ABS |
| Producent | A.B.S. |
| Opis | tarcza hamulcowa |
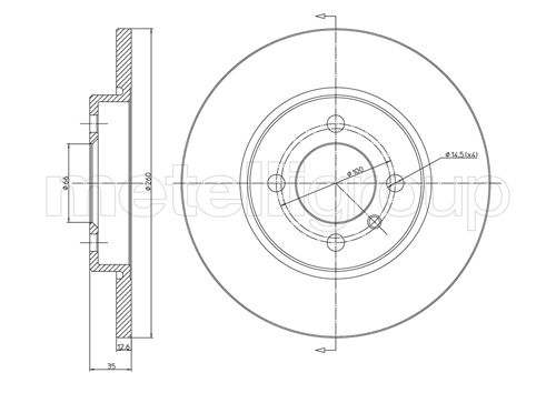
| Średnica zewnętrzna [mm] | 260 |
| Grubość tarczy hamulcowej [mm] | 12,6 |
| Minimalna grubość [mm] | 11 |
| Wysokość [mm] | 35 |
| Felga, liczba otworów | 4 |
| Typ tarczy hamulcowej | pełny |
| Średnica otworu centrującego [mm] | 66 |
| Ø rozmieszczenia otworów [mm] | 100 |
| Średnica piasty [mm] | 148 |
000
000
00000| Kod towaru | 08.3068.10 |
| Producent | BREMBO |
| Opis | tarcza hamulcowa |
| Typ tarczy hamulcowej | pełny |
| Grubość tarczy hamulcowej [mm] | 12,7 |
| Liczba otworów | 4 |
| Informacja uzupełniająca | ze śrubami |
| Wysokość [mm] | 35 |
| Średnica otworu centrującego [mm] | 66 |
| Średnica zewnętrzna [mm] | 260 |
| Minimalna grubość [mm] | 11,1 |
| Moment dokręcenia [Nm] | 120 |
0
0
00000| Kod towaru | 800-122 CIF |
| Producent | CIFAM |
| Opis | tarcza hamulcowa |
| Oznaczenie kontrolne | ECE-R90 |
| Wysokość [mm] | 35,0 |
| Typ tarczy hamulcowej | pełny |
| Grubość tarczy hamulcowej [mm] | 12,5 |
| Średnica zewnętrzna [mm] | 260,0 |
| Liczba otworów | 4 |
| Średnica otworu centrującego [mm] | 66,0 |
000
0000
00000| Kod towaru | BG2252 |
| Producent | DELPHI |
| Opis | tarcza hamulcowa3 E36 91-00 |
| Typ tarczy hamulcowej | pełny |
| Liczba otworów | 4 |
| Oznaczenie kontrolne | E1 90R-02C0100/0517 |
| Powierzchnia | naoliwione |
| Średnica zewnętrzna [mm] | 260 |
| Grubość tarczy hamulcowej [mm] | 12,7 |
| Minimalna grubość [mm] | 11,1 |
| Średnica otworu centrującego [mm] | 66 |
| Wysokość [mm] | 35,1 |
00
00000
00000| Oś przednia | |
| Kod towaru | 08559 FEB |
| Producent | FEBI BILSTEIN |
| Opis | tarcza hamulcowa |
| Grubość tarczy hamulcowej [mm] | 12,7 |
| Felga, liczba otworów | 4 |
| Liczba otworów do mocowania | 1 |
| Grubość [mm] | 35 |
| Średnica zewnętrzna [mm] | 260 |
| Ø rozmieszczenia otworów [mm] | 100 |
| Powierzchnia | pokryty |
| Typ tarczy hamulcowej | pełny |
| Strona zabudowy | Oś przednia |
| Minimalna grubość [mm] | 11,1 |
| Średnica otworu centrującego [mm] | 66 |
| uwzględnić informację serwisową | |
00000| Kod towaru | DDF062 FER |
| Producent | FERODO |
| Opis | tarcza hamulcowa |
| Typ tarczy hamulcowej | pełny |
| Średnica zewnętrzna [mm] | 260 |
| Grubość tarczy hamulcowej [mm] | 12,7 |
| Informacja uzupełniająca | ze śrubami |
| Wysokość [mm] | 35,1 |
| Ø rozmieszczenia otworów [mm] | 100 |
| Średnica otworu centrującego [mm] | 66 |
| Liczba otworów | 4 |
| Jednostka ilości | Zestaw |
| Powierzchnia | naoliwione |
| Oznaczenie kontrolne | R90 Homologated |
| Ciężar [kg] | 8,8 |
| Minimalna grubość [mm] | 10,6 |
| Moment dokręcenia [Nm] | 120 |
| Rodzaj połączenia | Pudełko |
| Długość opakowania [cm] | 26,1 |
| Szerokość opakowania [cm] | 26,1 |
| Wysokość opakowania [cm] | 7,4 |

00
000
00000| Oś przednia | |
| Kod towaru | 103124 |
| Producent | KAMOKA |
| Opis | tarcza hamulcowa |
| Strona zabudowy | Oś przednia |
| Typ tarczy hamulcowej | pełny |
| Grubość tarczy hamulcowej [mm] | 13 |
| Ø rozmieszczenia otworów [mm] | 100 |
| Liczba otworów | 4 |
| Wysokość [mm] | 35 |
| Średnica otworu centrującego [mm] | 66 |
| Średnica zewnętrzna [mm] | 260 |
00000| Kod towaru | B2121P LPR |
| Producent | LPR |
| Opis | tarcza hamulcowa |
| Wysokość [mm] | 35 |
| Typ tarczy hamulcowej | pełny |
| Grubość tarczy hamulcowej [mm] | 13 |
| Minimalna grubość [mm] | 11,1 |
| Średnica zewnętrzna [mm] | 260 |
| Liczba otworów | 4 |
| Średnica otworu centrującego [mm] | 66 |
00
000
00000| Kod towaru | 23-0122 MET |
| Producent | METELLI |
| Opis | tarcza hamulcowa |
| Oznaczenie kontrolne | ECE-R90 |
| Wysokość [mm] | 35,0 |
| Typ tarczy hamulcowej | pełny |
| Grubość tarczy hamulcowej [mm] | 12,5 |
| Średnica zewnętrzna [mm] | 260,0 |
| Liczba otworów | 4 |
| Średnica otworu centrującego [mm] | 66,0 |
00
00000| Oś przednia | |
| Kod towaru | 3155213009 MEY |
| Producent | MEYLE |
| Opis | tarcza hamulcowaTARCZA HAM. BMW P. E30 82-91 260X12,7 |
| Strona zabudowy | Oś przednia |
| Średnica zewnętrzna [mm] | 260 |
| Wysokość [mm] | 35 |
| Grubość tarczy hamulcowej [mm] | 12,7 |
| Minimalna grubość [mm] | 11,1 |
| Średnica otworu centrującego [mm] | 66 |
| Ø rozmieszczenia otworów [mm] | 100 |
| Średnica otworu szpilki koła [mm] | 14,5 |
| Liczba otworów | 4 |
| Typ tarczy hamulcowej | pełny |
| wymagana liczba | 2 |
0000
00000| Oś przednia | |
| Kod towaru | BS-0580 OPT |
| Producent | OPTIMAL |
| Opis | tarcza hamulcowa |
| Strona zabudowy | Oś przednia |
| Typ tarczy hamulcowej | pełny |
| Grubość tarczy hamulcowej [mm] | 12,6 |
| Średnica zewnętrzna [mm] | 260 |
| Wysokość [mm] | 35 |
| Średnica otworu centrującego [mm] | 66 |
| Minimalna grubość [mm] | 11,1 |
| Wzór otworów/liczba otworów | 4/5 |
0
0000
00000| Oś przednia | |
| Kod towaru | 20 90 8559 |
| Producent | SWAG |
| Opis | tarcza hamulcowa |
| Grubość tarczy hamulcowej [mm] | 12,7 |
| Felga, liczba otworów | 4 |
| Liczba otworów do mocowania | 1 |
| Grubość [mm] | 35 |
| Średnica zewnętrzna [mm] | 260 |
| Ø rozmieszczenia otworów [mm] | 100 |
| Powierzchnia | pokryty |
| Typ tarczy hamulcowej | pełny |
| Strona zabudowy | Oś przednia |
| Minimalna grubość [mm] | 11,1 |
| Średnica otworu centrującego [mm] | 66 |
0
0000
00000| Kod towaru | 92026400 TXT |
| Producent | TEXTAR |
| Opis | tarcza hamulcowa |
| Typ tarczy hamulcowej | pełny |
| Średnica zewnętrzna [mm] | 260 |
| Grubość tarczy hamulcowej [mm] | 12,7 |
| Wysokość [mm] | 35 |
| Minimalna grubość [mm] | 11,1 |
| Średnica wewnętrzna [mm] | 138 |
| Ø rozmieszczenia otworów [mm] | 100 |
| Średnica otworu centrującego [mm] | 66 |
| Wzór otworów/liczba otworów | 04/05 |
| Średnica otworu szpilki koła [mm] | 14,5 |
| Informacja uzupełniająca | bez piasty koła |
| Informacja uzupełniająca | bez łożyska koła |
| Informacja uzupełniająca | bez sworznia mocującego koła |
| Długość opakowania [cm] | 27,8 |
| Szerokość opakowania [cm] | 27,8 |
| Wysokość opakowania [cm] | 10,5 |
| Ciężar [kg] | 4,5 |
0
00000| Kod towaru | B2121P SAM |
| Producent | SAMKO |
| Opis | tarcza hamulcowaLITA PRZÓD |
| Wysokość [mm] | 35 |
| Typ tarczy hamulcowej | pełny |
| Grubość tarczy hamulcowej [mm] | 13 |
| Minimalna grubość [mm] | 11,1 |
| Średnica zewnętrzna [mm] | 260 |
| Liczba otworów | 4 |
| Średnica otworu centrującego [mm] | 66 |
0
00000| Kod towaru | BDC3464 QH |
| Producent | QUINTON HAZELL |
| Opis | tarcza hamulcowa- |
| Typ tarczy hamulcowej | pełny |
| Średnica zewnętrzna [mm] | 260 |
| Grubość tarczy hamulcowej [mm] | 12,7 |
| Minimalna grubość [mm] | 11 |
| Wysokość [mm] | 35,1 |
| Średnica otworu centrującego [mm] | 66 |
| Ø rozmieszczenia otworów [mm] | 100 |
| Liczba otworów | 4 |
00
00000
00000| Kod towaru | DF1569 |
| Producent | TRW |
| Opis | tarcza hamulcowa |
| Typ tarczy hamulcowej | pełny |
| Średnica zewnętrzna [mm] | 260 |
| Grubość tarczy hamulcowej [mm] | 12,7 |
| Średnica otworu centrującego [mm] | 66 |
| Wysokość [mm] | 35 |
| Liczba otworów | 4 |
