0
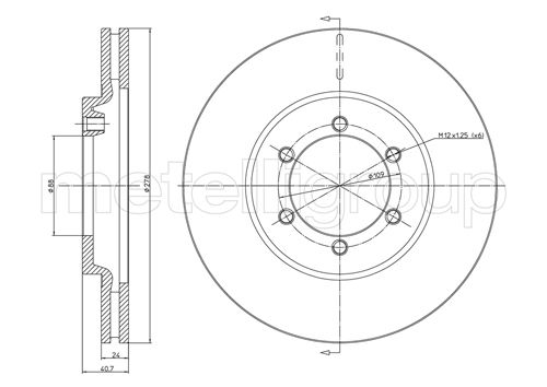
00000| Kod towaru | 17015 ABS |
| Producent | A.B.S. |
| Opis | tarcza hamulcowa |
| średnica zewnętrzna [mm] | 278 |
| Grubość tarczy hamulcowej [mm] | 24 |
| Minimalna grubość [mm] | 22 |
| Wysokość [mm] | 40,5 |
| Felga, liczba otworów | 6 |
| Typ tarczy hamulcowej | wentylowany |
| Średnica otworu centrującego [mm] | 87,5 |
| Ø rozmieszczenia otworów [mm] | 109 |
| Powierzchnia | pokryty |
| średnica piasty [mm] | 156 |
00
0000
00000| Oś przednia | |
| Kod towaru | ADG04330 BLP |
| Producent | BLUE PRINT |
| Opis | tarcza hamulcowa |
| Grubość tarczy hamulcowej [mm] | 23,9 |
| Felga, liczba otworów | 6 |
| Grubość [mm] | 41 |
| średnica zewnętrzna [mm] | 278 |
| Ø rozmieszczenia otworów [mm] | 109 |
| Powierzchnia | pokryty |
| Typ tarczy hamulcowej | z wentylacją wewnętrzną |
| Strona zabudowy | Oś przednia |
| Minimalna grubość [mm] | 22 |
| Średnica otworu centrującego [mm] | 88 |
| uwzględnić informację serwisową | |
000
00000
00000| Kod towaru | 0986478967 |
| Producent | BOSCH |
| Opis | tarcza hamulcowa |
| średnica zewnętrzna [mm] | 278 |
| Grubość tarczy hamulcowej [mm] | 24 |
| Minimalna grubość [mm] | 22 |
| Wysokość [mm] | 40,5 |
| Ø rozmieszczenia otworów [mm] | 109 |
| Typ tarczy hamulcowej | wentylowany |
| Średnica otworu centrującego [mm] | 88 |
| Liczba otworów | 6 |
| Powierzchnia | naoliwione |
| spełnia wymagania Normy ECE | ECE-R90 |
000
00000
00000| Kod towaru | 0986479416 |
| Producent | BOSCH |
| Opis | tarcza hamulcowa |
| średnica zewnętrzna [mm] | 294 |
| Grubość tarczy hamulcowej [mm] | 26 |
| Minimalna grubość [mm] | 24 |
| Wysokość [mm] | 32,6 |
| Ø rozmieszczenia otworów [mm] | 109 |
| Typ tarczy hamulcowej | wentylowany |
| Średnica otworu centrującego [mm] | 88 |
| Liczba otworów | 6 |
| Powierzchnia | naoliwione |
| Przetwarzanie | wysoko nawęglany |
| Średnica otworu do [mm] | 12,5 |
0
0
00000| Kod towaru | 800-711 CIF |
| Producent | CIFAM |
| Opis | tarcza hamulcowa |
| Oznaczenie kontrolne | ECE-R90 |
| Wysokość [mm] | 40,7 |
| Typ tarczy hamulcowej | wentylowany |
| Grubość tarczy hamulcowej [mm] | 24,0 |
| średnica zewnętrzna [mm] | 277,8 |
| Liczba otworów | 6 |
| Średnica otworu centrującego [mm] | 88,0 |
000
0000
00000| Kod towaru | BG3523 |
| Producent | DELPHI |
| Opis | tarcza hamulcowaMUSSO 99- TYŁ |
| Typ tarczy hamulcowej | wentylowany |
| Liczba otworów | 6 |
| Oznaczenie kontrolne | E1 90R-02C0074/1474 |
| Powierzchnia | naoliwione |
| średnica zewnętrzna [mm] | 278 |
| Grubość tarczy hamulcowej [mm] | 24 |
| Minimalna grubość [mm] | 22 |
| Średnica otworu centrującego [mm] | 88 |
| Wysokość [mm] | 40 |
00000| Kod towaru | DDF1346 FER |
| Producent | FERODO |
| Opis | tarcza hamulcowa |
| Typ tarczy hamulcowej | wentylowany |
| średnica zewnętrzna [mm] | 278 |
| Grubość tarczy hamulcowej [mm] | 23,9 |
| Informacja uzupełniająca | bez śrub |
| Wysokość [mm] | 40,5 |
| Ø rozmieszczenia otworów [mm] | 109 |
| Średnica otworu centrującego [mm] | 88 |
| Liczba otworów | 6 |
| Jednostka ilości | Zestaw |
| Powierzchnia | naoliwione |
| Oznaczenie kontrolne | R90 homologated |
| Ciężar [kg] | 12,01 |
| Minimalna grubość [mm] | 22,5 |
| Moment dokręcenia [Nm] | 110 |
| Rodzaj połączenia | Pudełko |
| Długość opakowania [cm] | 29 |
| Szerokość opakowania [cm] | 29 |
| Wysokość opakowania [cm] | 11 |
00
000
00000| Kod towaru | 8DD 355 111-991 |
| Producent | HELLA |
| Opis | tarcza hamulcowa |
| Typ tarczy hamulcowej | z wentylacją wewnętrzną |
| średnica zewnętrzna [mm] | 278 |
| Grubość tarczy hamulcowej [mm] | 24 |
| Wysokość [mm] | 40,5 |
| Minimalna grubość [mm] | 22 |
| Ø rozmieszczenia otworów [mm] | 109 |
| Średnica otworu centrującego [mm] | 88 |
| Wzór otworów/liczba otworów | 06/06 |
| Informacja uzupełniająca | bez piasty koła |
| Informacja uzupełniająca | bez sworznia mocującego koła |
| Ciężar [kg] | 5,9 |
| Montaż/demontaż koniecznie do wykonania przez fachowców! |
0
0
00000| Kod towaru | 30H0003-JPN |
| Producent | JPN |
| Opis | tarcza hamulcowa |
| Typ tarczy hamulcowej | wentylowany |
| Wysokość [mm] | 40,1 |
| Grubość tarczy hamulcowej [mm] | 23,8 |
| Wymiar gwintu | M12 x 1,25 |
| średnica zewnętrzna [mm] | 278 |
| Liczba otworów | 6 |
| Średnica otworu centrującego [mm] | 88 |
| Ø rozmieszczenia otworów [mm] | 109 |
00000| Kod towaru | S7012V LPR |
| Producent | LPR |
| Opis | tarcza hamulcowa |
| średnica zewnętrzna [mm] | 278 |
| Typ tarczy hamulcowej | z wentylacją wewnętrzną |
| Wysokość [mm] | 40 |
| Grubość tarczy hamulcowej [mm] | 24 |
| Liczba otworów | 6 |
| Średnica otworu centrującego [mm] | 88 |
| Minimalna grubość [mm] | 22 |
00
00000
00000| Kod towaru | DFV0713 |
| Producent | MAGNETI MARELLI |
| Opis | tarcza hamulcowa |
| Typ tarczy hamulcowej | z wentylacją wewnętrzną |
| Średnica [mm] | 278 |
| Wysokość [mm] | 40 |
| Minimalna grubość [mm] | 22 |
| Liczba otworów | 6 |
| Ø rozmieszczenia otworów [mm] | 88 |
| Moment dokręcenia [Nm] | 110 |
| Grubość tarczy hamulcowej [mm] | 24 |
| średnica zewnętrzna [mm] | 278 |
00
000
00000| Kod towaru | 23-0711 MET |
| Producent | METELLI |
| Opis | tarcza hamulcowa |
| Oznaczenie kontrolne | ECE-R90 |
| Wysokość [mm] | 40,7 |
| Typ tarczy hamulcowej | wentylowany |
| Grubość tarczy hamulcowej [mm] | 24,0 |
| średnica zewnętrzna [mm] | 277,8 |
| Liczba otworów | 6 |
| Średnica otworu centrującego [mm] | 88,0 |
0
00000| Kod towaru | 30H0003-OYO |
| Producent | OYODO |
| Opis | tarcza hamulcowa |
| Typ tarczy hamulcowej | wentylowany |
| Wysokość [mm] | 40,1 |
| Grubość tarczy hamulcowej [mm] | 23,8 |
| Wymiar gwintu | M12 x 1,25 |
| średnica zewnętrzna [mm] | 278 |
| Liczba otworów | 6 |
| Średnica otworu centrującego [mm] | 88 |
| Ø rozmieszczenia otworów [mm] | 109 |
0
00000| Kod towaru | S7012V SAM |
| Producent | SAMKO |
| Opis | tarcza hamulcowa |
| Średnica otworu centrującego [mm] | 88 |
| Liczba otworów | 6 |
| średnica zewnętrzna [mm] | 278 |
| Minimalna grubość [mm] | 22 |
| Grubość tarczy hamulcowej [mm] | 24 |
| Wysokość [mm] | 40 |
| Typ tarczy hamulcowej | z wentylacją wewnętrzną |
00000| Kod towaru | VKBD 80918 V2 |
| Producent | SKF |
| Opis | tarcza hamulcowa |
| Typ tarczy hamulcowej | z wentylacją wewnętrzną |
| średnica zewnętrzna [mm] | 278 |
| Grubość tarczy hamulcowej [mm] | 24 |
| Wysokość [mm] | 40 |
| Ø rozmieszczenia otworów [mm] | 109 |
| Średnica otworu centrującego [mm] | 88 |
| Liczba otworów | 6 |
| Powierzchnia | pokryty |
| Minimalna grubość [mm] | 22 |
0
0000
00000| Kod towaru | 92138400 TXT |
| Producent | TEXTAR |
| Opis | tarcza hamulcowa |
| Typ tarczy hamulcowej | z wentylacją wewnętrzną |
| średnica zewnętrzna [mm] | 278 |
| Grubość tarczy hamulcowej [mm] | 24 |
| Wysokość [mm] | 40,5 |
| Minimalna grubość [mm] | 22 |
| Średnica wewnętrzna [mm] | 1 |
| Ø rozmieszczenia otworów [mm] | 109 |
| Średnica otworu centrującego [mm] | 88 |
| Wzór otworów/liczba otworów | 06/06 |
| Średnica otworu szpilki koła [mm] | 12 |
| Informacja uzupełniająca | bez piasty koła |
| Informacja uzupełniająca | bez łożyska koła |
| Informacja uzupełniająca | bez sworznia mocującego koła |
| Długość opakowania [cm] | 29,3 |
| Szerokość opakowania [cm] | 29,3 |
| Wysokość opakowania [cm] | 10,5 |
| Ciężar [kg] | 5,9 |
00
00000
00000| Kod towaru | DF4168 |
| Producent | TRW |
| Opis | tarcza hamulcowa |
| Powierzchnia | lakierowany |
| Typ tarczy hamulcowej | wentylowany |
| średnica zewnętrzna [mm] | 278 |
| Grubość tarczy hamulcowej [mm] | 23,8 |
| Minimalna grubość [mm] | 22 |
| Średnica otworu centrującego [mm] | 88 |
| Wysokość [mm] | 40,1 |
| Liczba otworów | 6 |
| Wymiar gwintu | M12 x 1,25 |
| Ø rozmieszczenia otworów [mm] | 109 |
| Kolor | czarny |
| Oznaczenie kontrolne | E1 90R-02 C0176/0450 |
