0
00000| Kod towaru | 18471 ABS |
| Producent | A.B.S. |
| Opis | tarcza hamulcowa |
| średnica zewnętrzna [mm] | 300 |
| Grubość tarczy hamulcowej [mm] | 28 |
| Minimalna grubość [mm] | 26,5 |
| Wysokość [mm] | 50,9 |
| Felga, liczba otworów | 5 |
| Typ tarczy hamulcowej | wentylowany |
| Średnica otworu centrującego [mm] | 63,5 |
| Ø rozmieszczenia otworów [mm] | 108 |
| Powierzchnia | pokryty |
| średnica piasty [mm] | 150 |
00
00000
00000| Kod towaru | 24.0128-0298.1 |
| Producent | ATE |
| Opis | tarcza hamulcowa(300x28 mm) Ford Galaxy 15- |
| średnica zewnętrzna [mm] | 300,0 |
| Grubość tarczy hamulcowej [mm] | 28,0 |
| Minimalna grubość [mm] | 26,5 |
| Typ tarczy hamulcowej | wentylowany |
| Przetwarzanie | stopowy / wysoko nawęglany |
| Powierzchnia | pokryty |
| Liczba otworów | 5 |
| Informacja uzupełniająca | ze śrubami |
| Dostępne MAPP-Code | |
| Ø rozmieszczenia otworów [mm] | 108,0 |
| Wysokość [mm] | 50,9 |
| Średnica otworu centrującego [mm] | 63,5 |
| Średnica wewnętrzna [mm] | 139,7 |
| Średnica otworu [mm] | 15,8 |
| Oznaczenie kontrolne | E1 90R-02C0115/1008 |
00
0000
00000| Oś przednia | |
| Kod towaru | ADF124305 BLP |
| Producent | BLUE PRINT |
| Opis | tarcza hamulcowa |
| Grubość tarczy hamulcowej [mm] | 28 |
| Felga, liczba otworów | 5 |
| Liczba otworów do mocowania | 1 |
| Grubość [mm] | 52 |
| średnica zewnętrzna [mm] | 300 |
| Ø rozmieszczenia otworów [mm] | 108 |
| Powierzchnia | pokryty |
| Typ tarczy hamulcowej | z wentylacją wewnętrzną |
| Strona zabudowy | Oś przednia |
| Minimalna grubość [mm] | 26 |
| Średnica otworu centrującego [mm] | 63,5 |
| uwzględnić informację serwisową | |
000
00000
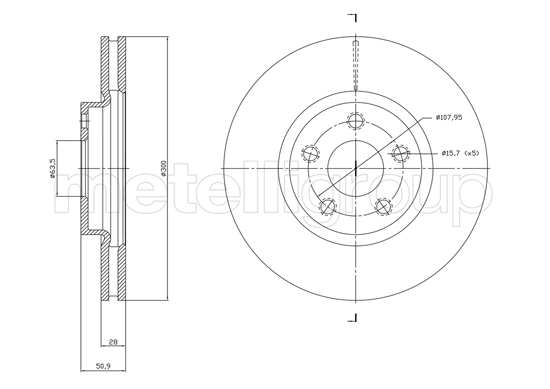
00000| Kod towaru | 0986479D44 |
| Producent | BOSCH |
| Opis | tarcza hamulcowa |
| średnica zewnętrzna [mm] | 300 |
| Grubość tarczy hamulcowej [mm] | 28 |
| Minimalna grubość [mm] | 26,5 |
| Wysokość [mm] | 50,9 |
| Ø rozmieszczenia otworów [mm] | 107,95 |
| Typ tarczy hamulcowej | wentylowany |
| Średnica otworu centrującego [mm] | 63,55 |
| Liczba otworów | 5 |
| Powierzchnia | pokryty |
| Przetwarzanie | stopowy / wysoko nawęglany |
| spełnia wymagania Normy ECE | ECE-R90 |
| Średnica otworu do [mm] | 15,7 |
0
0
00000| Kod towaru | 800-1834C CIF |
| Producent | CIFAM |
| Opis | tarcza hamulcowa(300x28 mm) Ford Galaxy 15- |
| Oznaczenie kontrolne | ECE-R90 |
| Wysokość [mm] | 50,9 |
| Typ tarczy hamulcowej | wentylowany |
| Grubość tarczy hamulcowej [mm] | 28,0 |
| średnica zewnętrzna [mm] | 300,0 |
| Liczba otworów | 5 |
| Średnica otworu centrującego [mm] | 63,5 |
| Powierzchnia | lakierowany |
000
0000
00000| Kod towaru | BG4918C |
| Producent | DELPHI |
| Opis | tarcza hamulcowa |
| Typ tarczy hamulcowej | wentylowany |
| Liczba otworów | 5 |
| Oznaczenie kontrolne | E1 90R-02C0074/1564 |
| Powierzchnia | pokryty |
| średnica zewnętrzna [mm] | 300 |
| Grubość tarczy hamulcowej [mm] | 28 |
| Minimalna grubość [mm] | 26,5 |
| Średnica otworu centrującego [mm] | 63,5 |
| Wysokość [mm] | 50,9 |
00
00000
00000| Oś przednia | |
| Kod towaru | 28361 FEB |
| Producent | FEBI BILSTEIN |
| Opis | tarcza hamulcowa |
| Grubość tarczy hamulcowej [mm] | 28 |
| Felga, liczba otworów | 5 |
| Liczba otworów do mocowania | 1 |
| Grubość [mm] | 52 |
| średnica zewnętrzna [mm] | 300 |
| Ø rozmieszczenia otworów [mm] | 108 |
| Powierzchnia | pokryty |
| Typ tarczy hamulcowej | z wentylacją wewnętrzną |
| Strona zabudowy | Oś przednia |
| Minimalna grubość [mm] | 26 |
| Średnica otworu centrującego [mm] | 63,5 |
| uwzględnić informację serwisową | |
00000| Kod towaru | DDF2816C FER |
| Producent | FERODO |
| Opis | tarcza hamulcowa |
| Typ tarczy hamulcowej | wentylowany |
| średnica zewnętrzna [mm] | 300 |
| Grubość tarczy hamulcowej [mm] | 28 |
| Informacja uzupełniająca | bez śrub |
| Wysokość [mm] | 51 |
| Ø rozmieszczenia otworów [mm] | 108 |
| Średnica otworu centrującego [mm] | 64 |
| Liczba otworów | 5 |
| Powierzchnia | pokryty |
| Oznaczenie kontrolne | R90 homologated |
| Ciężar [kg] | 17,9 |
| Minimalna grubość [mm] | 26 |
| Rodzaj połączenia | Pudełko |
00
000
00000| Oś przednia | |
| Kod towaru | 1031086 |
| Producent | KAMOKA |
| Opis | tarcza hamulcowa |
| Strona zabudowy | Oś przednia |
| Typ tarczy hamulcowej | wentylowany |
| Grubość tarczy hamulcowej [mm] | 28 |
| Ø rozmieszczenia otworów [mm] | 108 |
| Liczba otworów | 5 |
| Wysokość [mm] | 52 |
| Średnica otworu centrującego [mm] | 63 |
| Powierzchnia | pokryty |
| średnica zewnętrzna [mm] | 300 |
00000| Kod towaru | F1044VR LPR |
| Producent | LPR |
| Opis | tarcza hamulcowa |
| średnica zewnętrzna [mm] | 300 |
| Powierzchnia | pokryty |
| Średnica otworu centrującego [mm] | 63,5 |
| Liczba otworów | 5 |
| Minimalna grubość [mm] | 26 |
| Grubość tarczy hamulcowej [mm] | 28 |
| Wysokość [mm] | 50,8 |
| Typ tarczy hamulcowej | z wentylacją wewnętrzną |
00
000
00000| Kod towaru | 23-1834C MET |
| Producent | METELLI |
| Opis | tarcza hamulcowa |
| Oznaczenie kontrolne | ECE-R90 |
| Wysokość [mm] | 50,9 |
| Typ tarczy hamulcowej | wentylowany |
| Grubość tarczy hamulcowej [mm] | 28,0 |
| średnica zewnętrzna [mm] | 300,0 |
| Liczba otworów | 5 |
| Średnica otworu centrującego [mm] | 63,5 |
| Powierzchnia | lakierowany |
0
00000| Kod towaru | F1044VR SAM |
| Producent | SAMKO |
| Opis | tarcza hamulcowa |
| Liczba otworów | 5 |
| Grubość tarczy hamulcowej [mm] | 28 |
| Powierzchnia | pokryty |
| Średnica otworu centrującego [mm] | 63,5 |
| Minimalna grubość [mm] | 26 |
| Wysokość [mm] | 50,8 |
| Typ tarczy hamulcowej | z wentylacją wewnętrzną |
| średnica zewnętrzna [mm] | 300 |
00
0000
00000| Oś przednia | |
| Kod towaru | 50 92 8361 |
| Producent | SWAG |
| Opis | tarcza hamulcowa |
| Grubość tarczy hamulcowej [mm] | 28 |
| Felga, liczba otworów | 5 |
| Liczba otworów do mocowania | 1 |
| Grubość [mm] | 52 |
| średnica zewnętrzna [mm] | 300 |
| Ø rozmieszczenia otworów [mm] | 108 |
| Powierzchnia | pokryty |
| Typ tarczy hamulcowej | z wentylacją wewnętrzną |
| Strona zabudowy | Oś przednia |
| Minimalna grubość [mm] | 26 |
| Średnica otworu centrującego [mm] | 63,5 |
0
0000
00000| Kod towaru | 92283105 TXT |
| Producent | TEXTAR |
| Opis | tarcza hamulcowa |
| Typ tarczy hamulcowej | z wentylacją wewnętrzną |
| średnica zewnętrzna [mm] | 300 |
| Grubość tarczy hamulcowej [mm] | 28 |
| Wysokość [mm] | 50,9 |
| Minimalna grubość [mm] | 26,5 |
| Przetwarzanie | wysoko nawęglany |
| Powierzchnia | pokryty |
| Średnica wewnętrzna [mm] | 139,8 |
| Ø rozmieszczenia otworów [mm] | 108 |
| Średnica otworu centrującego [mm] | 63,5 |
| Wzór otworów/liczba otworów | 05/05 |
| Średnica otworu szpilki koła [mm] | 15,7 |
| Informacja uzupełniająca | bez piasty koła |
| Informacja uzupełniająca | bez łożyska koła |
| Informacja uzupełniająca | bez sworznia mocującego koła |
| Długość opakowania [cm] | 30,8 |
| Szerokość opakowania [cm] | 30,8 |
| Wysokość opakowania [cm] | 12,7 |
| Ciężar [kg] | 8,8 |
00
00000| Oś przednia | |
| Kod towaru | 304952 HP |
| Producent | TOPRAN |
| Opis | tarcza hamulcowa |
| Strona zabudowy | Oś przednia |
| Typ tarczy hamulcowej | z wentylacją wewnętrzną |
| Powierzchnia | pokryty |
| średnica zewnętrzna [mm] | 300 |
| Wysokość [mm] | 51 |
| Średnica otworu centrującego [mm] | 63,5 |
| Felga, liczba otworów | 5 |
| Ø rozmieszczenia otworów [mm] | 108 |
| Grubość tarczy hamulcowej [mm] | 28 |
| średnica piasty [mm] | 150 |
00
00000
00000| Kod towaru | DF6810S |
| Producent | TRW |
| Opis | tarcza hamulcowa(300x28 mm) Ford Galaxy 15- |
| Typ tarczy hamulcowej | wentylowany |
| Felga, liczba otworów | 5 |
| średnica zewnętrzna [mm] | 300 |
| Średnica otworu centrującego [mm] | 63,5 |
| Wysokość [mm] | 51 |
| Grubość tarczy hamulcowej [mm] | 28 |
| Minimalna grubość [mm] | 26,5 |
| Ø rozmieszczenia otworów [mm] | 108 |
| Wymiar gwintu | 15,7 |
| Kolor | czarny |
| Powierzchnia | lakierowany |
| Oznaczenie kontrolne | E1 90R-02 C0176/0492 |
00
000
00000| Kod towaru | 250.1383.20 ZIM |
| Producent | ZIMMERMANN |
| Opis | tarcza hamulcowa |
| Typ tarczy hamulcowej | z wentylacją wewnętrzną |
| Powierzchnia | pokryty |
| średnica zewnętrzna [mm] | 300 |
| Grubość tarczy hamulcowej [mm] | 28 |
| Wysokość [mm] | 51 |
| Felga, liczba otworów | 5 |
| Ø rozmieszczenia otworów [mm] | 108 |
| Średnica otworu centrującego [mm] | 64 |
| Oznaczenie kontrolne | ECE R90 APPROVED |
| Minimalna grubość [mm] | 26,0 |
| Ciężar [kg] | 8,80 |
| Wzór otworów/liczba otworów | 5/5 |
00
000
00000| Kod towaru | 250.1383.52 ZIM |
| Producent | ZIMMERMANN |
| Opis | tarcza hamulcowa |
| Typ tarczy hamulcowej | z wentylacją wewnętrzną |
| Typ tarczy hamulcowej | perforowany |
| Powierzchnia | pokryty |
| średnica zewnętrzna [mm] | 300 |
| Grubość tarczy hamulcowej [mm] | 28 |
| Wysokość [mm] | 51 |
| Felga, liczba otworów | 5 |
| Ø rozmieszczenia otworów [mm] | 108 |
| Średnica otworu centrującego [mm] | 64 |
| Oznaczenie kontrolne | ECE R90 APPROVED |
| Minimalna grubość [mm] | 26,0 |
| Ciężar [kg] | 8,70 |
| Wzór otworów/liczba otworów | 5/5 |
